Contents
Top
Discrete Power Components
Silicon (Si), Silicon Carbide (SiC), and Gallium Nitride (GaN) Semiconductors
Gate Drivers
Transistors
Diodes
Thyristors
Power Management Integrated Circuits (PMICs)
Linear Voltage Regulators
Switching Voltage Regulators
Power Supplies
Isolated Power Supply
Non-Isolated Power Supply
Limits on Isolated Power Supplies
What form factors do power supplies come in?
Off-Board Power Supplies
Board Mount Power Supplies
Power Bricks
Thermal Management in Power
Fans
Heat Sinks
Thermal Interface Materials (TIM)
Products
Power Solutions and Technologies
Primary power electronics topologies:
There are three main categories of power electronics products at DigiKey:
- Discrete Power Components: Referring to components that can be used with PMICs, or individually to create specifically tailored solutions. Getting down to this level provides the greatest flexibility but also commonly the greatest amount of development and expertise is required.
- Power Management Integrated Circuit (PMIC): Referring to a wide range of Application-Specific ICs or ASICs. They generally take more planning (and often additional discrete components) to create a full solution than using a power supply.
- Power Supplies: Referring to a device which transforms power, often stepping up or down a voltage. There is not as much customization at this level and leaves the power solution to more of a black box.
There's also an overarching theme of Thermal Management.
For further reading on some of the cutting edge power technologies and applications, be sure to read the power issue of the Digi-Key eMagazine, available here.
Discrete Power Components
Discrete power components are the individual devices that can be put together to play the same role as a PMIC or power supply. Semiconductor discrete components for power include transistors, diodes, and thyristors. Whereas passive components for power include resistors, capacitors, and inductors.
Silicon (Si), Silicon Carbide (SiC), and Gallium Nitride (GaN) Semiconductors

Photo Credit: GaN: Pushing the limits of power density & efficiency
Traditional Semiconductor:
- Silicon (Si) – Traditional silicon-based semiconductor devices were the first generation of integrated circuit devices and are among the most common type of ICs found on the market day. Silicon typically has a lower cost per unit and is a more researched semiconductor element.
onsemi’s NTBLS1D5N10MC single, N-channel power MOSFET powers up applications efficiently and with minimal energy loss.
650 V and 1,200 V TRENCHSTOP™ IGBT7 H7
Infineon Technologies advanced TRENCHSTOP™ IGBT7 H7 technology addresses the rising demand for green and efficient energy applications.
Wide Band Gap (WBG) Semiconductors:
- Silicon Carbide (SiC) – SiC is a wide bandgap semiconductor material made up of silicon (Si) and carbon (C). Carbon is a hard and durable material found in high performance brake pads and grinding wheels can also be found high voltage power applications where its breakdown voltage is 10 times higher when compared to traditional Silicon based parts. SiC based components can typically handle higher operating voltages, higher temperatures, and typically require a smaller footprint.
CoolSiC™ G2 1200 V Silicon Carbide MOSFET Discretes
Infineon CoolSiC™ G2 silicon carbide (SiC) MOSFET discretes allow for the lowest application losses and the highest operational reliability.
MSC400SMA330 3300 V Silicon Carbide (SiC) MOSFET
Microchip's MSC400SMA330, 3300 V silicon carbide (SiC) MOSFET ensures no performance degradation over the life of the end equipment.
- Gallium Nitride (GaN) – GaN is composed of Gallium (Ga) and Nitrogen (N). GaN is a wide bandgap semiconductor material, offering even better switching speed, power handling and thermal dissipation compared to SiC and Si. Found in applications that require high power and high switching frequencies, GaN based components are rapidly becoming a favorite component for engineers looking for high efficiency, low power loss and compact form factor.
ROHM's 650 V GaN HEMTs increase efficiency and miniaturization in a wide range of power supply systems, including servers and AC adapters.
EPC2218A and EPC2204A GaN FETs
EPC's EPC2218A and EPC2204A GaN FETs offer state-of-the-art power density.

Why and How to Apply GaN Field Effect Transistors for Efficient, Higher Voltage, Switch-Mode Power Applications
Improve power efficiency and power density in higher voltage switch-mode power systems by understanding the principles and correct application of GaN FETs.

Wide Bandgap Semiconductors Are Reshaping the Transportation World
The entire transportation sector is undergoing a radical transformation with solutions for electric and hybrid cars and cleaner mass transportation.

Wide Bandgap Semiconductors Drive Efficiency in Datacenters
Since datacenters have huge energy requirements, power solutions that can reduce power losses, boost efficiency, and enhance thermal control are required.
Gate Drivers
A gate driver is a type of power amplifier circuit that takes a low power input signal, such as a from a microcontroller, and produces a high-power output signal to drive a gate terminal for high-power transistors such as a power MOSFET or Insulated-Gate Bipolar Transistor (IGBT).
Gate drivers are an important bridge linking the low power logic side and the high-power driving circuity of many applications like power conversion and motor control.
Gate drivers can also provide other protection features such as electrical isolation, voltage level shifting, and signal conditioning.
What does a gate driver do? View Answer
Gate drivers provide a high current output signal that can rapidly charge or discharge a gate terminal on a power transistor like a MOSFET or IGBT.
High frequency switch mode power supplies (SMPS) or Brushless DC (BLDC) motors require low voltage logic levels (like those from microcontrollers) to quickly charge / discharge. The gate driver amplifies the low voltage logic levels to operate the larger power transistors at these faster frequencies.
1ED38xx Digitally Configurable Isolated Gate Driver Family
Infineon's EiceDRIVER™ Enhanced 1ED38xx (X3 digital) is a family of 5.7 kV single-channel highly flexible isolated gate drivers.
NCD57090 Isolated High-Current Gate Driver
onsemi's NCD57090 isolated high-current gate driver is designed for high system efficiency and reliability in high-power applications.

How to Select and Get Started with Power-Device Drivers
The driver is the interface component or “bridge” between the low-voltage, low-current output of the system processor operating in a controlled, benign scenario and the rough-and-tumble world of the switching device with its strict requirements on current, voltage, and timing.

OnSemi 2023 Webinar - Pairing Gate Drive to EliteSiC
Every silicon carbide switch requires a gate driver. This webinar from Industry Tech Days 2023 provides an easy-to-use matrix for selecting the correct gate driver for your silicon carbide applications.

Gate Driver Component Selection
The most critical moments in the gate drive are the turn-on and turn-off of the IGBT. The goal is to perform this function quickly, but with minimal noise and ringing when the IGBT is turned on.
Transistors
Discrete semiconductor devices that amplify or switch power signals. Transistors are typically three terminal devices.
Transistors Product Selection Guide
- FETs, MOSFETs – Field-Effect Transistor (FET) is a transistor that operates off field-effect to control current flowing through the drain and source. Metal-Oxide Semiconductor Field-Effect Transistor (MOSFET) is a four terminal FET that is widely used in switched mode power supplies.
- IGBTs – Insulated Gate Bipolar Transistors (IGBTs) are four-layer semiconductor devices (PNPN) that can handle high currents and used mainly for switching.
- HEMTs – High-electron-mobility transistor (HEMT) is a FET that incorporates different band gap materials.
Diodes
Diodes are usually semiconductors, there goal being to allow current in only one direction.

Diodes - TechForum
The term “diode” is applied to a large number of two-terminal devices with varied functions.

Schottky vs. Standard Diode
Diodes come in several different shapes and flavors, from tiny glass encapsulated Zener diodes to incredibly large rectifier diode PUK modules. Schottky diodes fall into this spectrum somewhere in the middle of things.
- Rectifier Diode – Used often to convert an AC wave form into a unipolar waveform. A single rectifier diode maybe used in a half-wave rectifier, where as a bridge rectifier can be used in full-wave rectification.
- Zener Diode – Zener diodes are created to gracefully operate in a forward and reverse current direction. The reverse direction of current is enabled when Zener voltage is reached.
Thyristors
Thyristors are four-layer semiconductor devices (PNPN) that act as a switch that only let current flow when a pulse is applied to its gate.

Thyristors - SCRS - TechForum
This Product Selection Guide contains information to help select products in the Thyristors - SCRs category on DigiKey.com

Thyristors - DIACs, SIDACs - TechForum
This Product Selection Guide contains information to help select products in the Discrete Semiconductors - Thyristors - DIACs, SIDACs category on DigiKey.com

Thyristors - TRIACs
This Product Selection Guide contains information to help select products in the Thyristors - TRIACs category on DigiKey.com
Power Management Integrated Circuits (PMICs)
PMIC, or Power Management Integrated Circuits, refer to a wide range of Application-Specific ICs or ASICs. These devices are intended to be either be bread boarded in a prototyping phase or soldered to a PCB in a production phase. They generally take more planning (and often additional discrete components) to create a full solution than using a power supply.
What is the difference between linear and switching regulators? View Answer
Linear and Switching Regulators are DC-DC Converters that get commonly used to stabilize output voltage supplied to the load.
Linear Regulators are often a starting point for a school project, as they are generally cheaper and easier to use. Linear Regulators create a constant output voltage by using a series of transistors, and the excess voltage gets dissipated as heat. The downside is that the dissipated heat is wasted energy, and if there's too much heat dissipated in this way, it can destroy the regulator.
Switching Voltage regulators can more efficiently stabilize the voltage output and waste less energy in the process. Switching Voltage regulators can be a good investment if you have a project that is consistently powered, or if you're looking for something more robust.
Linear Voltage Regulators
Linear Voltage Regulators are DC-DC Converters that can output a stable output voltage. Linear Voltage Regulators need to account for the power loss it can introduce and the resulting heat dissipation. It can be advantageous over a switching regulator in some cases due to its small footprint, high accuracy, and low output noise. Generally, more suitable for low current applications due to efficiency and power dissipation concerns.
- Low Dropout (LDO) Linear Regulator - can have the input voltage close to the output voltage which reduces the amount of power loss.

Source: Texas Instruments
Switching Voltage Regulators
Switching voltage regulators take the input signal and quickly turn it on and off to create a stable output voltage. There is generally less power loss in a switching regulator. Also, there are a wider range of input to output voltages that can be covered by a switching regulator.
Some Common Types of DC-DC Switching Regulators
- Buck - A buck converter circuit is used to decrease the output voltage and can increase the output current. The Buck converter circuits uses inductors, capacitors, and 'switches'. The 'switches' are typically a semiconductor MOSFET. This circuit topology is commonly found in electronic devices that require a low voltage to supply components off a higher system voltage supply.

Source: Texas Instruments
- Boost - A boost converter circuit is used to increase the output voltage. A boost converter uses inductors, capacitors, and 'switches'. The 'switches' are typically a semiconductor MOSFET. Boost converters are typically found in applications that require a higher operating voltage then the supply voltage such as lighting drivers or portable power supplies.

Source: Texas Instruments
- Buck Boost - A Buck Boost converter circuit can have an output voltage either higher or lower than the input voltage. As the name suggest a Buck Boost converter uses circuit features found in both Buck and Boost converters.

Source: Texas Instruments

Reference Design Library: AC/DC and DC/DC Conversion
AC/DC and DC/DC Conversion reference designs including schematics, specifications, and support documents available in Digi-Key’s Reference Design Library.

How do buck converters work? - The Byte Sized Engineer
Have you ever wondered how switch mode power supplies work? Buck converters regulate input voltages down to lower output voltages in a very efficient way.

Linear Voltage Regulator vs. Switching Regulator
When designing a powered device, the question sometimes arises of whether a Linear Voltage Regulator or a Switching Regulator is more suitable for the design.

Reference Design Library: Power Management
Power Management reference designs including schematics, specifications, and support documents available in Digi-Key’s Reference Design Library.

Another Teaching Moment - What is a Voltage Regulator?
Selection of the right type of voltage regulator is critical in the world of effective electronic circuit design.
Power Supplies
Power Supplies in this context are used to describe a self-contained device that takes electrical power from a source and converts it to a suitable load power.

What is the difference between isolated and non-isolated power supplies? View Answer
Galvanic isolation means that there are separate electrical and physical paths between the input and output circuits. This electrical isolation is commonly achieved via a transformer or coupled inductors between the input and output circuitry. AC-DC conversion is usually isolated, and isolation becomes more of a variable in DC-DC conversion. The reasons for creating the isolation is usually for safety (reducing the chance of shock to anyone operating near the power supply), or reduction of noise to the output circuit.
Isolated Power Supply
Non-Isolated Power Supply
Limits on Isolated Power Supplies
The isolation voltage (on the data-sheet) is the short-term amount of voltage that can be experienced without breakdown. Working voltage or maximum operating voltage is the continuous maximum voltage that can be applied without breakdown.

Power Module in Isolated DC/DC Bias Power Supplies - TechForum
Power modules have a wide range of uses and have significant integration compared to discrete implementations.

Introduction to DC-DC Converters
DC-DC converters are widely used to efficiently produce a regulated voltage from a source that may or may not be well controlled to a load that may or may not be constant.
What form factors do power supplies come in?
Board mount power supplies are products that are intended to be directly affixed to a Printed Circuit Board (PCB), whereas off-board power supplies are not.
What is the difference between off-board and board mount power supplies? View Answer
Board mount power supplies are products that are integrated directly into the system they power. They are directly affixed to a Printed Circuit Board (PCB). Off-board power supplies are sometimes referred to as external power supplies. An example of an off-board power supply is a wall mount plug. The adapter plugs into the wall and then interfaces to the system via a connector.
Off-Board Power Supplies


Connectors / Plug types for wall adapters







Interactive guide to power plugs by country
DigiKey's Electrical Plug Reference Calculator is a tool designed to assist users in determining the compatibility of electrical plugs and outlets in different regions and countries.

Around the World with Power Plugs
The world has never had a standard style of power plug and probably never will. The history of how types of plugs came to be is varied and colorful.

Finding a Replacement Power Supply
One very common question we receive here at Digi-Key is customers looking for replacement power supplies. The majority of these are AC to DC adapters and can be found in our AC DC Desktop, Wall Adapters Section.

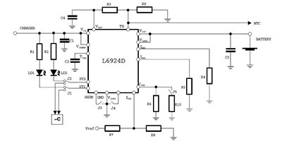
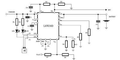
Using a Switching Power Supply for Battery Charging
Constant current charging is a way to charge common batteries. This is a charging method where batteries are charged with a constant current from beginning to end.
Board Mount Power Supplies
Board mount power supplies, are intended to be affixed to a Printed Circuit Board (PCB).
Power Bricks

Thermal Management in Power
Any machine, circuit, switching device, or power converter is less than 100% efficient. This is due to energy loss, which can come from many factors: the slight resistance found in a conductor, switching losses, and even in mechanical vibrations between parts. This energy loss is typically converted into forms that are unable to do useful work: vibrations, sounds, and heat.
As heat from power loss is generated it must be dealt with by the designer or the whole device could experience shorten life span, out of specification performance, or in the worse case it could be a danger to users. Luckily, there are several methods for dealing with waste heat generated by power devices.
Fans
Just like personal fans found in your living space can help keep areas cool by moving air, electronic devices can have fans as well to move air into or out of an enclosure. By either drawing external air into the enclosure or by exhausting heated air from inside, fans allow a large degree of flexibility when designing heat flow and management.

Pros | Cons |
---|---|
Small and compact form factors | Moving parts - has the likelihood to be the first part in a system to fail |
Can specify air flow | Can require separate power circuits, and increase cost |
Fan speed can be regulated based on a feedback loop | Can include more complex feedback loops |
Heat Sinks
Heat sinks are a completely passive device that allows for the transfer of heat away from a source into the surrounding environment. Typically, heat sinks are found in direct contact with high power devices such as CPUs, or power bricks that need to be cooled directly.

Pros | Cons |
---|---|
No moving parts, and does not break easily | Heavy and large |
Can be paired with fans to improve heat transfer | Effectiveness dependent on surrounding temperature |
Variety of shape, size, and package type | Calculating effective sizing may require more complex math |
Thermal Interface Materials (TIM)
Thermal Interface Materials also known as TIMs, are materials or substance that can be placed between two larger components to improve the thermal transfer between them, such as a power supply and an external heat sink. TIMs are typically either a thin sheet of material or spreadable paste which can be applied or spread over the device to help increase the thermal conductivity between two items.

Pros | Cons |
---|---|
For sheets: solid material sheets can be cut to size and shape | Can be expensive |
For dispensable: able to be spread and apply onto nearly any surface | Typically has a shelf life or use by date |
Greatly improve thermal conductively by removing air gaps between dissimilar materials | Most do not provide mechanical strength or connections without adhesives |

Fan-Driven, Forced-Air Cooling: Push Air In Or Pull It Out?
Using fans for cooling electronics is a standard technique, but should they push air in or pull it out of the assembly they are cooling?

How to Stay Cool: The Basics of Heat Sink Selection and Application
Carefully select heat sinks to lower component temperature and improve reliability.

An Introduction to Thermal Management
As more is demanded of electronic systems, theory dictates three ways heat is transferred thereby cooling components: conduction, convection, and radiation.

Don’t Forget About Thermal Interface Materials
A Thermal Interface Material (TIM) is of utmost importance in providing optimal performance for fans, heatsinks, and Peltier devices.