目錄表
置頂
離散功率組件
矽 (Si)、碳化矽 (SiC) 和氮化鎵 (GaN) 半導體
閘極驅動器
電晶體
二極體
閘流管
電源管理積體電路 (PMIC)
線性穩壓器
切換式穩壓器
電源供應器
隔離式電源供應器
非隔離式電源供應器
隔離式電源供應器的限制
電源供應器包含哪些外型尺寸?
板外電源供應器
板式安裝電源供應器
電源磚
電源熱管理
風扇
散熱片
熱介面材料 (TIM)
產品
電源解決方案和技術
主要電力電子拓樸:
DigiKey 的電力電子產品主要分為三大類:
- 離散電源組件:此組件能獨立運作或與 PMIC 搭配使用,打造量身訂做的解決方案。此級別提供最高靈活性,但通常也需要最大量的開發和專業知識。
- 電源管理積體電路 (PMIC):指各式應用專屬積體電路 (ASIC)。與使用電源供應器相比,若要打造完整的解決方案,通常需要更多規劃,有時還需額外的離散組件。
- 電源供應器:此元件用於轉換電力,通常可升高或降低電壓。此級別無太多客製化選項,因此此電源解決方案內部結構較不為人熟知。
此外,熱管理也是一個貫穿全文的重要主題。
若要進一步閱讀與尖端電源技術和應用相關的文章,推薦在此閱讀 DigiKey 電子雜誌的電力專刊。
離散功率組件
離散功率組件是獨立的元件,可以加以組合,達到相當於 PMIC 或電源供應器的功能。電源半導體離散組件包括電晶體、二極體、閘流管。電源被動元件則有電阻、電容、電感。
矽 (Si)、碳化矽 (SiC) 和氮化鎵 (GaN) 半導體

圖片來源:GaN: Pushing the limits of power density & efficiency
傳統半導體:
- 矽 (Si) – 傳統矽基半導體元件是第一代積體電路元件,也是市面上最常見的 IC 類型之一。矽通常具有較低的單位成本,且對此元素已有較深入的研究。
650V 和 1,200V TRENCHSTOP™ IGBT7 H7
Infineon Technologies 先進的 TRENCHSTOP™ IGBT7 H7 技術滿足了對綠色高效率能源應用不斷增長的需求。
寬能隙 (WBG) 半導體:
- 碳化矽 (SiC) – 碳化矽是由矽 (Si) 和碳 (C) 組成的寬能隙半導體材料。碳是一種堅硬耐用的材料,可用於高效能煞車墊片和砂輪,也可用於高壓電源應用,其崩潰電壓比傳統矽基零件高 10 倍。碳化矽架構組件通常可以處理更高的工作電壓及更高溫度,並且通常所需的覆蓋區較小。
MSC400SMA330 3300 V 碳化矽 (SiC) MOSFET
Microchip 的 MSC400SMA330 3300 V 碳化矽 (SiC) MOSFET 可確保終端設備在整個使用壽命期間,效能不會下降。
- 氮化鎵 (GaN) – 氮化鎵由鎵 (Ga) 和氮 (N) 組成。氮化鎵是一種寬能隙半導體材料,相較於碳化矽和矽,具有更佳的切換速度、功率處理能力、散熱能力。氮化鎵架構組件適用於需高功率和高切換頻率的應用,可提供高效率、低功率損耗、緊湊外形,因此快速成為工程師最愛的組件。
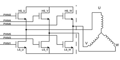
閘極驅動器
閘極驅動器是一種功率放大器電路,採用低功率輸入訊號 (如微控制器的訊號),並產生高功率輸出訊號驅動高功率電晶體 (如功率 MOSFET 或絕緣閘雙極電晶體 (IGBT)) 的閘極端子。
閘極驅動器是在電源轉換和馬達控制等眾多應用中,連接低功率邏輯側和高功率驅動電路的重要橋樑。
閘極驅動器還可以提供其他保護功能,例如電氣隔離、電壓位準轉換、訊號調整。
閘極驅動器的功能為何?說明
閘極驅動器提供高電流輸出訊號,可對 MOSFET 或 IGBT 等功率電晶體的閘極端子快速充電或放電。
高頻切換式電源供應器 (SMPS) 或無刷直流 (BLDC) 馬達需低電壓邏輯位準 (如微控制器的邏輯位準) 才可快速充電/放電。閘極驅動器會放大低電壓邏輯位準,以便以更快的頻率操作更大的功率電晶體。
Infineon 的 EiceDRIVER™ 增強型 1ED38xx (X3 數位式) 是一款 5.7 kV 單通道、高度靈活的隔離式閘極驅動器系列。

使用正確的閘極驅動器電力轉換器,將功率元件控制效率提升至最大
瞭解閘極驅動器 IC 在控制 MOSFET 和 IGBT 方面的作用,才可選擇並使用正確的 DC/DC 轉換器,為閘極驅動器 IC 供電。
電晶體
此離散半導體元件用於放大或切換功率訊號。電晶體通常是三端子的元件。
- FET、MOSFET – 場效電晶體 (FET) 透過場效來控制流經汲極和源極的電流。金屬氧化物半導體場效電晶體 (MOSFET) 是一種四端子的電晶體,廣泛用於切換式電源供應器。
- IGBT – 絕緣閘雙極電晶體 (IGBT) 是四層的半導體元件 (PNPN),可處理高電流,主要用於切換。
- HEMT – 高電子遷移率電晶體 (HEMT) 是採用不同能隙材料的電晶體。

電晶體基礎 - NPN 與 PNP
電晶體基礎知識 電晶體也稱為雙極性接面電晶體 (BJT),是一種由電流驅動的半導體元件,可用於控制電流流動;其中,基極引線中的少量電流可控制集極和射極之間較大的電流。

電晶體基本知識:採用 2N3904、2N3906、2N2222 以及 2N2907 的 NPN 和 PNP 電晶體
電晶體的簡短介紹,涵蓋電晶體歷史、本質、運作方式、如何選擇適合的電晶體,以及應用範例等。
二極體
二極體通常是半導體,用途為只允許電流以單一方向流動。

您懂得如何界定 TVS 二極體的 Vrwm 和 VBR 嗎?
最大逆向工作電壓 / Reverse Working Maximum Voltage (Vrwm) 最大逆向工作電壓(Vrwm)定義為可以施加到 TVS 二極體的電壓時,保證不論是由於超出其工作或溫度要求,二極體也不會有大量電流流通。
閘流管
閘流管是四層半導體元件 (PNPN),僅在脈衝施加到其閘極時允許電流流動,因此可作為開關使用。

Thyristors - DIACs, SIDACs - TechForum
This Product Selection Guide contains information to help select products in the Discrete Semiconductors - Thyristors - DIACs, SIDACs category on DigiKey.com

Thyristors - SCRS - TechForum
This Product Selection Guide contains information to help select products in the Thyristors - SCRs category on DigiKey.com

Thyristors - TRIACs
This Product Selection Guide contains information to help select products in the Thyristors - TRIACs category on DigiKey.com
電源管理積體電路 (PMIC)
電源管理積體電路 (PMIC) 是指各種應用專屬積體電路 (ASIC)。這些元件可能用於原型設計階段的試驗電路板,或者在生產階段焊接到電路板上。與使用電源供應器相比,若要打造完整的解決方案,通常需要更多規劃,有時還需額外的離散組件。
線性和切換式穩壓器有何不同?說明
線性和切換式穩壓器是 DC-DC 轉換器,通常用於穩定供應至負載的輸出電壓。
學校的專案通常會以線性穩壓器開始,因為一般而言,線性穩壓器更便宜且更容易使用。線性穩壓器使用一系列電晶體產生恆定輸出電壓,多餘的電壓則以熱量的形式消散。缺點是散逸的熱量是浪費能量,而且如果有太多熱量以這種方式散逸,可能會對穩壓器造成損害。
切換式穩壓器能更有效率穩定電壓輸出,並在此過程中浪費更少的能量。如果您的專案需持續供電,或者在尋求更耐用的裝置,那麼可以考慮投資切換式穩壓器。
線性穩壓器
線性穩壓器屬於 DC-DC 轉換器,可提供穩定輸出電壓。線性穩壓器需要考量其可能產生的功率損耗及相關散熱。其覆蓋區小、準確度高、輸出雜訊低,因此在一些情況下會比切換式穩壓器更具有優勢。一般而言,由於效率和功耗考量,更適合低電流應用。
- 低壓差 (LDO) 線性穩壓器 - 可讓輸入電壓接近輸出電壓,進而減少功率損耗。

資料來源: Texas Instruments
切換式穩壓器
切換式穩壓器接收輸入訊號並快速開啟和關閉以產生穩定的輸出電壓。切換式穩壓器的功率損耗通常較小。此外,切換式穩壓器的輸入對輸出電壓範圍較寬廣。
DC-DC 切換式穩壓器的一些常見類型
- 降壓 - 降壓轉換器電路用於降低輸出電壓並增加輸出電流。降壓轉換器電路使用電感、電容和「開關」。其「開關」通常是半導體 MOSFET。此電路拓樸在常見的電子設備中,用於提供低電壓,為較高系統電壓電源的組件供電。

資料來源:Texas Instruments
- 升壓 - 升壓轉換器電路用於提高輸出電壓。升壓轉換器使用電感、電容和「開關」。其「開關」通常是半導體 MOSFET。升壓轉換器通常用於需要比電源電壓更高工作電壓的應用中,例如照明驅動器或可攜式電源供應器。

資料來源:Texas Instruments
- 升降壓 - 升降壓轉換器電路的輸出電壓可以高於或低於輸入電壓。顧名思義,升降壓轉換器使用降壓和升壓轉換器中的電路功能。

資料來源:Texas Instruments

設計電源綜合指南: 較常見的非隔離拓撲
When designing a power supply, one of the first questions to answer is "Is galvanic isolation required?" Using galvanic isolation can make the circuit safer, have stronger anti-interference ability, make it easier to realize buck-boost conversion, and make it easier to realize multiple outputs and a wide input voltage range.
電源供應器
本文中的電源供應器用於描述從電源獲取電力並將其轉換為合適負載電源的自足式裝置。

隔離式和非隔離式電源供應器有何不同?說明
電流隔離係指在輸入和輸出電路之間具有獨立的電氣和實體路徑。通常採用變壓器或耦合電感,在輸入和輸出電路之間達到此電氣隔離。AC-DC 轉換通常具有隔離,而在 DC-DC 轉換中則不一定。建立隔離的原因通常是基於安全考量 (避免在電源供應器附近作業的人員遭受電擊),或降低輸出電路的雜訊。
隔離式電源供應器
非隔離式電源供應器
隔離式電源供應器的限制
規格書上所列之隔離電壓是指在不崩潰的情況下可以承受的短期電壓。工作電壓或最大工作電壓則是指可施加而不崩潰的連續最大電壓。
電源供應器包含哪些外型尺寸?
板式安裝電源供應器在設計上可直接固定於印刷電路板 (PCB) 上,而板外電源供應器則不然。
板外電源供應器和板式安裝電源供應器有何不同?說明
板式安裝電源供應器是直接整合到受電系統中的產品,可直接固定在印刷電路板 (PCB) 上。板外電源供應器有時也稱為外部電源供應器。壁掛式插頭就是板外電源供應器的實例之一;將其配接器插頭插入牆中,接著透過連接器連接至系統。
板外電源供應器








板式安裝電源供應器
板式安裝電源供應器的設計可固定至印刷電路板 (PCB)。
電源磚

電源熱管理
所有機器、電路、切換裝置或電源轉換器的效率都無法達到 100%,這是由於能量損失。能量損失的來源包含:導線中的微小電阻、切換損耗,甚至零件之間的機械振動。能量損失轉化成的形式通常無實際作用,例如:振動、聲音、熱。
設計人員必須處理功率損耗產生的熱量,否則可能會縮短整體設備的使用壽命、超出效能規格,或最糟的情況是可能會對使用者造成危害。幸好,電源裝置產生的廢熱有多種方式可以處理。
風扇
如同生活中的個人風扇,藉由讓空氣流動協助保持環境涼爽,電子裝置也可以使用風扇讓空氣在外殼內外流動。風扇可用於將外部空氣吸入外殼或從內部排出熱空氣,在設計熱流和管理時提供高彈性。

優點 | 缺點 |
---|---|
小巧緊湊的外型 | 移動零件 - 有可能成為系統中第一個故障的零件 |
可以指定氣流 | 可能需獨立電源電路,因此會增加成本 |
可依據回授迴路調節風扇速度 | 可包括更複雜的回授迴路 |
散熱片
散熱片是一種完全被動的元件,用於將熱量從熱源轉移到周圍環境中。散熱片通常會與需要直接冷卻的高功率裝置 (例如 CPU) 或電源磚直接接觸。

優點 | 缺點 |
---|---|
無活動零件,不易損壞 | 又大又重 |
可與風扇配對提升熱傳遞 | 有效程度取決於周圍溫度 |
有各種形狀、尺寸、封裝類型 | 計算有效尺寸可能需要更複雜的數學 |
熱介面材料 (TIM)
熱介面材料 (TIM) 是放置在兩個大型組件 (如電源供應器和外部散熱片) 之間的材料或物質,可提升熱傳遞效能。熱介面材料通常是材料薄片或可塗抹的軟膏,可將其施加或塗佈在裝置上,協助提高兩個物體之間的導熱率。

優點 | 缺點 |
---|---|
薄片:固體材料片材可切割成所需尺寸和形狀 | 可能很貴 |
軟膏:能塗佈到幾乎任何表面上 | 通常有貨價存放壽命或使用期限 |
消除不同材料之間的氣隙,大幅提高導熱效能 | 大多數不提供機械強度或連接無黏合劑 |