RP-xx06S 及 RxxP06S 系列 DC/DC 電源供應器
RECOM 推出此 DC/DC 電源供應器,專為快速切換 GaN 驅動器所設計
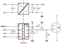
GaN 裝置都需要隔離式高側驅動器和隔離式電源供應器及絕緣屏障,以便處理高切換式電壓、嚴苛的工作溫度,以及快速迴轉率。為因應這些嚴格的要求, RECOM 開發兩款隔離式 1 W DC/DC 轉換器系列,為最新的 GaN 驅動器供電。
RP-xx06S 和 RxxP06S 系列提供 +6 V 的輸出電壓,足以切換 GaN HEMT,而不會造成閘極介電崩潰。這些轉換器的內部變壓器設計,採用罐形磁芯,以實體分離輸入和輸出繞組,提供高達 6.4 kVDC 的隔離能力,確保隔離屏障可耐受最嚴酷的操作條件。
儘管具備高隔離等級,仍可納入業界標準 SIP7 外殼,因此能節省電路板上的寶貴空間。這些轉換器提供 5 V、12 V、15 V 或 24 V 的輸入電壓,並具有低寄生電容量 (小於 10 pF)。此系列產品通過 IEC/EN-60950-1 認證,並且完全符合 RoHS2 和 REACH 指令。
針對在設計中必須納入具有更高雜訊與暫態的 GaN 應用而言,RECOM 亦推出具有 +9 V 輸出的轉換器,可透過齊納二極體電路分離為 +6 V 和 -3 V,並可提供負切換式閘極電壓。RECOM 在設計中只使用高品質的知名品牌元件,提供可靠性和長工作壽命,因此可提供三年保固。
| 特點 | 安裝和應用 |
|
應用
|
![]() |




