LED Streetlight Driver Solutions Simplify Design
資料提供者:Electronic Products
2012-10-30
Streetlights often represent one of the highest operating expenses for municipalities because of electricity, maintenance, and replacement costs. As such, dealing with high-power fixtures like streetlights can be a challenge for designers as they look to simplify and lower the cost of their lighting installations. Since the move to LED lighting fixtures is primarily driven by energy savings, the efficiency of the LED drivers is another key concern, as is the growing need to monitor the status of the LED lighting fixtures.
LED driver IC manufacturers are responding to these issues in several ways. One approach is by developing solutions that integrate several passive components in a single module to ease the design process. They are also making it easier for designers to balance the current in multi-string solutions, and to incorporate advanced features such as dimming, metering, and fault status.
In one example, the LED driver eliminates the need for step-down transformers in the voltage conversion, simplifying the power conversion to lower voltages. In another case, a highly integrated LED driver only needs two passive components — one resistor and one capacitor — to drive a string of LEDs.
LED driver manufacturers say the most common power supply used for multi-string streetlights are 48 V AC/DC power supplies that supply constant current. However, there are several choices of LED drivers that also can be used in these applications including switch-mode LED drivers and linear LED drivers.
Because there are several flavors of IC drivers, the right choice for streetlights rests partly with an OEM's capability – that is, if it can build an AC/DC power supply solution on its own or if it needs to buy an off-the-shelf product. A designer's preference also plays a significant role.
In this article, we will look at a few examples of IC drivers that can be used in basic streetlight designs and in installations that need advanced capabilities such as light dimming, metering, and even providing different light levels during different times of the day. While some of these devices enable the use of advanced capabilities (together with a microcontroller), most driver IC suppliers said these are future applications and not yet in widespread use.
For basic LED streetlight installations that simply replace a light on a pole and do not need to perform any metering or communication functions, the chances are high that the manufacturer will be purchasing an off-the-shelf power supply, which likely means it will need a highly integrated LED driver.
As examples, Texas Instruments (TI) offers several integrated parts (sold under the National Semiconductor brand) that are a good fit for these applications. They include the LM3466 integrated linear regulator and the TPS92551 integrated buck module, which, according to TI, will be in stock at DigiKey as you read this.
The TPS92551 is a fully integrated micro-module consisting of a DC/DC converter, diode, and inductor, so it's easy to use, eliminating the need for external components and reducing layout challenges. The micro-module can drive a string up to 18 LEDs at up to 96 percent power efficiency.
John Perry, product marketing engineer for Texas Instruments' lighting power solutions, noted that if a designer does nothing but mount the part with an input capacitor, it delivers about 350 mA of constant current. With the addition of a resistor, the LED current can be tuned from 300 to 450 mA. The modules can be paralleled to get a higher current, however, they are not synchronized so there will be some offset in the switching frequency making the "ripple a little more tricky to deal with," said Perry.
Although the TPS92551 also offers a pulse width modulation (PWM) dim output for more advanced capabilities, designers will need to add another DC/DC part and microcontroller to add more intermediate to advanced capabilities to the light. Perry said this solution will be less cumbersome than designing everything from scratch.
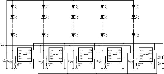
TI's LM3466 (Figure 1) integrated linear regulator is a solution for applications that require multiple strings of LEDs. With the addition of a capacitor and resistor, the LM3466 with an integrated MOSFET provides a complete system that drives each LED string from an off-the-shelf AC/DC constant-current power supply.
By using what TI calls a "unique dynamic current equalizing control scheme," each LM3466 can communicate with each other to balance the current across all active strings (Figure1). For example, to run four strings and balance 1 amp across all four, a designer would use four LM3466s, connected via pins between them, allowing the designer to equally divide or ratiometrically set the current across the LED strings. So if one string has a fault, for example, one LED becomes open circuited on that string, the other three remaining strings will rebalance that current to maintain constant output power.

Figure 1: Aimed at lighting systems that require multiple strings of LEDs, TI's LM3466 integrated linear regulator equalizes the current across each active LED string to maintain constant output power. (Courtesy of TI.)
Otherwise it would run into its overvoltage limit and clamp, according to Perry. "In this way, you're still getting a similar amount of light out and improving the overall safety of the system."
The advantage is that the lighting system can maintain overall brightness even if some LED strings are open during operation because it automatically equalizes the current across all active strings.
Like the TPS92551, the LM3466 is an easy to use part. Both are intended to be mounted on the LED array board itself, which further simplifies the design.
LED drivers that integrate PWM or analog dimming can be used to add advanced capabilities to the LED street light with the addition of a microcontroller. Advanced systems could track the time of day to determine when to turn on the lights or when to dim to half of its output power to save more energy. It can also be used for metering to measure and log the amount of power consumed by a particular fixture.
As an example, the LXMG221D-0700040-D2F dimmable LED driver module from Microsemi Corp., aimed at North American streetlight installations, eliminates step-down transformers typically used in streetlight fixtures to provide a single-step conversion from 347 or 480 VAC down to less than 57 VDC, which is typically required by LED fixtures in the U.S. The module is dimmable to 10 percent via 0 to 10 V PWM controls or potentiometers for additional energy savings.
The device also addresses the issue of undetected and unreported nonworking fixtures by including integrated fault detection and management functionality that enable operators to respond more quickly to light fixture failures, according to Microsemi.
An example of a non-integrated part for this type of application is TI's LM3414 constant-current buck LED driver. It is a higher-current device, so fewer strings are needed in a system. It can drive a single string of 3 W LEDs up to 96 percent efficiency. "The downside is that you don't have a module like the TPS92551 that you can easily mount to the LED board," said Perry. "Now you have to select all of the associated components and decide where they reside, either on the LED board or separately."
Another example is TI's LM3464 (4-channel current regulator), which uses external MOSFETs to regulate the current to the strings. The advantage is that a designer has a lot of flexibility on how much current can go through the LEDs, Perry noted. It incorporates a feature called dynamic headroom control, which allows the LM3464 to regulate the current through the LED string and monitor what the constant voltage is from the AC/DC power supply to optimize the solution and improve efficiency. An evaluation board, LM3464EVAL/NOPB is available.
Tackling two of the biggest issues in lighting design – efficiency and the ability to control multi-string LEDs – Infineon Technologies has created a 120 W LED ballast for wide-area lighting reference design. The solution delivers a multi-string streetlight system with 92 percent conversion efficiency (Figure 2). The design features individually controlled strings with individual dimming controls on each string. Although most streetlights are not dimmed right now, they have the option built into them when it is needed.

Figure 2: Infineon's reference design solution delivers 92 percent conversion efficiency to the LED load in multi-string streetlight systems. (Courtesy of Infineon Technologies.)
Rob Pizzuti, Infineon's marketing manager for LEDs said generally the most efficient driver for general-purpose lighting is a switch-mode driver. However, Infineon uses a linear LED driver in its reference design, although they are known to be less efficient. This is because linear LED drivers work like a variable resistor, adjusting the resistance of the circuit to provide the exact current needed for each string of LEDs. In an example using a 12 V supply and two LEDs at 3 V each, there are 6 V of LED load so the resistor drops 6 V, which is the difference between the supply and LEDs, so it would be 50 percent efficient, according to Pizzuti.
To eliminate the efficiency issue, Infineon uses a feedback loop so the linear drivers are setup so they only drop a low voltage across them. The microcontroller "feeds" a signal back to the AC/DC power supply, which adjusts the output voltage to match the required voltage from the LEDs. Additionally, it constantly adapts by changing the forward voltage in response to the state of the LED, for example, as they age or run hot. By doing this, the individual drivers on each string are 98 percent efficient even though they are linear drivers, Pizzuti said.
He added that since the two-stage AC/DC power supply with an integrated LLC controller is 94 percent efficient at 230 V, the conversion rate is about 92 percent.
The bill of materials for the LED driver stage in Figure 2 includes the BCR450 linear LED driver, BDP947 boost transistor, and ICE3B0365J offline SMPS current mode controller.
If a switch-mode LED driver is desired, Infineon also offers a low-cost, high-current buck LED driver, the ILD4001,which is a good fit for streetlights because it can efficiently drive 2 A or more of LED current. Key features include thermal protection to protect the LEDs and LED driver from thermal overstress, and two dimming methods (PWM or analog) for greater design flexibility. It uses an external MOSFET as a power stage.
Conclusion
Street lighting is a notably different design task because the long life and high degree of control that solid-state lighting provides is paired with end-users – municipal governments – that evaluate cost of ownership along with initial cost. What’s more, it can take a hundred or more LEDs to put out the thousands of lumens needed for a streetlamp. This article has presented example drivers that can be used in basic streetlight designs and in installations that need advanced capabilities. For more information on the products mentioned, use the links provided to access product pages on the DigiKey website.
聲明:各作者及/或論壇參與者於本網站所發表之意見、理念和觀點,概不反映 DigiKey 的意見、理念和觀點,亦非 DigiKey 的正式原則。


