SparkFun ProDriver and Mini Stepper Motor Driver Hookup Guide
2025-09-09 | By SparkFun Electronics
Microcontrollers Movement Motors Stepper Wire Jumper Wires Drivers / Controllers Arduino
Courtesy of SparkFun
Guide by QCPete, santaimpersonator
Introduction
The SparkFun ProDriver and Mini Stepper Motor Driver utilize the latest TC78H670FTG stepper motor driver from Toshiba. With a full to 1/128 stepping resolution and two different methods for control (serial communication or clock-in stepping) this is a great option for your next project that requires precise motor control.
The advantage of the ProDriver is that it's solderless, out of the box. With the DC barrel jack and latch pins, the board can be easily powered and connected without any soldering. This is great for projects, where users want to easily swap out components in the event of a failure.
The primary disadvantage of this product is its size. Users may face difficulties trying to squeeze this into smaller projects.
The advantage of the Mini Stepper Motor Driver is in its size. The small footprint of the board, allows users to squeeze it into smaller projects and the pin layout is breadboard compatible to simplify prototyping.
Its primary disadvantage, is that users may need to connect an electrolytic capacitor (>50µF is recommended), externally to its VM and GND pins.
Although both communication methods are included in the Arduino library, the serial command has some unique features. The serial communication allows users to precisely control the phase, torque, mixed decay ratio of each coil, and current limit while the motor is in motion. (In contrast, most stepper motor drivers need an external trimpot that is physically adjusted to control the current output limit.)
Required Materials
The SparkFun ProDriver and Mini Stepper Motor Driver require a few additional items for you to get started. At minimum, users will want an Arduino compatible microcontroller with a USB cable, a power supply, some hookup wire or jumper wires, and a stepper motor (*we recommend a 4-wire, bipolar stepper motor to begin with). You may already have a few of these items, including the USB cable, so feel free to modify your cart based on your needs. Additionally, there are also alternative part options that are available as well.
Recommended Parts
- SparkFun RedBoard Qwiic
- Stepper Motor - 68 oz.in (400 steps/rev)
- Wall Adapter Power Supply - 5VDC, 2A (Barrel Jack)
- USB Micro-B Cable - 6 Foot
ProDriver
- SparkFun ProDriver - Stepper Motor Driver (TC78H670FTG)
- Jumper Wires Premium 6" M/M - 20 AWG (10 Pack)
Mini Stepper Motor Driver
Note: For prototyping with the Mini Stepper Motor Driver on a breadboard, we have included some header options; however, it is up to the user to determine the most suitable connection for their project. It is also recommended that users connect an electrolytic capacitor (>50µF is recommended), externally to its VM and GND pins.
- DC Barrel Jack Adapter - Female
- Break Away Headers - Straight
- SparkFun Mini Stepper Motor Driver - TC78H670FTG
- Arduino Stackable Header - 8 Pin
- Breadboard - Mini Modular (White)
- Jumper Wires Premium 6" Mixed Pack of 100
- Electrolytic Decoupling Capacitors - 100uF/25V
Soldering Accessories
While the ProDriver is intended to be solderless, users will need soldering equipment to attach wires and/or headers to the Mini Stepper Motor Driver. Additionally, to modify the jumpers on the ProDriver, users will need a hobby knife.
- PINECIL Soldering Iron Kit
- Solder Lead Free - 100-gram Spool
- Chip Quik No-Clean Flux Pen - 10mL
- Hobby Knife
- SparkFun Beginner Tool Kit
Alternative Parts
Microcontrollers
Here are a few other Arduino compatible microcontrollers. For a full list of options from our catalog, please visit the Arduino microcontroller product category.
- SparkFun Artemis Module - Low Power Machine Learning BLE Cortex-M4F
- Arduino Pro Mini 328 - 5V/16MHz
- Arduino Pro Mini 328 - 3.3V/8MHz
- SparkFun Qwiic Pro Micro - USB-C (ATmega32U4)
- Pro Micro - 5V/16MHz
- SparkFun RedBoard Plus
- SparkFun RedBoard Qwiic
- SparkFun IoT RedBoard - ESP32 Development Board
Wiring
Here are a few other wiring options. For a full list of options from our catalog, please visit the wire product category.
- Jumper Wires - Connected 6" (M/M, 20 pack)
- Hook-Up Wire - Assortment (Solid Core, 22 AWG)
- Jumper Wires Premium 6" M/M Pack of 100
- Jumper Wires Standard 7" M/M - 30 AWG (30 Pack)
- Jumper Wires Premium 6" M/M - 20 AWG (10 Pack)
- Hook-up Wire - Black (22 AWG)
- Hook-up Wire - Red (22 AWG)
- Hook-up Wire - Yellow (22 AWG)
Headers
While most users may only need headers for the Mini Stepper Motor Driver, they can also be used with the ProDriver.
- Break Away Headers - Straight
- Arduino Stackable Header - 8 Pin
- Arduino Stackable Header - 10 Pin
- Header - 10-pin Female (PTH, 0.1")
- Header - 8-pin Female (PTH, 0.1")
- Header - 2-pin Female (PTH, 0.1in.)
Stepper Motors
Here are a few other stepper motor options. For a full list of options from our catalog, please visit the stepper motor product category.
- Stepper Motor with Cable
- Three Phase Brushless Gimbal Stabilizer Motor
- SparkFun IoT Brushless Motor Driver (ESP32 WROOM, TMC6300)
- Stepper Motor - 68 oz.in (400 steps/rev)
Power Supply
Here are a few other power supply options. For a full list of options from our catalog, please visit the power supply and wall adapter product categories.
- Battery Holder - 4xAA to Barrel Jack Connector
- Wall Adapter Power Supply - 12VDC, 600mA (Barrel Jack)
- Wall Adapter Power Supply - 9VDC, 650mA (Barrel Jack)
- Adjustable Voltage Wall Adapter Power Supply - 5V-15V
- Power Supply - 5V, 4A
Power Accessories
Users may find these accessories useful for the Mini Stepper Motor Driver.
- DC Barrel Jack Adapter - Female
- Electrolytic Decoupling Capacitors - 100uF/25V
- Electrolytic Decoupling Capacitors - 1000uF/25V
Suggested Reading
We will skip over the more fundamental tutorials like Ohm's Law and What is Electricity?. However, below are a few fundamental tutorials that may help users familiarize themselves with various aspects of this board.
- How to Solder: Through-Hole Soldering: This tutorial covers everything you need to know about through-hole soldering.
- Serial Communication: Asynchronous serial communication concepts: packets, signal levels, baud rates, UARTs and more!
- Installing an Arduino Library: How do I install a custom Arduino library? It's easy! This tutorial will go over how to install an Arduino library using the Arduino Library Manager. For libraries not linked with the Arduino IDE, we will also go over manually installing an Arduino library.
- How to Power a Project: A tutorial to help figure out the power requirements of your project.
- Working with Wire: How to strip, crimp, and work with wire.
- Installing Arduino IDE: A step-by-step guide to installing and testing the Arduino software on Windows, Mac, and Linux.
- Logic Levels: Learn the difference between 3.3V and 5V devices and logic levels.
- Motors and Selecting the Right One: Learn all about different kinds of motors and how they operate.
Hardware Overview - ProDriver
Board Dimensions
Below, is a basic drawing of the board dimensions and component layout for the SparkFun ProDriver. For more detailed measurements, users should download and open the Eagle files from the GitHub repository or from the Documents tab on the product page.
- The ProDriver includes four mounting holes that are compatible with 4-40 screws, standoffs, and other related hardware.
- There are four 5mm latch pin terminals; a 2-pin terminal for power and three 4-pin terminals for the control pins and motor connections.
- There is a 5.5 x 2.1 mm DC barrel jack as another power connection.
- All the PTH breakout pins have a .10" spacing for headers or to solder more permanent connections.
 SparkFun ProDriver board dimensions.
 SparkFun ProDriver board dimensions.
For more details on the DC barrel jack, 2-pin latch terminal, and 4-pin latch terminal's dimensions, check out the documentation on their respective product pages.
Power
To power the ProDriver, users will need a power supply that has an output of 3.3 - 16V and can source at least 2A. We have provided three different methods for users to connect their power supply to the ProDriver:
- A 5.5 x 2.1 mm DC barrel jack, which is simple and the easiest to use.
- A latch pin terminal that is similar to a screw terminal, except toolless.
- A set of PTH points (VM and GND) for users who wish to, more permanently, solder their power connections.
 The available power connections and status LED on the ProDriver.
 The available power connections and status LED on the ProDriver.
Users opting to use the DC barrel jack may find some of these accessories useful:
- Barrel Jack Extension Cable - M-F (6 ft)
- Barrel Jack Power Switch - M-F (3")
- Barrel Jack Extension Cable - M-F (3 ft)
⚡ Note: Do not connect or disconnect the motor while the ProDriver is powered; as it may damage the motor driver IC.
Power Status LED
A power LED status indicator is also provided on the ProDriver. The LED turns on once the motor power supply is connected and the attached voltage regulator outputs 3.3V. The LED can be disabled by cutting the LED jumper.
 The power LED and LED jumper on the ProDriver.
 The power LED and LED jumper on the ProDriver.
3.3V PTH Pin
A 3.3V PTH connection is broken out amongst the other pin connections. It is connected to the 3.3V output of the LM117 voltage regulator, which is powered by the motor power supply input.
 The 3V3 PTH pin on the ProDriver.
  The 3V3 PTH pin on the ProDriver.
Power Protection
The ProDriver includes a safety features to protect the board and power supply. There is a protection diode to prevent reverse current and a thermal fuse to prevent current from being overdrawn.
⚡ Note: We have provided bypass jumpers for more advance users to circumvent these safety features; however, we recommend NOT modifying them, unless you absolutely know what you are doing. Users can easily damage or destroy their ProDriver and/or power supply by modifying the jumpers.
 The D1 BP and PTC BP jumpers on the ProDriver.
  The D1 BP and PTC BP jumpers on the ProDriver.
Pin Connections
The ProDriver was designed with latch pins to provide a completely solderless connection to get users up and running faster. We have also broken out those same connections with PTH points, for a more permanent installation. (*These latch pins are great! Just as secure as a screw pin terminal, but without the hassle.)
 The control and motor connections on the ProDriver.
  The control and motor connections on the ProDriver.
More details on these pins are laid out in the following sections below, excluding the power pins. Details for the 3V3 and VM pins are described in the power section above.
Latch Terminals
When working with the latch terminals, there are two things to keep in mind. These should be fairly obvious, once you take a closer look at the jaws or clamping mechanism:
1. If you look closely at the closed jaws or clamping mechanism, you will notice a small gap. Just like screw terminals, there is a minimum and maximum wire thickness for the jaws to physically clamp onto wires.
- On some stepper motors, you may need to tin (i.e., add a little solder) the wire leads and thicken the wires just enough to be clamped.
2. Make sure you are inserting the wire between the jaws.
- Looking to the right end of the picture, below, on the latch partially closed, it should be noted that is possible to accidentally insert a wire above the jaws.
 The latching mechanism.
  The latching mechanism.
Input Control Pins
The input control pins are used to interface directly with the TC78H670FTG motor driver. The ProDriver was designed with latch pins to provide a completely solderless connection to get users up and running faster. We have also broken out those same connections with PTH, for a more permanent installation. (*These latch pins are great! Just as secure as a screw pin terminal, but without the hassle.)
 The input control connections on the ProDriver.
 The input control connections on the ProDriver.
For more details on the functions of the pins listed below, check out the datasheet for the TC78H670FTG.

Note: The 3V3 pin is connected to the 3.3V output of the LM117 voltage regulator, which is powered by the motor power supply input. The 3.3V output is utilized as a supply voltage for the voltage divider that controls the maximum drive current through the VREF pin. The supply voltage is also utilized as an I/O reference voltage through the pull-up resistors connected to the MODE0, MODE1, MODE2, and MODE3 pins.
⚡ Note: From the datasheet, the TC78H670FTG is compatible with 3.3 and 5V logic levels on the control pins. The electrical specifications for the input voltage listed at a 5.5V maximum, with a 1.5 and 0.7V threshold on the high and low signals respectively. For more details, check out page 31 of the datasheet and the schematic for the ProDriver.
Output Channel Pins
The output channel pins are used to drive the coils of the stepper motor. The paired outputs are connected to the two H-Bridges of the motor driver.
 The output motor driver channels on the ProDriver.
 The output motor driver channels on the ProDriver.

Useful Resources on Stepper Motors:
For basic information on stepper motors, users should check out our Motors and Selecting the Right One tutorial. Additionally, we have included a few YouTube videos, below, that help explain the theory of the stepping functionality behind stepper motors. Users who have stepper motors with more than four wires, may also find this article enlightening.

Motors and Selecting the Right One:
Learn all about different kinds of motors and how they operate.
An introductory video on stepper motor basics. Video courtesy of LearnEngineering.
An introductory video on stepper motor functionality. Video courtesy of GreatScott!.
A more in-depth video on stepper motor functionality. Video courtesy of Nanotec.
TC78H670FTG Motor Driver
The ProDriver is driven by the Toshiba TC78H670FTG stepper motor driver IC. The TC78H670FTG is a 2-phase stepping motor driver, intended for bipolar stepper motors. The chip features two H-Bridge motor drivers that provide users with step size resolutions ranging from full steps, half steps, and micro-stepping down to a 1/128 of a step. The TC78H670FTG can be controlled with the standard clock-in stepping, but it also has an additional option for serial communication.
 The Toshiba TC78H670FTG stepper motor driver IC on the ProDriver.
 The Toshiba TC78H670FTG stepper motor driver IC on the ProDriver.
Some of the advantages to the TC78H670FTG over a simple H-Bridge, include a standby function, selectable mixed decay, error detect flag output, clock- in stepping or serial communication control, software control of the current output, and a minimal parts bill of materials (BOM). The serial command method is especially unique because it allows users to precisely control the phase, torque, current limit and mixed decay ratio of each coil during the motor operation. Additionally, while in most stepper motor driver ICs, an external trimpot is required to set the current limit; however, with the ProDriver, a simple serial command can be utilized to precisely adjust the current limit.

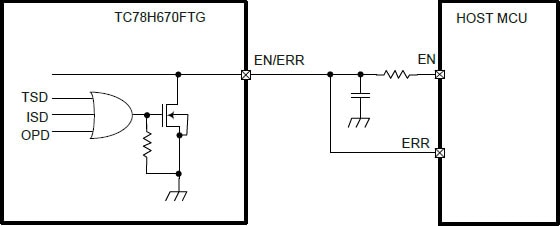
Enable/Error Pin Functionality
On the ProDriver the EN and ERR pins are broken out separately; however, these connections are tied to the same pin on the TC78H670FTG, which operates as a control input and output for error flags. A typical application of the EN/ERR pin with a microcontroller is displayed below.
 The EN/ERR pin application from the datasheet.
 The EN/ERR pin application from the datasheet.
This duality allows the TC78H670FTG to give users control of the power to the motor drive channels; while also providing autonomous functionality to disable its own power, when an error flag is triggered and simultaneously, provide an output indicator on the same pin.
 The motor enable control switch and the connected EN and ERR pins.
 The motor enable control switch and the connected EN and ERR pins.
H-Bridge Power Control
The EN pin controls the ON/OFF operation of the H-Bridges to the motor outputs. When the EN pin is low, all of the H-Bridge MOSFETs turn off and become high impedance (Hi-Z). Likewise, when the EN pin is set high, the motor channel outputs will be driven normally, based on the stepping controls.
 The EN pin functionality from the datasheet.
 The EN pin functionality from the datasheet.
Note: Users should avoiding motor operation during any VM power-on and power-off cycles by setting the EN pin low to disable the motor channel outputs. The EN pin can be set high after the power supply reaches the target voltage and becomes stable.
Motor Enable Switch
We have broken out EN pin control to a DPST switch. The switch allows users to easily disable power to the motor channels without connecting additional hardware.
 The motor enable control switch connected to the EN pin.
 The motor enable control switch connected to the EN pin.
Error Detection
The TC78H670FTG has a built-in functionality to detect thermal shutdown (TSD), over current (ISD), or motor load open (OPD) connection issues. When these errors are triggered, the ERR pin is pulled low. In a normal operating status, the level of ERR pin is equal to the EN control voltage from outside. After the error is triggered, the error flag can be released by reconnecting the VM power or by setting the device to standby.
Standby Function
The standby pin for the TC78H670FTG, is used to set up the control method for the motor driver. When the standby pin is low, the motor is released from any control methods and is in standby. On the up edge, of when the standby pin is set high, the motor driver is configured for clock-in stepping or serial communication control based on the input state of the MODE0, MODE1, MODE2, and MODE3 pins.
 The configuration settings for the control methods, when the standby pin is set HIGH. Pulled from the datasheet.
 The configuration settings for the control methods, when the standby pin is set HIGH. Pulled from the datasheet.
Control Methods
There are two different communication or control methods for users to interface with the ProDriver. The control method is configured by the input state of the MODE0 - MODE3 pins, when the TC78H670FTG is released from standby mode. The TC78H670FTG features the common clock-in stepping method and a more unique serial communication control.
Serial Communication Control
This method is unique to the TC78H670FTG Toshiba motor driver. The control logic allows users to manipulate registers through serial communication, which provide control over:
- The motor rotation direction (or polarity)
- Maximum current output, torque
- OPD error detection
- Selectable mixed decay (used to finely tune drive current to the motor)
- Driving the motor rotation (full steps only)
(*For more details on the configuration options for the available registers, refer to Section 9 of the datasheet.)
Clock-In Stepping Control
This is a standard method for controlling most stepper motor drivers. By default, the ProDriver is configured for clock-in stepping in the fixed mode with a step resolution of 1/128 of a step.
- Step Resolution Modes
With the clock-in control method, users can set up how the step resolution is configured. TC78H670FTG has the two modes for the step resolution settings, a variable mode and a fixed mode. These modes are also initiated by the input states of the MODE0 - MODE3 pins after releasing the standby pin, when the clock-in control method is configured. Below, is a table from the datasheet of the step resolution settings.
- Variable Mode: The motor can be started with full step resolution and the step resolution can be changed while the motor is operating.
- Fixed Mode: Once initiated, the step resolution is configured and maintained during the motor operation.
 The step resolution configuration settings for the clock-in method, from the datasheet.
 The step resolution configuration settings for the clock-in method, from the datasheet.
Once clock-in stepping and the step resolution are configured together. The TC78H670FTG awaits for the up-edge of the clock (CLK) signal, for the MODE2 pin, to before it shifts the motor’s electrical angle per step. The MODE3 pin, controls the clockwise/counter-clockwise (CW-CCW) rotation direction of the motor for clock-in stepping.
- When the MODE3 pin is low, the motor is driven with a counter-clockwise (CCW) operation.
- Likewise, when the MODE3 pin is high, the motor is driven with a clockwise (CW) operation.
 The MODE3 (CLK) and MODE2 (CW-CCW) pin functionality for clock-in stepping, from the datasheet.
 The MODE3 (CLK) and MODE2 (CW-CCW) pin functionality for clock-in stepping, from the datasheet.
Step Resolution Transition
In variable mode, users can transition between different ranges of step size resolutions with the MODE0 and MODE1 pins. To enable the transition between step size resolutions, the MODE1 (SET_EN) pin must be high, when the TC78H670FTG is in variable mode for clock-in stepping. The MODE0 (UP-DW) pin is used to control the direction of the step size transition.
- When the MODE0 pin is low, the step size resolution is increased to a smaller step size (i.e., from 1/4 to 1/8 of a step).
- Likewise, when the MODE0 pin is high, the step size resolution is decreased to a larger step size (i.e., from 1/8 to 1/4 of a step).
 The MODE1 (SET_EN) and MODE0 (UP-DW) pin functionality for transitioning the step size resolution during clock-in stepping, from the datasheet.
 The MODE1 (SET_EN) and MODE0 (UP-DW) pin functionality for transitioning the step size resolution during clock-in stepping, from the datasheet.
The transition between step size resolutions occurs, synchronously with the up-edge of the next clock signal. It should also be noted, that the transition can only change the step size resolution one increment at a time (i.e., it takes three clock cycles to transition from a 1/4 step size, down three sizes, to a 1/32 step size resolution).
Maximum Drive Current
The maximum drive current for the ProDriver is limited to 2A (max). However, the peak output current can be controlled with two different methods.
Hardware: The first method controls the drive current through the reference voltage (Vref). The reference voltage, can be configured utilizing the external potentiometer or VREF breakout pin.
 The potentiometer and VREF pin that can be utilized to control the maximum drive current.
 The potentiometer and VREF pin that can be utilized to control the maximum drive current.
For the hardware control, the maximum drive current can be calculated with the following equation:

Note: If the stepper motor movements are jittery, try increasing the drive current with the potentiometer.
Software: The second method controls the drive current through software. Utilizing serial communication to the TC78H670FTG, the registers can be configured to limit the maximum drive current. The maximum drive current can be calculated with the following equation, based on the configured registers:

Chopping Current Drive
Chopping is a technique that is used to control the average current per phase, by rapidly switching a relatively high output voltage to the motor coils, on and off. This technique improves the current rise time in the motor and improves the torque at high speeds, while maintaining a high efficiency in the constant current drive.
 A table with the resistor values used to modify the OSCM oscillation and chopping frequency, from the datasheet.
 A table with the resistor values used to modify the OSCM oscillation and chopping frequency, from the datasheet.
On the TC78H670FTG, the OSCM oscillation frequency (fOSCM) and chopping frequency (fchop) are adjusted with an external resistor (ROSC), connected to the OSCM pin. By default, a 47 kΩ resistor is utilized. However, users can modify the ROSC resistor value by cutting the OSCM BP jumper and soldering a resistor to the provided OSCM PTH connections.
 The OSCM BP jumper and OSCM PTH points on the ProDriver.
 The OSCM BP jumper and OSCM PTH points on the ProDriver.
Heat Sink
There is a thermal ground plane on the bottom of the board available for users to attach a heat sink(s) with some thermal tape, if necessary. However, after several tests by the engineer for this product, we have determined that for most use cases, a heat sink probably won't be necessary.
 The thermal ground planes on the bottom of the ProDriver.
  The thermal ground planes on the bottom of the ProDriver.
Hardware Overview - Mini Stepper Motor Driver
Board Dimensions
Below, are basic drawings of the board dimensions and component layout for the SparkFun Mini Stepper Motor Driver. For more detailed measurements, users should download and open the KiCad files from the GitHub repository or from the Documents tab on the product page. It should be noted that the layout of the PTH breakout pins is compatible with breadboards and that the pins on the edge of the board, have a .10" spacing for headers (or to solder more permanent connections).
 SparkFun Mini Stepper Motor Driver board dimensions.
  SparkFun Mini Stepper Motor Driver board dimensions.
Power
Unlike the ProDriver, the Mini Stepper Motor Driver requires two power inputs:
- 3V3 - Supplies the I/O voltage for the pull-up resistors on the M0 - M3 pins. Additionally, it is connected to a voltage divider that provides the reference voltage (VREF) for the drive current, limitation.
- VM - Powers the TC78H670FTG motor driver IC and supplies the output power for driving a bipolar stepper motor (or DC motors).
I/O Voltage Level
The 3.3V PTH connection provides the I/O voltage level for the pull-up resistors on the M0 - M3 pins. It is also used for the hardware configuration for the drive current, limitation on the TC78H670FTG.
 The 3V3 pin on the Mini Stepper Motor Driver.
 The 3V3 pin on the Mini Stepper Motor Driver. 
Note: While the TC78H670FTG is compatible with I/O voltages from 1.5-5.5V, the voltage divider that is configures the drive current, also utilizes this connection. Therefore, precautionary steps should be taken because the voltage divider provides the reference voltage (VREF), which has a maximum input range of 1.8V and the resistor combination of the voltage divider, was calculated with the assumption that 3.3V would be provided.
Motor
⚡ Note: Do not connect or disconnect the motor while the Mini Stepper Motor Driver is powered; as it may damage the motor driver IC.
In order to drive a motor, users will need a power supply with an voltage between 3.3 - 16V and can source at least 2A. Users will connect their power supply to the VM and GND pins on the Mini Stepper Motor Driver.
 The VM and GND pins on the Mini Stepper Motor Driver.
 The VM and GND pins on the Mini Stepper Motor Driver.
⚡ Note: For the Mini Stepper Motor Driver, we recommend that users attach an electrolytic capacitor (>50µF) between the VM and GND pins.
Users that have a power supply with a DC barrel jack, may find some of these accessories useful:
- DC Barrel Jack Adapter - Female
- Barrel Jack Extension Cable - M-F (6 ft)
- Barrel Jack Power Switch - M-F (3")
- Barrel Jack Extension Cable - M-F (3 ft)
Pin Connections
The Mini Stepper Motor Driver was designed with PTH breakout pins in a compact layout that is compatible with breadboards.
 The PTH pins on the Mini Stepper Motor Driver.
 The PTH pins on the Mini Stepper Motor Driver.
More details on these pins are laid out in the following sections below, excluding the power pins. Details for the 3V3 and VM pins are described in the power section above.
Input Control Pins
The input control pins are used to interface directly with the TC78H670FTG motor driver. For more details on the functions of the pins listed below, check out the datasheet for the TC78H670FTG.
 The input control connections on the Mini Stepper Motor Driver.
 The input control connections on the Mini Stepper Motor Driver.

⚡ Note: From the datasheet, the TC78H670FTG is compatible with 3.3 and 5V logic levels on the control pins. The electrical specifications for the input voltage listed at a 5.5V maximum, with a 1.5 and 0.7V threshold on the high and low signals respectively. For more details, check out page 31 of the datasheet and the schematic for the Mini Stepper Motor Driver.
Note: While the TC78H670FTG is compatible with I/O voltages from 1.5-5.5V, the voltage divider that is configures the drive current, also utilizes this connection. Therefore, precautionary steps should be taken because the voltage divider provides the reference voltage (VREF), which has a maximum input range of 1.8V and the resistor combination of the voltage divider, was calculated with the assumption that 3.3V would be provided.
Output Channel Pins
The output channel pins are used to drive the coils of the stepper motor. The paired outputs are connected to the two H-Bridges of the motor driver.
 The output motor driver channels on the Mini Stepper Motor Driver.
 The output motor driver channels on the Mini Stepper Motor Driver.
⚡ Note: Do not connect or disconnect the motor while the Mini Stepper Motor Driver is powered; as it may damage the motor driver IC.

Useful Resources on Stepper Motors:
For basic information on stepper motors, users should check out our Motors and Selecting the Right One tutorial. Additionally, we have included a few YouTube videos, below, that help explain the theory of the stepping functionality behind stepper motors. Users who have stepper motors with more than four wires, may also find this article enlightening.

Motors and Selecting the Right One:
Learn all about different kinds of motors and how they operate.
An introductory video on stepper motor basics. Video courtesy of LearnEngineering.
An introductory video on stepper motor functionality. Video courtesy of GreatScott!.
A more in-depth video on stepper motor functionality. Video courtesy of Nanotec.
TC78H670FTG Motor Driver
The Mini Stepper Motor Driver operates with the Toshiba TC78H670FTG stepper motor driver. The TC78H670FTG is a 2-phase stepping motor driver, intended for bipolar stepper motors. The chip features two H-Bridge motor drivers that provide users with step size resolutions ranging from full steps, half steps, and micro-stepping down to a 1/128 of a step. The TC78H670FTG can be controlled with the standard clock-in stepping, but it also has an additional option for serial communication.
 The Toshiba TC78H670FTG stepper motor driver IC on the Mini Stepper Motor Driver.
 The Toshiba TC78H670FTG stepper motor driver IC on the Mini Stepper Motor Driver.
Some of the advantages to the TC78H670FTG over a simple H-Bridge, include a standby function, selectable mixed decay, error detect flag output, clock- in stepping or serial communication control, software control of the current output, and a minimal parts bill of materials (BOM). The serial command method is especially unique because it allows users to precisely control the phase, torque, current limit and mixed decay ratio of each coil during the motor operation. Additionally, while in most stepper motor driver ICs, an external trimpot is required to set the current limit; however, with the Mini Stepper Motor Driver, a simple serial command can be utilized to precisely adjust the current limit.

Enable/Error Pin Functionality
On the Mini Stepper Motor Driver the EN and ERR pins are broken out separately; however, these connections are tied to the same pin on the TC78H670FTG, which operates as a control input and output for error flags. A typical application of the EN/ERR pin with a microcontroller is displayed below.
 The EN/ERR pin application from the datasheet.
 The EN/ERR pin application from the datasheet.
This duality allows the TC78H670FTG to give users control of the power to the motor drive channels; while also providing autonomous functionality to disable its own power, when an error flag is triggered and simultaneously, provide an output indicator on the same pin.
 The EN and ERR pins on the Mini Stepper Motor Driver.
 The EN and ERR pins on the Mini Stepper Motor Driver.
H-Bridge Power Control
The EN pin controls the ON/OFF operation of the H-Bridges to the motor outputs. When the EN pin is low, all of the H-Bridge MOSFETs turn off and become high impedance (Hi-Z). Likewise, when the EN pin is set high, the motor channel outputs will be driven normally, based on the stepping controls.
 The EN pin functionality from the datasheet.
 The EN pin functionality from the datasheet.
Note: Users should avoiding motor operation during any VM power-on and power-off cycles by setting the EN pin low to disable the motor channel outputs. The EN pin can be set high after the power supply reaches the target voltage and becomes stable.
Error Detection
The TC78H670FTG has a built-in functionality to detect thermal shutdown (TSD), over current (ISD), or motor load open (OPD) connection issues. When these errors are triggered, the ERR pin is pulled low. In a normal operating status, the level of ERR pin is equal to the EN control voltage from outside. After the error is triggered, the error flag can be released by reconnecting the VM power or by setting the device to standby.
Standby Function
The standby pin for the TC78H670FTG, is used to set up the control method for the motor driver. When the standby pin is low, the motor is released from any control methods and is in standby. On the up edge, of when the standby pin is set high, the motor driver is configured for clock-in stepping or serial communication control based on the input state of the M0, M1, M2, and M3 pins.
 The configuration settings for the control methods, when the standby pin is set HIGH. Pulled from the datasheet.
 The configuration settings for the control methods, when the standby pin is set HIGH. Pulled from the datasheet.
Control Methods
There are two different communication or control methods for users to interface with the Mini Stepper Motor Driver. The control method is configured by the input state of the M0 - M3 pins, when the TC78H670FTG is released from standby mode. The TC78H670FTG features the common clock-in stepping method and a more unique serial communication control.
Serial Communication Control
This method is unique to the TC78H670FTG Toshiba motor driver. The control logic allows users to manipulate registers through serial communication, which provide control over:
- The motor rotation direction (or polarity)
- Maximum current output, torque
- OPD error detection
- Selectable mixed decay (used to finely tune drive current to the motor)
- Driving the motor rotation (full steps only)
(*For more details on the configuration options for the available registers, refer to Section 9 of the datasheet.)
Clock-In Stepping Control
This is a standard method for controlling most stepper motor drivers. By default, the Mini Stepper Motor Driver is configured for clock-in stepping in the fixed mode with a step resolution of 1/128 of a step.
- Step Resolution Modes
With the clock-in control method, users can set up how the step resolution is configured. TC78H670FTG has the two modes for the step resolution settings, a variable mode and a fixed mode. These modes are also initiated by the input states of the M0 - M3 pins after releasing the standby pin, when the clock-in control method is configured. Below, is a table from the datasheet of the step resolution settings.
- Variable Mode: The motor can be started with full step resolution and the step resolution can be changed while the motor is operating.
- Fixed Mode: Once initiated, the step resolution is configured and maintained during the motor operation.
 The step resolution configuration settings for the clock-in method, from the datasheet.
 The step resolution configuration settings for the clock-in method, from the datasheet.
Once clock-in stepping and the step resolution are configured together. The TC78H670FTG awaits for the up-edge of the clock (CLK) signal, for the STEP/M2 pin, to before it shifts the motor’s electrical angle per step. The DIR/M3 pin, controls the clockwise/counter-clockwise (CW-CCW) rotation direction of the motor for clock-in stepping.
- When the DIR/M3 pin is low, the motor is driven with a counter-clockwise (CCW) operation.
- Likewise, when the DIR/M3 pin is high, the motor is driven with a clockwise (CW) operation.
 The DIR/M3 (CLK) and STEP/M2 (CW-CCW) pin functionality for clock-in stepping, from the datasheet.
 The DIR/M3 (CLK) and STEP/M2 (CW-CCW) pin functionality for clock-in stepping, from the datasheet.
Step Resolution Transition
In variable mode, users can transition between different ranges of step size resolutions with the M0 and M1 pins. To enable the transition between step size resolutions, the M1 (SET_EN) pin must be high, when the TC78H670FTG is in variable mode for clock-in stepping. The M0 (UP-DW) pin is used to control the direction of the step size transition.
- When the M0 pin is low, the step size resolution is increased to a smaller step size (i.e., from 1/4 to 1/8 of a step).
- Likewise, when the M0 pin is high, the step size resolution is decreased to a larger step size (i.e., from 1/8 to 1/4 of a step).
 The M1 (SET_EN) and M0 (UP-DW) pin functionality for transitioning the step size resolution during clock-in stepping, from the datasheet.
 The M1 (SET_EN) and M0 (UP-DW) pin functionality for transitioning the step size resolution during clock-in stepping, from the datasheet.
The transition between step size resolutions occurs, synchronously with the up-edge of the next clock signal. It should also be noted, that the transition can only change the step size resolution one increment at a time (i.e., it takes three clock cycles to transition from a 1/4 step size, down three sizes, to a 1/32 step size resolution).
Maximum Drive Current
The maximum drive current for the Mini Stepper Motor Driver is limited to 2A (max). However, the peak output current can be controlled with two different methods.
Hardware: The first method controls the drive current through the reference voltage (Vref). The reference voltage, can be configured utilizing the external potentiometer or VREF breakout pin.
 The potentiometer and VREF pin that can be utilized to control the maximum drive current.
 The potentiometer and VREF pin that can be utilized to control the maximum drive current.
For the hardware control, the maximum drive current can be calculated with the following equation:

Note: If the stepper motor movements are jittery, try increasing the drive current with the potentiometer.
Software: The second method controls the drive current through software. Utilizing serial communication to the TC78H670FTG, the registers can be configured to limit the maximum drive current. The maximum drive current can be calculated with the following equation, based on the configured registers:

Chopping Current Drive
Chopping is a technique that is used to control the average current per phase, by rapidly switching a relatively high output voltage to the motor coils, on and off. This technique improves the current rise time in the motor and improves the torque at high speeds, while maintaining a high efficiency in the constant current drive.
 A table with the resistor values used to modify the OSCM oscillation and chopping frequency, from the datasheet.
 A table with the resistor values used to modify the OSCM oscillation and chopping frequency, from the datasheet.
On the TC78H670FTG, the OSCM oscillation frequency (fOSCM) and chopping frequency (fchop) are adjusted with an external resistor (ROSC), connected to the OSCM pin. On the Mini Stepper Motor Driver, a 47 kΩ resistor is utilized.
Hardware Assembly
Hardware Connections
Latch Terminals
When working with the latch terminals of the ProDriver, users should be aware of the following, about the clamping mechanism:
1. If you look closely at the closed jaws or clamping mechanism, you will notice a small gap. Just like screw terminals, there is a minimum and maximum wire thickness for the jaws to physically clamp onto wires.
- On some stepper motors, you may need to tin (i.e., add a little solder) the wire leads and thicken the wires just enough to be clamped.
2. Make sure you are inserting the wire between the jaws.
- Looking to the right end of the picture, below, on the latch partially closed, it should be noted that is possible to accidentally insert a wire above the jaws.
 The latching mechanism on the ProDriver.
 The latching mechanism on the ProDriver.
Headers
When prototyping, users may consider soldering headers to the ProDriver or Mini Stepper Motor Driver. Most users may consider solder headers to the Mini Stepper Motor Driver, as the pin layout is compatible with breadboards.
 Soldering headers to the Mini Stepper Motor Driver.
 Soldering headers to the Mini Stepper Motor Driver.
When connecting Mini Stepper Motor Drivers in parallel, users may find it more convenient to utilize our stackable headers.
 Using stackable headers on the Mini Stepper Motor Driver.
 Using stackable headers on the Mini Stepper Motor Driver.
Hookup Wires
For a more permanent connection, user may choose to solder their connections directly to the ProDriver or Mini Stepper Motor Driver.
 Soldering headers to the Mini Stepper Motor Driver.
 Soldering headers to the Mini Stepper Motor Driver. 
Power Connections
REMEMBER to disconnect the power before connecting/disconnecting your motor.
On the ProDriver, we recommend one of our wall adapter, power supplies to connect to the DC barrel jack. Otherwise, users can utilize the (VM and GND) PTH or latch pins to attach an external power supply.
 The power connected to the ProDriver.
 The power connected to the ProDriver.
On the Mini Stepper Motor Driver, users can connect an external power supply to the VM and GND PTH pins. When prototyping with a breadboard, we recommend using either the regulated power from a development board or utilizing a barrel jack adapter.
 Powering the Mini Stepper Motor Driver with a RedBoard.
 Powering the Mini Stepper Motor Driver with a RedBoard.
 Powering the Mini Stepper Motor Driver from a DC barrel jack adapter.
 Powering the Mini Stepper Motor Driver from a DC barrel jack adapter.
⚡ Note: For the Mini Stepper Motor Driver, we recommend that users attach an electrolytic capacitor (>50µF) between the VM and GND pins.
Input Control Pin Connections
The input control pins need to be connected to a microcontroller. To utilize the Arduino examples below, without modifying the code, we recommend using the SparkFun RedBoard (Qwiic) as the microcontroller. Use the table and image below to hookup a SparkFun RedBoard to the ProDriver or Mini Stepper Motor Driver with some jumper wires.
 Connecting a SparkFun RedBoard to a ProDriver or Mini Stepper Motor Driver.
 Connecting a SparkFun RedBoard to a ProDriver or Mini Stepper Motor Driver. 

Note: Don't forget to ground loop the motor driver to the RedBoard as illustrated in the image above.
Parallel Operation: When operating multiple motor drivers in parallel, all of the pin connections to the microcontroller are shared, with the exception of the MODE 1/M1 pin. Each motor driver board requires a separate pin on the microcontroller to operate their MODE 1/M1 pin. (See the example below)
Motor Channel Output Connections
The output channels for the H-Bridges need to be connected to the stepper motor. Users need to hookup the wire pairs for each coil to individual channels. However, the polarity of the connections isn't very important as the direction of the motor rotation can be controlled in software. For the recommended stepper motor, use the table and image below to hookup the motor to the ProDriver or Mini Stepper Motor Driver.
 Connecting a stepper motor to a ProDriver or Mini Stepper Motor Driver.
  Connecting a stepper motor to a ProDriver or Mini Stepper Motor Driver.

⚡ Note: Do not connect or disconnect the motor while the motor driver is powered; as it may damage the TC78H670FTG IC.
Motor Coil Pairs
In order to determine the wire pairs for each coil on their stepper motor, users can refer to the datasheet for the stepper motor. Often, the relevant information is indicated as shown in the diagram below.
 Coil wire diagram from the datasheet our NEMA 16 Stepper Motor with Cable.
 Coil wire diagram from the datasheet our NEMA 16 Stepper Motor with Cable. 
For a 4-wire motor, users can alternatively use a multimeter to determine the wire pairs for the coils. This is done by comparing the resistance of one wire and against each of the three remaining wires. Whichever wire shows the lowest resistance against the first wire is the pair mate. The remaining two wires should show similar resistance between the two of them.
Examples
Single Stepper Motor
Utilizing the instructions above, an example of the standard assembly used for most of the examples in the Arduino library, is shown below.
 The SparkFun RedBoard connected to a ProDriver and stepper motor.
 The SparkFun RedBoard connected to a ProDriver and stepper motor.
 The SparkFun RedBoard connected to a Mini Stepper Motor Driver and stepper motor.
 The SparkFun RedBoard connected to a Mini Stepper Motor Driver and stepper motor.

Multiple Stepper Motors
For users interested in utilizing multiple stepper motors, we have provided an additional Arduino example for hooking up two Mini Stepper Motor Driver(s) and/or ProDriver(s) in parallel. Use the table and image below to hookup the SparkFun RedBoard to the two motor drivers with some jumper wires.
 Two ProDrivers
 Two ProDrivers
 Two Mini Stepper Motor Drivers
 Two Mini Stepper Motor Drivers
 Combination
 Combination
The SparkFun RedBoard connected to two motor driver boards.
Note: All of the pin connections to the motor drivers are shared, in parallel from the RedBoard; with the exception of the MODE 1/M1 pin. Each motor driver will utilizes a different pin on the RedBoard, for their MODE 1/M1 pin.

Note: By connecting the motor drivers in parallel, they will need to be operated sequentially; they cannot be controlled simultaneously.
Arduino Library Overview
Note: This example assumes you are using the latest version of the Arduino IDE on your desktop. If this is your first time using Arduino, please review our tutorial on installing the Arduino IDE. If you have not previously installed an Arduino library, please check out our installation guide.

How do I install a custom Arduino library? It's easy! This tutorial will go over how to install an Arduino library using the Arduino Library Manager. For libraries not linked with the Arduino IDE, we will also go over manually installing an Arduino library.
We've written a library to easily get setup and control stepper motors with the SparkFun ProDriver. However, before we dive into spinning motors, let's take a closer look at the available functions in the library. You can install this library through the Arduino Library Manager. Search for SparkFun ProDriver TC78H670FTG Arduino Library and you should be able to install the latest version. If you prefer manually downloading the libraries from the GitHub repository, you can grab them here:
Download the SparkFun ProDriver Library (ZIP)
Let's get started by looking at the functions that set up the SparkFun ProDriver:
Class
In the global scope, construct your device object (such as myProDriver) without arguments.
PRODRIVER myProDriver;
Functions
Below, are the available methods, which can be called:
- .begin() - Initializes the motor driver with basic settings. It also returns false if error is detected (i.e., ERR pin is pulled low by the IC).
- .pinSetup() - Configures pins as inputs/outputs as needed, and to default settings (disabled, standby) .enable() - Enables power to the motor output channels. .disable() - Disables power to the motor output channels.
- .controlModeSelect() - This configures the IC into the mode specified by the settings.controlMode variable.
- .errorStat() - This function checks the status of the ERR output, which is triggered for thermal shutdown (TSD), overcurrent (ISD), or motor load open (OPD) errors.
- .step(steps, direction, clockDelay) - Utilizes the CLOCKIN mode to step the motor a set amount of steps in a specified direction.
- .changeStepResolution(resolution) - Used to change the step resolution with clock-in stepping.
- sendSerialCommand() - With the serial communication method, this function sends a serial command, if one of the settings for the serial control is modified.
- Note, one of the settings (listed below) must be changed prior to calling this function, for a new command to be sent.
- settings.phaseA
- settings.phaseB
- settings.currentLimA
- settings.currentLimB
- settings.torque
- settings.openDetection
- settings.mixedDecayA
- settings.mixedDecayB
- settings.phasePosition
- .stepSerial(steps, direction, stepDelay) - Used with the serial communication method, to rotate the motor for a specified number of steps and direction.
- Note, this function utilizes full steps.
- stepSerialSingle(direction) - Used with the serial communication method, to rotate the motor with a single step in a specified direction.
- .setTorque(newTorque) - A wrapper function to set desired torque setting.
- Note, the changes will not take effect on the motor driver until sendSerialCommand() is called.
- Valid torque options include the following:
- PRODRIVER_TRQ_100 (default set in constructor)
- PRODRIVER_TRQ_75
- PRODRIVER_TRQ_50
- PRODRIVER_TRQ_25
- .setCurrentLimit(currentLimit) - A wrapper function to set desired current limit setting.
- Note, this applies the current limit on both coils (A and B), is a percentage of VREF, and affected by the torque setting. The changes will not take effect on the motor driver until sendSerialCommand() is called.
- currentLimit (10-bit value: 0-1023)
Arduino Examples
Note: Most of the examples in the Arduino library will use a standard setup for the ProDriver or Mini Stepper Motor Driver (shown below), with the exception of the Example8_SerialMultiMotor demo code.
 The SparkFun RedBoard connected to a ProDriver and stepper motor.
 The SparkFun RedBoard connected to a ProDriver and stepper motor.
 The SparkFun RedBoard connected to a Mini Stepper Motor Driver and stepper motor.
 The SparkFun RedBoard connected to a Mini Stepper Motor Driver and stepper motor.
Example 1: Basic Motor Control
The first example in the Arduino library is perfect for demonstrating the basic functionality of the Mini Stepper Motor Driver/ProDriver. In the Arduino IDE, the example file can be found in the File > Examples > SparkFun ProDriver TC78H670FTG Arduino Library > Example1_Basic drop down menu. The example, utilizes the default configuration of the Arduino library and steps the motor utilizing clock-in control.
 Operation of the ProDriver utilizing the Example1_Basic example code.
 Operation of the ProDriver utilizing the Example1_Basic example code.
Example 8: Serial Control - Multiple Motors
Example 8 demonstrates the operation of multiple motor drivers through a parallel connection. In the Arduino IDE, the example file can be found in the File > Examples > SparkFun ProDriver TC78H670FTG Arduino Library > Example8_SerialMultiMotor drop down menu. The example, configures the microcontroller to sequentially operate multiple ProDrivers.
 Operation of two ProDrivers utilizing the Example8_SerialMultiMotor example code.
 Operation of two ProDrivers utilizing the Example8_SerialMultiMotor example code.
Troubleshooting
For users looking for technical assistance, click on the link. There you will find, basic troubleshooting tips and instructions to get started with posting a topic in our forums. Our technical support team will do their best to assist you.
Motor Misstep
If users experience a jittery response from their motor or their motor missteps, try increasing the drive current with the potentiometer.
 The potentiometer and VREF pin that can be utilized to control the maximum drive current.
 The potentiometer and VREF pin that can be utilized to control the maximum drive current.
By twisting the potentiometer with a screwdriver, users can configure the total drive current from 0A to 2A.
 Manipulating the potentiometer on the Mini Stepper Motor Driver with a screwdriver.
 Manipulating the potentiometer on the Mini Stepper Motor Driver with a screwdriver.
Resources and Going Further
For more on the SparkFun ProDriver and Mini Stepper Motor Driver (TC78H670FTG), check out the links below:
ProDriver
- Schematic (PDF)
- Board Dimensions (PDF)
- Eagle Files (ZIP)
- GitHub Repository
Mini Stepper Motor Driver
- Schematic (PDF)
- Board Dimensions (PDF)
- KiCad Files (ZIP)
- GitHub Repository
General Information
 
                 
                 
                 
 
 
 
 Settings
        Settings
     Fast Delivery
                                    Fast Delivery
                                 Free Shipping
                                    Free Shipping
                                 Incoterms
                                    Incoterms
                                 Payment Types
                                    Payment Types
                                





 Marketplace Product
                                    Marketplace Product
                                 
 
         
         
         
         
         
         
         
         
         
         
         
         
         
         
         
         
         
         
         
         
         
         
         
         
         
         
         
         
         
         
         
         
         
                 
                 
                 
                 
                 
                 
                 
                 
                 
                 
                     
                                 
                                 
                                 
                         
                                 
                                 
                                 
                                 
                                 
                                 
                                 
                                 Hong Kong, China
Hong Kong, China