MEMS 感測器是優秀的元件,但是革命才剛剛開始
低成本、高效能的微機電系統 (MEMS) 感測器,如今已是司空見慣,但以前卻非如此。大眾巿場 MEMS 的歷史最遠可追溯到 1991 年。當時,模擬、固態物理學、製程技術、封裝和測試等諸多領域剛剛經歷了一場大約歷時十年的技術大論戰,Analog Devices 旋即宣佈推出 ADXL50 單軸加速計 (目前已停產),並於 1993 年開始量產 (圖 1)。
圖 1:全類比 ADXL50 是第一款面向大眾巿場的 MEMS 加速計,此元件專為汽車安全氣囊而設計,提供的全調整式類比輸出可進行數位化或直接應用於比較器電路。(圖片來源:Analog Devices)
此元件的尺寸為 5 mm x 5 mm,這項顛覆性技術專用於單一項非常特殊的應用,即觸發車內的安全氣囊。當時,安全氣囊剛剛引進市場,還不是強制性配備。在 MEMS 感測器面市之前,安全氣囊大部分都是利用 Allen K. Breed 於 1967 年開發的感測器來觸發。其使用管中移動的滾珠作為感測塊;撞車減速時會導致滾珠與固定式磁鐵分離,並觸發小型電氣開關,造成閉路後引燃安全氣囊的化學物質。
率先推出的 MEMS 感測器在尺寸和成本上都有所縮減,且更容易封裝,但這些只是最基本的優點而已。更重要的是,這款元件讓加速度感測從單純的是與否兩種選項,變成能夠提供感測值的類比流,進而讓實際的加速度波形演變成觸發演算法的一部分。
雖然 ADLX50 於 1999 年停產,並由更高階的 MEMS 單元所取代,但此元件當時帶來的「廣泛影響性」是顯而易見的。隨後推出的元件增加了高可信度的感測器自我校準功能 (對大多數感測器而言非常重要),並加入了內部訊號調整、類比數位轉換器 (ADC)、微控制器介面,以及其他容易使用的功能。在短時間內,之前做起來既費勁又花錢的參數測量作業 (尺寸、重量、功率),已幾乎不成問題。
廠商有就此就停止發展嗎?當然是很快又推出雙軸、甚至三軸的加速計,一開始是當作微型模組,後來就變成單晶片元件。忽然之間,諸如真實動作感測,甚至導航之類的應用變得可行 (基本物理原理:加速度的積分是速度;速度的積分是位移)。
不久之後,這些微小的元件加入了振動 MEMS 音叉,成為陀螺儀及全慣性量測單元 (IMU),可在許多情況下取代 50 年前 (2019 年 7 月正好滿 50 週年) 引導太空人登月所用的籃球大小 IMU (>100 lb 且 >200 W),甚至可取代 1980 年代已經很成熟的環形雷射陀螺儀 (RLG) 和光纖陀螺儀 (FOG)。
突然間,人們開始能在先前遙不可及的加速/定位應用,以及無人機的導引核心中使用這種微小的 IMU,以 STMicroelectronics 的 LSM6DSOXTR 為例。此三軸 IMU (滿量程範圍為 ±2/±4/±8/±16 g) 採用 14 引線封裝,尺寸僅 2.5 mm × 3 mm × 0.83 mm,且只需要 0.55 mA 的電流,並且配有 SPI 和 I2C 介面。
還有比這更棒的產品嗎?其他的加速計很快就應用到電子影像穩定技術,進而解決了以前必須由機械陀螺儀穩定雲台的問題。有些概念經過調整後可用於 MEMS 麥克風 (如果只談原理而不談實作,這種麥克風的原理和加速計有點類似)。
MEMS 的創新和應用才剛剛起步
就這些例子看來,MEMS 技術的應用範圍似乎侷限於各種方式的加速度,但事實並非如此。如今,MEMS 元件可運用在許多和加速度無關的應用中。
例如,Texas Instruments 就率先透過數位光處理 (DLP) IC 中的微鏡引導光線轉向,而此技術最初是針對大型螢幕顯示器和微型投影機而開發。其 DLP6500 採用 1080p (1920 × 1080) 陣列且具有超過兩百萬個微鏡,可當作空間光調變器 (SLM),對入射光線的振幅、方向和/或相位進行控制 (圖 2)。
圖 2:Texas Instruments 的 DLP6500 DLP IC 提供完全可定址且精確控制的光束轉向,可在任何陣列中控制超過兩百萬個畫素。(圖片來源:Texas Instruments)
除了基本投影之外,TI 還宣佈讓「汽車頭燈隨方向盤移動」這個存在已久的構想,以耳目一新的樣貌呈現 (這個構想早在 1940 年代末就已在 Tucker 48 車款中提出!)。DLP5531 是一款無需齒輪、馬達和軸承的 MEMS 型電子轉向元件,可提供完整的可編程性和高解析度,每個頭燈包含超過一百萬個可定址畫素。
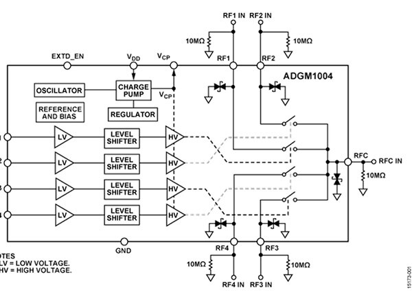
對於非光學 RF 領域,Analog Devices 提供 ADGM1004 四極單擲 (4PST) MEMS 懸臂開關,可處理頻寬介於 0 Hz (DC) 至 13 GHz 的 RF 訊號 (圖 3)。此元件具有雙向金屬頭觸點開關,可在電路中將 RF 訊號路徑配置到四個輸出埠的其中一個,或者將四個輸入訊號的其中一個訊號送至輸出。這些開關能廣泛用於 RF 訊號鏈上的許多位置,或用於測試陣列及矩陣。
圖 3:Analog Devices 延伸 MEMS 技術原理來打造懸臂結構,可針對 4PST RF 開關提供金屬對金屬的觸點閉合,頻寬介於 DC 至 13 GHz。(圖片來源:Analog Devices)
此外,各大學研究團隊目前也使用 MEMS 技術,針對無法以其他方式製造的元件,以此技術作為獨特的元件建構基礎。晶片上加速器國際計畫 (AChIP) 屬於全球性專案,由美國的 Gordon and Betty Moore 基金會贊助。該專案正在嘗試建立一種微型矽基電子加速器,以產生具有高達 1 MeV 能量且範圍從飛秒至阿秒 (10-15 至 10-18 秒) 的電子脈衝,而且用矽晶片就可達成,與目前需要一英哩長的結構才可達成相比,根本天壤之別。
《Photonics-based laser-driven particle acceleration: from proof-of-concept structures to the accelerometer on a chip》(光子型雷射驅動粒子加速:從概念驗證結構到晶片上加速計) 廣泛討論了此項專案,專案中的一項論點更在《Physical Review Letters》(物理評論快報) 的《Alternating-Phase Focusing for Dielectric-Laser Acceleration》(使用交替相位聚焦實現介電雷射加速) 論文中詳細的說明。參與專案的達姆施塔特工業大學加速器物理組工程師,在論文中說明其如何建立微型 MEMS 通道和新的電子束聚焦方法,來取代傳統的電磁聚焦方法,否則根本不符合此專案的需求 (圖 4)。
圖 4:以矽製造的雙排柱結構,使用雷射型光學相位控制法,進行電子加速和減速區的聚焦。(圖片來源:達姆施塔特工業大學)
另一個創新性 MEMS 專案,則將目標鎖定在物聯網 (IoT) 這個更大眾化的領域。美國東北大學團隊開發出一種 MEMS 型開關,可在休眠待機模式下完全不耗電,但會在衝擊性紅外線 (IR) 的觸發下被喚醒 (圖 5),該團隊的電漿子式增強型微機電光控開關 (PMP) 會改變指定光譜帶中的微量光子能,讓 MEMS 機制產生作用。移除作用中的 IR 能量後,開關就會自動關閉。
圖 5:PMP 的每個懸臂由一個頭部、一對內部熱敏性雙材質致動支腳、一對外部完全相同的雙材質溫度與應力補償腳,以及一對用於連接內外部支腳的隔熱連桿組成 (a)。圖 (b) 為入射光束撞擊四個 PMP 的概念圖,每個 PMP 均「微調」至不同的紅外線輻射帶。圖 (c) 為偽彩色掃描電子顯微鏡圖片,其中顯示一個實際製造的 PMP 開關「機構」,並重點放大電漿子吸收體、碗狀觸點頭,以及雙材質支腳具有自我對準式 Al 及 SiO2 層的一端。(圖片來源:美國東北大學/Nature Nanotechnology)
該團隊發表在《Nature Nanotechnology》(自然-奈米技術) 上的論文《Zero-power infrared digitizers based on plasmonically enhanced micromechanical photoswitches》(以電漿子式增強型微電機械光控開關為基礎的零功率紅外數位轉換器),提供了完整的技術細節。改變 IR 吸收的物理原理源自於電漿子。電漿子是一種電子波,在金屬受到光子撞擊後,會沿著金屬表面移動。電漿子吸收體以三種材質堆疊製成,最上方為 50 nm 黃金奈米貼片陣列,中間夾有 100 nm 介電層,最下方則是一層 100 nm 的白金板 (再次參閱圖 5)。此類開關會從特定目標波長的 IR 電磁輻射吸取能量,並使用該能量以機械方式關閉開關觸點。
結論
以 MEMS 為基礎的技術最初只是用於觸發安全氣囊的加速計感測器,至今卻有了顯著的發展。此技術經過各種延伸和演變,可支援許多不同的應用,包括透過微鏡引導光束轉向,以及觸點式 RF 開關等。同時,頂尖大學正展開研究,將 MEMS 進一步用在大眾化領域,以及深奧的科學領域。雖然是老話一句,但只要 MEMS 技術和工具的推動者發揮想像力並投入心力,一切皆有可能。
參考資料:
1 – Analog Devices, ADXL50 Data Sheet (停產)
2 – Patrick L. Walter, “The History of the Accelerometer: 1920s-1996 – Prologue and Epilogue, 2006, ” Sound and Vibration, January 2007.
3 – Tekla S. Perry, “Kurt Petersen, 2019 IEEE Medal of Honor Recipient, Is Mr. MEMS,” IEEE Spectrum, May 2019.
Have questions or comments? Continue the conversation on TechForum, Digi-Key's online community and technical resource.
Visit TechForum



