如何使用 SSR 安全有效地切換電流或電壓
資料提供者:DigiKey 北美編輯群
2019-02-26
隨著電子控制的觸角延伸至消費性、商業、醫療及工業應用,將低電壓或低電流電路切換為高電壓或高電流電路的需求與日俱增。雖然機電繼電器 (EMR) 在業界佔有一席之地,但固態繼電器 (SSR) 更常受青睞,因為其尺寸小、成本低、速度快、電氣雜訊和噪音低,而且相當可靠性。
即便 SSR 廣受歡迎,但要正確地使用,設計人員仍須瞭解其物理與電氣運作的細微差異及特性。然後必須根據應用的輸入、輸出、負載以及散熱狀況,仔細地選擇合適的 SSR,確保達到成功的設計。
本文將探討 SSR 的細微差別,以及正確的應用方式,也會介紹一些最新的 SSR 解決方案,以解決更高電壓與電流的切換問題。
SSR 基本知識
SSR 有許多別名,具體視製造商或供應商而定。例如,Omron 將其稱為 MOS FET 繼電器,Toshiba 則稱為光繼電器 (表 1)。
|
表 1:雖然核心運作原理相同,但不同的供應商會為其 SSR 使用不同的名稱,有些是為了強調其 SSR 的獨特性或專有性。(圖片來源:Omron Corp.)
無論命名為何,運作原理都相同,而且都是延伸自廣為人知且廣泛運用的光耦合器 (也稱為光隔離器)。最簡單來說,此裝置的輸入端具有 LED,輸出端則有光電電晶體,中間以幾毫米的光路徑隔開 (圖 1)。光電電晶體也可能會由光敏 SCR 或 TRIAC 代替,視電壓與電流位準而定。

圖 1:光隔離器的實體配置看似簡單,其實不然:LED 會將電能轉換為光子,進而激發光電電晶體,使其產生低 VBE 壓降;光路徑則可確保實現電流隔離。(圖片來源:Technogumbo)
LED 通電後,產生的光子會讓光電電晶體激磁,然後進入導通模式,讓電流流至負載。這稱為「導通」狀態。當 LED 關閉,光電電晶體就會關閉或進入非導通狀態,形成一個良好 (但非完美) 的開放電路。
由於 LED/光電電晶體之間分隔,再加上光學透明隔離屏障的關係,LED 與光電電晶體之間的電流隔離通常都在數千伏特。請注意,隔離是電壓崩潰參數,與輸入對輸出電阻不同,後者大約介於 1000 至 100 萬 MΩ (通常簡稱為「無限」電阻)。導通與斷態之間的切換時間,通常指定在幾微秒。
不過,一個完整的 SSR 不只是 LED 與光電電晶體或光敏 SCR/TRIAC 而已;在輸入 LED 端以及輸出光敏端,還需具備額外的電路與功能 (圖 2)。

圖 2:一個完整的 SSR 需在輸入 LED 端以及輸出光敏端具備額外的電路與功能。(圖片來源:Omron Corp.)
雖然 SSR 是相對簡單的元件,但在進行導入設計時,應針對輸入、隔離負載的大小和類型以及 SSR 的特殊使用環境做出相關考量。
在選擇 SSR 時,設計人員不僅要知道輸入驅動的位準與類型 (AC 或 DC),也要知道負載的特性,包括最大電流、最大電壓以及類型 (AC 或 DC)。SSR 可以使用數伏特到數十伏特 (甚至更高) 的電壓來驅動,不過基於安全性與效率的考量,電壓較低的輸入越來越常見,也更適合用於現代電子產品。
若輸入驅動器為 DC,則可直接驅動 SSR 輸入 LED。若為 AC,設計人員則需在 SSR 前面增添橋式整流器。有時,可能會有已經內建橋接器的同樣 SSR。內部整流選項通常是明智的選擇,不僅能規避細微佈局的處理問題,還能完全達到指定的輸入/輸出效能。SSR 的輸入靈敏度一般約為 6 mW。
依據負載的性質,SSR 的輸出端比輸入端稍微複雜一些。如果 SSR 的輸出只是電晶體、FET 或是單通道 SCR,則只能單向導通,因此只能搭配 DC 負載使用,例如非線路供電式加熱器。若是 AC 負載,則只能與 TRIAC 或 SCR 配對使用。廠商通常會提供輸出端僅限 DC 或 AC 的類似 SSR。一般來說,AC 輸出型 SSR 也能用於 DC。SSR 的輸出額定值範圍很廣,從數伏特或數安培到上千伏特或上千安培都有。
SSR 選項:NO/NC 觸點和多極
標準的 SSR 僅有一個常開 (NO) 輸出配置。不過,目前許多應用則需要相反的常關 (NC) 配置,會在電力施加到輸入級時才會開啟輸出級。此外,有些設計同時需要 NO 與 NC 動作,甚至採用一個 NO 搭配一個 NC 以及其他少許觸點極的組合。
要滿足多極以及 NO 和 NC 觸點的需求,使用者可以加入客製化的輸出電路,但這種做法會產生至少四個問題。第一,應用情境通常為高電壓和/或高電流,因此設計存在許多固有的挑戰。第二,這種做法需要符合許多法規安全標準並獲得核准。第三,使用這種做法代表專案必須多花一道功夫。第四,確認產生的效能表現是複雜的工作。
使用者或者也可以透過小型電路來反轉輸入訊號,讓 NO SSR 在無訊號時關閉,在施加輸入訊號時開啟。但是,當輸入端電力故障時,這可能會產生一些與 SSR 的輸出狀態有關的安全問題,因為此時繼電器輸出會回到「原生」的 NO 狀態。別忘了,根據「隔離」的定義,SSR 的輸入電源與輸出電源供應器是彼此獨立的。因此,設計人員可能無法保證輸出模式一定能自動防故障。
在需要多極的情況下,可用串聯或並聯的方式驅動多個 SSR。這種做法雖然可行,但需要謹慎考量需要的驅動電流與電壓,以及元件在串聯或並聯拓撲中發生故障時的後果。此外,使用多個 SSR 也會增加 BOM 項目,佔用更多電路板空間。
認清這些 NO/NC 以及多極的需求後,廠商在 SSR 中加入額外的電路,以提供經過充分測試與認證的不同輸出配置。這些 SSR 大多都是來自規格相似的系列,只不過輸出配置的細節有所不同,因此能簡化選擇與使用。
例如,IXYS Integrated Circuits Division 有三款 SSR 效能幾乎相同,並且具備 3,750 VRMS 輸入/輸出隔離能力,但輸出結構卻不同:
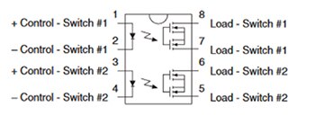
• LAA110 包含兩個單極 NO (1-Form A) 繼電器,額定值各為 350 V/120 mA (AC 或 DC),並採用 8 引腳 DIP/SMT 封裝以及扁平封裝外殼 (圖 3)。

圖 3:IXYS 的 LAA110 是基本型雙通道 SSR,具有兩個獨立的輸入以及各自的 NO 輸出。(圖片來源:IXYS)
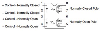
• LCC110 具有一對 NO/NC 觸點 (1-Form-C),由單一輸入驅動,其額定值及封裝都與 LAA110 相同 (圖 4)。

圖 4:IXYS 的 LCC110 是基本型雙通道 SSR,具有單一輸入,可控制一個 NO 及一個 NC 輸出極。(圖片來源:IXYS)
• LBA110 由兩個獨立的繼電器組成:一個單極常開 (1-Form-A) 繼電器,一個單極常關 (1-Form-B) 繼電器,兩個都具有相同的整體額定值及封裝選項 (圖 5)。

圖 5:IXYS LBA110 是此系列的另一款產品,此雙通道 SSR 的 NO 與 NC 輸出極分別具有不同的輸入。(圖片來源:IXYS)
大部分更高功率的 SSR 系列都具有類似的選項組合。若使用單一個電流較低的 SSR 不足以達到所需的額定值,將多個 SSR 輸出簡單地進行並聯,也許是頗具吸引力的做法。但一般來說,這種做法並不是很好的工程實務,原因如下。
第一,就算 SSR 具有相同的標稱額定值,也並未完全匹配。因此,一個 SSR 處理的電流量最後可能比另一個多,使其超出電流與熱限制,導致提前故障。第二,若其中一個 SSR 因故發生故障,其他 SSR 會承受過多的電流,很快便會一個接一個發生故障。基於這些原因,比較好的做法就是選擇一個具有恰當輸出額定值的 SSR。
SSR 的防護與限制
SSR 雖然相當耐用,但有時還是需要一些額外的保護。對於切換白熾燈泡加熱器等電阻式 (無電感) AC 負載的 SSR,可能需要指定不論輸入控制訊號的時序為何,同步式 SSR 只能在 AC 線路零交叉點切換輸出的開/閉狀態 (圖 6)。

圖 6:同步式 SSR 的設計僅會在 AC 線路零交叉點切換輸出,以將產生的 EMI 降到最低:a) 非同步式 SSR 的電阻負載波形;b) 同步式 SSR 的電阻負載波形。(圖片來源:Crydom,透過 Omega Engineering 提供)
僅在零交叉點切換輸出,就可針對在週期中啟動或終止 AC 輸出波形時產生的線路與輻射雜訊,將其降到最低或完全消除。但設計人員需要注意,零交叉 SSR 可能無法在高電感負載下關閉。為了因應此情形,SSR 廠商亦提供所謂的隨機切換 SSR,可在輸入轉換時立刻開啟/關閉。同樣地,設計人員必須瞭解負載情況,並從廠商產品目錄中選擇合適的 SSR。
此外,使用 SSR 時會發生內部損耗,因此也要考量熱能因素。即便輸出開啟,主動元件也有較小但不容忽視的壓降,例如驅動馬達的 MOSFET 就是如此。產生的熱能必須由 SSR 耗散。因此,廠商在提供 SSR 時,會在規格中定義最大負載下可允許的工作溫度,以及熱降額曲線。SSR 的熱環境可使用標準工具製作模型。體積較大、發熱量較高的 SSR,可能需要更複雜的散熱配置,而較小型的 SSR 通常使用標準 IC 散熱片即可。
若 SSR 用於較大負載且具有較高的散熱需求,則實體配置也相對較大。SSR 有多種外殼可供選擇,既有用於較小負載的 6 引線 SOIC,也有用於較大負載的大型模組,而封裝則包含面板安裝式、軌道安裝式或獨立式。
例如,Vishay 的 LH1510 SSR 是一款 SPST-NO (1-Form-A) 裝置,工作額定值為 200 V @ 200 mA,並採用標準的 6 引線 SMT 或 DIP 封裝 (圖 7)。此裝置可搭配 AC 或 DC 負載使用 (圖 8)。這款 SSR 雖然尺寸很小,但能提供 5300 VRMS 連續隔離額定值,及 8000 VRMS 暫態峰值隔離額定值。

圖 7:Vishay 的低功率 LH1510 SSR 是一款 SPST-NO 裝置,額定值為 200 V @ 200 mA,並採用 6 引線表面黏著式封裝及 DIP 外殼。(圖片來源:Vishay Semiconductors)

圖 8:基於可用的封裝引線數,LH1510 可設定為 AC/DC 輸出或僅 DC 輸出,但每種模式的規格稍有不同。(圖片來源:Vishay Semiconductors)
相比之下,Crydom/Sensata Technologies 的 EL240A 系列 AC 輸出面板安裝式 SSR 則可支援 5 A、10 A、20 A 和 30 A (24 至 280 VAC 下) 輸出額定值,並能選擇 5 V、12 V 及 24 V DC 控制輸入。為了達到這些能力,這些 SSR 模組體積較大,尺寸為 36.6 × 21.1 × 14.3 mm,並配有快接端子 (圖 9)。請注意,整體實體大小並不代表隔離能力,這個較大型模組的隔離額定值僅有 3,750 VRMS,比體積小許多的 6 引腳 Vishay 封裝還要低一點。

圖 9:Crydom/Sensata Technologies 的 EL240A 系列 SSR 可支援最高 30 A 的電流,以及最高 24 VDC 的控制輸入。(圖片來源:Crydom/Sensata Technologies)
EL240A 系列的負載可連接到任何一個輸出針腳,在設計上相當靈活 (圖 10)。這些模組的尺寸較大,能讓廠商添加 LED 指示燈 (亦顯示於圖 10),以便對 SSR 的輸入狀態快速進行視覺評估。

圖 10:EL240A 系列的負載可連接到任何一個輸出針腳,在設計上相當靈活。(圖片來源:Crydom/Sensata Technologies)
還要考慮 SSR 的外部
如同絕大多數電力相關裝置,除了外部的最大功率、電壓、電流以及散熱之外,還有一些問題必須考量。SSR 的實體佈線、匯流排或印刷電路板走線也必須經過尺寸考量,才能承載負載電流而不會產生過多的 IR 壓降。同樣地,對於 SSR 的連接,無論是透過離散電線、插槽還是 PC 板焊接的方式來進行,都必須具有足夠的尺寸和額定值。
即便在低電流位準下,SSR 也可能會切換較高的電壓。在此情況下,要注意使用者的人身安全,包括依據電壓規定最小的間隙與沿面距離 (圖 11)。IEC/UL 60950-1、IEC 60601-1、EN 60664-1:2007、VDE 0110-1 及許多標準都有制訂此類要求。

圖 11:間隙 (上圖) 是兩個導電部位間,或是導電部位與設備邊界面之間最短的空間路徑。沿面距離 (下圖) 是兩個導電部位間,或是導電部位與設備邊界面之間沿絕緣材料表面的最短路徑。(圖片來源:Optimum Design)
間隙的定義是兩個導電部位間,或是導電部位與設備邊界面之間最短的空間路徑。沿面距離的定義是兩個導電部位間,或是導電部位與設備邊界面之間沿絕緣材料表面的最短路徑。遵守這兩項參數的要求有助於避免閃燃或火花,或避免使用者接觸高壓電。
雖然 SSR 本身的額定值可提供數千伏特的隔離能力,但任何連至 SSR 的連接都必須維持必要的距離,以確保使用的電壓通過認證。
此外,SSR 還可能需要外部防護。當本身或附近的電感負載關閉時,AC 負載 SSR 可能會出現高電壓尖波,導致 SSR 輸出結構受損。最常用的解決方案是,將一個或多個防護元件,如金氧變阻器 (MOV),或是暫態電壓抑制器 (TVS) 放在 SSR 的負載端子上當作電壓鉗 (圖 12)。

圖 12:SSR 的輸出可能需要透過外部防護來預防電壓尖波,比如因切換電感式負載所產生的尖波。此防護可由 MOV 或 TVS 提供。(圖片來源:Phidgets, Inc.)
決定裝置的尺寸時,需要對負載的 v = L(di/dt) 數值進行分析。若 MOV 的電壓額定值過高,MOV 就無法防止較低值的尖波而導致受損;相反地,若額定值過低,MOV 則會經常「觸發」,且在持續過壓尖波下導致劣化和磨損。
此外,使用具有 TRIAC 或閘流管輸出的 AC SSR 進行電感負載的開/關切換,將會造成 dv/dt 電壓暫態現象,進而導致 SSR 誤啟動。雖然這種假導通不會像 di/dt 電壓尖波那樣導致 SSR 受損,但顯然仍是問題。為了避免此情形,更增加一個 RC 緩衝器電路,以抑制 TRIAC 電壓突然升高 (圖 13)。

圖 13:SSR 輸出的 RC 緩衝器可避免因電感負載而導致誤啟動。(圖片來源:Omron Corp.)
DC SSR 的情況類似,但更簡單一些。若負載為電感式,關閉負載時產生的電流尖波可能會導致當前開啟的 SSR 輸出受損。標準的解決辦法是將一個二極體的陰極接到正極端子,圍繞 SSR 建立一個供電流流過並逸散的路徑 (EMR 及螺線管的線圈使用同樣的方法)。
結論
固態繼電器是非常有用和功能強大的元件,可進行 AC 與 DC 負載的開/關切換,同時在控制與負載之間提供電氣隔離。雖然固態繼電器本身很耐用且應用方法相當直覺,但設計人員必須謹慎地評估輸入、輸出、負載以及散熱情況,才能挑選出適合的 SSR 並可靠地發揮其效能。
聲明:各作者及/或論壇參與者於本網站所發表之意見、理念和觀點,概不反映 DigiKey 的意見、理念和觀點,亦非 DigiKey 的正式原則。


