如何運用 PSI5 讓需要眾多感測器的汽車安全性更加可靠
資料提供者:DigiKey 北美編輯群
2018-04-17
汽車設計中最為重要的考量是安全,因此設計人員必須費心添加更多感測器與駕駛輔助系統。問題在於這些系統需要一個共通的介面,不論是溫度或濕度劇烈變化,或是有振動與電磁相容性的問題,這個介面都必須可靠無誤的進行通訊。
對設計人員來說,非常值得研究一下符合周邊感測器介面 (PSI5) 規範的感測器架構解決方案。這個耐用且不受干擾影響的介面,原本是用於氣囊系統,但也逐漸應用在需要眾多感測器的新型汽車應用。
本文將介紹 PSI5 匯流排,然後再介紹並說明幾個 PSI5 系統解決方案,以及如何使用這些解決方案來配置感測器架構控制系統。
周邊感測器介面 (PSI5)
PSI5 介面可用來將多個感測器連接到電子控制單元 (ECU),且一直以來都用來當作氣囊及相關束縛系統中的主要感測器通訊匯流排。此開放式標準由 PSI5 組織提供,可在 PSI5.org 網站取得。PSI5 現行的規範是第 2.3 版,是通用於所有子標準 (包括用於氣囊、底盤和安全控制以及傳動系統的子標準) 的基準標準。
PSI5 標準的實作能以雙電線 (雙絞線) 匯流排達成,採用電流調變、曼徹斯特編碼的數據傳輸,數據傳輸率為 125 kbps (可選配 189 kbps)。與其他常見的汽車數據匯流排相比,這屬於中等速度介面 (表 1)。
|
表 1:一般汽車數據匯流排的比較。PSI5 屬於中等速度介面。(資料來源:DigiKey)
PSI5 在中等速度產品系列中的優勢在於比使用 CAN 或 FlexRay 便宜,卻擁有相容於感測器數據的資料傳輸率。SENT 數據匯流排亦可用於感測器數據傳輸,但受限於只能從感測器傳送數據到電子控制單元 (ECU)。PSI5 採雙向作業,能進行感測器的定址與配置。
PSI5 在汽車 ECU 中的典型實作情況含有一個能向多個介面饋送資料的微控制器 (圖 1)。

圖 1:汽車微控制器 ECU 的方塊圖,其中有包括 PSI5 在內的通用汽車數據匯流排 I/O 連接埠。(圖片來源:DigiKey)。
圖 1 中微控制器右邊的方塊指出支援的 I/O 連接埠。包括乙太網路、控制器區域網路 (CAN)、區域互連網路 (LIN),以及 FlexRay 汽車通訊匯流排,外加單邊半位元組傳輸 (SENT) 與 PSI5 感測器介面。這些汽車 ECU 已經高度整合,且可能含有三角積分類比數位轉換器 (ADC),可達到快速且準確的感測器測量。
PSI5 實體層
ECU 利用兩條電線連接到感測器。相較於其他採用三條或更多條電線的匯流排,使用雙線雙絞線可降低實作成本。這兩條電線也會用於電力和資料傳輸。ECU 可使用一個整合式或獨立的 PSI5 收發器,向感測器提供穩壓電壓,並讀取其傳輸的資料。感測器資料會透過電流調變的方式,利用曼徹斯特編碼傳送到 ECU (圖 2)。

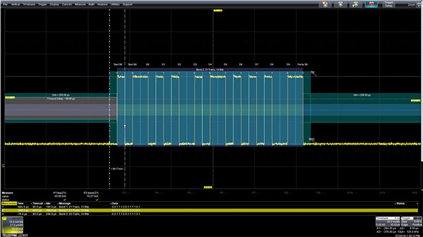
圖 2:PSI5 介面的曼徹斯特編碼在位元時間間隔中間採用電流轉換。Teledyne LeCroy 的 HDO4104A 型號數位示波器提供選配的曼徹斯特解碼器。(圖片來源:DigiKey)
感測器傳輸資料的方式是讓電流從基礎位準 (即感測器的標稱靜態電流) 上升至最高位準。範例中的電流基礎位準為 10 毫安培 (mA),而最高位準是 40 mA,差量為 30 mA。
曼徹斯特編碼在位元時間間隔中間採用電流轉換。電流調變會在 PSI5 收發器內進行偵測,其中的邏輯「0」會以正斜率呈現,邏輯「1」會以負斜率呈現。在圖中,位元時間間隔是以垂直游標標示。Teledyne LeCroy 的 HDO4101A 型號示波器具有選配的曼徹斯特解碼器,可將 PSI5 封包拆解為 13 個位元時間,並以垂直藍色線條表示。中間位元時間的電流轉換代表數據值,示波器會在轉換期間將其列出。
ECU 會利用電壓調變與 PSI5 感測器進行通訊。此方法也可用來將感測器所傳送的資料進行同步處理。
單一感測器連接到 ECU 時,該感測器會控制資料傳輸的時序與重複率。如果連接多個感測器,ECU 會控制同步和資料傳輸作業。多個感測器可平行或依匯流排配置來連接,或是以一系列感測器進行「菊鏈」連接。配置部份將在文章後續更詳細說明。
數據鏈路層
PSI5 數據訊框提供絕佳的靈活性 (圖 3)。除了擁有三大主要元件的基本架構,還有延伸的功能架構。

圖 3:PSI5 資料訊框的結構顯示出資料酬載區域的基本與延伸區段。(圖片來源:DigiKey)
基本架構含有下列必備要素:
- 一個開始位元欄,包含兩個總是編碼為「00」的位元。
- 一個含有酬載的資料欄,內含分配到 D0 至 D27 的 10 至 28 個位元。
- 一個錯誤修正區段,可支援一個單一同位位元 P、一個三位元循環冗餘檢查 (CDC),C0 至 C2。
延伸資料架構含有控制、傳訊和狀態資料,如表 2 摘述。
|
表 2:額外的 PSI5 資料封包選配欄位區段,具有子欄位可提供額外靈活性。(資料來源:DigiKey)
PSI5 系統
NXP Semiconductors 的 RDAIRBAGPSI5-001 是適合汽車氣囊控制系統的公版設計,顯示出 PSI5 架構感測器設計的要素 (圖 4)。

圖 4:NXP Semiconductors 氣囊公版平台設計的方塊圖顯示出 PSI5 架構感測器介面的要素。(圖片來源:NXP Semiconductors)
此公版設計採用 NXP PSI5 收發器 ASSP 作為感測器和微控制器之間的介面。ASSP 屬於混合模式 (類比/數位) 裝置,可處理多重束縛系統的相關功能。在感測器方面,ASSP 支援多達四個感測器通道,可提供電力和控制。
PSI5 感測器
汽車經常使用感測器來感測加速、溫度和壓力。與氣囊系統相關的感測器主要是加速計。通常在 ECU 旁邊會有一個局部加速計。汽車上還有許多加速計分佈在不同位置,稱為衛星感測器。氣囊 ECU 使用來自多個感測器的資料來確保運作不出錯。如果衛星感測器碰到減速,ECU 還會輪詢局部加速計來驗證是否發生「撞擊」事件,而非加速器發生故障。
典型的氣囊加速計是符合汽車應用的單軸感測器,並具有從 ±30 g 到 ±480 g 的可設定感測器範圍,調整刻度以 2 為單位。此加速計支援 PSI5 直接連接,以及同步平行和菊鏈雙向通訊。這些加速計可部署,達到正面或側面撞擊感測、衝擊和振動偵測,或路人撞擊感測。
PSI5 感測器連接拓撲
使用加速計時,PSI5 有多種方法可連接到 ECU (圖 5)。

圖 5:PSI5 支援的四種不同感測器連接拓撲範例,適合想要連接加速計的設計人員使用。在所有使用情況中,ECU 會透過 PSI5 收發器向感測器供應電力,然後讀取感測器資料。(圖片來源:DigiKey)
圖中顯示 PSI5 支援的四種可行的感測器與 ECU 連接。在所有使用情況中,ECU 會透過 PSI5 收發器向感測器供應電力,然後讀取感測器資料。在同步拓撲中,ECU 也會控制感測器。圖 6 的時序圖有助於說明不同運作模式下的差異。

圖 6:四種 PSI5 連接拓樸的時序,從簡易的點對點到同步平行皆有。同步模式中的時序是由 ECU 利用電壓調變的同步脈衝來發起。(圖片來源:DigiKey)
連接加速計最簡單的方法,是採用直接或點對點連接。在此模式下,ECU 會提供電力給定期傳輸資料的感測器。資料傳輸的時序和重複率是由感測器控制。
若直接連接內含多個感測器的感測器叢集 (在共同封裝內有溫度、壓力或多軸加速感測器),就會發生關聯模式。此連接能以同步或非同步時序模式來實作。來自不同感測器的資料可多工處理,或如此處所示,在相同封包內合併兩個不同的資料區段。
同步模式中的時序是由 ECU 利用電壓調變的同步脈衝來發起。
平行連接會將各個感測器以對向方式擺放在匯流排上。資料傳輸作業一開始,會先將來自 ECU 的訊號進行同步處理。各個感測器接著會在其對應分配的時槽內傳輸資料。
在菊鏈配置下,感測器並沒有固定位址,可連接到匯流排上任一位置。在啟動期間,各個感測器會接收到個別的位址,然後將電源電壓傳遞給下個感測器。定址作業會以雙向通訊達成,使用指定的同步訊號模式 (稱為定址序列) 從 ECU 傳送到感測器。感測器在分配到個別位址之後,會開始在其對應的時槽內傳送資料,藉此回應 ECU 產生的同步脈衝。
結論
設計人員應市場要求,需在汽車中加入更多感測器,以提高安全性。如本文所述,PSI5 匯流排提供高度可靠且互通的方式來連接多個感測器,並且可靈活選擇實體配置或是資料封包結構。
聲明:各作者及/或論壇參與者於本網站所發表之意見、理念和觀點,概不反映 DigiKey 的意見、理念和觀點,亦非 DigiKey 的正式原則。



