提升閒置狀態的計時效率,延長穿戴式裝置的電池續航力
資料提供者:DigiKey 北美編輯群
2019-10-23
對使用者來說,穿戴式裝置及其他個人電子裝置的電池續航力,是決定是否購買的關鍵因素之一。為了達到最長電池續航力,開發人員通常會利用這些裝置的長閒置時間,將微控制器和其他耗電元件置於低功率睡眠狀態,直至使用者需要與其互動為止。不過,即便是在最低功率的睡眠狀態下,系統也需要準確的即時時脈 (RTC),來保持掛鐘時間並管理排定的事件。
雖然開發人員有多種選項可在睡眠狀態下支援準確計時,但很少有方案能夠同時滿足降低功耗與縮減設計大小的新需求。
本文將說明開發人員如何使用 Maxim Integrated 的高能效 RTC 晶片,並搭配超低功率微控制器,以延長穿戴式裝置、物聯網 (IoT) 裝置,以及其他尺寸及功率受限產品的電池續航力。
基本計時
在大多數需要根據實際時鐘和日曆與使用者或其他系統進行互動的設計中,RTC 可提供基礎功能。RTC 的核心結合了晶體振盪器電路與一系列暫存器,而這些暫存器會將倒數計時鏈累積的日期與時間資料進行保留 (圖 1)。
圖 1:在基本的 RTC 計時電路中,晶體振盪器會驅動倒數計時鏈,以更新保存日期與時間值的暫存器。(圖片來源:Maxim Integrated)
RTC 元件從這個基本設計演進成提供多種功能,可滿足各種不同應用在準確計時和功能性方面的需求。如今,開發人員可以找到支援不同工作電壓、內建記憶體容量,以且功能遠超過掛鐘時間與日期的 RTC 元件。
不過,隨著應用越來越多,計時能力已非選擇 RTC 元件的唯一決定因素。隨著設計人員因應穿戴式裝置等更小型的電池供電式產品需求,計時對整體系統功耗的影響,已受到越來越多的關注。即使系統在最低功率的睡眠狀態下也需要維持掛鐘時間,因此設計人員已瞭解計時電流的最佳化已逐漸成為這些產品的關鍵需求。同時,任何實用的計時解決方案都需要滿足設計簡易性與覆蓋區方面的嚴格限制。
微控制器 RTC 的利弊權衡
對某些應用來說,設計人員可能會選擇倚賴許多微控制器內建的 RTC 功能,而不會新增單獨的 RTC 元件。當然,並非所有微控制器都有內建 RTC。而有內建 RTC 的微控制器,通常都需要定期重新校準 RTC 輸出,以滿足應用的計時準確度要求。除了需要額外的軟硬體來執行重新校準作業之外,時鐘誤差也會累積,導致在誤差達到重新校準的臨界值前,便會發生資料時間戳記不正確的情況。
雖然可將元件的時間與網路同步來修正這些誤差,但達到低功率設計的最佳作法是將網路連線次數降至最低,以縮短高耗電無線電收發器運作的時間。很顯然,若要使用微控制器內建的 RTC 功能,開發人員在開發準確的低功率設計時,就需要考慮許多的利弊得失。
Maxim Integrated 的 Darwin 系列等超低功率微控制器,具有專為低功率操作而設計的特點與能力,因此能因應相關考量 (請參閱《打造更高效的智慧型裝置:第 1 篇 – 採用 MCU 和 PMIC 的低功率設計》)。舉例來說,Maxim Integrated 的超低功率 MAX32660 Darwin 微控制器在最低功率的「備援」模式、 RTC 啟用且不保留 SRAM 的情況下,在 1.8 V 供電電壓下會消耗 630 nA 左右的電量。在備援模式 (以及所有工作模式) 中,RTC 電路會耗用 450 nA,這比許多單獨的 RTC 元件都要低。
對於努力提升電池續航力的開發人員來說,MAX32660 是達到更低功率的選擇。在最低功率的備援模式、RTC 停用且不保留 SRAM 的情況下,MAX32660 僅消耗 200 至 300 nA。此耗電量數值,相較於 RTC 啟用下的備援模式電流 (630 nA) 與 RTC 電路電流 (450 nA) 之間的差異存在明顯的不一致這與特定工作狀態下的不同電路活動有關。當然,使用此方法也意味著設計人員需要找到合適的外部 RTC 元件,以便以低於微控制器 RTC 的電流達到更準確的運作。
Maxim Integrated 的 MAX31341B 低功率 RTC 可讓開發人員充分利用先進微控制器的最低功率模式,即便是長時間的離線運作,仍可滿足時鐘準確度的要求。
高效計時
Maxim Integrated 的 MAX31341B 可在電池供電且空間受限的設計中,因應對小型超低功率 RTC 元件日漸增長的需求。MAX31341B 與早期的 RTC 不同,在基本的計時運作中僅消耗少許電流 (180 nA),同時將必備功能整合至小型晶圓級封裝 (WLP) 中,大小僅 2 mm x 1.5 mm (圖 2)。
圖 2:Maxim Integrated 的 MAX31341B 消耗 180 nA 的計時電流,同時將完整的 RTC 功能整合至 2 mm x 1.5 mm 封裝中。(圖片來源:Maxim Integrated)
除了準確的日期與時間資料,MAX31341B 還提供以時間為基礎的警示功能,可用於許多應用。晶片上控制邏輯單元可控管一個倒數計時器和一對警報器,可透過元件的 ØINTA 和 ØINTB 引腳產生輸出中斷。設計人員可重新配置元件,將 ØINTA 當作外部時鐘的 CLKIN 輸入,以驅動 RTC 計時器。同樣地,ØINTB 可當作 CLKOUT,以暫存器設定值所設定的可編程輸出頻率,將方波輸出至所需的分類計數器。
此元件還可進行編程以產生中斷,以回應 D1 數位輸入引腳或 AIN 類比輸入引腳的輸入。在類比輸入方面,當 AIN 的訊號上升或下降並通過四個編程臨界值 (1.3 V、1.7 V、2.0 V、2.2 V) 之一時,便會產生中斷。在此模式下運作時,MAX31341B 可以向主機處理器發送訊號,例如在 RTC 供應電壓降到臨界值以下或恢復時,以便主機採取適當的動作。
此外,AIN 輸入也在 MAX31341B 的電源管理功能中扮演重要的角色,可在主電壓供應源無法取用或降到臨界值以下時,持續為元件供電。有了 MAX31341B,開發人員只需將充電電池或超級電容等外部電壓源,添加到硬體設計即可。相應的軟體設定也同樣簡單,僅需在元件的電源管理暫存器中設定一個位元,即可將元件設定為自動電源管理。
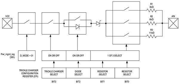
在此模式下進行編程後,MAX31341B 的 AIN 引腳可當作涓流充電鏈的輸出。此充電鏈包括一個可選擇的齊納二極體,以及三條內部電阻路徑選擇,可用來設定所需的充電電流位準 (圖 3)。
圖 3:Maxim Integrated 的 MAX31341B RTC 整合了涓流充電鏈,可讓開發人員以編程方式設定充電鏈及充電電流位準。(圖片來源:Maxim Integrated)
在此模式的一般操作下,元件會從主電壓源 VCC 汲取涓流充電電流,通常為 µA 級。同時,MAX31341B 會使用 AIN 埠追蹤備援供應電壓位準,藉此對 VCC 和備援電源監測。如果 VCC 低於 AIN 引腳測得的電壓,MAX31341B 會自動停用涓流充電鏈,並透過 AIN 將其電源切換至備援電源。
開發支援
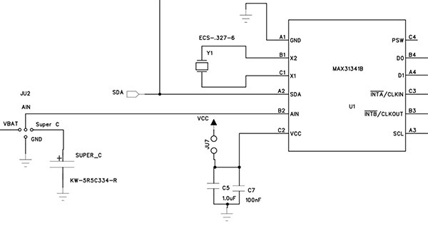
為了支援對 MAX31341B 硬體配置和可編程能力感興趣的設計人員,Maxim Integrated 推出 MAX31341EVKIT 評估板以及隨附的評估軟體應用程式。如評估套件的線路圖所示,開發人員只需將 MAX31341B 直接連接到備援電壓源 (如 Eaton 的 KW-5R5C334-R 超級電容),即可實作備援硬體設計 (圖 4)。
圖 4:在 Maxim Integrated 的 MAX31341EVKIT 評估板線路圖中,此部分說明如需達到計時電壓供應的備援,僅需將 MAX31341B 的 AIN 引腳直接連接至可充電的電壓源即可,例如評估板上使用的 Eaton KW-5R5C334-R 超級電容。(圖片來源:Maxim Integrated)
評估軟體需在個人電腦上 (透過 USB 連接到 MAX31341B RTC 評估板) 運作,可透過軟體上的一系列分頁監測元件的計時結果,並設定中斷和暫存器。開發人員可使用此軟體,將元件設定成在電源管理模式下運作,並探索元件的各個選項來配置涓流充電路徑 (圖 5)。
圖 5:Maxim Integrated 的 MAX31341B RTC 評估套件軟體提供一系列選單,可設定元件暫存器並對特殊功能進行編程,如電源管理模式以及涓流充電鏈配置等。(圖片來源:DigiKey)
如圖 4 的線路圖所示,以 MAX31341B RTC 構建的系統設計,幾乎就跟硬體介面的功能方塊圖一樣簡單 (圖 6)。
圖 6:開發人員可將 Maxim Integrated 的 MAX31341B RTC 新增至系統設計中,僅需晶體振盪器、選配的備援電壓源和少量被動元件即可。(圖片來源:Maxim Integrated)
與備援電壓源一樣,不需要使用額外的元件便可整合所需的外部晶體。不同於早期的 RTC 元件,MAX31341B 允許使用等效串聯電阻 (ESR) 高達 100 kΩ 的晶體,因此比早期元件有更為豐富的晶體選擇。
在主機端,MAX31341B 提供簡單的 I2C 序列介面,可與 Maxim Integrated 的 MAX32660 Darwin 微控制器等處理器進行互動。若使用此介面,主機上的軟體程式碼僅需少量指令即可管理 MAX31341B 的運作,並依序或在單次脈衝中,存取時間和日期資料。
開發人員可使用 MAX32660 和 MAX31341B 來實作超低功率設計,能夠滿足許多仰賴準確計時的應用需求。實際上,典型晶體振盪器所引起的 RTC 時脈誤差,可能會對一些應用帶來問題,特別是需要在較寬廣溫度範圍內工作的應用。
典型 RTC 設計所使用的音叉型晶體振盪器,其誤差率會在溫度相對於溫度反轉點 (即誤差率變成為零的點) 下降或上升時隨之增加;誤差率以 ppm 表示。對於大多數 32 kHz 晶體來說,溫度反轉點的範圍為 20°C 至 30°C。超出此範圍時,典型的晶體會展現出介於 -0.02 至 -0.04 ppm/°C2 的溫度係數,導致使用者在高溫和低溫下,很可能遇到兩位數的誤差率。
例如,MAX31341EVKIT 評估板使用 ECS 的 ECS-.327-6-12-TR 晶體,其規格書指出反轉溫度及溫度係數標稱值分別為 25°C 和 -0.03 ppm/°C2。而 MAX31341B RTC 時脈的誤差率也遵循這些特性,如圖 7 所示。
圖 7:Maxim Integrated 的 MAX31341B RTC 時脈誤差由外部晶體振盪器的效能決定,其偏離晶體溫度反轉點的誤差變化率則由晶體的溫度係數決定。(圖片來源:Maxim Integrated)
即便在更極端的溫度下出現 20 ppm 的誤差率,相應的時脈誤差每個月也不過為一分鐘。當然,若與嵌入橋中的結構完整性監測器相比,此誤差率對個人健身穿戴式裝置所造成的影響自是不可同日而語。對於較不重要的資料來說,使用網路資源進行定期修正可能就足夠。但若是關鍵應用,設計人員可能就需要對關鍵資料相關的時間戳記 RTC 誤差進行補償,或使用溫度補償式晶體振盪器 (TCXO),例如 SiTime 的 SIT1552AI-JE-DCC-32.768E,其可在 -40°C 至 +85°C 溫度範圍內達到指定的 5 ppm 穩定度。
結論
在空間受限的小型裝置 (如穿戴式裝置和其他行動產品) 中,長時間閒置期間的電流消耗量已成為限制電池續航力的重要因素。在閒置期間,這些系統通常需要準確地維持目前的時間與日期,即便其大多數元件已進入低功率睡眠狀態。若使用內建的即時時脈功能,超低功率微控制器可能無法達到最低功耗位準。
Maxim Integrated 的 RTC 元件專為提供更低功率的解決方案而設計,可讓開發人員以 nA 級電量維持準確的計時功能。因此,其他系統元件可在閒置期間,以最低功率的工作模式進入睡眠狀態,讓行動設計發揮最大的電池續航力。
聲明:各作者及/或論壇參與者於本網站所發表之意見、理念和觀點,概不反映 DigiKey 的意見、理念和觀點,亦非 DigiKey 的正式原則。




