Orders are typically delivered to Hong Kong within 3-4 days depending on location.
Free delivery to Hong Kong on orders of HK$330 or more. A delivery charge of HK$125 will be billed on all orders less than HK$330.
UPS, FedEx or DHL freight pre-paid: CPT (Duty, customs, and taxes due at time of delivery)
Credit account for qualified institutions and businesses
Payment in Advance by Wire Transfer
![]()
![]()
![]()
![]()


More Products From Fully Authorized Partners
Average Time to Ship 1-3 Days, extra ship charges may apply. Please see product page, cart, and checkout for actual ship speed.
Incoterms: CPT (Duty, customs, and applicable VAT/Tax due at time of delivery)
For more information visit Help & Support
DC2358A is a 2kV AC isolated flyback μModule DC/DC converter with LDO post regulator featuring the LTM8068. The demo circuit is designed for a 5.6V flyback output and a 5V post regulator output from a 4.5V to 40V input.
The PM6641 demonstration board is a monolithic voltage regulator (VR) module with internal power MOSFETs, specifically designed to supply DDR2/3 memory and chipset in ultramobile PC and real estate constrained portable systems.
A very low noise differential power supply for split rail systems requiring low noise +5V and -5V (higher or lower voltage is possible). This design is fully isolated and capable of floating to over 500V differential from Vin to Vout (higher is possible).
The LMR24220 Multi-Rail reference board implements an extremely compact solution. It is designed to convert from 12V or 24V rails down to typical point-of-load voltages of 3.3V, 1.8V and 1.2V. This design utilizes an LMR24220 Nano Regulator and two LMZ10501 Nano Modules to demonstrate a complete solution for space constrained multi-rail applications.
Demonstration circuit 1453A features the LTM®4619EV, the high input voltage, high efficiency, high density, dual 4A step-down power module. Derating is necessary for certain VIN, VOUT, and thermal conditions. The two outputs are interleaved with 180° phase to minimize the input ripple and reduce the input capacitors.
Demonstration Circuit 1582B featuring the LTC3108 is a highly integrated DC/DC converter optimized for harvesting and managing energy from extremely low input voltage sources such as thermoelectric generators (TEG). The step-up topology operates from input voltages as low as 20mV.
This user guide describes the hardware and software for the evaluation of the ADP5051/ADP5053, including detailed schematics and printed circuit board (PCB) layouts. The ADP5051/ADP5053 evaluation board combines four high performance buck regulators and supervisory in a 48-lead LFCSP package to meet demanding performance and board space requirements.
This Flybuck reference design uses the LM5017 buck regulator to generate four isolated outputs: ±15V@50mA and ±5V@100mA. The regulation is done on the primary side, and thus no opto-coupler is needed. The overall load/line regulation for each output is within +/-5%. The input voltage range is from 17V to 32V. It's suitable for applications requiring multiple positive and negative bias voltage rai…
This user guide describes the hardware and software for the evaluation of the ADP5050/ADP5052 and includes detailed schematics and printed circuit board (PCB) layouts.
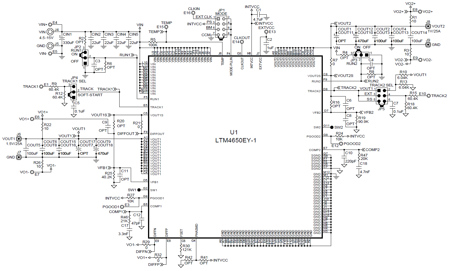
Demonstration circuit 2066A is a dual-output, high efficiency, high density, μModule regulator with 4.5V to 16V input range. Each output can supply 18A maximum load current. The demo board has a LTM®4677 μModule regulator, which is a dual 18A or single 36A step-down regulator with digital power system management. Please see the LTM4677 data sheet for more detailed information.
Co-Browse
By using the Co-Browse feature, you are agreeing to allow a support representative from DigiKey to view your browser remotely. When the Co-Browse window opens, give the session ID that is located in the toolbar to the representative.
DigiKey respects your right to privacy. For more information please see our Privacy Notice and Cookie Notice.
Yes, Continue to Co-BrowseGet fast and accurate answers from DigiKey's Technicians and Experienced Engineers on our TechForum.
Please visit the Help & Support area of our website to find information regarding ordering, shipping, delivery and more.
Registered users can track orders from their account dropdown, or click here. *Order Status may take 12 hours to update after initial order is placed.
Users can begin the returns process by starting with our Returns Page.
Quotes can be created by registered users in myLists.
Visit the Registration Page and enter the required information. You will receive an email confirmation when your registration is complete.
Orders are typically delivered to Hong Kong within 3-4 days depending on location.
Free delivery to Hong Kong on orders of HK$330 or more. A delivery charge of HK$125 will be billed on all orders less than HK$330.
UPS, FedEx or DHL freight pre-paid: CPT (Duty, customs, and taxes due at time of delivery)
Credit account for qualified institutions and businesses
Payment in Advance by Wire Transfer
![]()
![]()
![]()
![]()


More Products From Fully Authorized Partners
Average Time to Ship 1-3 Days, extra ship charges may apply. Please see product page, cart, and checkout for actual ship speed.
Incoterms: CPT (Duty, customs, and applicable VAT/Tax due at time of delivery)
For more information visit Help & Support
Thank you!
Keep an eye on your inbox for news and updates from DigiKey!
Please enter an email address
Please accept the checkbox