Zener Diodes Won My High School Science Fair – and We’re Still Going Strong
Circuit designers have used Zener diodes as voltage references and voltage regulators for more than half a century. I first used Zeners for a power supply design in high school as part of a science fair project during my senior year in 1970. The project was a fiber optic optical communications system based on infrared LEDs, phototransistors, and plastic optical fiber cables. These were very early days for fiber optic communications and for optoelectronics, so the science fair project was an award winner.
The optical communications system design employed RTL digital logic, but not today’s “Register Transfer Level” stuff. Today’s RTL is for designing logic in ASICs, SoCs, FPGAs, and CPLDs. Back in the mid 20th century, “RTL” was the abbreviation for “Resistor Transistor Logic,” the first real logic IC family.
RTL (the logic family) was originally developed for US missile and aerospace applications. It was selected as the logic family of choice for building the Apollo Guidance Computer (AGC), which controlled the spacecraft’s main engines and attitude thrusters using a fly by wire system. The Apollo and AGC fly by wire system was the first such system with no mechanical or hydraulic backup. From 1968 through 1972, the AGC took Apollo missions 8, 10, 11, 12, 13, 14, 15, 16, and 17 to the moon and then safely returned them to Earth. Granted, Apollo missions 8 and 10 didn’t actually land on the moon, but they did indeed go the distance and return safely.
The AGC’s design used thousands of RTL ICs and it was a small thrill for me to use the same bleeding edge electronic components in my science fair project. After all, the Apollo program was still quite active at the time I designed this project.
Those old RTL ICs required a 3.6 volt regulated power supply. Today, an adjustable three terminal regulator like a Texas Instruments LM317 might be the first choice for a simple linear power supply design, but three terminal regulators had not become common back then having only just been invented a year earlier, and the LM317 wouldn’t be designed until 1976. The first choice for a linear regulated power supply circuit back then was based on a Zener diode, so that’s what I used for my science fair project. My design employed multiple Zener diodes from Motorola Semiconductor, in conjunction with some big pass transistors to create three regulated supply voltages, including a 3.6 volt supply for the RTL ICs. ON Semiconductor inherited all of Motorola Semiconductor’s Zener diodes and still sells them, in addition to many newer ones supplied in surface mount packages. ON Semiconductor even inherited Motorola Semiconductor’s old Zener diode handbook, which is available in PDF form (see Reference 1).
Zener diode basics
Zener diodes work just like any other diode when forward biased. It’s their reverse biased condition that’s different. For low reverse bias voltages, Zener diodes do not conduct current. That’s just as would be expected from a regular semiconductor diode. However, once the reverse bias voltage across the Zener diode reaches the Zener or breakdown voltage, the diode "breaks down" and current flows.
The current/voltage curve for a Zener diode (see Figure 1) shows that the voltage across the device in the reverse biased Zener region is almost constant regardless of the reverse bias current, after meeting the minimum required Zener current (IZT). In other words, a Zener diode provides a stable and known reference voltage for a wide range of reverse bias conditions.
Figure 1: The current/voltage curve for a Zener diode exhibits normal diode behavior for a forward bias voltage (right half of the curve), but breakdown behavior for a reverse bias voltage equal to or larger than the Zener voltage (left half of the curve). (Image source: ON Semiconductor)
Even today, almost 50 years after I used them in my science fair project, Zener diodes serve equally well as voltage references; as small, inexpensive regulators for low current power supplies; and even as signal voltage clamps when wired back to back.
Zener diodes are named for Clarence Melvin Zener, who was the first to predict the voltage breakdown effect that would later be named for him in a paper published in 1934. That was long before William Shockley noticed the predicted effect in early semiconductor diodes made at Bell Labs around 1950. Shockley named these devices “Zener diodes” in honor of the person who predicted the breakdown effect.
You can tell that it’s a Zener diode in a schematic because of the two wings on the symbol’s cathode bar, shown in Figure 2. You can think of the modified cathode bar in the Zener diode’s schematic symbol either as an abstract representation of the diode’s breakdown characteristic curve or as a stylized “Z” for “Zener.” (That’s how I think of it, anyway.)
Figure 2: Depending on your perspective, the cathode bar on the Zener diode schematic symbol represents the breakdown characteristic of the device or it looks like a stylized “Z” for “Zener.” (Image source: ON Semiconductor)
The important characteristic of a Zener diode is that it sustains a nearly constant voltage across itself when it’s reversed biased and fed enough current (usually a few milliamps) to initiate and maintain the Zener effect. That nearly constant voltage serves as a stable reference voltage.
Zener diodes are available in a very large number of fixed voltages. A quick look at DigiKey’s Zener diode page shows a list of more than 2,988 available Zener diodes (all of them from ON Semiconductor) with more than 150 different Zener breakdown voltages ranging from 1.2 to 200 volts.
Technically, any Zener diode with a reverse breakdown voltage of more than about 5.5 volts is an avalanche diode, but both Zener and avalanche diodes exhibit a similar reverse breakdown effect that allows these devices to serve as voltage references, so they are all usually lumped together under the “Zener” designation.
The range of Zener diode breakdown voltages is sort of overwhelming. They’re available essentially in 0.1 volt steps from 1.2 to 7 volts so it’s less likely that trimming will be necessary when using a Zener diode to generate a specific reference voltage.
Using Zener diodes
The key to using a Zener diode as a voltage reference or voltage regulator is to make sure that it receives sufficient current, usually ranging from a few to several milliamps, to sustain the Zener effect when reverse biased. That’s done with an appropriately sized series resistor (Figure 3). The resistor value and wattage will depend on the values for Vin and for Vref.
Figure 3: A simple Zener voltage reference or regulator employs an appropriate resistor to supply the Zener diode with sufficient current to maintain the Zener effect. (Image source: ON Semiconductor)
The schematic works as either a Zener voltage reference or a Zener voltage regulator for low current power supplies. A Zener diode can serve as an inexpensive regulator, especially for constant, low current loads. If the load varies, then the current through the Zener diode will also vary. The Zener diode must soak up any current the load doesn’t use. That’s important because the Zener diode must be able to handle the full current through the series resistor if the load current drops to zero.
The maximum power that the Zener diode must dissipate is the current through the Zener diode multiplied by the Zener voltage. For constant current loads, the series resistor should be sized so that only sufficient current to initiate and sustain the Zener breakdown effect flows through the diode. The rest of the current should flow through the load. If the load current can drop to zero, the current through the Zener diode at zero load multiplied by the Zener voltage gives you the absolute minimum power that the Zener must be able to dissipate. As usual, give the Zener diode’s power rating some healthy margin to avoid overheating in applications where the load current can vary.
For detailed application information and for the equations needed to calculate the proper resistor value for a given Zener diode application, refer to the ON Semiconductor Zener diode handbook mentioned earlier.
The current needed to maintain the Zener breakdown effect is on the order of milliamps, which is possibly a problem for low current circuits. Two-terminal voltage references (also called bandgap references) with very small operating currents are now available to serve in such applications.
For example, the Texas Instruments LM4040 Precision Micropower Shunt Voltage Reference has a minimum cathode current of less than 80 microamps (µA), and is available with fixed reference voltages of 2.048, 2.5, 3, 4.096, 5, 8.192, and 10 volts, as well as factory trimmed voltage tolerances ranging from 0.1 to 1 percent.
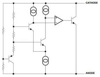
In use, the circuit design for these voltage references is the same as for the Zener diode, shown in the Figure 3 schematic. The two active terminals on the LM4040 voltage reference are called the anode and cathode, as if the device were a diode. However, the LM4040 is clearly not a diode, as can be seen from its schematic (Figure 4).
Figure 4: The internal schematic of an LM4040 voltage reference shows that it is far more than a simple diode. (Image source: Texas Instruments)
Conclusion
Just because a device has been around for a while doesn’t mean it’s no longer useful. Device vendors have been making Zener diodes for more than six decades and they’re still going strong, doing the same job they’ve always performed. I’ve changed a bit, and so have my roles, but I am also going strong (thankfully).
If you need a voltage reference that requires less current to operate, be sure to take a look at two-terminal voltage references as well.
References:
1 – ON Semiconductor - Zener Theory and Design Considerations
Have questions or comments? Continue the conversation on TechForum, DigiKey's online community and technical resource.
Visit TechForum

Steve Leibson was a systems engineer for HP and Cadnetix, the Editor in Chief for EDN and Microprocessor Report, a tech blogger for Xilinx and Cadence (among others), and he served as the technology expert on two episodes of “The Next Wave with Leonard Nimoy.” He has helped design engineers develop better, faster, more reliable systems for 33 years.