Series Voltage References Refine Accuracy in Power-Limited Energy-Harvesting Designs
Contributed By Electronic Products
2014-02-26
Voltage references are vital in ensuring accuracy in any measurement application. For sensor applications powered by energy harvesting, where engineers need to manage very-tight power budgets, ultra-low-power voltage references deliver required precision while consuming very little current. Engineers can meet the need for precise low-power voltage references using available devices from manufacturers including Analog Devices, Intersil, Linear Technology, Maxim Integrated, Texas Instruments, and Touchstone Semiconductor.
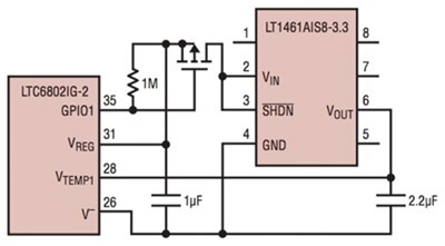
In applications designed to monitor real-world characteristics, accuracy depends on the ability to perform measurements against a known voltage reference. A stable reference voltage is essential in sensor systems for accurate data conversion by ADCs, or for energy storage designs requiring careful control of voltage needed to optimize lithium-ion cell operation. Designers can combine the Linear Technology LTC6802 Li-ion battery monitor with the Linear LT1461 voltage reference to deliver highly-accurate Li-ion cell charge management (Figure 1).

Figure 1: Voltage references provide high accuracy needed for applications such as those depending on accurate charge management needed for Li-ion energy storage (Courtesy of Linear Technology).
Voltage references are designed to deliver a known output voltage with great precision and stability. Of course, any real device suffers variations from ideal due to manufacturing and environmental conditions. Manufacturer datasheets provide engineers with specifications for key device characteristics intended to convey output voltage error due to intrinsic and extrinsic factors.
Performance characteristics
Among voltage reference performance specifications, some of the most important include initial accuracy, temperature drift, long-term stability, thermal hysteresis, noise, line and load regulation, as well as general operating characteristics such as supply current and voltage range. Precision voltage references such as those described below feature single-digit mV initial accuracy, temperature coefficient (ppm/°C) in the low double digits, and μV noise levels.
Voltage reference ICs are available across a wide range of performance options, but their fundamental characteristics derive from their basic topology as shunt references or series references (Figure 2).

Figure 2: Shunt references (a) are typically two-terminal devices that resemble Zener diodes in operation, while series references (b) are typically three-terminal devices that more closely resemble low-dropout (LDO) regulators (Courtesy of Texas Instruments).
Shunt references are two-terminal devices that offer the advantages of simple design and good stability across a wide range of operating conditions. Although they resemble a Zener diode in operation, they are typically available as buried Zener or bandgap devices. Shunt references use an external resistor to set current, allowing them to be used with high supply voltages and configured as negative voltage or floating references in designs. On the other hand, these devices shunt unused current to ground, resulting in wasted energy in low-load conditions.
Series references
In contrast, power consumption in series references is limited to load current and their own quiescent-current needs, making them ideal for energy-harvesting applications with tight power budgets. Series voltage references with ultra-low-power requirements offer a further advantage in overall system stability. Typically, voltage references require a significant turn-on time needed for the output voltage to stabilize at the required reference level. Devices that operate with a sufficiently-low quiescent current allow engineers to leave them powered continuously, ensuring the highest possible accuracy and minimal latency for sensor applications. A stable, always-on voltage reference eliminates the chance of dead time in data conversion, cell monitoring, or other critical measurement applications when a more power-hungry voltage reference IC might need to be powered down to conserve power in energy-limited applications.
Engineers can find voltage references boasting quiescent current in the tens of µA among device families including Analog Devices ADR291/ADR292, Intersil ISL60002, Linear Technology LT6656, Maxim Integrated Products MAX6018, Texas Instruments REF3312AIDCKT, and Touchstone Semiconductor TS6001.
Analog's ADR291/2 devices feature quiescent current as low as 12 μA with initial accuracy available in different device grades including ±2 mV, ±3 mV, and ±6 mV max for the ADR291 or ±3 mV, ±4 mV, and ±6 mV max for the ADR292.
Linear Technology quotes an initial accuracy of 0.05 percent for its LT6656 precision voltage reference. At the same time, the company notes that like all devices in this class, individual parts will show normal variation about a mean, requiring engineers to account for individual part differences for high-precision applications (Figure 3).

Figure 3: Performance characteristics for individual voltage reference ICs will depart from idealized datasheet specifications due to manufacturing and physical variation (Courtesy of Linear Technology).
As with other series-type devices in this class, the Maxim Integrated Products MAX6018 family features supply-current levels that are virtually independent of supply voltage with only 0.1 μA/V variation with supply voltage. Maxim offers the MAX6018 in a tiny SOT23-3 package designed to meet requirements for compact designs.
Similarly, Texas Instruments offers its REF33xx family in both SOC23-3 and SC70-3 packages. As with many other devices in this class, the REF33xx family can operate with supply voltage levels very close to the output reference level. Engineers can operate the REF33xx at a supply voltage 180 mV above the specified output voltage under normal load conditions, with the exception of the REF3312, which has a minimum supply voltage of 1.8 V.
Low temperature drift is important for consistent results across changing thermal conditions, and devices in this class typically boast low drift characteristics. The Touchstone Semiconductor TS6001 combines 27 µA current requirements and initial output voltage accuracy of less than 0.08 percent with a low-output-voltage temperature coefficient of 7 ppm/°C that remains largely uniform across individual parts (Figure 4).

Figure 4: Precision voltage reference ICs feature low temperature drift that remains largely consistent across different units (Courtesy of Touchstone Semiconductor).
While devices with µA-level quiescent current such as those described above offer leading performance characteristics, engineers can find parts with even lower current requirements. The Intersil ISL60002 achieves a quiescent current as low as 350 nA due to its proprietary Floating Gate Analog technology. With its ultra-low-current requirements, the ISL60002 gives engineers the option to keep the device powered up for continuous operation. On the other hand, the very-low supply current for the ISL60002 results in a longer turn-on time needed to bias-up internal circuitry, demonstrating the kind of trade-off commonly found in matching voltage reference device characteristics to application performance requirements.
Beyond basic reference functionality, engineers can find advanced series-type voltage references that integrate additional functionality beyond precision voltage output. The Linear Technology LT6700 combines its voltage reference circuitry with two on-chip comparators with hysteresis in a 6-lead SOT-23 or tiny DFN package. Drawing only 6.5 μA, the LT6700 allows engineers to easily build voltage monitoring into low-power applications using the open-collector comparator outputs.
Conclusion
A precision voltage reference is essential for accurate measurement functionality in many energy-harvesting applications. Series-type voltage reference ICs offer a combination of stable operation and very-low current consumption required to ensure accuracy in these designs. Using available voltage reference devices, engineers can ensure accurate measurement required in applications ranging from sensor systems to critical Li-ion cell voltage monitoring circuits.
For more information on the parts discussed in this article, use the links provided to access product information pages on the DigiKey website.
Disclaimer: The opinions, beliefs, and viewpoints expressed by the various authors and/or forum participants on this website do not necessarily reflect the opinions, beliefs, and viewpoints of DigiKey or official policies of DigiKey.