Sensors for Self-Driving Vehicles

By Jon Gabay

Contributed By Electronic Products

Much has been discussed and written recently about self-driving vehicles. Major efforts are being made to develop this technology as a way of improving safety and saving money. No longer a purely futuristic idea, companies like BMW, Mercedes-Benz, and Tesla have already released, or are soon to release, vehicle systems that give the car some ability to drive itself.

Several deep-pocketed corporations are investing heavily in self-guided vehicle technology. Many of us are familiar with the Google self-driving car projects and tests [1]. We are also most likely familiar with Amazon's plans to use self-guided drones for deliveries [2]. You may not know, however, that food establishments like Domino's Pizza are actively developing electric vehicles to be able to deliver pizza in less than 30-minutes [3] as well as drone-based systems for pizza delivery[4]. Megastores like Walmart are also investing in automated delivery technology and plan to go head to head with Amazon to provide fast and reliable deliveries without human intervention.

This article looks at sensor technology that can be used to create autonomous vehicles, and how real-time and mixed-signal embedded elements can be architected to provide relatively safe and reliable self-piloting systems. All parts and technologies referenced here can be found on the DigiKey website.

It starts with GPS

All self-driving vehicles rely heavily on sensors. The primary sensor technology needed for any guided system is location identification. Of course GPS and geo-location technology is already embedded in most smartphones. While these systems are pretty reliable, they are not reliable enough to meet the needs of individual self-driving vehicles or fleets of vehicles sharing the same highways and thoroughfares that traditional human-driven vehicles use.

Consider your own experience. How many times has GPS been off the mark or less than efficient? Weather conditions, electronic noise sources, and mapping inconsistencies can be catastrophic without a human mind as backup.

Another factor is resolution. Modern-day GPS may be good if you only need precision measured in meters, but what if centimeter resolution is needed? An error in the meter range over a double yellow line will result in a head-on collision. Similarly, a meter error on a coastal highway cold result in a vehicle plummeting off of a cliff.

Beyond location, another key technology in autonomous cars is collision avoidance. While self-piloted vehicles can be programmed to drive cautiously and will not get distracted by conversation, music, or cellphones they must share the road with humans who cannot be counted on to drive safely or even obey traffic regulations. This means that self-guided vehicles not only need to mind their own business, but must also incorporate plans and strategies to deal with human mistakes.

Available solutions

For overall location awareness modular GPS solutions are a good choice. Small, low-cost and low-power GPS modules can include support for international protocols such as China's BeiDou Satellite navigation systems, Russia's Glonass, the European Union's Galileo Satellite Navigation Systems (GNSS), and the American Global Positioning System (GPS) technology. Modules like the Antenova M10478-A3 include a wideband antenna to provide support for all the aforementioned protocol standards while providing simple UART-based interfaces with data rates up to 115.2 Kbits/sec for easy interfacing to virtually any standard embedded microcontroller.

Design engineers should note that typically with vehicles size and power are not constraints, but sensitivity and extended temperature ranges will be. The Antenova module features a good sensitivity of –165 dB with a –40 to +80°C operating temperature range. The fixed update rate of 10 Hz helps assure that up-to-date position information is readily available fast enough to keep a relatively slow-moving ground-based vehicle on track.

The 3.3 Volt 38 mA shielded module itself is mounted on a 28 pin, 13.8 x 9.5 x 1.8 mm SMT mountable board that can be directly reflowed onto a main motherboard that includes the embedded microcontroller. The Antenova M10478-A3-U1 development and evaluation board features easy USB connectivity to quickly test and evaluate this solution with low risk and investment.

Mapping memory and data will be licensed or patched into using a universal mapping solution like Google Maps, which also may require GSM and Internet connectivity. The GSM solutions also can provide GPS functionality. For example, the Maestro Wireless Solutions M1003GXT48500 3G GSM modem combines GSM functionality with GPS support to allow geolocation as well as GPS (Figure 1). This permits a backup solution using cell towers as well as satellites to acquire a fix.

Image of Maestro Wireless Solutions GSM and GPS module

Figure 1: Combined GSM and GPS modules can permit both satellite and cellular connectivity for location awareness.

Collision avoidance

The detection of objects for collision avoidance is a key part of the safety requirements for self-navigation vehicles. While a multitude of CCD image sensors and cameras are readily available from a variety of sources, the ability to develop sensor algorithms quickly and effectively means that engineers need flexible platforms between the video sensor and the controlling processor.

An ideal solution is to use FPGA technology that directly supports video streaming to detect edges, enhance images, and perform calculations in fast hardware to determine the speed, direction and proximity of approaching objects, and to perform threat assessment.

One ideal solution comes from Lattice Semiconductor with its LFE3-70EA-HDR60-DKN development system for 1080p, 60 fps video cameras. This platform includes a reference design and IP for use with the company’s LCMXO2-4000HE-DSIB-EVN image interface board, and its LF-9MT024NV-EVN Nanovesta camera headboard.

This technology allows two image sensors to be merged into one video data stream (Figure 2) permitting depth perception and more accurate speed and position sensing as well as providing auto-white balance, 2D-noise reduction, and what is claimed to be the industry's fastest auto-exposure with support for up to 16 Megapixel resolution.

Image of two image sensors merged into one video data stream

Figure 2: Supporting two independent cameras and video streams allows depth perception that is an important asset for self-driving vehicles.

Radar components

Miniaturized radar units are already in widespread use in the automotive industry. These employ RF technology to determine proximity, range, speed, and relative object size.

Because the automotive industry has pushed this technology in its collision-avoidance and automated-parking systems, radar chips, components, development systems, and sub-assemblies are readily available for use in self-driving vehicle designs.

Note that multi-channel radar systems have already been designed and are in use primarily because vehicles have multiple sides that need to be monitored. Single-channel radar systems like lift-gate detection systems also can be employed, but will need to be replicated for each side, axis, and threat potential facing the autonomous vehicle. For example, front and side radar are good for avoiding pedestrians, but depth detection may also be needed for an automated vehicle to determine that there is a ditch on the side of the road and that this is not a good stopping place in case of, say, a flat tire.

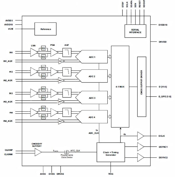
Components for use in this area may include parts like the Texas Instruments AFE5401TRGCTQ1. This is a monolithic 4-channel analog radar front end with integrated Low Noise Amplifier, equalizer, Programmable Gain Amplifier, anti-aliasing, and A/Ds with 12-bit resolution (Figure 3). Of particular interest is that this 1.8 Volt part allows simultaneous sampling across all channels and a 25 Msample/sec rate with a 12-bit CMOS compatible parallel bus to allow rapid data transfer of acquired data to a local host controller.

Diagram of multi-channel monolithic radar 4-channel receiver

Figure 3: Multi-channel monolithic radar devices like this 4-channel receiver are ideal solutions for self-driving vehicles.

A similar solution is offered by Analog Devices with its AD8285WBCPZ 4-channel front-end 12-bit ADC. This part is supported by the company’s AD8285CP-EBZ RX path radar evaluation board that uses an integral SPI connected FIFO for elastic data capture.

In summary, automated delivery using self-piloted vehicles may be initially expensive to implement and faces potential hurdles in the form of regulatory and liability difficulties. However, the necessary technical solutions—especially in the form of sensor-based modules and systems—are now or will soon be available to design engineers. Using GPS, radar, and video sensing today’s advanced driver assistance systems (ADAS, e.g., adaptive cruise control, and automatic emergency braking) have demonstrated that it is no longer a question of if but when autonomous vehicles will hit the road.

References:

  1. Google's Self-Driving Car Project
  2. Amazon Prime Air
  3. Domino's Pizza Delivery Car
  4. Domino's DomiCopter

Disclaimer: The opinions, beliefs, and viewpoints expressed by the various authors and/or forum participants on this website do not necessarily reflect the opinions, beliefs, and viewpoints of DigiKey or official policies of DigiKey.

About this author

Jon Gabay

About this publisher

Electronic Products

Electronic Products magazine and ElectronicProducts.com serves engineers and engineering managers responsible for designing electronic equipment and systems.