Radar Sensing for Driverless Vehicles
Contributed By DigiKey's European Editors
2016-11-02
Sensors are key components for a driverless vehicle. Being able to monitor the distance to a vehicle ahead, behind or to the side provides vital data for a central controller. Optical and infrared cameras, Laser, ultrasound and radar can all be used to provide data about the surroundings, the road and other vehicles. Cameras, for example, can be used to detect markings on the road to keep a vehicle in the correct lane. This is already used to provide lane-departure warnings in an Advanced Driver Assistance Systems (ADAS). Today’s ADAS systems also use radar for collision detection warnings and adaptive cruise control where a vehicle can follow the car in front.
Without the input of a driver, autonomous vehicles require many more sensor systems, often using multiple inputs from different sensors to provider a much higher level of assurance. These sensor systems are adapting from the proven ADAS implementations, although the system architecture is changing to manage the wider range of sensors and the higher data rates.
The cost of 24 GHz radar sensors is falling with the increased adoption of the ADAS systems that are used for adaptive cruise control and collision detection. These are now becoming a requirement for carmakers to achieve the highest five star NCAP safety rating in Europe.
The BGT24M 24GHz radar sensor from Infineon Technologies, for example, can be used with an external microcontroller in an electronic control unit (ECU) to modify the throttle to maintain a constant distance from the car in front with a range of up to 20 m, as shown in Figure 1.
Figure 1: An automotive radar sensing system from Infineon Technologies.
Many automotive radar systems use a pulse-Doppler approach, where the transmitter operates for a short period, known as the pulse repetition interval (PRI), then the system switches to receive mode until the next transmit pulse. As the radar returns, the reflections are processed coherently to extract range and relative motion of detected objects.
Another approach is to use continuous wave frequency modulation (CWFM). This uses a continuous carrier frequency that varies over time with a receiver on constantly. To prevent the transmit signal from leaking into the receiver, separate transmit and receive antennas have to be used.
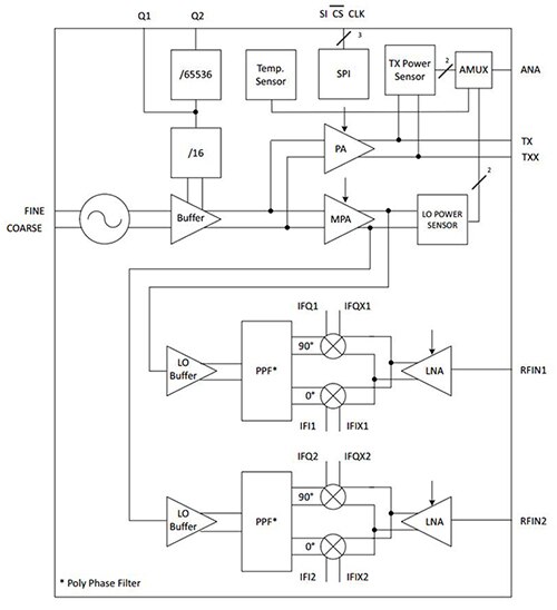
The BGT24MTR12 is a Silicon Germanium (SiGe) sensor for signal generation and reception, operating from 24.0 to 24.25 GHz. It uses a 24 GHz fundamental voltage-controlled oscillator and includes a switchable frequency prescaler with output frequencies of 1.5 GHz and 23 kHz.
An RC polyphase filter (PPF) is used for LO quadrature phase generation for the down conversion mixer, while an output power sensor as well as a temperature sensor are integrated into the device for monitoring.
Figure 2: The BGT24MTR12 radar sensor from Infineon Technologies.
The device is controlled via SPI and is manufactured in a 0.18 µm SiGe:C technology offering a cutoff frequency of 200 GHz and packaged in a 32 pin leadless VQFN package.
However, the architecture is changing for driverless vehicles. Instead of a local ECU, the data from the various radar systems around the vehicle are fed into a central high performance controller that combines the signals with those coming from cameras and perhaps from Lidar laser sensors.
The controller can be a high performance general-purpose processor with graphic control units (GCUs), or a field programmable gate array where the signal processing can be handled by dedicated hardware. This places more emphasis on the analog front-end (AFE) interface devices that have to handle higher data rates and more data sources.
The type of radar sensor being used is also changing. 77 GHz sensors are providing both longer range and higher resolution. A 77 GHz or 79 GHz radar sensor can be adapted in real time to provide long range sensing of up to 200 m in a 10° arc, for example for detecting other vehicles, but it can also be used in a wider, 30° sensing arc with a lower range of 30 m. The higher frequency gives higher resolution that allows the radar sensor system to distinguish between multiple objects in real time, for example detecting a number of pedestrians within that 30° arc, giving the controller for the driverless vehicle more time and more data.
The 77 GHz sensors use silicon germanium bipolar transistors with a 300 GHz oscillation frequency. This allows one radar sensor to be used for multiple safety systems such as headway alert, collision warning and automatic braking, and the 77 GHz technology is also more resistant to the vibration in the vehicle so that less filtering is required.
Application | Detection Range | Safety Aspect | Technology |
---|---|---|---|
Adaptive Cruise Control | 200 meters | Normal driving, accident avoidance | 77 GHz Radar |
Pre-Crash | 30 meters | Accident, mitigation of impact | 77 GHz Radar / 24 GHz Radar 76/81 GHz Radar |
Blind Spot Detection | 20 meters | Normal driving, accident avoidance | 77 GHz Radar / 24 GHz Radar / Vision Sensor |
Lane Departure Warning | 60 meters | Normal driving, accident avoidance | Vision Sensor |
Stop and Go | 30 meters | Normal driving, accident avoidance | 77 GHz Radar / 24 GHz Radar 76/81 GHz Radar |
Figure 3: The different use cases, by NXP, for radar sensors in driverless vehicles.
The sensors are used to detect the range, speed and azimuth of a target vehicle in the vehicle coordinate system (VCS). The accuracy of the data depends on precise alignment of the radar sensor.
A radar sensor alignment algorithm executes more than 40 Hz while the vehicle is running. In 1 ms it must calculate the misalignment angle based on data provided by the radar sensor, as well as the vehicle speed, the sensor’s position on the vehicle, and its pointing angle.
Software tools can be used to analyze recorded sensor data captured from road testing a real vehicle. This test data can be used to develop a radar sensor alignment algorithm that calculates sensor misalignment angles from raw radar detection and host vehicle speed using a least squares algorithm. This also estimates the computed angle’s accuracy based on the residual of the least squares solution.
System architecture
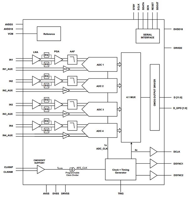
An analog front end such as the AFE5401-Q1 from Texas Instruments (Figure 4) can be used to link the radar sensor to the rest of the automotive system as in Figure 1. The AFE5401 includes four channels, with each channel comprising a low-noise amplifier (LNA), an optional equalizer (EQ), a programmable gain amplifier (PGA), and an anti-alias filter followed by a high-speed, 12-bit, analog-to-digital converter (ADC) at 25 MSPS per channel. The four ADC outputs are multiplexed on a 12-bit, parallel, CMOS-compatible output bus.
Figure 4: The four channels in the AFE5401 radar analog front end from Texas Instruments can be used for multiple sensors.
For a low-cost system, the AD8284 from Analog Devices provides an analog front end with a four-channel differential multiplexer (mux) that feeds a single channel low noise preamplifier (LNA) with a programmable gain amplifier (PGA) and an antialiasing filter (AAF). This also uses a single direct-to-ADC channel, all integrated with a single, 12-bit analog-to-digital converter (ADC). The AD8284 also incorporates a saturation detection circuit for high frequency overvoltage conditions that would otherwise be filtered by the AAF. The analog channel features a gain range of 17 dB to 35 dB in 6 dB increments, and an ADC with a conversion rate of up to 60 MSPS. The combined input referred voltage noise of the entire channel is 3.5 nV/√Hz at maximum gain.
The output of the AFE is fed into a processor or an FPGA such as the IGLOO2 or Fusion from Microsemi or Cyclone IV from Intel. This can implement the 2D FFT in hardware using the FPGA design tools to handle the FFT and provide the required data on surrounding objects. This can then be fed into a central controller.
A critical challenge for the FPGA is the detection of multiple objects, which is more complicated for CWFM architectures than pulse-Doppler. One way is to vary the duration and frequency of the ramps and evaluating how the detected frequencies move in the spectrum with different steepness of frequency ramps. As the ramp can be varied at 1 ms intervals, hundreds of variations can be analyzed per second.
Figure 5: The CWFM radar front end used with an FPGA from Intel.
The data fusion from other sensors can also help, as camera data can be used to discriminate between stronger returns from vehicles compared to weaker returns from people, and what sort of Doppler offset to expect.
Another option is multimode radar that uses CWFM to find targets at longer range on the highway, and short-range pulse-Doppler radar for urban areas where pedestrians are more likely to be detected.
Conclusion
The evolution of ADAS sensor systems for driverless vehicles is changing the way radar systems are implemented. Moving from the simpler collision avoidance or adaptive cruise control to all round detection is presenting a significant challenge. Radar is a very popular sensing technique that has become well established with automotive manufacturers and so is a leading technology for this approach. Bringing together higher frequency 77 GHz sensors with multi-mode CWFM and pulse-Doppler architectures, along with data from other sensors such as cameras is also presenting a significant challenge for the processing sub-systems. Solving these challenges in a safe, consistent and cost effective way is essential to the continuing development of autonomous vehicles.

Disclaimer: The opinions, beliefs, and viewpoints expressed by the various authors and/or forum participants on this website do not necessarily reflect the opinions, beliefs, and viewpoints of DigiKey or official policies of DigiKey.