用於電動車快速充電的碳化矽
快速充電直流站可以繞過車載充電器 (OBC),在短短 30 分鐘內為電動車 (EV) 充電,實現快速、直接的電池充電。
藉由以 Wolfspeed 碳化矽升級產品來取代傳統的矽元件,DC 快速充電器設計可以大幅提高系統效率、功率密度和可靠性。這些快速充電器設計通常由堆疊的功率轉換塊群組構成,每個功率轉換塊群組的功率為 20 kW 至 60 kW。
訂購產品一般會在 3-4個工作日內送抵香港 (視地點而定)。
訂購金額達 港幣$330或以上即可免費運送至香港。 訂單金額低於 港幣$330則需收取運費 港幣$125。
UPS、FedEx 或 DHL 運費預付: CPT (相關稅賦與關稅在送達時收取)
合格機構與公司的信用帳戶
電匯預先付款
![]()
![]()
![]()
![]()


來自完整授權夥伴的更多產品
平均到貨時間為 1 至 3 天,可能需支付額外運費。 請參見產品頁面、購物車與結帳畫面瞭解實際的運送時程。
國貿條規:CPT (關稅和適用的 VAT/稅賦會在送達時收取)
如需更多資訊,請造訪說明與支援
快速充電直流站可以繞過車載充電器 (OBC),在短短 30 分鐘內為電動車 (EV) 充電,實現快速、直接的電池充電。
藉由以 Wolfspeed 碳化矽升級產品來取代傳統的矽元件,DC 快速充電器設計可以大幅提高系統效率、功率密度和可靠性。這些快速充電器設計通常由堆疊的功率轉換塊群組構成,每個功率轉換塊群組的功率為 20 kW 至 60 kW。
* 與競爭矽解決方案相比,碳化矽的優勢
Wolfspeed 碳化矽 (SiC) 電源模組可以使用更少的元件,以非常高的效率 (97.0% 峰值) 實現更簡單的快速充電電路拓撲,切換頻率超過兩倍 (45-250 kHz)。更高的頻率允許使用更小的磁性元件和電容,這又能讓系統更小、更輕、成本更低。
Wolfspeed WolfPACK™ FM3 和 GM3 電源模組非常適合中功率應用,包括 EV 快速充電。
這些模組採用 MOSFET 半橋和 6-pack 配置,具有多種 mΩ 選項。這些元件採用無底板設計、緊湊的覆蓋區、壓合引腳,提供高效、強大的效能,同時讓系統佈局可直接用於設計和組裝過程。
產品系列包括高效能氮化鋁 (AlN) 基板模組,與氧化鋁相比,可將熱阻降低超過 50%,並提供高 7 倍的熱傳導係數。
| 25°C 時的 R(ON) | 產品 SKU | 組態 | 封裝 | 阻斷電壓 |
|---|---|---|---|---|
| 11 mΩ | CAB011M12FM3 | 半橋 | FM3 | 1200 V |
| 16 mΩ | CAB016M12FM3 | 半橋 | FM3 | 1200 V |
| 21 mΩ | CCB021M12FM3 | 6-pack | FM3 | 1200 V |
| 32 mΩ | CCB032M12FM3 | 6-pack | FM3 | 1200 V |
| 6 mΩ | CAB006M12GM3 | 半橋 | GM3 | 1200 V |
| 8 mΩ | CAB008M12GM3 | 半橋 | GM3 | 1200 V |
| 6 mΩ | CAB006A12GM3 | 半橋 (AlN 基板) |
GM3 | 1200 V |
| 8 mΩ | CAB008A12GM3 | 半橋 (AlN 基板) |
GM3 | 1200 V |
CRD25AD12N-FMC 公版設計展示了 Wolfspeed 的 WolfPACK™ 電源模組應用方式,能打造出可應用於電動車 (EV) 快速充電的雙向高功率密度主動前端 (AFE)。
此設計非常適合透過交錯多個 25kW AFE,擴大到更高的功率。使用具有隔離式基板的單個電源模組,即可透過常用的熱管理技術來簡化系統設計。
完整的堆疊包括:Wolfspeed 模組、Skyworks Si823H-AAWA-KIT 閘極驅動器、散熱片、磁性元件、電源 PCB、電壓/電流感測器、控制器。
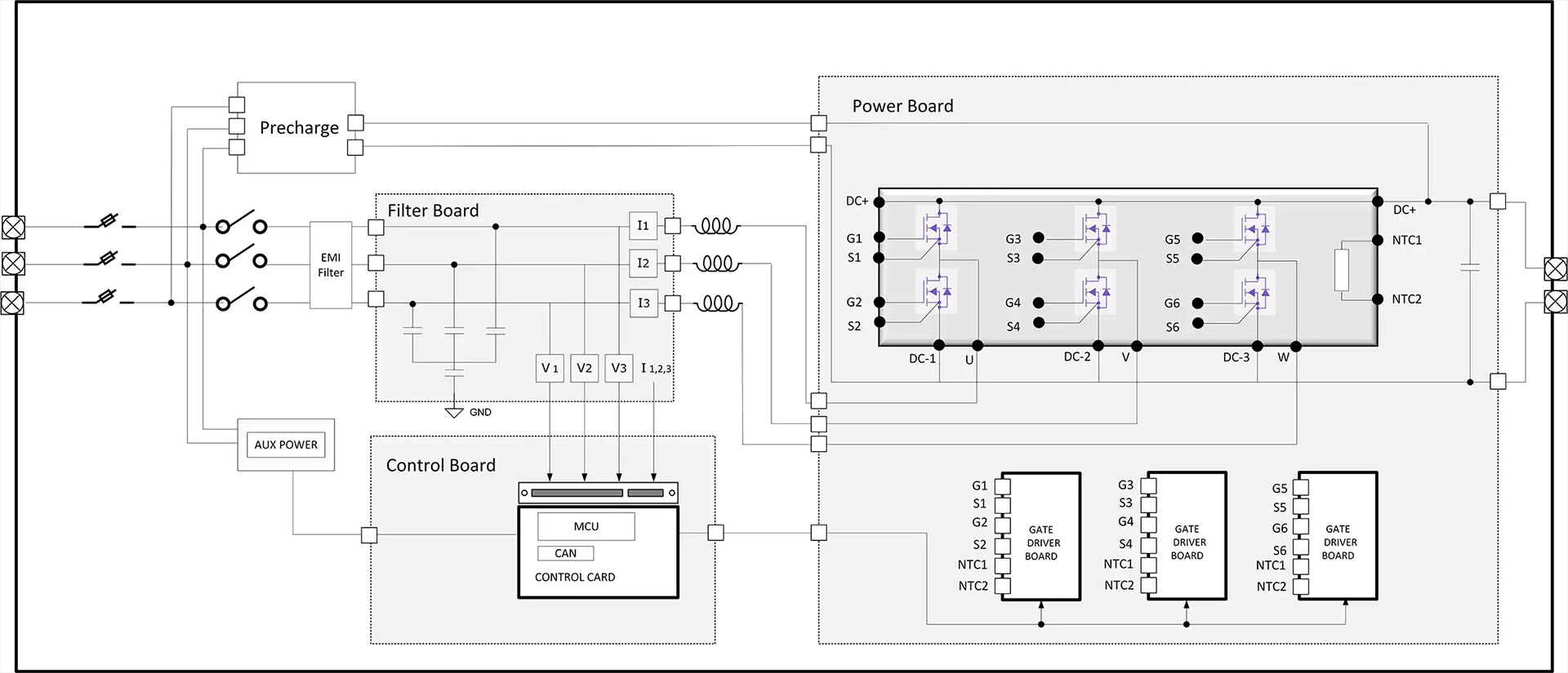
圖 1:EV 快速 DC 充電器的電源轉換器簡化方塊圖。
圖 2:具有 Wolfspeed WolfPACK™ 電源模組的 25kW 雙向 AC/DC AFE,適用於快速 DC 充電器設計。
Skyworks 的隔離產品可靠、高效能且堅固耐用。我們的隔離解決方案部署了超過十億個通道、擁有十多年的成熟技術,深受全球工業、汽車客戶的信賴。
Skyworks 的 Si823Hx 閘極驅動器板旨在與 Wolfspeed 的箝位電感式負載評估板連接,以對 Wolfspeed WolfPACK™ 模組進行動態測試。
此板採用 Si823H2x 雙通道閘極驅動器,內建失效時間控制和重疊保護,可安全驅動模組。它還使用內建 DC-DC 轉換器的 Si88421x 數位隔離器來隔離溫度回授,並提供板載隔離式閘極電源供應器。使用者可設定的閘極電阻、狀態 LED、測試點讓評估和原型設計變得簡單又有效。
現在就取得評估、最佳化 Wolfspeed WolfPACK™ FM3 和 GM3 碳化矽電源模組切換效能所需的工具。
| 零件編號 | CIL 板 | 差動 收發器 |
Skyworks 閘極驅動器 |
Wolfspeed 閘極驅動器 |
|---|---|---|---|---|
| CAB011M12FM3 | KIT-CRD-CIL12N-FMA | CGD12HB00D | Si823H-AAWA-KIT | CGD1700HB2M-UNA |
| CAB016M12FM3 | KIT-CRD-CIL12N-FMA | CGD12HB00D | Si823H-AAWA-KIT | CGD1700HB2M-UNA |
| CCB021M12FM3 | KIT-CRD-CIL12N-FMC | CGD12HB00D (3pcs) | Si823H-ABWA-KIT (3pcs) | CGD1700HB2M-UNA (3pcs) |
| CCB032M12FM3 | KIT-CRD-CIL12N-FMC | CGD12HB00D (3pcs) | Si823H-ABWA-KIT (3pcs) | CGD1700HB2M-UNA (3pcs) |
| CAB006M12GM3 | KIT-CRD-CIL12N-GMA | CGD12HB00D | Si823H-ABWA-KIT | CGD1700HB2M-UNA |
| CAB008M12GM3 | KIT-CRD-CIL12N-GMA | CGD12HB00D | Si823H-ABWA-KIT | CGD1700HB2M-UNA |
| CAB006A12GM3 | KIT-CRD-CIL12N-GMA | CGD12HB00D | Si823H-ABWA-KIT | CGD1700HB2M-UNA |
| CAB008A12GM3 | KIT-CRD-CIL12N-GMA | CGD12HB00D | Si823H-ABWA-KIT | CGD1700HB2M-UNA |
請造訪本網站的「說明與支援」,取得訂購、出貨、運送等相關資訊。
已註冊使用者可在帳戶的下拉式選單中追蹤訂單狀態,或按此查看。 *訂單狀態可能要在下訂單後 12 小時才會更新。
使用者可在退貨頁面中開始辦理退貨流程。
已註冊使用者可在 myLists 中建立報價單。
請前往註冊頁面,然後填入必要資訊。 註冊完成後,會收到確認電子郵件。
訂購產品一般會在 3-4個工作日內送抵香港 (視地點而定)。
訂購金額達 港幣$330或以上即可免費運送至香港。 訂單金額低於 港幣$330則需收取運費 港幣$125。
UPS、FedEx 或 DHL 運費預付: CPT (相關稅賦與關稅在送達時收取)
合格機構與公司的信用帳戶
電匯預先付款
![]()
![]()
![]()
![]()


來自完整授權夥伴的更多產品
平均到貨時間為 1 至 3 天,可能需支付額外運費。 請參見產品頁面、購物車與結帳畫面瞭解實際的運送時程。
國貿條規:CPT (關稅和適用的 VAT/稅賦會在送達時收取)
如需更多資訊,請造訪說明與支援
感謝您!
時常檢查您的收件匣,取得 DigiKey 的最新消息與通知!
請輸入電子郵件地址
請勾選核取方塊