具有直通模式的 RAA48930x 三級降壓控制器
Renesas RAA48930x 高效能降壓控制器是專為 USB-C® 電源解決方案而設計
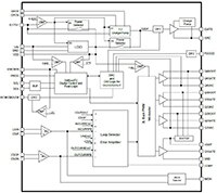
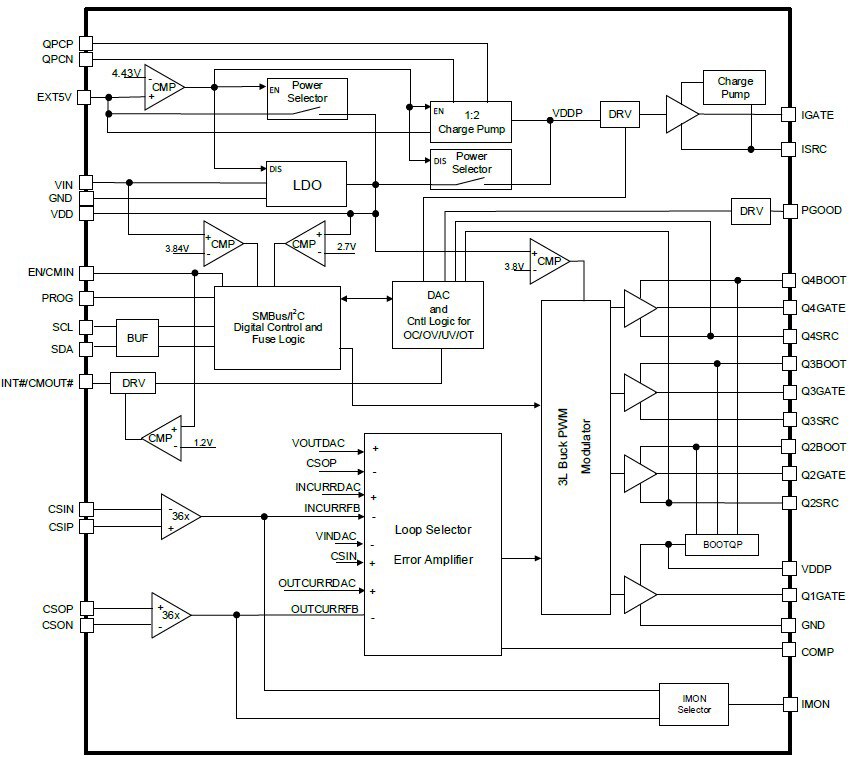
Renesas RAA48930x 高效能降壓控制器是專為三級降壓拓撲而設計。此拓撲結構具有出色的效率,並大幅降低輸出電壓調節所需的電感值。其創新的設計可將功率損耗降至最低,並縮小系統尺寸,非常適合用於小型且高效能的應用。此外,控制器可在整個輸出電壓範圍內實現順暢的切換模式轉換。
先進的 Renesas R3™ 技術可實現高效率的輕載運作、快速暫態響應,以及在非連續導通模式 (DCM) 與連續導通模式 (CCM) 之間的順暢轉換,提升整體效能。
RAA48930x 非常適合需要多樣化輸入來源的應用,例如高功率筒狀配接器、USB 電力傳輸 (USB PD) 配接器。對於 USB PD 應用,它符合 PD 規範,並支援可編程電源 (PPS) 及可調式電壓供應 (AVS) 運作。獨立的輸入與輸出電壓及電流控制迴路可確保精準度、安全性、靈活性。
此元件具備順向、逆向的直通模式 (PTM),在輸入與輸出電壓相同時,可將效率最大化。因此,它特別適用於需要高效率、低功率損耗的應用。
除了核心功能外,RAA48930x 還包含隔離 MOSFET 控制、可調式輸出電壓等系統級功能。其強大的保護機制包括過流保護 (OCP)、過壓保護 (OVP)、欠壓保護 (UVP)、過熱保護 (OTP),確保在各種條件下的可靠性與安全運作。
該控制器亦支援透過 SMBus/I2C 的序列通訊,可對關鍵參數進行編程,以達到客製化效能。可自訂的參數包括最小輸入電壓、最大輸出電壓、輸入電流限制、輸出電流限制,為不同的應用提供靈活性與適應性。
- 單電感三級降壓控制器
- 獲得專利的調變器,用於飛馳電容平衡及平順模式轉換
- 寬廣的輸入電壓範圍:4.5 V 至 57.6 V
- 寬廣的輸出電壓範圍:3 V 至 54.912 V
- 可編程切換頻率:高達 400 kHz (切換節點有效頻率為 800 kHz)
- EXT5V 引腳透過內部電荷幫浦產生 5 V 或 10 V 閘極驅動電壓
- 低關斷電流:25 µA
- 順向、逆向的 PTM
- 支援預先偏壓式輸出,並具備軟啟動功能
- 輸入、輸出電流監測
- 保護功能:OCP、OVP、UVP、OTP
- 相容於 SMBus 及 I2C
- 4 mm × 4 mm 32 引線 TQFN 封裝
- CPU 電源軌系統的預穩壓器
- USB PD 3.0/3.1 系統
- 機器人與無人機
- 保全監視
- 醫療設備
RAA48930x 3-Level Buck Controller with Passthrough Mode
| 圖片 | 製造商零件編號 | 說明 | 現有數量 | 價格 | 查看詳情 | |
|---|---|---|---|---|---|---|
![]() | ![]() | RAA489300A3GNP#AA0 | IC REG CTRLR BUCK 32-TQFN | 0 - 即時供貨 | $119.96 | 查看詳情 |
![]() | ![]() | RAA489301A3GNP#AA0 | 3-LEVEL BUCK OR 2-LEVEL BUCK VOL | 0 - 即時供貨 | $111.42 | 查看詳情 |
![]() | ![]() | RAA489301ARGNP#HA0 | 3-LEVEL BUCK OR 2-LEVEL BUCK VOL | 0 - 即時供貨 | $60.19 | 查看詳情 |
![]() | ![]() | RAA489300ARGNP#HA0 | RAA489300ARGNP#HA0 | 0 - 即時供貨 | $65.16 | 查看詳情 |
![]() | ![]() | RAA489300A3GNP#HA0 | IC REG CTRLR BUCK 32-TQFN | 0 - 即時供貨 | $71.61 | 查看詳情 |
Evaluation Board
| 圖片 | 製造商零件編號 | 說明 | 現有數量 | 價格 | 查看詳情 | |
|---|---|---|---|---|---|---|
![]() | ![]() | RTKA489300DE0000BU | EVAL BOARD FOR RAA489300 | 4 - 即時供貨 | $2,203.09 | 查看詳情 |






