MIC37110/112 and MIC37120/122 LDOs

High-performance, low-noise, low dropout regulators from Microchip

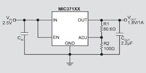
Image of Micrel's MIC37110/112 and MIC37120/122 LDOsMicrochip's MIC37110/112 and MIC37120/122 are high-performance, low-noise, low dropout regulators. Each of these LDOs is capable of sourcing 1 A output current, offers high power supply rejection, and low output noise. These general purpose LDOs are most suitable for consumer applications such as multimedia devices, set-top boxes, Blu-ray players, handheld devices, and gaming consoles.

The MIC37112 and MIC37122 feature adjustable output voltages while the MIC37110 and MIC37120 come in fixed 1.8 V output voltage options. All devices feature 2% initial output voltage accuracy, a typical dropout of 230 mV at 1 A, and low ground current.

This family of low-noise regulators is available in 2 mm x 2 mm Thin MLF®, SOIC-8 and SOT-223 packages. Additionally, they all have an operating junction temperature range of -40°C to +125°C.

Features
  • Input voltage range: 2.375 V to 5.5 V
  • ±2.0% initial accuracy
  • Low ground current
  • High PSRR: >60 dB, up to 1 kHz
  • 230 mV typical dropout at 1 A
  • 1 A minimum guaranteed output current
  • Output voltage adjustable down to 1.0 V (MIC37112/MIC37122)
  • Stable with small 2.2 µF ceramic output capacitor
  • Output auto-discharge circuit (MIC37120/MIC37122)
  • Thermal-shutdown and current-limit protection

MIC37110-112 and MIC37120-122 LDOs

圖片製造商零件編號說明現有數量價格
IC REG LINEAR 1.8V 1A 8-SOICMIC37110-1.8YM-TRIC REG LINEAR 1.8V 1A 8-SOIC0 - 即時供貨$2.78查看詳情
EVAL BOARD FOR MIC37122MIC37122YMT-EVEVAL BOARD FOR MIC371224 - 即時供貨$161.26查看詳情
EVAL BOARD FOR MIC37122MIC37122YM-EVEVAL BOARD FOR MIC371220 - 即時供貨$162.97查看詳情
發佈日期: 2012-06-29