S-82D9/F9 電池監測 IC (簡易電池電量顯示 IC)

ABLIC 這款電池監測 IC 無需微控制器即可運行,可降低電池電壓監測功能的功耗

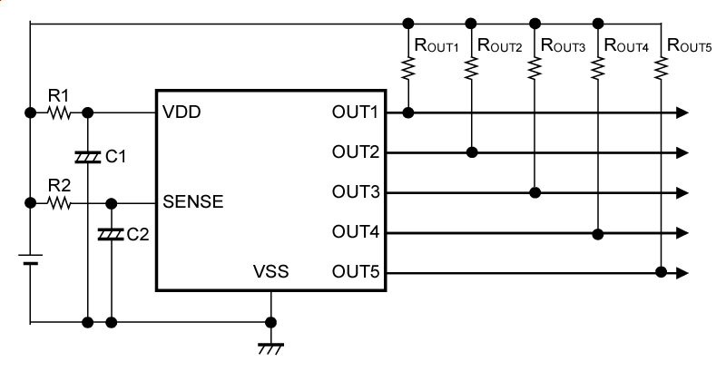
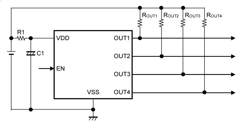
Ablic S-82D9/F9 電池監測 IC 的圖片ABLIC S-82D9/82F9 系列電池監測 IC 可以點亮四個或五個 LED 並監測電壓,提供簡單的燈號來顯示剩餘的電池電量。將多個電壓監測功能整合到單一顆 IC 中有助於節省系統中的空間。此外,無需微控制器即可運行,降低電池電壓監測的功耗。

S-82F9/82D9 系列提供 EN (致能) 和 SENSE 引腳之間的選擇,使其成為能在各種裝置中簡單顯示電池電量的理想選擇。

提供兩種 LED 照明方式:「充滿電全亮」和「每一階電壓亮」,使用者可以根據他們的應用選擇最佳的選項。

特點
  • 偵測電壓準確度:±1.0%
  • 遲滯特性:
    • S-82F9 系列:VHYS1(S) 至 VHYS5(S) = 0 mV、50 mV、300 mV、400 mV 和 500 mV
    • S-82D9 系列:VHYS1(S) 至 VHYS4(S) = 0 mV、50 mV、300 mV、400 mV 和 500 mV
  • 電流消耗:
    • 工作期間:IIDD1 = 10μA (最大值)
    • 關機期間:IIDD2 = 0.1 μA (最大值)
  • 工作電壓範圍:VDD = 3.6 V 至 24 V
  • 偵測電壓:
    • S-82F9 系列:VDET1(S) 至 VDET5(S) = 7.5 V 至 21.5 V (每階 0.1 V)
    • S-82D9 系列:VDET1(S) 至 VDET4(S) = 7.5 V 至 21.5 V (每階 0.1 V)
  • 輸出形式:N 通道開汲極輸出
  • 輸出邏輯:充滿電全亮和每一階電壓亮
  • SENSE 引腳關機電壓 : VSENSE 小於 0.3 V (S-82F9B/S-82D9B 系列)
  • 電壓偵測引腳
    • S-82F9A/D9A系列:VDD 引腳
    • S-82F9B/D9B系列:SENSE 引腳
  • 工作溫度範圍:TA = -40°C 至 +85°C
  • 無鉛 (Sn 100%) 且無鹵素
應用
  • 充電式鋰離子電池組

S-82D9/F9 Battery Monitoring ICs

圖片製造商零件編號說明現有數量價格查看詳情
BATTERY MONITORING ICS-82D9AAA-S8T1UBATTERY MONITORING IC100 - 即時供貨$12.97查看詳情
BATTERY MONITORING ICS-82F9AAA-S8T1UBATTERY MONITORING IC100 - 即時供貨$16.01查看詳情
發佈日期: 2025-09-29