10w
when“
V ”MW
v.
WW— 7 mm w W
mm ”2
son
Micrel, Inc. MIC2251
April 2011 9 M9999-041811-B
Application Information
Overview
The MIC2251 Boost Regulator utilizes a combination of
PFM & Current Mode Control to achieve very high
efficiency over a wide range of output load. This
innovative design is the basis for the regulator’s high
efficiency, excellent stability, and self compensation
technique. The boost regulator performs a power
conversion that results in an output voltage that is
greater than the input. Operation starts with activating an
internal MOSFET switch which draws current through
the inductor (L1). While one end of the inductor is fixed
at VIN, the other end is switched up and down. While the
switch is on, the current through the inductor increases.
When the switch is off the inductor current continues to
flow through the output diode.
The current flow imposes a voltage across the inductor,
which is added to VIN to produce a higher voltage VOUT.
At low power levels (typically less than 1W), the period
varies between switching cycles, indicative of Pulse
Frequency Modulation (PFM). As the output power
increases beyond approximately 1W, the period between
switching cycles continues to decrease and the power
(switch current) delivered with each cycle increases
indicative of Current Mode control.
PFM Regulation
The error amplifier compares the regulator’s reference
voltage with the feedback voltage obtained from the
output resistor voltage divider network. The resulting
error voltage acts as a correction input signal to the
control block. The control block generates two signals
that turn on and off the output MOSFET switch. An
increase in load current causes VOUT and VFB to
decrease in value. The control loop then changes the
switching frequency to increase the energy transferred to
the output capacitor to regulate the output voltage. A
reduction in load causes VOUT and VFB to increase. Now
the control loop compensates by reducing the effective
switching frequency, thus reducing the amount of energy
delivered to the output capacitor in order to keep the
output voltage within regulation.
Current Mode Regulation
The control block’s oscillator starts the cycle by setting
the MOSFET switch control flip flop. The switch then
turns on. This flip flop is reset when the switch current
ramp reaches the threshold set by the error amplifier. If
the error amplifier indicates that VFB is either too high or
too low, then the threshold for the comparator measuring
the switch current is appropriately adjusted to bring VOUT
back to within regulation limits. The level of the error
signal also sets the off time of the switch. A higher error
signal (output voltage is low) will reduce off time to
increase energy transfer to the output. A lower error
signal (output voltage is high) will conversely, increase
off time to reduce energy transfer to the output.
Component Selection
Resistors
An external resistive divider network (R1 and R2) with its
center tap connected to the feedback pin sets the output
voltage. The appropriate R1 and R2 values for the
desired output voltage are calculated by:
⎟
⎟
⎠
⎞
⎜
⎜
⎝
⎛−
=
1
1.24V
V
R1
R2
OUT
Large resistor values are recommended to reduce light
load operating current, and improve efficiency. The table
below gives a good compromise between quiescent
current and accuracy. Additionally, a feedforward
capacitor (CFF) (placed in parallel with R1) may be added
to improve transient performance. Recommended values
are suggested below:
VOUT Suggested R1 CFF
5V to 10V 100k 4.7nF
10V to 15V 240k 2.2nF
15V to 37V 1M 470pF
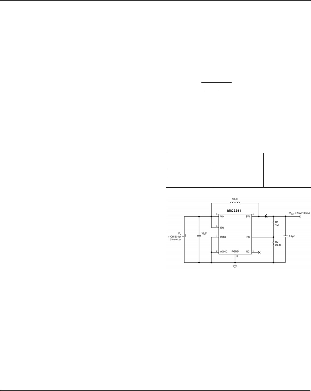
Figure 1. Typical Application Circuit
Inductor
Inductor selection is a balance between efficiency,
stability, cost, size, and rated current. For most
applications, inductors in the range 4.7uH to 22uH are
recommended. Larger inductance values reduce the
peak-to-peak ripple current, thereby reducing both the
DC losses and the transition losses for better efficiency.
The inductor’s DC resistance (DCR) also plays an
important role. Since the majority of the input current
(minus the MIC2251 operating current) is passed
through the inductor, higher DCR inductors will reduce
efficiency at higher load currents. Figure 2 shows the
comparison of efficiency between a 140mΩ DCR, 4.7uH
inductor and a 190mΩ DCR, 10uH inductor. The switch