聞聞空氣:監測空氣品質和安全的感測器
資料提供者:DigiKey 歐洲編輯群
2014-05-08
微粒和有毒氣體等空氣污染物質目前已知對人體健康有所危害。 另一方面,工業用途的甲烷或丙烷等高濃度氣體,或是燃燒不全所產生的一氧化碳,都具有立即的安全危險性。 為了解決這些問題,屋主、商業大樓或工業廠房的經營者、市議會、環境機構等許多團體都需採用能監測空氣品質並偵測多種氣體的設備。
空氣汙染研究
根據世界衛生組織 (WHO) 的研究,空氣汙染與發生疾病和死亡的程度密切相關,尤其是懸浮微粒 (PM) 造成的汙染。 最大不到 10 或 25 微米的微粒(分別稱為 PM10 和 PM25),會對健康構成極大威脅。 這種尺寸的微粒是由路面車輛和其他居家與工業活動所排放,有些亦來自於自然界,如土壤或砂子。 無論是已開發或開發中國家的人民都可能暴露在高程度的 PM 汙染中。歐洲環境總署的一份 2012 年報告指出,超過 80% 的歐盟都會人口所暴露的 PM 程度超出 WHO 在 2005 年所制訂的空氣品質準則。
市政府單位為此感到壓力,必須提升空氣品質。 因此已經採取多樣交通相關層面的機制,減少市中心車輛排放造成的影響。 許多城市祭出塞車稅以降低交通量,有些則採用其他研究和作法,包含由英國的伯明罕和科芬特里市議會進行的氫燃料電池車實驗,以及倫敦試行的電動車無線充電,最終目標在於為廣泛使用電動車建立可行的基礎設施。 準確的空氣品質數據能提供重要資訊,讓專家評估這些行動的成果。
空氣品質監測
在室內空氣品質 (IAQ) 方面,居家和辦公室使用空氣清淨機已經行之有年。 近來,高階系統進入市場後,更納入智慧型感測器以監測空氣品質。 空氣品質資訊會透過螢幕顯示給使用者,並可藉此調整清淨機,達到清除多種氣體的最佳效果,並可清除微粒,如小毛髮、灰塵以及香菸煙霧。
Sharp 的 GP2Y1010 灰塵感測器,可透過紅外線 LED 和光電電晶體量化周圍環境中的微粒。 空氣樣本會穿透感測器外殼的一連串小洞進行監測,這些小洞位於紅外線 LED 和偵測器上方,如圖 1 所示。

微粒穿過感測器時,光電電晶體的響應會指出樣品中的微粒濃度。 此感測器的一項重要優勢在於能產生與微粒濃度成比例的輸出(單位:µg/m³)。 這種微粒濃度的描述法廣泛用於空氣品質監測應用,因此有助於簡化空氣品質監測系統的設計。
大樓使用者排放的二氧化碳 (CO2) 也會對空氣品質造成重大影響,尤其是辦公室大樓等大型商業場所。 準確、即時的 CO2 偵測能有效控制空調或通風系統,達到最佳空氣品質,並且將大樓的整體能耗降至最低。Amphenol Advanced Sensors 的 Telaire CO2 感測器,如 T6613 和 T6615,能讓 HVAC 系統提供依需求控制的通風 (DCV) 功能。 若場所內有眾多人群,DCV 系統的感測器會偵測 CO2 濃度上升程度。 通風系統只有在濃度達到預設的閾值時才會啟動,然後在濃度降至可接受的程度時會再次關閉。 若大樓內人群較少,系統啟動的頻率會減少,有助於防止大樓過度通風。 這可降低通風系統的能耗與暖氣費。
Telaire 感測器採用非分散式紅外線 (NDIR) 技術偵測 CO2 的濃度,這是基於 CO2 分子會吸收紅外線光特定波長的原理。 每個感測器皆含有紅外線光源、專利波導、客製化設計紅外線濾鏡以及微機械熱電堆偵測器,可量測光吸收,藉此計算 CO2 的濃度。 T6613 感測器採用 GE 的專利 ABC Logic™ 自我校準演算法,能讓感測器在參考低人數位準下保持校準。 T6615 感測器是雙通道裝置,具有獨立的量測和參考通道,因此無需使用 ABC Logic 即可自動維持長期校準。
工業用氣體偵測
在工業環境中,包含化學加工、礦業和製造,若有可燃性或爆炸性氣體(如丙烷或甲烷)洩漏,或是具有其他潛在性危險的氣體(如一氧化碳),會對安全造成威脅,必須立即偵測到。
歐洲 ATEX 指令規定,雇主不僅須在工作場所中的可能會潛在爆炸性環境中採取爆炸預防措施,還要為員工提供足夠的保護。 此外,1999/92/EC 指令規定(此最低要求,旨在針對位於可能爆炸之環境中的員工提升其安全和人身保護),在發生爆炸情況前,必須用光線和/或聲響形式警告員工,並且加以撤離。
符合 BS EN 60079-29-1:2007 可燃性氣體偵測器效能要求和 IEC/EN60079-1 基本安全要求 (ESR) 的合適氣體偵測設備可依據 ATEX 標準獲得認證。 也適用 EN50402 和 EN61508 安全完整性等級 (SIL) 標準 。
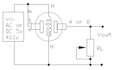
Parallax 提供多種感測器,可應用在偵測有害氣體的裝置和系統,並可用於工業或居家應用。 Parallax 的 605-00008 氣體感測器便是其中一例,適合用來偵測液化石油氣 (LPG)、異丁烷、丙烷、甲烷、乙醇、氫氣,也可用於煙霧偵測。 此感測器包含一個小型氧化鋁 (Al2O3) 管、一個二氧化錫 (SnO3) 感測層、一個量測電極以及一個加熱器。 此加熱器能讓感測零件維持在正確的操作溫度。 連接電路後(如圖 2 所示),感測器的電阻會隨著偵測到的氣體濃度而改變。
若濃度超過預設程度,正確校準的 605-00008 感測器能用來觸發警報。 Parallax 建議,偵測器應針對空氣中的液化石油氣校準在 1000 ppm,或針對異丁烷校準在 1000 ppm,且負載電阻 (RL) 應設定在 5 kΩ 和 47 kΩ 之間。 為了達到準確設定,溫度和濕度的影響也必須納入考量。 氣體靈敏度特性以及溫度/濕度依存性的詳細資訊載於感測器規格書中。

鍋爐燃燒控制器或飛機的製氧機等其他應用,皆需要準確偵測氧氣流量,確保設備正確操作。 Honeywell 的 KGZ10 等氧氣感測器,能在此類應用中提供長期服務壽命。
此感測器含有兩個二氧化鋯 (ZrO2) 碟片,碟片之間具有小型氣密腔室。 其中一片碟片的作用是可反轉氧氣幫浦,可有效填充和排空腔室。 另一片碟片會量測微粒壓差比率,並且產生對應的感測電壓。 感測器上的加熱元件會產生 ZrO2 所需的 700°C 操作溫度。 與替代電化學感測器不同的是,這些氧化鋯架構感測器無需參考氣體,因此能提供更高的準確性和耐用性。
KGZ-10 感測器是由電子量測電路操作,此電路會控制感測器的操作和訊號處理。 設計人員可以將此電路納入其設計的硬體,或者採用 Honeywell 的 Oxymac、Elecdit 或 DE800 介面。 這些介面板具有操作和讀取感測器所需的所有功能,包含加熱元件控制電路,並且支援功能性測試和校準。 此板的訊號處理區塊會針對測得的氧氣含量,以電壓或電流形式產生線性輸出。 DE800 板整合加熱器的電源供應器,Oxymac50 和 Elecdit 板則需外接加熱器的電源供應器。
結論
氣體和微粒感測器在量測空氣品質以及維護大眾和個人健康層面上扮演重要的角色,並且也是危險警報和流程控制器等工業安全系統中非常重要的元件。 測量空氣品質的耐用型感測器亦可針對內有大量人群的辦公室或其他建築物,有效協助其降低營運成本和環境足跡。
聲明:各作者及/或論壇參與者於本網站所發表之意見、理念和觀點,概不反映 DigiKey 的意見、理念和觀點,亦非 DigiKey 的正式原則。

