簡化可攜式低功率音訊電路設計 — D 類放大器
資料提供者:DigiKey 北美編輯群
2018-10-31
本文將說明多種音訊放大器之間的差異,詳細介紹 D 類放大器的工作原理,並說明其如何提高能效、降低功率需求以及縮小尺寸。
手機與可攜式 IoT 裝置的音訊電路須具備低功率、小尺寸和低散熱需求等關鍵特性。然而,音訊放大器通常是效率不佳的發熱體,需要配備較佔空間的散熱片。為了縮小尺寸和降低功率需求,D 類或數位放大器提供良好的解決方案。
D 類放大器之於音訊播放的優點,正如切換式電源供應器為電源帶來的優點。藉由 D 類放大器,音訊輸入會編碼為脈寬調變 (PWM) 訊號,可驅動電源裝置進行開關切換,且僅在切換時耗散功率。
這些「數位」放大器可大幅提升音訊放大器的能效,從而降低散熱需求並縮小實體尺寸。此外,近期的技術進展亦改變調變機制,因此輸出端不再需要低通濾波器,可進一步縮小尺寸和降低複雜度。
類比功率放大器
類比功率放大器的開發工作,一直著重於增進傳真度,並且提升放大器的能效。根據操作點或偏移點,以及輸入訊號傳導與週期之間的比率,放大器可分類為 A、B、AB 或 C 類 (圖 1)。

圖 1:A、B、AB 和 C 類類比放大器的操作偏移與訊號傳導。(圖片來源:DigiKey)
A 類放大器 (左上) 會在整個輸入訊號週期全程傳導。其偏移點位於輸入-輸出操作特性的中點。此類放大器的訊號傳真度非常出色,但即便沒有任何輸入訊號,也始終處於開啟狀態,因此效率通常較低。
B 類放大器 (左下) 可在截止時偏移放大器,藉此提高能效。此類放大器僅會在半個輸入週期內傳導。通常,電路會配置為推挽式拓撲,以放大正向與負向輸入轉換。在無訊號的情況下,放大器不會傳導,因此可提升自身的能效。由於輸入極性轉換點可能會發生交越失真,造成傳真度損失,因此會抵消這一項優勢。
若想解決交越失真問題,只需稍微上移放大器的偏移點即可。AB 類放大器就是如此誕生 (右上)。此類放大器通常也用於推挽式配置。AB 類放大器是音訊功率應用中最常用的類型。
C 類放大器 (右下) 僅會在輸入週期的少許時間內進行傳導。其特點是能效高,但傳真度低。此類放大器可應用於 RF 功率設計,在此設計中,輸出負載為諧振電路,可用來復原正確波形。
提升這些類比放大器效率的相關策略,著重於盡可能將放大器的導通階段縮短到最短的持續時間,如 C 類放大器所示。
D 類放大器基礎知識
D 類放大器採取不同的做法,其運作方式比較接近於切換式電源供應器 (圖 2)。

圖 2:D 類放大器將類比輸入轉換為 PWM 波形,以完全開啟或關閉 FET 開關。輸出低通濾波器可在揚聲器端復原類比波形。(圖片來源:DigiKey)
D 類放大器將類比輸入訊號轉換為脈寬調變 (PWM) 波形。PWM 波形會針對每個脈衝驅動推挽式 FET 輸出級,將其完全開啟或關閉。當其中一個 FET 開啟,通過的電流很高,但上方的電壓卻很低,因此僅會在短暫的開關狀態轉換期間耗散功率。同樣地,當 FET 關閉時,上方的電壓很高,但電流則趨近於零。此時,除了狀態轉換期間之外,都不會耗散任何功率。
將類比波形套用到比較器的一個輸入,同時以所需的切換頻率,將三角形或斜坡波形套用到另一個輸入,即可將類比波形轉換為 PWM 波形 (圖 3)。上方跡線代表套用到比較器一個輸入的輸入波形,在本例中為 10 kHz 的正弦波。中間跡線是套用到比較器另一個輸入的 250 kHz 三角波。比較器的輸出為 PWM 波形,如下方跡線所示。脈寬會隨著輸入訊號的振幅而變化。

圖 3:從類比輸入建立 PWM 訊號需要使用輸入訊號 (上方) 以及三角形或斜坡函數 (中間)。接著會將這兩個訊號都套用到比較器的輸入來產生 PWM 訊號,其脈寬會根據輸入訊號的振幅而變化 (下方)。(圖片來源:DigiKey)
FET 推挽式功率級的輸出亦為 PWM 訊號。此訊號會套用到簡易型電感-電容 (L-C) 低通濾波器,以復原放大的類比波形。三角波的頻率必須遠高於低通濾波器的角頻率。
PWM 的替代選擇為脈衝密度調變 (PDM)。PDM 使用一系列短暫的矩形脈衝,其密度會隨著類比輸入振幅函數而變化。PDM 是使用三角積分調變而生成。
D 類放大器的增益會受到匯流排電壓的影響。雖然其電源拒斥比欠佳,但可使用放大器周圍的回授加以修正。如圖 2 的方塊圖所示,回授是取自濾波器的輸入。
D 類放大器的主要優點是具有約 90% 的高能效。此表現大幅領先最接近的類比競品 AB 類放大器,其能效介於 50% 至 70%。
高能效可促成更小的實體尺寸,並帶來摒棄散熱片和散熱風扇的可能性。若應用到可攜式裝置,能效越高即表示電池續航力越持久。能效會直接隨著輸出功率位準而變化,並隨功率下降而降低。
D 類放大器拓撲
D 類放大器一般使用兩種拓撲,其中一種較簡易的是半橋電路,如圖 4 所示。

圖 4:兩種常用的 D 類拓撲為半橋與全橋配置。(圖片來源:DigiKey)
全橋拓撲亦稱為橋接式負載 (BTL),其優勢是能在與半橋配置相同的供應電壓下,提供更高的輸出功率。半橋會在正電源軌或負電源軌之間產生濾波器輸入擺動,而 BTL 電路則同時在正負軌之間具有負載,導致施加到負載的電壓加倍,因此達到四倍的功率輸出。BTL 電路亦支援使用單極電源供應器。
無濾波器 D 類放大器
使用傳統的 D 類切換系統 (稱為 AD 調變) 時,工作週期會對矩形波形進行調變,使其平均值對應類比輸入訊號的電壓。BTL 輸出則可彼此互補。輸出當中沒有顯著的共模切換內容。不過,PWM 切換的平均值會產生共模直流電壓。由於此直流電壓位準會施加到負載的兩端,因此不會增加負載的功率耗散。
在無輸入的情況下,放大器會依標稱 PWM 頻率進行切換,且以 50% 的工作週期套用到負載。這會導致負載產生明顯的電流流動和功率耗散。為提升能效,必須使用 L-C 濾波器將電流降低至「漣波」。由於負載的耗散降低,且輸出 FET 的 RDS(on) 傳導損耗也減少,因此漣波電流越低,能效就越高。
另一種替代調變機制通常稱為 BD 或無濾波器調變,會使用切換系統來調變輸出訊號差異的工作週期,使其平均值與類比輸入訊號匹配。BTL 輸出在閒置時彼此同相,而不是互補。這會導致負載兩端的電壓差為零,無須使用濾波器即可將靜態功耗降至最低。BD 調變在其輸出中會產生顯著的共模內容。此調變機制仰賴擴音器的固有電感以及人耳的帶通濾波器特性,來復原音訊訊號。
D 類放大器積體電路
Texas Instruments 的 TPA3116D2DADR 是 D 類立體聲放大器,能效超過 90% 且支援多重輸出功率配置,包括在 21 V 下可轉換至 4 Ω BTL 負載的 50 W 雙聲道。其他系列機型可支援在 24 V 下轉換至 8 Ω 的 30 W 雙聲道,以及在 15 V 下轉換至 8 Ω 的 15 W 雙聲道。只有最高功率的元件需要散熱片。
這些元件支援最高 1.2 MHz 的切換頻率且可規避 AM,防止產生干擾。您可透過單一輸入控制來選擇 AD 或 BD 調變機制。其中包含整合式自我保護電路,包括過壓、欠壓、過熱、DC 偵測和短路,並具有誤差回報功能。下面顯示使用 TI 之 TINA-TI 模擬工具的典型配置 (圖 5)。
圖 5:TI 的 TPA3116D2DADR D 類立體聲放大器模擬顯示出 BD 調變的原始 (VM3) 輸出波形以及濾波 (VM1) 輸出波形。(圖片來源:DigiKey)
此電路使用單一 12 V 電源,輸出功率位準為可轉換至 4 Ω 的 12.5 W。虛擬示波器顯示出原始數位輸出 (VM3) 與濾波輸出 (VM1)。
Texas Instruments 的 TPA3126D2DAD 是 TPA3116D2 系列的效能升級版產品。此元件與舊型 IC 具備引腳對引腳相容性,且運用自行研發的混合式調變機制,將閒置電流降低 70%,達到大幅度的改進。此機制可減少低功率位準時的閒置電流,以延長電池續航力。
在設計 D 類放大器時,需要格外留意低功率的情況。如同前文所述,能效與功率位準成比例關係,而低功率位準通常意味著低能效。Texas Instruments 的 TPA2001D2PWPR 是每聲道 1 W 的立體聲 D 類放大器,採用第三代 D 類設計。具備更低的電源電流、更低的背景雜訊,以及更出色的能效。此元件的設計核心是 D 類無濾波器調變機制,無需輸出濾波器,可為設計人員節省零件費用和電路板空間。採用 5 V 電源,可為每個聲道提供可轉換至 8 Ω 的 1 W 以上功率。
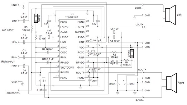
評估板 TPA2001D2EVM 提供公版設計,可製成隨插即用的 D 類音訊放大器 (圖 6)。

圖 6:以 TPA2001D2 D 類放大器為基礎的每聲道 1 W 立體聲放大器。(圖片來源:Texas Instruments)
此放大器採用 BTL 拓撲,基本上自成一體且僅需使用幾個外部元件。
結論
D 類放大器可在小封裝中提供低損耗以及超高能效,適合可攜式與電池供電的設計。現成的 IC 能讓設計人員快速輕鬆地運用這些放大器,而最新的技術進步也濾波器的需求降低,因此更加經濟實惠且小巧。
聲明:各作者及/或論壇參與者於本網站所發表之意見、理念和觀點,概不反映 DigiKey 的意見、理念和觀點,亦非 DigiKey 的正式原則。



