瞭解何時以及如何為微控制器選擇並應用外部 DAC
資料提供者:DigiKey 北美編輯群
2019-03-06
有些 32 位元微控制器透過晶片上數位類比轉換器 (DAC) 來產生頻率或電壓。對於許多應用來說,這麼做不僅能提供額外的功能,而且還能節省電路板空間。但是,這些應用可能需要使用微控制器裡沒有的特殊 DAC 功能。
本文將討論微控制器晶片上 DAC 的功能與限制,然後會介紹高精度外部 DAC 解決方案範例,並展示如何使用這類方案產生高精度的類比訊號。
晶片上 DAC 的運作
為了能讓設計人員產生客製化類比訊號,微控制器製造商已開始在晶片上納入 DAC 週邊裝置。這些裝置可用於產生精確的電壓,以及客製化波形,如正弦波和三角波等。此外,DAC 也可用於語音合成。
DAC 產生的輸出電壓最低為 0 V,最高為 DAC 類比參考電壓。電壓與 DAC 數據暫存器裡的數位值呈正比,精度則取決於 DAC 的解析度。例如,若 DAC 的解析度為 8 位元,且參考電壓為 5 V,則 DAC 的 1 LSB 精度為 5/255 = 0.0196 V。因此在理想情況下,若 8 位元 DAC 數據暫存器的值為 01h,則 DAC 輸出便相當於 1 LSB,即 0.0196 V。若 8 位元 DAC 數據暫存器的值為 F1h (241),則理想 DAC 的輸出應為 4.7236 V。理想情況下,將 DAC 數據暫存器加上 01h,輸出電壓值也應增加 1 LSB。
當然,就像任何的類比電路,沒有所謂的理想 DAC。DAC 輸出與數據暫存器理想值的差異稱為微分非線性 (DNL) 誤差且以 LSB 為測量單位。例如,典型微控制器 DAC 的 DNL 可能為 ±2 LSB。
此外,DAC 也可能有線性增益誤差,其測量值則是理想輸出加上百分比值,通常是在輸出電壓上增加 0.5%。
對於理想的 DAC,輸出值與 DAC 數據暫存器內容的關係圖應是一條直線。對於實際的 DAC,增加 DAC 電路參數變化所造成的線性誤差後,其結果也應是一條直線。實際上,這條線會從直線偏離並向外彎曲,形成一條非線性曲線。這種非線性也是 DAC 電路在電壓和溫度上變化的結果。這種非線性誤差稱為積分非線性 (IRL) 誤差。對於微控制器 DAC 而言,此誤差可能為 ±4 LSB 或更高。
在產生頻率時,微控制器 DAC 的最快輸出頻率將受限於微控制器的 CPU 頻率。
所有的 DAC 都需要準確的參考電壓,才能提供高精度的類比訊號。在現代控制器上,DAC 參考電壓通常來自專用的類比參考電壓引腳。這種在微控制器內部的類比參考電壓會單獨保存,並與內部數位邏輯隔離,可將電源供應器漣波降至最低,不過,高速數位邏輯難免會帶來一些小干擾。雖然 DAC 周邊裝置在產生正弦波時不易受到電源供應器漣波的影響,但在需要穩定精確的輸出電壓,或是產生合成聲音或音樂時,這種漣波還是值得注意的。
雖然使用較高的參考電壓可將電源供應器漣波的影響降到最低,但這麼做也會阻止 DAC 產生較低的電壓,同時還會將 DAC 的精度降低 1 LSB。
適用於小訊號的單晶片外部 DAC
大部份微控制器上的 DAC 周邊裝置都能為常見應用提供足夠的精度。但是,有些應用還是需要極高的精度和/或速度。在這種情況下,就有必要使用外部 DAC 了。
Texas Instruments 推出了一系列外部 DAC,能夠針對任何設計問題產生類比訊號。例如,若電路板空間捉襟見肘, DAC80508MYZFT 16 位元 DAC 的尺寸極小,其 DSBGA 封裝僅為 2.4 x 2.4 mm。這款 DAC 具有八個輸出,可使用 SPI 介面連接至大多數微控制器,時脈速率高達 50 Mhz (圖 1)。

圖 1:DAC80508 可使用 SPI 介面連接至大多數微控制器,並且具有八個完全一樣的類比輸出通道。(圖片來源:Texas Instruments)
DAC80508 可使用外部類比電壓參考值或 DAC 的數位電源電壓,產生自己的內部參考電壓 (2.5 V,精度為 ±5 mV)。參考電壓漂移量最低為 2 ppm/°C,可在 -40°C 到 +125°C 的溫度範圍內提供相當穩定的參考電壓;也可選擇將參考電壓除以 2,提供最高為 1.25 V 的類比訊號。
DAC80508 具有大多數微控制器 DAC 周邊裝置所沒有的精度。INL 與 DNL 典型值均為 ±0.5 LSB,最大值為 ±1 LSB。增益誤差典型值為 ±0.5%,最大值為 ±1%。在 16 位元的解析度下,這樣的精度水準非常適合將數位音訊訊號轉換為類比音訊。例如,它可用來轉換經由光纖纜線傳輸的脈衝編碼調變 (PCM) 數位音訊,或者轉換來自儲存裝置的數位音訊。在將數位音訊轉換為 16 位元音訊數據後,DAC80508 可將數據轉換為經由通用 RCA 纜線傳輸的類比音訊訊號。如果參考電壓設為 1.25 V,其精度足以產生線路位準音訊訊號。
此外,DAC80508 還配有輸出增益放大器,可將輸出電壓放大兩倍,產生比參考電壓高兩倍的輸出電壓。
透過 SPI 介面使用 DAC80508 產生類比波形相當簡單。每個發送給 DAC 資料暫存器的 SPI 命令封包均為 32 位元。每個封包都包含要寫入的通道位址,以及要寫至暫存器的 16 位元數據。任何 DAC80508 輸出通道均可編程為兩種方式:在將數據寫入暫存器後立即產生輸出電壓;或者保留 DAC 數據暫存器內的所有值,直到 SPI 寫入內部廣播暫存器。向八個廣播暫存器位元的任一個位置寫入邏輯「1」,僅會以其 DAC 數據暫存器內的數值更新該 DAC 輸出。這可產生同步訊號,非常適合為測試設備產生波形。
避免訊號錯誤與雜訊
在嘈雜的工業環境中使用時,偶爾的干擾可能是無法避免的,尤其在有高電壓時更是如此。為避免因 SPI 受到干擾而產生輸出訊號錯誤,DAC80508 可以選擇在每個 SPI 封包的結尾處產生一個 8 位元的核對和 (圖 2)。若核對和有效,則寫入 DAC 數據暫存器。若核對和失敗,則不寫入任何數據。或者在核對和失敗時,DAC 可以將 SPI SDO 引腳拉低,充當低態動作警告引腳。微控制器韌體則負責在核對和失敗時採取動作。
|
圖 2:32 位元 SPI 封包的結構。當 DAC80508 的 DAC 數據暫存器 SPI 封包包含 8 位元核對和時,封包會先發送 MSB,而最後的幾個位元 (7:0) 則包含核對和。核對和將由 DAC80508 自動產生。(圖片來源:Texas Instruments)
無論 DAC 的指定精度是多少,只有使用雜訊小的電源供應器才能確保精確度。DAC80508 的 VDD 必須是低雜訊而且無漣波。如果在 DC-DC 轉換器中使用 DAC80508,則必須格外小心,因為這些電源供應器在本質上充滿了雜訊。對 VDD 進行濾波非常重要,因此必須在 VDD 以及類比接地之間放置一個 1 µF 到 10 µF 的電容,以及一個 0.1 µF 的電容。應使用低 ESR 的陶瓷電容,同時應將其盡可能放在靠近 VDD 引腳的位置。
類比訊號輸出應保持在電路板邊緣附近,並與數位元件充份隔離。這不僅可以防止對 DAC 類比輸出產生干擾,還可以防止這些類比訊號干擾 PC 電路板上的其他訊號。
高速的高效能 DAC
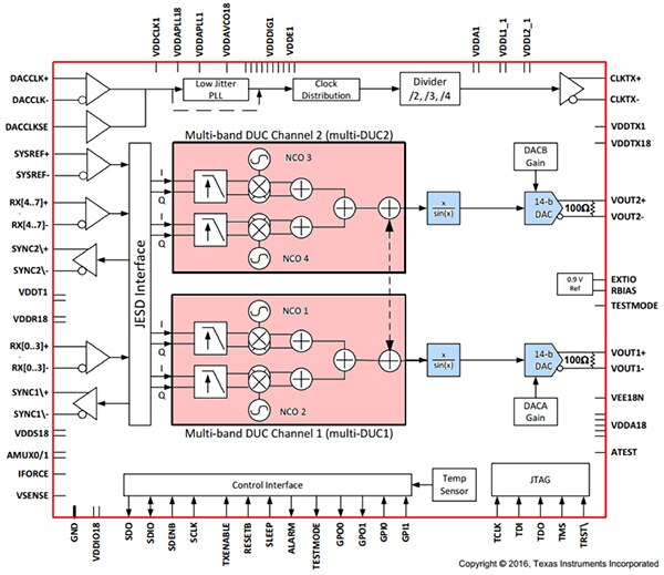
有時,要求嚴苛的應用需要極高的效能。DAC 甚至可以產生 GHz 範圍內的訊號。這對雷達設備來說格外重要,因為單純的類比電路無法產生雷達所需的精度。對於此類應用,可使用 Texas Instruments 的 DAC38RF82IAAV 高速 RF 雙通道 DAC 在相對較小的 10 mm x 10 mm BGA 封裝內產生 1 GHz 以上的波形 (圖 3)。

圖 3:DAC38RF82 是一款超高效能 DAC,可產生超過 1 GHz 的波形。這款元件使用低功率八線道 JEDSD204B 12.5 Gbit/s 介面與主機微處理器相連。(圖片來源:Texas Instruments)
DAC38RF82 支援三種解析度。當設定為 16 位元解析度時,能夠產生高達 2GHz 的 RF 訊號。當選擇 12 位元解析度時,能夠產生 2.66 GHz 的訊號。最快速的模式是設定為 8 位元解析度的模式,能夠產生 4.5 GHz 的波形。這些速度顯然超過了任何微控制器晶片上 DAC 周邊裝置的能力。
DAC38RF82 有足夠的效能用於行動訊號塔等基頻發射器,而且也可用於為高端測試設備等應用產生客製化波形。此外,DAC38RF82 還可用於為自動駕駛車輛產生雷達訊號。
這款元件比 DAC80508 複雜。若要產生高達 4.5 GHz 的訊號,需要用到相當快速的數據介面。DAC38RF82 採用了 JESD204B 序列數據介面,在 8 位元模式下,速度可快至 9 Gbits/s。這款元件能以這些介面速度與 FPGA 或 ASIC 連接。
在 12 位元或 16 位元模式下使用時,DAC38RF82 可以產生兩個 RF 波形。在高速 8 位元模式下則僅支援一個波形。這款元件需要三個電源電壓,即 1 V、1.8 V 以及 -1.8 V。鑒於元件的典型應用需求,這些電源電壓必須非常乾淨且無漣波。理想情況下,DAC 的三個主要且相對獨立的區塊 (數位子系統、類比子系統及時脈子系統),都應有自己的分區電源供應器,以免發生任何意外的互動。
DAC 的 DNL 典型值為 ±3 LSB;INL 典型值為 ±4 LSB;增益誤差的典型值為 ±2%。在測試期間選擇適當的 DAC 數據暫存器數值,可以確保給定應用的精度。
開始 DAC38RF82 的開發
若想產生如此高的頻率且具有足夠精度,評估板是在開發過程中不可或缺的零件。DAC38RF82 由 DAC38RF82EVM 評估與開發板提供支援,該板支援這款高端 DAC 的所有功能。這款元件需要使用 TSW14J56EVM 數據擷取介面板,來產生傳輸至 DAC38RF82EVM 的數位訊號。數據擷取板會使用 USB 3.0 介面接至個人電腦。

圖 4:左邊的 DAC38RF82EVM 會透過 JESD204B 介面收到右邊 TSW14J56EVM 產生的數位數據,產生測試用 RF 訊號。(圖片來源:Texas Instruments)
隨附的評估軟體包含了對 DAC38RF82 進行評估、測試以及編程以實現目標應用所需的全部功能。
在使用這類高速元件時,佈局顯得格外重要。DAC38RF82 必須位於 PC 電路板的邊緣,並儘可能與其他所有元件隔離。在電源供應引腳與接地之間,必須嚴格遵守 RF 走線較短,且旁路電容運作良好的要求。其他與佈局相關的建議包括,使用具有焊盤上過孔的旁路電容,且在這些電容上有最低的殘端,避免產生寄生電感。此外,設計人員應針對輸出走線使用差動 100 Ω 共平面波導。
結論
配有通用晶片上 DAC 的微處理器,適用於在 Khz 範圍內產生具有合理精度的電壓及波形。但是,若想產生高精度電壓或極高的速度,則需使用外部 DAC 顯著提升應用的精度和效能,但也需要在電源供應和佈局的設計實務上做些改進。
聲明:各作者及/或論壇參與者於本網站所發表之意見、理念和觀點,概不反映 DigiKey 的意見、理念和觀點,亦非 DigiKey 的正式原則。

