AD8475 Precision, Selectable Gain, Fully Differential Funnel Amplifier
Analog Devices' funnel amplifier is ideal for data acquisition systems
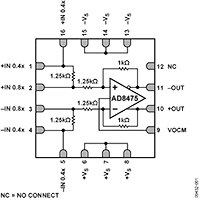
Analog Devices' AD8475 is a fully differential attenuating amplifier with integrated precision gain resistors. It provides precision attenuation (by 0.4 or 0.8), common-mode level shifting, and single-ended-to-differential conversion along with input overvoltage protection. Power dissipation on a single 5 V supply is 16 mW. It has a fully integrated precision gain block, designed to process signal levels up to ±10 V on a single supply. It provides a complete interface to make industrial level signals directly compatible with the differential input ranges of low-voltage high-performance 16-bit or 18-bit single-supply successive approximation (SAR) analog-to-digital converters (ADCs).
The AD8475 comes with two standard pin-selectable gain options (0.4 and 0.8). The gain of the part is set by driving the input pin corresponding to the appropriate gain and provides overvoltage protection from large industrial input voltages up to ±15 V while operating on a single 5 V supply. The VOCM pin adjusts the output voltage common-mode for precision level shifting to match the ADC’s input range and maximize the dynamic range.
The AD8475 works extremely well with SAR, Σ-Δ, and pipeline converters. The high current output stage of the part allows it to drive the switched capacitor front-end circuits of many ADCs with minimal error.
The AD8475 is a high-precision amplifier with 500 μV maximum output offset, 10 nV/√Hz output noise, -112 dB THD + N, and it pairs well with high-accuracy converters. Considering its low power consumption and high precision, the slew-enhanced AD8475 has excellent speed, settling to 18-bit precision for 4 MSPS acquisition. It is available in a space-saving, 16-lead 3 mm × 3 mm LFCSP package and a 10-lead MSOP package. It is fully specified over the -40°C to +85°C temperature range.
- Precision attenuation: G = 0.4, G = 0.8
- Fully differential or single-ended input/output
- VOCM pin adjusts output common-mode voltage
- Robust overvoltage protection up to ±15 V (VS = +5 V)
- Differential output designed to drive precision ADCs
- Drives switched capacitor and Σ-Δ ADCs
- Rail-to-rail output
- Low power: 3.2 mA supply current
- Single supply: 3 V to 10 V
- Dual supplies: ±1.5 V to ±5 V
- High-performance:
- Suited for driving 18-bit converters up to 4 MSPS
- 10 nV/√Hz output noise
- 3 ppm/°C gain drift
- 500 µV maximum output offset
- 50 V/µs slew rate
- Single-ended-to-differential converters
- ADC drivers
- Differential instrumentation amplifier building blocks
Evaluation Boards
| Image | Manufacturer Part Number | Description | Available Quantity | Price | View Details | |
|---|---|---|---|---|---|---|
![]() | ![]() | AD8475-EVALZ | EVAL BOARD FOR AD8475 | 5 - Immediate | $228.52 | View Details |
![]() | EVAL-CN0272-SDPZ | EVAL BRD AD8065 AD8475 AD9629-20 | 2 - Immediate | $1,044.45 | View Details | |
![]() | EVAL-CN0251-SDPZ | EVAL BOARD FOR AD7192 AD8226 | 1 - Immediate | $766.00 | View Details | |
![]() | EVAL-CN0269-SDPZ | BOARD EVAL CN0269-SDPZ | 1 - Immediate | $1,044.45 | View Details |
AD8475 Differential Funnel Amplifiers
| Image | Manufacturer Part Number | Description | Supplier Device Package | Available Quantity | Price | View Details | ||
|---|---|---|---|---|---|---|---|---|
![]() | ![]() | AD8475ARMZ-R7 | IC OPAMP DIFF 1 CIRCUIT 10MSOP | 10-MSOP | 3699 - Immediate | $62.90 | View Details | |
![]() | ![]() | AD8475ARMZ | IC OPAMP DIFF 1 CIRCUIT 10MSOP | 10-MSOP | 884 - Immediate | $62.90 | View Details | |
![]() | ![]() | AD8475ACPZ-WP | IC OPAMP DIFF 1 CIRCUIT 16LFCSP | 16-LFCSP-WQ (3x3) | 82 - Immediate | $62.90 | View Details | |
![]() | ![]() | AD8475ACPZ-R7 | IC OPAMP DIFF 1 CIRCUIT 16LFCSP | 16-LFCSP-WQ (3x3) | 1700 - Immediate | $62.90 | View Details | |
![]() | ![]() | AD8475BRMZ | IC OPAMP DIFF 1 CIRCUIT 10MSOP | 10-MSOP | 1084 - Immediate | $79.87 | View Details | |
![]() | ![]() | AD8475ACPZ-RL | IC OPAMP DIFF 1 CIRCUIT 16LFCSP | 16-LFCSP-WQ (3x3) | 0 - Immediate | $26.31 | View Details | |
![]() | ![]() | AD8475ARMZ-RL | IC OPAMP DIFF 1 CIRCUIT 10MSOP | 10-MSOP | 0 - Immediate | $26.31 | View Details | |
![]() | ![]() | AD8475BRMZ-RL | IC OPAMP DIFF 1 CIRCUIT 10MSOP | 10-MSOP | 0 - Immediate | $36.31 | View Details | |
![]() | ![]() | AD8475BRMZ-R7 | IC OPAMP DIFF 1 CIRCUIT 10MSOP | 10-MSOP | 403 - Immediate | $79.87 | View Details |













