Save Space in Motor Control Designs with Highly Integrated Gate Drivers
Contributed By DigiKey's North American Editors
2018-12-12
High power density, high-efficiency, three-phase brushless DC (BLDC) motors powered by Li-ion batteries enable the development of cordless power tools, vacuum cleaners and e-bikes. However, to save space for even more compact electromechanical devices, designers are under pressure to further shrink their motor control electronics.
This is not a simple task. Apart from the obvious difficulties of squeezing the driver components into a tight space, pushing everything closer together adds to thermal management, and of course, electromagnetic interference (EMI) problems.
Motor control circuit designers can make slimmer designs by turning to a new generation of highly integrated gate drivers, the most critical element of the motor control system.
This article will discuss the operation of BLDC motors before introducing suitable gate drivers and how to use them to overcome the design challenges of compact motor control systems.
Building better electric motors
Electric motor design has rapidly evolved due to the dual commercial pressures of energy efficiency and space saving. The digitally controlled BLDC motor represents one strand of this evolution. The motor’s popularity is due to the use of electronic commutation which provides greater efficiency over conventional (brush-commutated) DC motors with efficiency improvements of 20% to 30% for motors running at the same speed and load.
This improvement allows BLDC motors to be made smaller, lighter and quieter for a given power output. Other advantages of BLDC motors include superior speed versus torque characteristics, a more dynamic response, noiseless operation, and higher speed ranges. Engineers are also pushing designs to run at higher voltages and frequencies because this allows a compact electric motor to do the same work as a larger, conventional motor.
Key to the BLDC motor’s success is the electronic switch-mode power supply and motor control circuitry which produces a three-phase input, which in turn produces the rotating magnetic field that pulls the motor’s rotor around. Because the magnetic field and rotor revolve at the same frequency, the motor is classed as “synchronous.” Hall effect sensors relay the relative positions of stator and rotor such that the controller can switch the magnetic field at the right moment. “Sensorless” technologies that monitor back electromotive force (EMF) to determine stator and rotor positions are also available.
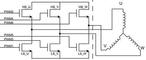
The most common configuration for sequentially applying current to a three-phase BLDC motor comprises three pairs of power MOSFETs arranged in a bridge structure. Each pair acts as an inverter to convert the DC voltage from the power supply into the AC voltage needed to drive a winding of the motor (Figure 1). In high-voltage applications, insulated gate bipolar transistors (IGBTs) are typically used instead of MOSFETs.

Figure 1: Digital three-phase BLDC motor control typically uses three pairs of MOSFETs with each pair providing the AC voltage for one winding of the motor. (Image source: Texas Instruments)
The transistor pair comprises a low-side device (source connected to ground) and a high-side device (source floating between ground and the high voltage power rail).
In a typical arrangement, the MOSFET gates are controlled using pulse-width modulation (PWM) which effectively converts the input DC voltage into a modulated driving voltage. A PWM frequency of at least an order of magnitude higher than the anticipated maximum motor rotation speed should be used. Each pair of MOSFETs governs the magnetic field for one phase of the motor. For more on driving BLDCs, see the library article, “How to Power and Control Brushless DC Motors.”
The electric motor control system
A complete motor control system comprises a power supply, a host microcontroller, a gate driver, and the MOSFETs in a half-bridge topology (Figure 2). The microcontroller sets the PWM duty cycle and looks after the open-loop control. In low voltage designs, the gate driver and MOSFET bridge are sometimes integrated into one unit. However, for high power units, the gate driver and MOSFET bridge are separated to ease thermal management, enable the use of different process technologies for gate driver and bridge, and minimize EMI.

Figure 2: BLDC electric motor control schematic based on a TI MSP 430 microcontroller. (Image source: Texas Instruments)
The MOSFET bridge can be made up of either discrete devices or integrated chips. A key advantage to incorporating low- and high-side MOSFETs in the same package is that it allows for natural thermal equalization between the top and bottom MOSFETs, even if the MOSFETs have different power dissipation. Whether integrated or discrete, each transistor pair requires an independent gate driver to control switching timing and drive current.
It is also possible to design gate driver circuitry using discrete components. The advantage to this approach is that it allows engineers to precisely tune the gate driver to match the MOSFET characteristics and optimize performance. The downsides are the requirements for high levels of motor design experience and the space needed to accommodate the discrete solution.
Modular motor control solutions provide an alternative, and there are a wide range of integrated gate drivers on the market. Better modular gate drive solutions include:
- High levels of integration to minimize a device’s required space
- High drive current to reduce switching losses and improve efficiency
- High gate drive voltage to ensure the MOSFET conducts with minimum internal resistance (“RDS(ON)”)
- High levels of overcurrent, overvoltage and overtemperature protection to enable reliable system operation under worst-case conditions
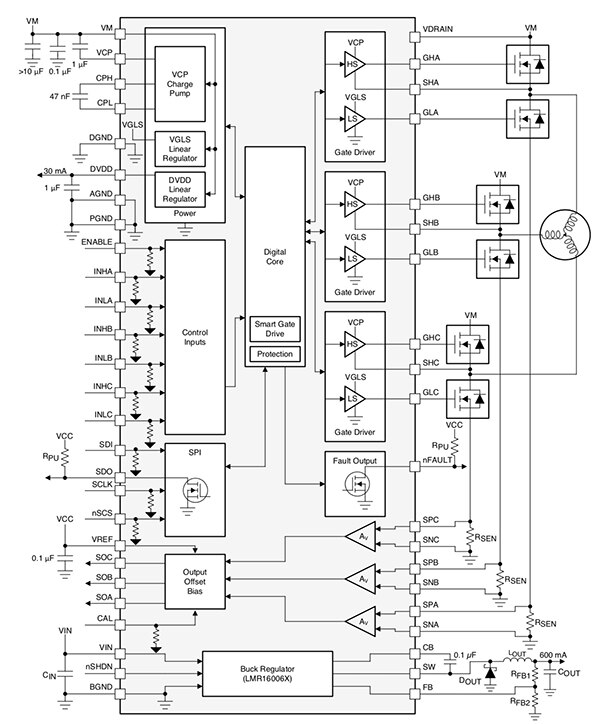
Devices such as Texas Instruments’ family of DRV8323x three-phase gate drivers decrease system component count, cost, and complexity while meeting the demands of high-efficiency BLDC motors.
The DRV8323x family comes in three variations. Each integrates three independent gate drivers, capable of driving a high-side and low-side MOSFET pair. The gate drivers include a charge pump to generate high gate voltage (with up to 100 percent duty cycle support) for the high-side transistors, and a linear regulator to supply the low-side transistors.
The TI gate drivers include sense amplifiers that can also be configured to amplify the voltage across the low-side MOSFETs if required. The devices can source up to 1 amp, have a 2 amp sink peak gate drive current, and operate from a single power supply with a wide input supply range from 6 to 60 volts.
The DRV8323R version, for example, integrates three bidirectional current sense amplifiers for monitoring the current level through each of the MOSFET bridges using a low-side shunt resistor. The gain setting of the current sense amplifier can be adjusted through the SPI or hardware interface. The microcontroller is connected to the EN_GATE of the DRV8323R so it can enable or disable the gate drive outputs.
The DRV8323R device also integrates a 600 milliamp (mA) buck regulator that can be used to power an external controller. This regulator can use either the gate driver power supply or a separate one (Figure 3).

Figure 3: Highly integrated gate drivers such as TI’s DRV8323R decrease system component count, cost and complexity while saving space. (Image source: Texas Instruments)
The gate drivers include a wide range of protection features including power supply undervoltage lockout, charge pump undervoltage lockout, overcurrent monitoring, gate driver short circuit detection, and overtemperature shutdown.
Each DRV832x is packaged in a chip measuring just 5 x 5 to 7 x 7 millimeters (mm) (depending on options). The products save the space that would otherwise be required by over 24 discrete components.
Designing with integrated gate drivers
To get designers up and running, TI offers a reference design, the TIDA-01485. It is a 99% efficient, 1 kilowatt (kW) power stage reference design for a three-phase, 36 volt BLDC motor for applications such as power tools operating from a ten-cell Li-ion battery.
The reference design shows how the use of a highly integrated gate driver such as the DRV8323R saves space in a motor control design by forming the basis of one of the smallest motor control circuits at this power level. The reference design implements sensor-based control. (See the library article “Why and How to Sinusoidally Control Three-Phase Brushless DC Motor”.)
The main elements of the reference design are an MSP430F5132 microcontroller, the DRV8323R gate driver, and three CSD88599 60 volt half-bridge MOSFET power blocks (Figure 4).

Figure 4: The TIDA-01485 is a 1 kW, 99% efficient power stage reference design for a three-phase, 36 volt, BLDC motor that can be powered by a ten cell Li-ion battery. (Image source: Texas Instruments)
While the gate driver is a highly integrated modular solution eliminating many of the complexities of a discrete design, there is still some design work required to create a fully working system. The reference design helps the designer map out a prototype by demonstrating one comprehensive solution.
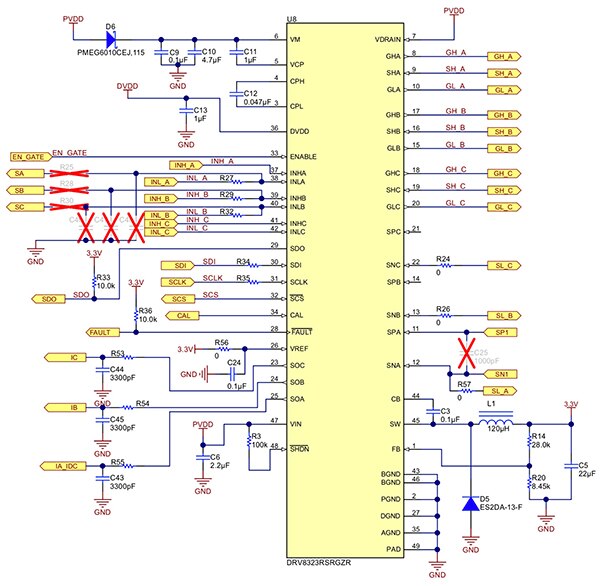
For example, the gate driver requires several decoupling capacitors to operate properly. On the reference design, a 1 microfarad (μF) capacitor (C13) decouples the low-side MOSFETs’ drive voltage (DVDD), derived from the DRV8323R’s internal linear voltage regulator (Figure 5). This capacitor must be placed as close to the gate driver as possible to minimize loop impedance. A second decoupling capacitor with a value of 4.7 μF (C10) is required to decouple the DC supply input (PVDD) from the 36 volt battery.

Figure 5: Application circuit for the DRV8323R gate driver. Trace lengths should be minimized to limit EMI. (Image source: Texas Instruments)
Diode D6 helps to isolate the gate driver power supply in case the battery voltage dips during short circuit conditions. This diode is important because its presence enables the PVDD decoupling capacitor (C10) to maintain the input voltage under small duration dips.
Holding the voltage prevents the gate driver from entering an undesired undervoltage lockout condition. C11 and C12 are the key devices enabling charge pump operation and should also be placed as close as possible to the gate driver.
It is generally good design practice to minimize the loop length for the high-side and low-side gate drivers, primarily to reduce EMI. The high-side loop is from the DRV8323 GH_X to the power MOSFET, and returns through SH_X. The low-side loop is from the DRV8323 GL_X to the power MOSFET, and returns through GND.
The importance of switching timing
The choice of MOSFETs is key to the performance and efficiency of BLDC motors. Because no two MOSFET families are exactly alike, each choice will depend upon the required switching times. Getting the timing even slightly wrong can cause problems ranging from inefficiency, elevated EMI, and possible motor failure.
For example, incorrect timing can cause shoot-through, a condition that causes both the low- and high-side MOSFETs to turn on coincidentally, leading to a catastrophic short. Other timing problems include transients triggered by parasitic capacitance that can damage MOSFETs. Problems are also caused by external shorts, solder bridges, or MOSFETs hung up in a particular state.
TI labels its DRV8323 a “smart” gate driver because it provides the designer with control over timing and feedback to eliminate these problems. For example, the driver includes an internal state machine to protect against short circuit events in the gate driver, control the MOSFET bridge dead time (IDEAD), and protect against parasitic turn-on of the external power MOSFET.
The DRV8323 gate driver also includes an adjustable, push-pull topology for both the high-side and low-side drivers, enabling strong pull-up and pull-down of the external MOSFET bridge to avoid stray capacitance problems. The adjustable gate drivers support on-the-fly gate drive current (IDRIVE) and duration (tDRIVE) changes (without the requirement for current limiting gate drive resistors) to fine-tune system operation (Figure 6).

Figure 6: Voltage and current inputs for high-side (VGHx) and low-side transistors (VGLx) in one of the MOSFET bridges for a three-phase BLDC motor. IDRIVE and tDRIVE are important for proper motor operation and efficiency; IHOLD is used to maintain the gate at the desired state, and ISTRONG prevents gate-to-source capacitance of the low-side transistor from inducing turn-on. (Image source: Texas Instruments)
IDRIVE and tDRIVE should initially be selected based on the external MOSFET’s characteristics, such as gate-to-drain charge, and desired rise and fall times. For example, if IDRIVE is too low the MOSFET’s rise and fall times will be longer, resulting in high switching losses. The rise and fall times also determine (to an extent) the energy and duration of each MOSFET’s freewheeling diode’s recovery spike, which can be a further potential drain on efficiency.
When changing the state of the gate driver, IDRIVE is applied for the tDRIVE period, which must be long enough for the gate capacitances to completely charge or discharge. A rule of thumb is to select tDRIVE such that it is approximately twice as long as the switching rise and fall times of the MOSFET’s. Note that tDRIVE does not increase the PWM time and will terminate if a PWM command is received during the active period.
After the tDRIVE period, a fixed holding current (IHOLD) is used to maintain the gate at the desired state (either pulled up or pulled down). During high-side turn-on, the low-side MOSFET gate is subject to a strong pulldown to prevent the gate-to-source capacitance of the transistor from inducing turn-on.
A fixed tDRIVE duration ensures that under fault conditions, such as a short circuit on the MOSFET gate, the peak current time is limited. This limits the energy transferred and prevents damage to the gate drive pins and transistor.
Conclusion
Modular motor drives save space by eliminating dozens of discrete components and enhance the benefits of a new generation of compact, digitally controlled, high power density BLDC motors. These “smart” gate drivers also include technology that eases the tricky development process of setting power MOSFET switching timing, while mitigating the effects of parasitic capacitances and reducing EMI.
Still, some care is still needed to ensure peripheral circuitry such as power MOSFETs and decoupling capacitors are carefully selected. But, as shown, major motor drive vendors offer reference designs upon which developers can base their prototypes.
Disclaimer: The opinions, beliefs, and viewpoints expressed by the various authors and/or forum participants on this website do not necessarily reflect the opinions, beliefs, and viewpoints of DigiKey or official policies of DigiKey.


