Isolated Current Sensors Solve Circuit, Safety Problems
Contributed By DigiKey's North American Editors
2016-10-27
In many power-related applications, it's essential to know how much current is flowing in a conductor. The trick is understanding the many ways in which this current can be measured and making the right choice based on key requirements such as safety, power, cost, form factor, and circuit accessibility.
Situations which need current sensing include motor-control feedback, power-supply operation, or high-power charging from solar arrays. When currents and associated voltages are low to moderate, such as around 1 A and 10 V, measuring current is fairly simple: just insert a current-resistor (usually in the milliohm range) in the path whose current is to be assessed, and then measure the voltage across the resistor. While there are issues of sizing the resistor to minimize undesired voltage drop, while providing a large-enough potential difference (voltage) across the resistor for an accurate measurement, this concern can be addressed with some basic calculations and a suitable amplifier across the resistor.
If the resistor is grounded at one end (called low-side sensing), the measuring circuit is very straightforward. However, if the resistor is not grounded (high-side sensing), a differential amplifier is needed to measure that voltage across the resistor – without any reference to ground. In many applications, the high-side sense circuit will also have to be galvanically isolated for safety or performance, usually using an optocoupler or transformer-based isolator.
Isolation of sensing circuitry is needed for technical and regulatory reasons in the many situations where high voltages and currents are common, such as line-operated industrial and commercial motors, electric/hybrid electric vehicles (EV/HEV), solar arrays, home energy metering, and many other less-visible applications. It also adds a major safety barrier, often mandatory, in case there is a component failure or human failing which might put higher or primary-side voltages on the secondary-side circuit. It adds to cost and complexity, of course, but allows the sense resistor to be several thousand volts above ground.
The use of a sense resistor and often-needed isolation is one current-measurement technique. As currents and voltage increase into double and triple digits, it can become impractical due to the basics of Ohm's law (regardless of safety issues) as the resistor value must be very small to keep the drop across it in an acceptable range.
For example, consider sensing a 100 A maximum current while needing to keep the resistor drop to a small value, such as 0.1 V, to minimize resistor-induced circuit errors. Then the sense resistor is:
R = V/I = 0.1/100 = 0.001 Ω (1.0 mΩ) maximum.
At such small values (yes, they do make resistors this small), any resistance in wiring or contacts can affect accuracy, unless special techniques for compensation and calibration are used such as Kelvin four-wire sensing.
Isolated sensor eases electronic, regulatory issues
In the preceding situation, a non-isolated current-sense resistor was used along with a differential, isolated amplifier to measure the voltage across that resistor without any reference to circuit ground (or circuit common). In solving the problem this way, some of the current-sensing circuit and signal conditioning is at high potential and directly connected to a conductor that may be carrying hundreds of amps. This is a situation that is unforgiving of any mistakes in design, manufacturing tolerances, or human error.
For engineers who are comfortable measuring currents in the mA range and voltages in single digits, going up several orders of magnitude in both parameters can be a very strange and somewhat scary experience. Fortunately, there is another approach that presents a different choice of solutions and the associated tradeoffs: using a current sensor that is inherently isolated.
If the sensor itself is galvanically isolated from the current path being sensed – meaning there is no ohmic path and near-infinite impedance between the two zones – the current-sensing challenge becomes simpler from a technical and regulatory perspective. As long as the sensor is isolated, nothing in the sensing circuit will present any shock or malfunction risk to the rest of the circuit, system, or users.
There are three isolated sensors that are often considered for fully isolated, non-contact current sensing: the current transformer (CT), the Rogowski coil, and the Hall-effect device. Each has tradeoffs in accuracy, functional limits, and range. Note that these sensors need to "surround" the current-carrying conductor, so that must be taken into account for assembly.
It’s interesting to note that some test instruments used for current measurement provide special clamping contacts which surround an existing conductor and snap around it to complete the sensing-circuit loop, since it is often not feasible to disconnect an existing conductor and route it through an opening.
Side note on the “current transformer”
There tends to be some confusion in transformer terminology: a conventional transformer, with a primary winding and a secondary winding, can be used to measure current in some cases, with the secondary winding used as a "pickup" to sample a small portion of the current in the primary winding. This basic transformer is sometimes used to measure current, and so is also known as a current transformer in some applications. However, it can only be used for AC current, not DC, and its design is usually optimized for a specific frequency such as 50 or 60 Hz. Further, the AC output of the secondary side must then be converted to a DC signal, using an RMS/DC converter IC. This transformer-based current-measurement sensor is viable for many applications, but not for basic current measurement from DC up to a pre-specified frequency.
Current transformer: windings plus Hall effect
The current transformer uses a primary winding in conjunction with a Hall-effect device as the current transducer. These transformers come in two basic versions: open loop and closed loop, each with relative advantages and limitations:
Open-loop current transformers: The major advantages are low cost, small size, low weight, and low power consumption. They can be designed for currents as high as several hundred amps (such as EVs/HEVs), and have very low insertion loss—important at these high power levels. Their limitations include low-to-moderate bandwidth and transient-response speed, as well as temperature drift (unless specially compensated).
Closed-loop devices use special compensation techniques to provide higher bandwidth and flat frequency response across that bandwidth, along with fast response time. They are more expensive than open-loop devices, but the enhanced accuracy and performance is needed in many applications. Closed-loop devices, compared to open-loop devices, also offer improved accuracy and linearity, and lower drift.
However, both open- and closed-loop devices can experience hysteresis and saturation due to high DC currents, and are susceptible to external magnetic fields, but there are many ways to address those issues. See Table for a summary of relative features of open versus closed loop.
| Parameter | Open Loop | Closed Loop |
|---|---|---|
| Bandwidth | 0 to 25 kHz | 0 to 200 kHz |
| Response time | < 3-7 μsec | < 1 μsec |
| Accuracy | ±1.5% | ±0.5% |
| Linearity | ±0.5% | ±0.1% |
| Notes | Low power, small size, low cost | Higher accuracy, higher speed |
Table 1: Summary of the general performance range of open-loop and closed-loop devices, using numbers from a single vendor of both types for a fair comparison. (Data source: LEM USA)
When choosing either type, some of the first specifications to consider include maximum current to be measured, peak/overload conditions, range, resolution, physical size and mounting issues (including aperture size), temperature range and drift, and installation issues such as nearby magnetic fields.
Also, do you prefer a transformer with a built-in "burden resistor", which is the user-supplied load resistor on the output? This resistor converts the output from the Hall-effect transducer to a voltage output; some current transformers include this within their design thus eliminating the need to size and add it, but having it internally limits output-ranging flexibility.
An example of a current transformer is the LEM USA HO-P series (Figure 1) of closed-loop devices that come in 6 A, 10 A, and 25 A versions and are designed for applications such as AC and DC motor drives, uninterruptible power supplies (UPSs), solar panels, and electric arc-welding systems. The 4300 V isolation-test rated current transformers require a single 5 V supply, and include a special overcurrent-output pin which immediately indicates if the current sensed reaches 2.63 times the nominal maximum current.

Figure 1: The HO-P series of current transformers from LEM USA can handle up to 25 A, measures about 20 × 20 × 10 mm thick, and has an aperture for an 8 mm-diameter conductor. (Source: LEM USA)
Members of the family meet all relevant safety and performance standards from UL and IEC. Despite the functional simplicity of the device, look to find details concerning static and dynamic characterization across many extremes of range and performance, along with a basic schematic of the unit and its interconnections (Figure 2).

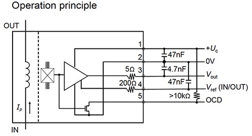
Figure 2: Within the LEM USA HO-P closed-loop current transformer is a coil pickup, a Hall-effect sensor, and an output amplifier. In addition to a power connection and a pair of differential output connections, there is an overcurrent-detector connection. (Source: LEM USA)
Rogowski coils: less known, widely used
A Rogowski coil (Figure 3) measures the primary current due to an induced magnetic field whose magnitude is directly proportional to the current. By basic electromagnetic theory, any changes in the magnetic field induce an electromotive force (EMF) within a wire loop, and this EMF voltage is proportional to the changes in the magnetic field inside the loop. The output voltage of the loop is, therefore, proportional to the time differentiation (di/dt) of the current.

Figure 3: The concept of the Rogowski coil is simple. It comprises a wound coil surrounding the current-carrying conductor and the output of this coil must be integrated to provide a voltage proportional to the current flowing in the conductor. (Source: LEM USA)
The unique characteristic of the Rogowski coil is that it has an air core, so there is no hysteresis, saturation, or nonlinearity. Due to the absence of a core, these passive coils are low cost, immune to DC offset, can operate over a wide dynamic range, and operate reliably down to very low temperatures.
The Rogowski coil relies on measuring the magnetic field, so be aware that this type of current sensor is more susceptible to external magnetic-field interference than the current transformer, so take suitable precautions in your design to mitigate interference. Since the voltage induced in the coil is proportional to the rate of change (time derivative) of current in the conductor, the output of the Rogowski coil is usually connected to an analog integrator circuit to provide an output signal that is proportional to the current flow.
The PA320XNL Sidewinder Series of Rogowski-coil current sensors from Pulse Electronics provides examples of this technology (Figure 4). These coils target 50/60 Hz, single-phase AC lines, with a wide dynamic range of 0.1 A to 1000 A in a single component. These particular devices are immune to external AC and DC magnetic fields, as well as DC-current effects, and they provide isolation up to 6000 V.

Figure 4: The PA320XNL Sidewinder Series of Rogowski-coil current sensors can handle a wide 105:1 dynamic current range, up to 1000 A, and provide 6000 V of isolation. (Source: Pulse Engineering)
These coils produce an output between about 400 μA and 500 μA per A measured, depending on specific model and whether it is a 50 Hz or 60 Hz AC line. The low-frequency equivalent circuit and corresponding basic specifications for this "simple" component are easy to follow, Figure 5, although even a normal specification such as accuracy has a definition that is standardized by the IEC (see note 3 in the Figure).
Figure 5: The specifications for the PA320XNL Sidewinder Series of Rogowski-coil current sensors shows how they are defined, the basic input/output relationship, parameters of the equivalent-circuit model, and the conditions under which these specifications are measured. (Source: Pulse Engineering)
Go direct to Hall effect
The Hall effect is named for physicist Edwin Hall, who discovered in 1879 that when a conductor or semiconductor with current flowing in one direction is set perpendicular to a magnetic field, a voltage (potential difference) can be measured at right angles to the current path. A full explanation requires use of advanced physics, but the use of Hall effect-based sensors for current does not require understanding of these detailed principles.
Today's Hall-effect sensors incorporate much more than a single sensing element, which by itself is subject to drift, offset, placement, and other errors. Instead, an array of multiple devices is used within the sensor package, combined with amplifiers and other active circuitry. The current to be measured is routed into the sensor array, and the multiple Hall-effect devices within produce an accurate voltage based on the current magnitude (after amplification and other corrections).
Hall sensors have wide dynamic range and good performance even at higher currents, but they are subject to saturation/hysteresis and temperature drift. The saturation/hysteresis effects are minimized by proper component selection, while the drift is often negligible if a temperature-compensated device is chosen (and many are available).
The Melexis MLX91205 is a good example of a refined Hall-effect sensor, with added features to enhance usability. Though it comes in a simple, surface-mount, 8-SOIC package, it integrates a CMOS-based Hall circuit and a thin ferromagnetic concentrator (Figure 6). The former has two pairs of Hall elements for sensitivity direction parallel with the chip surface, while the latter "amplifies" the external magnetic field from the current conductor and concentrates it on the Hall elements. It also has features which include bias, calibration, compensation, modulation/demodulation functions, and an output buffer. It measures AC and DC currents and produces an analog, linear, ratio-metric output voltage proportional to the applied magnetic field parallel with the chip surface.

Figure 6: The MLX91205 Hall-effect sensor comes in a simple 8-SOIC surface-mount package, but it packs multiple Hall elements plus amplifier and demodulator. (Source: Melexis)
For lower currents (±2 A), users can increase the magnetic field by winding a coil around the sensor, while adding a shield around the coil yields additional sensitivity (and increased immunity to external fields), as seen in Figure 7.

Figure 7: By using additional windings and a shield, the low-range (2 A) performance of the MLX91205 Hall-effect sensor can be enhanced. (Source: Melexis)
For measuring up to a ±30 A range, all that is needed is a single conductor on the pc-board. This board trace must be sized in thickness and width for the maximum anticipated continuous RMS current rating (Figure 8). In this configuration, the output of the Melexis device will be about 1000 mV at full scale.

Figure 8: For mid-range operation to 30 A, the MLX91205 can be placed directly on a suitable pc-board track, which can handle the current value. (Source: Melexis)
Mechanical considerations are critical at the highest range, such as ±600 A. To reach that value, the MLX91205 can be mounted opposite a large, thick-gauge copper trace capable of carrying the current on the other side of the pc-board (Figure 9).

Figure 9: Placement becomes less critical at higher currents; the MLX91205 can be used up to 600 A with a "sandwich" consisting of the device, the pc-board, and a heavy-duty trace or shunt element on the underside of the board. (Source: Melexis)
Depending on the Hall device selected and the installation, it is often a good idea to calibrate it with a known current. Once this is done, offset and errors due to location, nearby currents and fields, and other factors can be minimized.
Conclusion
Measuring current is much more difficult and intrusive than measuring voltage, and requires that the conductor be surrounded by or routed though a sensing element. As current and voltage levels increase, it becomes prudent and often mandatory to implement galvanic isolation between the sensing circuit and the rest of the system.
It is possible to provide isolation using electronic circuitry and components, and this is often done. However, an attractive alternative is to use a sensor, which is inherently isolated and therefore does not need additional isolation circuitry. Current transformers, Rogowski coils, and basic Hall-effect devices are among the most-common isolated sensors available to the design engineer for these situations.
Disclaimer: The opinions, beliefs, and viewpoints expressed by the various authors and/or forum participants on this website do not necessarily reflect the opinions, beliefs, and viewpoints of DigiKey or official policies of DigiKey.



