Generating High DC Output Voltage from Low Input Supply
Contributed By Electronic Products
2013-04-16
Whether for driving white LED backlights or powering RF and analog circuits, laptops, tablets and other mobile devices often require voltages that are much higher than the input supply voltage. Consequently, step-up or boost DC/DC converters generate output voltages that are several times the input to serve a variety of circuits and functions in these systems. For instance, in battery powered systems, the input normally is 5 V and below, while voltages as high as 15 and 24 V or more are needed to power RF/analog functions or drive thin-film transistor (TFT) liquid crystal displays (LCDs). Similarly, high voltages also are needed to bias avalanche photodiodes (APDs) found in optical receivers.
To address these needs, Analog Devices has added two low-voltage DC/DC boost converters to its portfolio of products. The ADP1612 and ADP1613 DC/DC converters enable designers to boost input voltage as low as 1.8 V to output voltage as high as 20 V. When combined with thin-profile packaging and high-switching-frequency operation, these DC/DC converters increase battery run times in portable applications where low power consumption is essential and PC-board space is at a premium.
While ADP1612 supports an input DC voltage range of 1.8 to 5.5 V, the ADP1613 handles an input DC range of 2.5 to 5.5 V. The adjustable output voltage allows the boost converters to extend battery life with unregulated input voltage operation. The boost converters use a pulse-width modulated (PWM) current-mode architecture to regulate the output voltage across load conditions and to help reduce the risk of in-rush currents at startup. As a result, the devices are able to deliver up to 94 percent efficiency with fast transient response and stable output voltage levels for greater system reliability.
A typical application circuit for the boost converters is depicted in Figure 1. Both the ADP1612 and ADP1613 can operate at 650 kHz or 1.3 MHz. While the higher switching frequency allows the use of a smaller inductor, efficiency drops by approximately 2 percent with every doubling of the switching frequency. In these converters, the switching frequency is pin-selectable. For 650-kHz operation, the FREQ pin is connected to ground (GND) or to pin VIN for 1.3 MHz operation.

Figure 1: A typical DC/DC boost configuration using switching converters ADP1612/1613.
The inductor, which is a key component of the boost regulator, stores energy during the on-time of the power switch and transfers that energy to the output through the output rectifier during the off time. In an application note,¹ Analog Devices explains how to balance the trade-offs between low inductor current ripple and high efficiency. The document recommends inductance values in the 4.7 to 22 μH range.
While a lower-value inductor has a higher saturation current and a lower series resistance for a given physical size, lower inductance results in higher peak currents that can lead to reduced efficiency, higher ripple, and increased noise. Hence, to reduce the inductor size and improve stability, it is better to run the boost converter in discontinuous conduction mode, according to Analog Devices’ app note. It further argues that the peak inductor current (the maximum input current plus half the inductor ripple current) must be lower than the rated saturation current of the inductor, and the maximum DC input current to the regulator must be less than the inductor’s rms current rating.
Both these boost converters are supported by ADI’s ADIsimPower™ design toolset, which helps a designer generate a full schematic and bill of materials, as well as calculates performance in minutes. ADIsimPower can optimize designs for cost, area, efficiency, and parts count, while taking into consideration the operating conditions and limitations of the IC and all real external components.
Typical of ADI’s step up converter evaluation boards, ADP1612-BL3-EVZ offers a complete DC/DC step-up converter with all components selected to allow operation over the full range of input and load conditions for the 5 V (ADP1612) and 12 V (ADP1613) output voltages. The evaluation boards can be adjusted for different output voltages by changing R1 and R2. As per the evaluation board documentation, L1, D1, CCOMP, and RCOMP in Figure1 may also be adjusted or recalculated to ensure stable operation.
For its part, to power white LEDs used for LCD backlighting or generate LCD bias supply, Texas Instruments is offering highly integrated, low-power boost converters TPS61040/41 (Figure 2), capable of delivering output voltages up to 28 V from a dual-cell NiMH/NiCd or single-cell Li-ion battery input. The part can also be used to generate standard 12 V output from 3.3 or 5 V input.

Figure 2: Operating at frequencies up to 1 MHz, the integrated boost converters TPS61040/41 require only a few small external components.
Housed in tiny SOT23 and SON packages, the converters operate with a switching frequency up to 1 MHz. With a built-in output power MOSFET, the part requires only a few small external components. Due to high switching frequency, the output capacitors can be ceramic or tantalum. While the TPS61040 offers an internal switch current limit of 400 mA, the TPS61041 has a 250 mA switch current limit. Also, the low quiescent current (typically 28 μA), together with an optimized control scheme, allows the device to operate at very high efficiencies over the entire load current range.
Higher DC output
If your circuit requires even higher voltage, TI’s TPS61170 can be helpful. It is a monolithic, high-voltage switching regulator with integrated 1.2 A, 40 V power MOSFET. It can provide output voltages up to 38 V. The part’s datasheet presents several standard switching-regulator topologies, including boost and single-ended primary inductance converter (SEPIC). The device has a wide input-voltage range to support applications with input voltage from multi-cell batteries, or regulated 5 V or 12 V power rails.
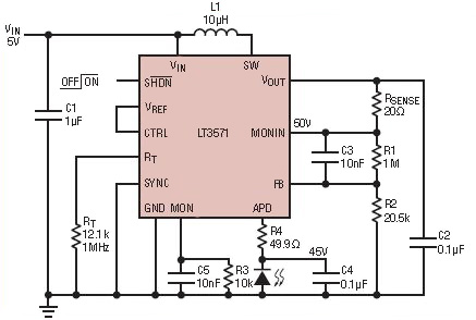
Other semiconductor suppliers offering high output voltage boost converters include Linear Technology Corp. and Maxim Integrated, among others. Linear, for instance, has developed a current mode, step-up DC/DC converter to bias avalanche photodiodes (APDs) in optical receivers (Figure 3). Designed to generate an output voltage up to 75 V, the LT3571 features a high side fixed voltage drop APD current monitor with better than 10 percent relative accuracy over the entire temperature range. The integrated power switch, Schottky diode, and APD current monitor allow a small solution footprint and low solution cost. It combines a traditional voltage loop and a unique current loop to operate as a constant-current source or constant-voltage source.

Figure 3: LT3571-based 5 to 45-V boost power supply circuit to bias avalanche photodiodes.
Linear also has in its arsenal boost converters capable of delivering output voltages up to 40 V for applications like driving LEDs and biasing LCDs. These include the LT3494/A and LT1615. While LT3494/A is tailored for delivering output voltages up to 40 V, LT1615 is rated to provide up to 34 V output.
Similarly, Maxim’s MAX1605 can boost battery voltages as low as 0.8 V up to 30 V at the output. The converter’s integrated 0.5 A MOSFET reduces external component count, and its high switching frequency allows for tiny surface-mount components. The current limit can be set to 500, 250, or 125 mA to lower output ripple and component size in low-current applications.
In summary, step-up or boost converters delivering high output DC voltages are available from major IC manufacturers. Each part has its pluses and minuses, so depending on the requirements of the design, engineers must carefully read the datasheets for key specs before selecting a part for a given application. For more information on the parts discussed in this article, use the links provided to access product pages on the DigiKey website.
Reference:
- Application Note AN-1132, “How to Apply DC-to-DC Step-Up (Boost) Regulator” by Ken Maraso, Analog Devices Inc., Norwood, MA.
Disclaimer: The opinions, beliefs, and viewpoints expressed by the various authors and/or forum participants on this website do not necessarily reflect the opinions, beliefs, and viewpoints of DigiKey or official policies of DigiKey.




