LTC2387 18-Bit, 15 Msps SAR ADC
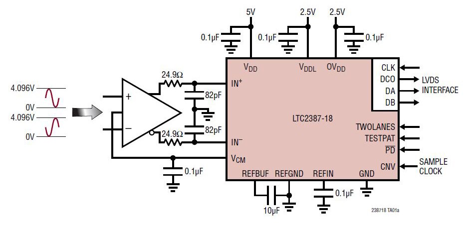
Analog Devices' LTCR2387-18 is a low-noise, high-speed, 18-bit, 15 Msps successive approximation register (SAR) ADC
Analog Devices' LTC2387-18 is ideally suited for a wide range of applications. The combination of excellent linearity and wide dynamic range makes the LTC2387-18 ideal for high-speed imaging and instrumentation applications. No latency operation provides a unique solution for high-speed control loop applications. The very low distortion at high input frequencies enables communications applications requiring wide dynamic range and significant signal bandwidth.
To support high-speed operation while minimizing the number of data lines, the LTC2387-18 features a serial LVDS digital interface. The LVDS interface has one-lane and two-lane output modes, allowing the user to optimize the interface data rate for each application.
LTC2387 18-Bit, 15 Msps SAR ADC
| Image | Manufacturer Part Number | Description | Available Quantity | Price | View Details | |
|---|---|---|---|---|---|---|
![]() | ![]() | LTC2387CUH-18#PBF | IC ADC 18BIT SAR 32QFN | 398 - Immediate | $466.83 | View Details |
![]() | ![]() | LTC2387IUH-18#PBF | IC ADC 18BIT SAR 32QFN | 400 - Immediate | $522.31 | View Details |
LTC2387 18-Bit, 15 Msps SAR ADC Demo Board
| Image | Manufacturer Part Number | Description | Available Quantity | Price | View Details | |
|---|---|---|---|---|---|---|
![]() | ![]() | DC2290A-A | DEMO BOARD LTC2387-18 | 2 - Immediate | $1,889.92 | View Details |
![]() | ![]() | DC2403A | EVAL BOARD FOR LT6200 | 5 - Immediate | $273.88 | View Details |
![]() | ![]() | DC718C | DEMO QUIKEVAL-II DATA | 7 - Immediate | $3,176.10 | View Details |











