Power Supply Operation on a 400 Hz Source
Contributed By DigiKey
2014-04-22
This article is intended to provide a general overview on using industrial power supplies with an aircraft 400 Hz electrical source.
Most large aircraft are fitted with an Auxiliary Power Unit (APU) supplying a phase to neutral 115 VAC 400 Hz source. The APU is used primarily to start the aircraft engines, but is also used to run accessories on the plane while passengers are on board and for preflight checks by the crew when the aircraft has left the gate.
The reason 400 Hz was chosen over the traditional 50/60 Hz is because of weight. A 400 Hz generator is much lighter, thus saving fuel, and the need to support a heavier unit making the airframe lighter.
MIL-STD-704F is the specification that covers Aircraft Electrical Power Characteristics for US military aircraft, and covers in detail all aspects of the requirements.
If an aircraft is being serviced on the ground, it is more convenient and safer not to have either the main engines or the APU running. In this case an external 400 Hz generator, or Ground Power Unit, is usually available. Often diagnostic equipment is not required to meet the full flight specifications, and for cost purposes a regular industrial power supply can be chosen.
TDK-Lambda is often asked if one of our AC-DC industrial power supplies will work off 400 Hz input. Usually the answer is “yes”; the following explains why:
For low wattage power supplies (50 W or less), the input circuit is a simple full-wave bridge rectifier (Figure 1).

The AC voltage is filtered and then full-wave rectified into high-voltage DC. With a 60 Hz input, the ripple voltage on the bulk cap is 120 Hz. With a 400 Hz input, the ripple voltage is 800 Hz (hence smaller), having no impact on the power supply performance.
For power supplies greater than 50 W, most AC-DC power supplies have active Power Factor Correction circuitry. Simply put, a boost converter is used to reduce the input harmonic currents by changing their shape to appear more sinusoidal, as if the load were resistive.

The Boost FET in the Figure 2 circuit is driven by a control IC. The IC regulates the converter receiving feedback from three sources: the 100-120 Hz rectified input voltage (Point “A”), the inductor current, and the DC voltage across the bulk capacitor.
Although most PFC circuits will operate from a 400 Hz input, the wave shape of the current harmonics is slightly degraded due to distortion at Point “A” (now an 800 Hz waveform). This, however, is usually acceptable for ground-based equipment.

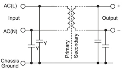
To reduce high-frequency radiated and conducted noise, power supply input filters use special “Y” decoupling capacitors connected from the Line & Neutral to Chassis (Earth) ground. In addition to high-frequency current, these Y capacitors also provide a path for 50/60 Hz current. The maximum value of this “earth leakage” current is dictated by the safety agencies like UL, particularly for equipment that is plugged into a regular wall socket found in an office. For large pieces of equipment that are hard wired to an AC source, the limits are much higher.
With a 400 Hz input, the earth leakage current is significantly increased through the “Y” (input to ground) capacitors, as that current is directly proportional to the input frequency: I=V2πfC . However, ground-based equipment running off 400 Hz generators falls into the hard-wired category, so this is not normally a problem.
One last note; although commercial power supplies are safety certified to the Information Technology Equipment standard IEC 60950-1, testing for the report is usually conducted with a 50-60 Hz input. Most ground-based aircraft systems do not fall under IEC 60950-1, but using a power supply certified to that standard means the product has been rigorously tested.

Disclaimer: The opinions, beliefs, and viewpoints expressed by the various authors and/or forum participants on this website do not necessarily reflect the opinions, beliefs, and viewpoints of DigiKey or official policies of DigiKey.