Measure Small Signals Riding on High Voltages, and Avoid Sensor Ground Loops
Contributed By DigiKey's North American Editors
2018-08-23
Designers often need to measure small voltages in the presence of high common mode voltages, particularly when working with power supplies and motor drives. This is related to the problem of ground loops when using sensors, in that both problems can be resolved through effective use of isolation amplifiers.
Isolation amplifiers provide galvanic separation between their inputs and outputs, so they transmit only the desired signals and eliminate high common mode voltages. In sensor-based monitoring systems they maintain ground separation between sensors to eliminate ground loops. They find common application in power supplies, motor controllers, remote voltage sensing, biomedical measurements, and remote data acquisition.
To explain how isolation amplifiers work and how to apply them effectively, this article will describe a typical scenario where isolation is required before discussing three common isolation methods; transformer coupling, optical coupling, and capacitive coupling. Along the way it will introduce practical solutions for each method, with a final example using a reference design.
Typical power supply scenario
Modern power supplies and motor drives require measurements of small signals in the presence of high common mode voltages. How can designers measure the load current of a push-pull FET power driver using a resistive shunt with the FET biased at over 300 volts (Figure 1a)?

Figure 1: Measuring small voltage drops in the presence of high common mode voltages (a) and eliminating ground loops (b) are common circuit applications requiring isolation. (Image source: DigiKey)
The upper (a) circuit is a typical power driver for controlling a motor or motor phase. It controls power by varying the duty cycle of the pulse waveform to the load. Supply voltages (HV+ and HV-) are in the order of several hundred volts. The current sense voltage across the shunt resistor, RSHUNT, is on the order of 10s of millivolts, but it rides on a pulse waveform which swings between HV+ and HV-. Applying this voltage to the input of a grounded instrumentation or current sense amplifier would exceed the common mode voltage limit and possibly destroy the device.
Along the same vein, how can designers measure the voltage output of a single solar cell at the top of a stack of multiple cells? Once a common mode voltage exceeds 80 volts, it requires some means of electrical isolation to separate the desired signal from it.
Consider also the question of how to isolate circuits from ground loop issues (Figure 1 b). The signal is connected from the transmitter source on the left to the receiver on the right using a coaxial cable. Stray ground currents from other circuits may find a return path through the coaxial shield connecting the two grounds. These create voltages across the cable shield series impedance causing VG2 to be different from VG1, resulting in an error at the receiver input.
Both of these applications require the ability to isolate signal connections. The solution lies with isolation amplifiers, which provide galvanic separation between their inputs and outputs. They transmit only the desired signals and eliminate high common mode voltages. Applied to eliminating ground loops in systems, they maintain ground separation between circuit elements.
How isolation amplifiers work
An isolation amplifier is an amplifier that is galvanically isolated between its input and output circuits, including their associated power supplies. This assures that there is no conductive path between the input and output sections. They exhibit extremely low leakage between sections, along with high dielectric breakdown voltage specifications. The input stage is a differential amplifier which attenuates the common mode voltage. It can do this because the inputs are within a volt of each other, and the amplifier is floating and not referenced to ground. Stray capacitive coupling between sections, which can reduce isolation, is minimized by careful design and layout. Isolation between sections is provided by either transformer, capacitance, or optical coupling (Figure 2). These coupling methods would normally block the DC and low frequency components of the signal. This shortcoming is avoided by using the input signal to modulate a carrier and transmit the full signal spectrum which is recovered by demodulation on the output side of the device. Both input and output sides use isolated power supplies.

Figure 2: A generic isolation amplifier showing the three commonly used isolation methods including either transformer, capacitive, or optical coupling. (Image source: DigiKey)
The modulation technique used is device dependent, though frequency, pulse width, or sigma-delta modulation are frequently used. Sigma-delta modulation is the most commonly encountered. Inputs are differential, and output configurations can be either single-ended or differential. Note that the input and output sections of the isolation amplifier have separate power connections. Generally, the input section uses a ‘floating’ supply that is not ground referenced. Maintaining good isolation requires that the supplies be well isolated.
The isolation amplifier ratings for maximum voltage difference between applied inputs and the output(s) are usually specified for sustained DC and AC voltages. The maximum applied voltage for transients is specified separately with the timing of the transient condition. These specifications apply as long as the physical layout maintains the recommended spacing between device input and output pins, which is carefully spelled out in the data sheet.
Transformer (magnetic) coupling
Transformer coupled isolation is, historically, the oldest way to isolate circuits. The Analog Devices AD202JY is a magnetically coupled isolation amplifier (Figure 3).

Figure 3: The Analog Devices AD202JY uses transformer coupling to achieve 1000 volts DC isolation using a single 15 volt non-isolated supply. (Image source: Analog Devices)
The AD202JY has a maximum isolation voltage rating of 750 volts RMS AC at 60 Hertz (Hz) and 1000 volts DC, plus AC continuous. It uses dual transformers, the first of which is for the signal path. The second couples a 25 kHz carrier from the output to the input side and is the carrier for the modulator. It is also used to generate dual isolated power outputs for the input section. This fulfills the need for a separate isolated power supply.
The gain of the amplifier is user settable between 1 and 100 volts/volt, and it has a full power bandwidth of 5 kHz. The output stage is an un-buffered differential output capable of supplying ±5 volts.
Optical coupling
Optical coupling is another possibility for providing isolation between the input and output of an isolation amplifier. The input section of the isolation amplifier drives a light emitting diode (LED), the light from which is picked up by a photo transistor in the output section (Figure 4). The link is totally optical, with no electrical connection between the LED and the phototransistor.

Figure 4: The functional diagram of a Broadcom ACPL790X isolation amplifier family shows the use of an optical link to provide electrical isolation between input and output. (Image source: Broadcom Limited)
The Broadcom ACPL790 family of isolation amplifiers combines outstanding optical coupling with sigma-delta converter technology and chopper stabilized amplifiers to offer high voltage isolation, differential output, and a bandwidth of 200 kHz. It has an IEC/EN/DIN EN60747-5-5 working insulation voltage of 891 volts (peak). There are three products in the family that differ in their accuracy specification. The ACPL-7900 offers 3% accuracy; the ACPL-790A has 1% accuracy; the ACPL-790B has 0.5% accuracy.
Capacitive coupling
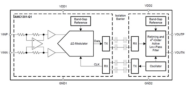
The Texas Instruments AMC1301 isolation amplifier represents the third method of obtaining isolation, namely, capacitive coupling (Figure 5).

Figure 5: The TI AMC1301 uses two series capacitors in each leg of its reinforced isolation barrier to provide capacitive isolation. (Image source: Texas Instruments)
The AMC1301 is a differential output isolation amplifier with an isolation voltage rating of 1500 volts (peak). The input stage of the isolation amplifier consists of a differential amplifier that drives a delta-sigma modulator. The isolated clock (carrier) is derived internally. The transmitter (TX) driver transfers data across the dual capacitor isolation barrier. The received modulated data is demodulated and synchronized on the low-side with the clock and output as a differential signal. The AMC1301 has a fixed gain of 8.2 and a nominal bandwidth of 200 kHz (typical).
As in the previous discussions, the input and output sides of the AMC1301 require isolated power supplies.
AMC1301 reference design
Texas Instruments supplies a reference design example for the AMC1301 isolation amplifier as a TINA-TI simulation (TINA-TI is a free circuit simulator available from Texas Instruments). The circuit has a 200 millivolt (peak), 5 kHz signal riding on a 500 volt common mode voltage as a simulated input. The differential output has a peak amplitude of 1.6 volts with a 0 volt offset into a 10 kilohm load. This example shows the power of the isolation amplifier in eliminating the large common mode offset, 500 volts in this case, from the input signal.

Figure 6: The Texas Instrument reference design for the AMC1301, running as a simulation in TINA-TI, is an example of the AMC1301 providing isolation for a 500 volt common mode DC offset. (Image source: DigiKey)
Isolating ground loops
The isolation between input and output of the isolation amplifier can be used to break up ground loops, such as the one depicted in Figure 1b. By placing the isolation amplifier between the transmitter and receiver, the ground connection between them through the coaxial cable is broken, and there is no direct ground path between them (Figure 7).

Figure 7: Interposing an isolation amplifier between the transmitter and receiver eliminates the ground loop due to the original coaxial cable connection. (Image source DigiKey)
Conclusion
The isolation amplifier, whether based on magnetic, optical, or capacitive coupling, is a useful tool for measuring small signals riding on high common mode voltages, or for isolating circuit grounds to eliminate ground loops in systems with bandwidths of up to 200 kHz. They find common application in power supplies, motor controllers, remote voltage sensing, biomedical measurements, and remote data acquisition.
Disclaimer: The opinions, beliefs, and viewpoints expressed by the various authors and/or forum participants on this website do not necessarily reflect the opinions, beliefs, and viewpoints of DigiKey or official policies of DigiKey.

