Get the Most Out of Exotic Processes for 5G LNAs
Contributed By DigiKey's North American Editors
2018-11-29
As the development of 5G wireless networks continues, the performance of the front end of a radio is an increasingly critical element in the RF receiver signal path, particularly with respect to the low-noise amplifier (LNA). With the emergence of new process technologies for LNAs such as silicon germanium (SiGe), gallium arsenide (GaAs), and silicon on insulator (SOI), designers must re-evaluate the performance tradeoffs in LNA parameters such as noise, sensitivity, bandwidth, and power to use them effectively.
The importance of the front end cannot be overstated as it largely determines the ultimate system performance with respect to weak signal situations and achievable bit error rate. If the LNA performance falls short, the remaining design efforts in circuity and receive channel management to meet 5G performance will be of little use.
This article will discuss the state of 5G and the requirements it puts on LNA performance. It will then introduce solutions using the latest processes that can help meet those requirements and how to get the most out of them.
The state of 5G in 120 words or less
A tall order, but here goes: Though the 5G specifications were finalized, it is still a work in progress. Many of the aspirational features of 5G are still to be finalized, pending more meetings, field trials, and input from component vendors and wireless carriers, among others.
However, a few issues are already clear: 5G designs will occupy new blocks of the electromagnetic spectrum, although some initial implementations will still be below 6 gigahertz (GHz). Most 5G systems will be operate in the millimeter wave bands, with the 27 - 28 and 37 - 40 GHz bands available in the U.S. There are even some preliminary allocations above 50 GHz. Due to technical challenges, the first millimeter wave implementations will be in the 27 - 28 GHz band.
The specific role of the LNA
Even though the 5G specification allows many options for modulation, power, data rates, and other capabilities, most of these are generally of little concern to the receive channel LNA. This component must do one thing and do it well: capture and amplify the weak, noise corrupted signal from the antenna while adding as little noise as possible. Therefore, it’s meaningful to start looking closely at the LNA itself without being too concerned with the higher level specification issues as they continue to evolve.
The primary LNA specification for acceptable operation in a specified band is noise figure (NF), which is the amount of intrinsic noise added by the LNA. For 5G, especially approaching 28 GHz, the NF generally needs to be between 1 and 3 dB, although one or two dB higher may be acceptable in some situations. (See “I Understand Noise Figure, but How Did Noise Get a ‘Temperature’?” for a more in-depth discussion of some of the more common noise factors.) Gain generally needs to be between 15 and 20 dB to boost the received signal to a range where it can be properly handled by subsequent amplifiers, filters, and digitization.
Finally, the linearity related factors of output 1 dB compression (called OP1 or P1dB) and output 3rd order intercept (OIP3) need to be at least -20 and -35 dBm, respectively. At the lower 5G bands, these requirements are less stringent on OP1 and OIP3, in the -20 dBm range for the former and -10 to -15 dBm for the latter. Note that a larger negative value indicates superior performance (-25 dBm is better than -20 dBm), but many data sheets leave off the negative sign which can cause confusion.
Since they are functionally just “simple” amplifiers, LNAs have a very basic block diagram – usually just an amplifier triangle – and need only a few package leads, typically between six and eight. A consequence of this simplicity is that their packages are tiny, on the order of between 1 and 2 millimeters on each side, and many are smaller.
New processes advance LNAs towards 5G
There are many high-performance LNAs which are tailored to lower frequencies of several GHz (such as the 2.4 GHz and 5 GHz bands), but they do not meet the difficult requirements of 5G front ends. Since silicon-based LNAs appear to be reaching their performance limits, newer semiconductor materials and processes are being used to meet the demanding blend of 5G performance specifications. Even at the lower 5G bands, standard silicon does not have a low enough noise figure and adequate OP1/OIP3 ratings for 5G, with its lower transmit and receive signal levels, compared to existing wireless standards.
For these reasons, vendors have invested heavily in R&D as well as volume production of new processes based on SiGe, SOI, and gallium arsenide (GaAs) materials, which offer higher electron mobility, smaller geometries, and lower leakage.
For example, using a SiGe process, Infineon Technologies’ BGA8U1BN6 LNA has a noise figure of just 1.6 dB, with an OP1 between 18 and 22 dBm and an OIP3 between 10 and 15 dBm. It operates between 4 and 6 GHz with a gain of 13.7 dB.
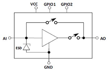
In addition, the BGA8U1BN6 offers a power saving feature by which it can be directed to go to a bypass mode, where it simply passes the input signal to the output with a 7.5 dB insertion loss (Figure 1). This feature is useful when the received signal strength is high, as it both prevents overload of the subsequent stage, and also cuts the LNA supply current with a 2.8 volt supply from around 20 milliamps (mA) down to approximately 100 microamps (µA), a significant savings.

Figure 1: The SiGe BGA8U1BN6 LNA from Infineon Technologies includes a bypass mode which takes the LNA out of the signal path; this reduces gain and prevents overload and saturation in subsequent stages while also reducing current requirements. (Image source: Infineon Technologies)
A bypass mode is also available in Skyworks Solutions’ SKY65806-636LF, an SOI LNA for 3400 to 3800 MHz. The gain is similar to that of the Infineon device at 13.6 dB, while the noise figure is just 1.2 dB. The supply voltage range is 1.6 to 3.3 volts, with an operating current of just 3.85 mA. Like the LNA from Infineon, this 50 Ω LNA includes a user controlled bypass function.
The ADL5724 LNA from Analog Devices also uses a SiGe process for 12.7 GHz to 15.4 GHz operation (Figure 2). Its 100 Ω balanced differential output is well-suited for driving differential downconverters and analog-to-digital converters. The typical gain is greater than 23.7 dB, while the typical noise figure is 2.1 dB at 12.7 GHz and 2.4 dB at 15.4 GHz.

Figure 2: The SiGe ADL5724 from Analog Devices provides balanced, differential outputs which support enhanced signal integrity between it and the next stage of the signal chain. (Image source: Analog Devices)
Since many LNAs are typically not deployed into stable temperature environments, the ADL5724 data sheet includes graphs of critical performance factors versus temperature (Figure 3).

Figure 3: The performance of an LNA is dependent on temperature as shown by these graphs of (a) gain and (b) noise figure, both versus frequency, at -40⁰C, +25⁰C, and +85⁰C. Note how gain decreases while noise figure increases with increasing temperature. (Image source: Analog Devices)
For the ADL5724, the gain decreases slightly with temperature while the noise figure increases. This performance is typical of LNAs, regardless of process. Designers need to take these shifts into account in their worst-case modeling and simulations of signal chain performance.
For high dynamic range and low noise, MACOM Technology Solutions Holdings (MACOM) has the MAAL-011078, a high dynamic range, GaAs, single-stage LNA with an ultra-low noise figure of just 0.5 dB at 2.6 GHz. It also offers 22 dB gain and a high linearity of 33 dBm (OIP3) and 17.5 dBm (P1dB). The IC, which covers 700 MHz to 6 GHz, includes an additional feature: an integrated active bias circuit so users can set its bias (operating point) current via an external resistor. As a result, the user can tailor the power consumption to fit the application. For example, choosing somewhat reduced performance for lower operating current (Figure 4).

Figure 4: The MAAL-011078 from MACOM allows users to set the LNA bias current and operating point via an external resistor, thus trading lower operating current for changes in OIP3 (left), and reduced P1dB performance (right) versus frequency. (Image source: MACOM)
Getting the most out of a 5G LNA
Once the choice of a suitable LNA for 5G has been made, there are some considerations and accommodations required to implement a 5G front end design in order to get the most out of that LNA. As the operating frequency goes past 5 GHz, 10 GHz, there are five major factors to consider, in addition to the LNA itself.
1: The pc board material selection - In the gigahertz range, transmission line losses at the LNA input and output are a major factor. This is especially true of the input side as losses there degrade maximum achievable signal-to-noise ratio and also add to the LNA output noise. As the transmission line in most designs is fabricated as stripline on the pc board itself, the board must be made of a low loss dielectric material.
The ubiquitous FR4 pc board laminate alone is inadequate, so vendors offer a range of alternative materials and laminates. One widely used board uses a special laminate placed over an FR4 core to provide a stable loss factor for the transmission line, but with the underlying strength of FR4 as a stiffener.
Keep in mind that at these frequencies, the pc board must be regarded as another passive “component” in the circuit design, with the parasitics that all other passives have. Further, even subtleties such as the temperature coefficient of the board’s primary characteristics and its parasitics must be considered. Vendors of the higher performance pc board materials provide this data.
2: Capacitor selection – High Q capacitors must be used for the input and output matching circuit to maintain low noise figure into and out of the LNA. Low Q components will degrade noise figure by anywhere from 0.2 dB to a full dB. Widely used NPO capacitors have low Q and higher losses, and so should be avoided. The highest Q capacitors are porcelain based, but these are expensive. It’s possible to find a happy medium, depending upon the performance and cost analysis.
3: Power supply bypassing - It’s widely known, but often overlooked, so it bears repeating. Careful and thorough bypassing of power supply DC at the IC and elsewhere is essential to ensure stable, consistent, high-frequency performance. The chosen bypass capacitors should have an impedance minimum at the frequencies needed to maximize decoupling performance.
For example, a 1000 picofarad (pF) capacitor is not a good choice for high-frequency decoupling. At 5 GHz, the self-resonant frequency of a 1000 pF capacitor makes it look like an inductor, and thus might actually be counterproductive to decoupling. Instead, a small value capacitor (typically less than 10 pF) should be placed close to the LNA. In addition, the design should include conventional lower frequency decoupling using a parallel combination of 1000 pF and 0.01 µF capacitors. These do not need to be located close to the LNA.
4: Input and output matching - While many LNAs have 50 Ω impedance for their input and output, some do not. Even if they do, the circuitry driving the LNA and the circuitry which the LNA output drives may not be at 50 Ω. Therefore, a matching circuit must be created with Smith chart and S-parameters used to establish the appropriate match options. Again, the reactive passive components – inductors and capacitors – used at the 5G frequencies will have unavoidable parasitics of various types: internal, to nearby components, and to the pc board.
Designers should do three things: choose matching components designed for low parasitics at these frequencies; ensure that the unavoidable parasitics are fully characterized in the context of component placement; and use these values in modeling the matching circuit and adjusting nominal values as a consequence.
5: Cable interconnects - Some 5G installations will need interconnects that go beyond the pc board and its stripline transmission lines, and instead need physical cables. If differential interfacing is used – as is often the case to keep circuits balanced and less susceptible to noise – these cabled interconnects may require skew-matched pairs of cables with ideally identical propagation characteristics.
For this reason, high performance cables for 5G frequencies reaching to 40 GHz and beyond often have their delay matched to 1 psec. They are sold and used as pairs, and the two physical cables include “restraint bands” to keep them paired at all times as they cannot be installed or replaced individually. Using these cables allows the differential circuit to realize the performance of high-end LNAs as they drive the next stage of the signal chain.
Conclusion
The 5G wireless standard is pushing operating frequencies higher, into the multi-GHz and tens of GHz ranges. It is also demanding lower noise/lower distortion performance from the analog circuitry, especially the low noise amplifier. New IC process technologies such as SiGe, SOI, and GaAs are addressing these needs. However, the performance of superior LNAs can be diminished by insufficient attention to the realities of RF at these higher frequencies.
Disclaimer: The opinions, beliefs, and viewpoints expressed by the various authors and/or forum participants on this website do not necessarily reflect the opinions, beliefs, and viewpoints of DigiKey or official policies of DigiKey.

