Find the Right Low-Noise Amplifier for Precision ADCs
Contributed By DigiKey's North American Editors
2017-09-14
Automatic test equipment, instrumentation, precision medical equipment and process control require a good match of the noise specifications between the converter’s driving amplifier (op amp) and the analog-to-digital converter (ADC). However, a disparity in how op amps and ADCs are specified makes it difficult for designers to find a proper match if they don’t have a prior knowledge of the correct techniques to do so.
It’s understood that for precision applications, the input driving network produces lower noise than the following ADC, hence the converter dominates the noise landscape. A good match requires that the op amp circuit noise is less than approximately one-third of the ADC noise.
However, the op amp’s noise specifications are given across the amplifier’s frequency spectrum in terms of voltage noise density in volts per √frequency units and integrated voltage noise in Vrms units. For the ADC, noise units only summarize the noise with the signal-to-noise-ratio (SNR) specification in decibels (dB).
It is this disparity in the specification units that makes it difficult to quickly determine the appropriate amplifier and ADC combination.
This article briefly discusses the noise specification relationship between the driver amplifier (op amp) and ADC. In this discussion, the SNR definitions of the driving amplifier and ADC provide enough information to determine the device’s compatibilities. The text will go on to use a sample op amp (Analog Devices’ ADA4622-1ARZ) and ADC (Maxim Integrated’s MAX1156ETC+T) to demonstrate evaluation techniques that match the noise specifications between the analog and digital domains.
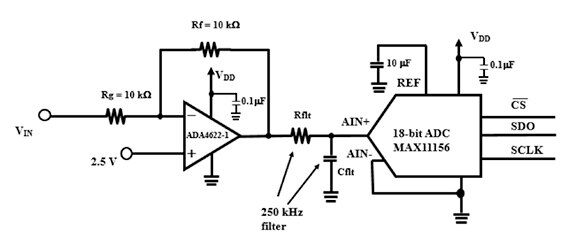
SAR-ADC driver circuit
The SAR-ADC driver circuit configuration in Figure 1 has the amplifier, in a gain of -1 V/V, driving the ADC input, AIN+.

Figure 1: A diagram of a typical ADC amplifier driver circuit shows Analog Devices’ ADA4622-1 op amp driving the AIN+ input of Maxim Integrated’s MAX1156ETC+T ADC. (Image source: DigiKey)
In this circuit, the use of the inverting amplifier configuration is an advantage because the common-mode voltage of the amplifier’s input stage remains stationary at 2.5 V.
Following the ADA4622-1 amplifier is a 250 kHz, 1st order filter. With a corner frequency of 250 kHz, the filter attenuates signals at 20 dB/decade above that corner. In this circuit, the filter design matches the MAX11156 Nyquist frequency of the 500 ksps sampling rate. The filter function reduces the amplifier’s high frequency noise. For different ADC sampling rates, the filter corner frequency always equals the ADC sample rate divided by two.
Given this circuit system, we will divide the noise analysis into two blocks: the op amp circuit and the ADC.
Operational amplifier noise
The final objective in our amplifier noise evaluation is to calculate the total amplifier output rms noise, including the 250 kHz filter. Calculating an rms output noise figure is contrary to the operational amplifier specifications, where the noise parameters are referred-to-input (RTI). In this evaluation, the amplifier, Rg and Rf resistors, and the 250 kHz filter are part of the amplifier noise evaluation. All noise contributors will be added together to create a single amplifier output noise value.
Gained amplifier noise
Although the amplifier signal gain is equal to –1 V/V, the noise gain is very different. A closer look shows that the position of the amplifier noise is graphically in the op amp’s non-inverting input terminal (Figure 2).

Figure 2: Amplifier circuit noise sources showing that the amplifier noise is at the non-inverting input. (Image source: DigiKey)
This noise is gained to the amplifier output by the noise gain of (1 + Rf/Rg). Since Rf equals Rg, the noise gain is equal to 2 V/V.
The amplifier noise specifications are always referred-to-input (RTI) specifications. In the device’s specification table, the noise performance labels are voltage noise and voltage noise density (Figure 3).

Figure 3: A graphical and tabular representation of ADA4622-1 amplifier’s noise shows the voltage noise density on the y axis. The voltage noise is represented in the 1/f region of the amplifier noise response.
The voltage noise represents the noise in the 1/f region of the amplifier noise response. The units that describe this region are microvolts, peak to peak (µVp-p). The second noise region is in the broadband noise area. The table specification that describes this region is voltage noise density. Another name for voltage density is spot noise. This specification specifically defines the noise at 10 kHz. Theoretically, the noise across this region is constant.
1/f noise calculation
The execution of the 1/f calculation includes the voltage noise density at 1 Hz or C, and the signal bandwidth of the closed loop circuit or f1, and 0.1 Hz or f2 (Equation 1).
![]()
This calculation provides an equivalent rms voltage for the amplifier’s 1/f region. Substitute the ADA4622-1 amplifier noise values into Equation 2:
![]()
This renders 0.441 mVrms (Equation 3).
![]()
Broadband noise calculation
The contribution of the amplifier’s noise density uses the voltage noise density specification and the Nyquist bandwidth, minus the 1/f corner frequency (Equation 4).
![]()
![]()
![]()
Combined amplifier noise
The 1/f noise and broadband noise contributions are uncorrelated. The proper additive formula for uncorrelated noise sources is a root-sum-square (RSS) algorithm. Additionally, both the 1/f noise and broadband noise are multiplied by the amplifier’s noise gain, which is (1 + Rf/Rg), or 2 V/V.
The total amplifier noise at the AIN+ node equals 12 mVrms (Equation 9).

![]()
![]()
Resistor noise
All resistors generate thermal noise. Thermal noise is a result of electron thermal agitation within the resistor and is unavoidable. The noise sources for Rg, Rf, and Rflt follow the associated resistor symbol (Figure 2).
The calculation for ideal resistor noise contains Boltzmann’s constant (K), Kelvin temperature (T), the resistance (R), and the signal bandwidth (BW) (Equation 10).
![]()
Where K = 1.38e-23 joules/°Kelvin, T = 298°Kelvin, and BW = 250 kHz
![]()
![]()
![]()
The Rg, Rf and Rflt noise contributions are uncorrelated. As we add these three values, this warrants the use of the RSS formula.
The total resistor noise at the AIN+ node equals 12 mVrms (per Equation 9).
![]()
![]()
![]()
Combined amplifier block noise
The RSS formula combines amplifier noise and resistor noise sources (Equation 17).
![]()
![]()
![]()
The final task as we calculate the amplifier noise at Ain+ is to change the value into a Signal-to-Noise ratio to match the ADC specification format.
![]()

![]()
Analog-to-digital converter noise
The MAX11156 18-bit, 500 ksps SAR ADC has a significant number of specifications, but in this evaluation the SNR performance value describes the RTI, ADC noise. The SNR is a calculated rms value that represents the ratio of ac signal power to noise power below one-half of the sampling frequency. The noise power excludes harmonic signals and dc. The ideal ADC SNR equals (6.02 N + 1.76) dB, where N is the number of ADC bits. For the MAX11156, the ideal SNR is 110.12 dB. The MAX11156’s measured SNR is typically 94 dB.
Combining the amplifier and converter noise
At this point, all the noise values are represented in decibels (dB). The output of the amplifier section, including the amplifier, resistors and low-pass filter, is 103 dB. Once again, an RSS formula combines the amplifier and ADC noise values, however the dB units complicate the formula a bit (Equation 23).
![]()
![]()
The RSS SNR value of this system is 94.01 dB and the MAX11156 SNR value is 94 dB. As one can see, the input amplifier does not compromise the system noise.
Please note that the op amp circuit is ~2.8 times (or 9 dB) lower in noise.
Conclusion
This article demonstrates the noise specification relationship between the driver amplifier and ADC. In this discussion, the SNR definitions of the driving amplifier and ADC provide enough information to determine the system’s compatibilities. It was found that the ADA4622-1 (op amp) had significantly lower noise performance than the MAX11156 (ADC).
Following this calculation technique, designers can be assured of a good op amp to ADC match for precision applications.
References
- Operational Amplifier Noise: Techniques and Tips for Analyzing and Reducing Noise, Kay, Art, Newnes-Elsevier, 2012
- A Baker’s Dozen: Real Analog Solutions for Digital Designers, Baker, Bonnie Newnes-Elsevier, 2005
- “A Glossary of Analog-to-Digital Specifications and Performance Characteristics”, Baker, Bonnie, Texas Instruments, SBAA147B
- Noise Reduction Techniques in Electronic System, Ott, Henry W., John Wiley & Sons, 1988
Disclaimer: The opinions, beliefs, and viewpoints expressed by the various authors and/or forum participants on this website do not necessarily reflect the opinions, beliefs, and viewpoints of DigiKey or official policies of DigiKey.


