Effective Implementation of SiC Power Devices for Longer-Range Electric Vehicles
Contributed By DigiKey's North American Editors
2019-08-07
While the batteries in electric and hybrid electric vehicles (EVs/HEVs) get a lot of attention, the engineering reality is that the subsystem for overall power management—which includes functions such as basic motor drive, on-board and external chargers, power use, and regenerative braking—is equally important for enhancing EV performance. Consequently, as the demand for EVs continues to increase, there has been significant emphasis on the development and adoption of improved components that can optimize EV battery use and extend the vehicle’s driving range.
The transition from standard metal-oxide-semiconductor field-effect transistors (MOSFETs) as power control devices to FETs based on silicon carbide (SiC) substrate and process technology represents a major step toward enhancing the efficiency and overall system-level characteristics of EVs. However, SiC devices require a new understanding of their critical specifications and drive requirements to fully realize their benefits.
This article outlines the power requirements of EVs and HEVs, explains why SiC-based power devices are well-suited to this function, and clarifies the functions of their complementary device drivers. After a brief discussion on the implications of the AEC-Q101 standards for automotive-qualified discrete devices, it introduces two AEC-qualified SiC power devices from ROHM Semiconductor and highlights key characteristics that must be considered for successful designs.
Powering EVs and HEVs
The demands on the power subsystems of all vehicles—internal combustion (IC), EVs and HEVs—have been growing at an exponential rate to support functions such as advanced driver assistance systems (ADAS), power windows, doors, and mirrors, internal networks and connectivity, radar, entertainment systems, GPS, and more.
The primary power source for IC vehicles is usually the standard 12 V, 100 to 200 ampere hour (Ah) lead acid battery. However, that amount of power is modest compared to the requirements of EV batteries, which additionally need to provide “prime-mover” power (Figure 1). As a result, the battery pack capacity in an EV ranges from 50 to 150 kilowatt-hours (kWh) depending on the vehicle function, size, and vendor, with a typical voltage of 200 to 300 volts. For an apples-to-apples comparison, convert this to Ah using the formula: Ah = (kWh × 1,000)/volts.
Figure 1: The battery-based power subsystems in an EV provide power for the traction motors and related functions along with the many now standard features and functions that drivers expect. (Image source: ROHM Semiconductor)
In addition to the many smaller DC/DC converters for internal functions and charging, many—but not all—EVs use variable-frequency alternating current (AC) via direct current (DC)/AC converters to power their traction motors. Traction motor power ratings range from around 150 horsepower (hp) for low-end vehicles to over 500 hp for a top-of-the-line Tesla. Given that one horsepower is equivalent to about 750 watts (W), the amount of current needed for the motors is substantial.
While many factors determine the overall effectiveness of power subsystems, among the most important is the performance of the switching regulators. These take raw battery power and transform it into the voltages/currents needed for the drivetrain as well as for battery charging.
The reason is simple: at a current level of hundreds of amps, basic current-resistance (IR) drop becomes a critical parameter. For example, at 100 A even 100 milliohms (mΩ) of on-resistance (RDS(ON)) is detrimental in two ways: first as 10 volts of loss of deliverable potential, and second as 100 W of power (I2R) dissipation that must be managed. In addition, along with these RDS(ON) losses there are also switching losses in the DC/AC and DC/DC converters that degrade efficiency and battery life while adding to the thermal load to be dissipated.
Why consider SiC?
These static losses point to two well-known tactics for reducing IR drop and I2R losses: 1) Reduce on-resistance, and 2) Increase the system operating voltage which, in turn, reduces the current required to deliver a given amount of power to a load. For the dynamic switching losses, any device improvement that can reduce these losses (which are related to device physics, switching frequency, and other factors) will have a huge impact.
For the past several decades the dominant power-switching devices have been silicon (Si)-based MOSFETs and insulated-gate bipolar transistors (IGBTs). While technological advances have greatly increased their performance, improvements have largely plateaued. At the same time, EVs require switching devices with ever-better specifications to be viable and attractive.
Fortunately, over the past few decades another solid-state MOSFET process technology has matured, one based on silicon carbide (SiC) material rather than basic silicon alone, comprised of equal parts silicon and carbon linked via covalent bonding. Although there are over 100 distinct SiC polytypes (unique structures) of SiC, types 4H and 6H are of greatest interest due to production and processing reasons.
SiC MOSFETs offer a number of key dominant attributes over Si-only MOSFETS:
- SiC provides a critical electrical field around eight times higher than that of Si, making it well-suited for power semiconductor devices. The high dielectric strength allows for a much thinner die, which can be doped to a much higher level, leading to lower losses.
- SiC has thermal conductivity about three times higher than that of Si, so any heat generated can be transferred via conduction with a much lower temperature drop across the material itself.
- SiC exhibits a very high melting temperature that enables operation well over 400°C (standard Si is limited to 150°C). This higher operating temperature greatly simplifies cooling requirements, allowing SiC devices to operate in higher ambient temperature environments as there is still a sufficient temperature differential to support conduction and convection thermal flow.
- SiC supports a maximum current density two to three times that of silicon devices, making it possible to reduce both component and system costs for a given power level.
As shown in Table 1, the critical physics-level electrical property specifications of standard silicon, 4H SiC, and 6H SiC differ significantly. The higher band gap energy and critical electrical field values of SiC support higher voltage operation while smaller electron and hole mobility factors result in lower switching losses that enable operation at higher frequencies (which also leads to smaller filters and passive components). At the same time higher thermal conductivity and operating temperature simplify cooling requirements.
|
Table 1: Key electrical properties at the basic materials level for silicon, two types of SiC, and, for comparison, diamond. (Table source: Semantic Scholar)
SiC maturity and AEC-Q101
The transition of SiC devices from theoretical promise to practical realization did not come quickly or easily, however. But over the past decade SiC-based MOSFETs have matured, evolving through several generations – each bringing both process improvements and significant structural changes.
For example, ROHM Semiconductor has long offered its 2nd generation SiC devices that have been widely adopted in automotive applications. Most standard SiC MOSFETs, including these 2nd generation devices, use a planar structure which approaches the lower limit of the internal FET resistance as the cell size is reduced (Figure 2). In contrast, ROHM’s 3rd generation products utilize a double trench structure formed under the gate and the source, making it possible to effectively reduce both channel size and on-resistance.
Figure 2: The transition in ROHM’s SiC devices from 2nd to 3rd generation includes process enhancements as well as major structural changes. (Image source: ROHM Semiconductor)
With ROHM’s 3rd generation SiC MOSFETs, the proprietary trench gate structure reduces on-resistance by 50% and input capacitance by 35% over existing planar type SiC MOSFETs. This results in significantly lower switching loss and faster switching speeds, improving efficiency. Also, compared to 600 V and 900 V devices, these 1200/1800 V SiC MOSFETs feature a smaller chip area (and therefore package size), along with lower recovery loss through the body diodes.
Meeting AEC standards
Another issue that has accompanied the maturity and multiple generations of SiC devices is their ability to be fully qualified under the AEC-Q101 standard. This standard is based on a set of specifications from the Automotive Electronics Council (AEC), an organization comprised of major automotive manufacturers and US electronic component makers responsible for establishing reliability tests for automotive electronics. The key protocols are:
- AEC-Q100 (IC devices)
- AEC-Q101 (Discrete components such as MOSFETs)
- AEC-Q102 (Discrete Optoelectronics)
- AEC-Q104 (Multichip Modules)
- AEC-Q200 (Passive Components)
The AEC-Q101 standard is much more stringent than that widely used in industrial applications. AEC specifications establish a set of grades, as shown in Table 2. SiC devices can meet Grade 0 (-40°C to +150°C) while Si-only devices generally cannot. Grade 1 is suitable for in-cabin applications and ensures that the device can stably operate within an ambient temperature range of -40°C to +125°C, but powertrain and under-hood situations require Grade 0.
|
Table 2: AEC reliability qualification standards are much more challenging than those used for commercial and industrial applications. (Table source: Texas Instruments)
Please note that some vendors are reporting that industrial applications are increasingly using the AEC-Q100 series of specifications to ensure enhanced reliability. This is practical from a cost perspective as the widespread adoption of electronic devices and components in automobiles has greatly reduced the industrial-versus-automotive price differential.
SiC devices support moderate to high current designs
SiC devices are not just for high current applications in EVs. In addition to the drivetrain, there are many lower power functions (i.e. power seats/windows, seat and cabin heaters, battery pre-heaters, AC motors, power steering) that can benefit from the characteristics of SiC MOSFETs.
For example, ROHM’s SCT3160KL is an N-channel SiC power MOSFET optimized for loads up to 17 A (Figure 3). It is housed in a TO-247N package measuring just 16 mm (w) x 21 mm (h) x 5 mm (t), and includes a thermal tab on the backside that enables easy attachment to a heatsink (Figure 4). Its top-level specifications show that is it a good fit for modest current and power requirements (Table 3).
Figure 3: ROHM’s SCT3160KL is a basic N-channel SiC power MOSFET for loads up to 17 A. (Image source: ROHM Semiconductor)
Figure 4: The SCT3160KL is offered in a 16 mm × 21 mm × 5 mm package and includes a backside thermal tab that provides enhanced heatsinking potential. (Image source: ROHM Semiconductor)
|
Table 3: The basic specifications of SCT3160KL show its suitability for the many smaller loads in an EV or the power needs of other applications. (Table source: ROHM Semiconductor)
The maximum safe operating area (SOA) graph illustrates how this SiC device is well suited for a pulsed operation cycle, which is typical of switching supplies and regulators at higher voltages (Figure 5).
Figure 5: The SOA graph for the SCT3160KL establishes and restricts the maximum limits of drain current, drain-source voltage, and pulse power handling. (Image source: ROHM Semiconductor)
Of course, the benefits of SiC-based devices are most apparent at higher current levels. Consider ROHM’s SCT3022AL, also an N-channel SiC power MOSFET in a TO-247N package. Its primary specifications (Table 4) and SOA (Figure 6) show that it is a good fit for motor drive power conversion, battery management, and charging battery packs in EVs—a consequence of its lower on-resistance and higher current ratings.
|
Table 4: ROHM’s SCT3022AL N-channel SiC power MOSFET is well-suited to higher current designs due to its low on-resistance value and other attributes. (Table source: ROHM Semiconductor)
Figure 6: The SOA diagram for the SCT3022AL N-channel SiC power MOSFET clearly shows its ability to efficiently support use of relatively high currents and power levels. (Image source: ROHM Semiconductor)
Gate drivers that complement SiC FETs
Power devices alone—whether they be silicon MOSFET, SiC FET, or IGBT—are only part of the power conversion/control design equation. In reality, it takes three functions for a high power “signal chain” to operate: the controller, gate driver, and power semiconductor.
Although SiC devices share similar characteristics to Si devices (and IGBTs) with respect to drive, they also exhibit significant differences. For example, due to the low transconductance of SiC MOSFETs, the transition from the linear (ohmic) region to the saturation region is not as sharply defined as it is for Si devices. As a result, for SiC devices the on-state gate-source voltage (VGS) is greater than 20 volts while the off-state value is between -2 volts and -5 volts (since the VGS threshold has a low noise margin).
SiC drivers require the following:
- A relatively high supply voltage (25 to 30 volts) to achieve high efficiency through low conduction losses
- Higher drive current (typically >5 A) and a low-impedance, fast-slewing driver with instantaneous rate of voltage change over time (dV/dt) for lower switching losses when driving current into and out of the gate capacitance
- Fast short-circuit protection (typically <400 ns response), as SiC devices switch faster than Si devices
- Reduced propagation delay values and unit-to-unit skew (again for high efficiency)
- Finally, ultra-high dV/dt immunity to ensure robust operation in high current, high voltage operating environments
The differences between SiC-based FETS, Si MOSFETs, and IGBTs are summarized in the following table.
|
Table 5: While Si-based MOSFETs and IGBTs have somewhat similar drive requirements, the specifications for SiC device drivers are quite different. (Table source: Texas Instruments)
Due to the high voltages at which these devices operate together with various other system topology factors, regulatory issues related to creep and clearance dimensions are typically included in the design criteria. In addition, it is almost always necessary to have galvanic (ohmic) isolation between the controller and the power devices.
This isolation can be provided by a separate, independent component placed between the controller and driver or embedded within a multichip drive. The latter choice results in a smaller overall footprint, but some designers prefer to use independent isolators so they can choose the isolation technique (e.g. magnetic, optical, capacitive) along with performance specifications.
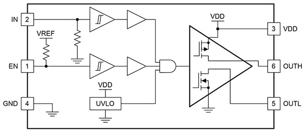
For example, Texas Instruments’ UCC27531-Q1 is an AEC-Q100-qualified (Grade 1) non-isolated single-channel, high-speed gate driver for SiC (and other) devices (Figure 7). It delivers peak current drive up to 2.5 A in source mode and 5 A in sink mode at 18 volts VDD. Strong sink capability in asymmetrical drive mode boosts immunity against parasitic Miller turn-on effect. The typical 17 ns (typ.) propagation delay and fast rise/fall times of 15/7 ns while driving an 1800 pF load make it a good fit for SiC devices.
Figure 7: The non-isolated UCC27531-Q1 gate driver from Texas Instruments is well-suited to the technical requirements of SiC switching devices. (Image source: Texas Instruments)
Although this tiny, six-lead SOT-23 driver appears to be a simple component that provides straightforward functionality, effective drive requires detailed attention to the specific needs of SiC devices.
The device’s output stage implements a unique architecture that allows it to deliver its highest peak source current when most needed. This is during the Miller plateau region of the power switch turn-on transition, when the power switch drain/collector voltage experiences the highest dV/dt (Figure 8). It does this by turning on its N-channel MOSFET during the narrow window when the output changes state from low to high and the gate driver is able to deliver a brief boost in the peak source current, enabling fast turn on.
Figure 8: The UCC27531-Q1 gate driver from Texas Instruments adds special circuitry and timing to maximize the source current and deliver it at the instant it is most needed by the SiC power device. (Image source: Texas Instruments)
Among isolated SiC driver solutions is the SIC1182K from Power Integrations, a single-channel, 8 A SiC gate driver featuring advanced active clamping and reinforced isolation up to 1200 V. Note that while this isolated SiC driver module is not AEC qualified, Power Integrations does offer the very similar SID11x2KQ MOSFET/IGBT gate driver series which is qualified to AEC-100 Grade 1. An example is the SID1182KQ-TL, an 8 A/1200 V single-channel IGBT/MOSFET gate driver.
The SIC1182K is housed in a 16-lead eSOP-R16B package (9 mm x 10 mm x 2.5 mm) with 9.5 mm creepage and clearance that meets regulatory mandates and a substantial primary-side ground potential connection that also serves as a heatsinking wing (Figure 9). Isolation is provided by the company’s proprietary solid insulator FluxLink technology, and the driver has acquired both VDE 0884-10 certification and UL 1577 recognition (pending).
Figure 9: The merged connection of pins 3, 4, 5, and 6 on Power Integrations’ SIC1182K isolated SiC gate driver provides a thermal path as well as a hefty primary-side ground connection. (Image source: Power Integrations)
The SIC1182K combines short-circuit protection during the turn-on phase as well as overvoltage limiting at turn-off via advanced active clamping, all through a single sensing pin. An isolated gate driver requires connections for primary-/secondary-side power and ground, logic control, and drive output. Additional connections are provided to achieve a more robust driver (Figure 10). These include connections for a logic fault signal (open drain), a sense input that detects short-circuit events at turn-on and limits overvoltages at turn-off, a bootstrap and charge pump supply voltage source, and a secondary-side reference potential.
Figure 10: The SIC1182K isolated SiC gate driver adds pins to increase the robustness of its drive functions in a practical circuit, which always tend to be subject to malfunctions and undesired behavior. (Image source: Power Integrations)
Conclusion
A viable EV needs advanced batteries as well as high performance power management, both of which can be best provided by advanced power switching devices such as SiC MOSFETs. As shown above, 2nd and 3rd generation devices provide performance across multiple parameters that is superior to existing Si components with respect to on-resistance, losses, switching performance, and thermal capabilities.
However, to realize the full potential of these high-performance SiC devices, designers must also select gate drivers tailored to application needs.
For a more complete idea of automotive solutions offered by ROHM, see the Driving the Future of Automobiles product overview.
Disclaimer: The opinions, beliefs, and viewpoints expressed by the various authors and/or forum participants on this website do not necessarily reflect the opinions, beliefs, and viewpoints of DigiKey or official policies of DigiKey.




