Bi-Directional DC/DC Controllers for 48 V/12 V Dual Battery Automotive Systems
Contributed By DigiKey
2018-08-16
With the advances in autonomous vehicles and automotive connectivity, along with the tightening of fuel economy regulation, the usable limit of the traditional 12 volt automotive electrical system has been reached. Added to this are new challenges associated with higher electrical power demands from the ever-increasing applications connected to automotive electrical systems. As a result, the traditional 3 kW, 12 V automotive electrical power system must be supplemented.
The existing 12 V system is combined with a secondary 48 V bus in the newly proposed LV148 automotive standard. Some of the items included the 48 V rail are:
- A belt start generator or an integrated starter generator (ISG)
- A 48 V lithium-ion battery
- A bi-directional DC/DC converter that can deliver up to 10 kW of energy from the combined 12 V and 48 V batteries
With auto manufacturers striving to meet progressively more limiting CO2 emissions targets, this technology is aimed at hybrid electric and conventional internal combustion vehicles.
The role of the 12 V bus will typically continue to provide power to systems such as lighting, infotainment, audio, and ignition. Other systems including the adjustable suspensions, electric turbos/superchargers, air conditioning compressors, and active chassis along with regenerative braking support will be supplied by the 48 V bus. The use of a 48 V bus, expected to soon have an availability across production model ranges, would also be able to support engine starting which allows for smoother stop-start operations.
An additional benefit of using a higher voltage bus would be that cable cross-section sizes could be reduced to save both size and weight. This is extremely important because there can be more than four kilometers of wiring in today’s high-end vehicles.
Vehicles are becoming more and more like computers on wheels. This creates the potential for interfacing with many plug-and-play devices. With the average commuter spending nine percent of the day in their vehicle, the introduction of telematics and multimedia has the potential to increase productivity along with providing additional entertainment.
As mentioned earlier, autonomous vehicles are one of the driving forces behind the need for more energy with components including radar and LiDAR, sensors, cameras, and a computer. Also, more energy is required by vehicles for connectivity improvement. Vehicles must not only be able to connect to the internet, but also to traffic signals, other vehicles, buildings, and other structures. Additionally, oil and water pumps, power steering, and drivetrain components will eventually be switching to electrical power instead of being mechanically driven.
Over the next few years, many automotive suppliers anticipate a strong demand for the technological building blocks that will be needed for autonomous vehicles. However, the benefits of the 48 V battery system can be reaped now. For example, some automobile manufacturers claim there is a 10% to 15% fuel economy gain for internal combustion engines that utilize a 48 V electrical system. This in turn results in a corresponding decrease in CO2 emissions.
Furthermore, engineers will be able to integrate electrical booster technology in vehicles that will use a dual 48 V/12 V system in the future. This technology will be able to operate independent of engine load which will help improve acceleration performance. For example, a compressor, which is already in its advanced development phase, will be placed between the intercooler and the induction system. This compressor will use 48 V to spin-up the turbos.
However, there will be many design challenges for suppliers across the board due to the additional 48 V supply network vehicle implementation. A specific example would be that of manufacturers of semiconductors and Electronic Control Units (ECUs) who will have to re-design their parts to be able to operate at the higher 48 V bus supply. Also, DC/DC converter suppliers will have to develop specialized ICs which will be able to handle the higher power transfer. To meet this need, Linear Technology has made available several DC/DC converters that are already able to handle this energy transfer very efficiently which will both provide energy conservation and minimize the required thermal design.
With the dual 12 V/48 V automotive system looming on the horizon, the need for a bi-directional step-down and step-up DC/DC converter is clear. With this converter, either battery could be charged and current could be supplied to the same load when needed. Many early 12 V/48 V dual battery DC/DC converter designs utilize separate power components to step-up and step-down the voltage. This is not the case with Linear Technology’s recently released LTC3871 bi-directional DC/DC controller. This controller uses same external power components for stepping down the voltage as it does for stepping it up.
One bi-directional IC solution
The LTC3871 is a bi-directional 100 V/30 V two-phase synchronous boost or buck controller. It is capable of providing bi-directional DC/DC control and battery charging between the 12 V and 48 V system networks. It operates in boost mode from the 12 V bus to the 48 V bus and in buck mode from the 48 V bus to the 12 V bus. An applied control signal configures either mode on demand. For high current applications (up to 250 A), input and output filtering requirements can be minimized since up to twelve phases can be paralleled and clocked out-of-phase. Excellent current matching between paralleled phases is provided by its advanced current-mode architecture. A 12-phase design can supply up to 5 kW in either boost or buck mode.
The LTC3871 will allow both batteries to simultaneously supply energy when additional power is required, such as when starting the engine. Up to 97% efficiency is possible with this device. The maximum current delivered to the load is regulated by the on-chip current programming loop. There are four control loops, two for voltage and two for current, that enable the control of voltage and current on either of the 12 V or 48 V busses.
Operating at a user selectable fixed frequency between 60 kHz and 475 kHz, the LTC3871 can be synchronized to an external clock over the same range. Additionally, light load operation is user selectable with either pulse skipping or continuous operation modes available. Other features include under-voltage/overvoltage lockout, independent loop compensation for boost and buck modes, overload and short circuit protection, ±1% output voltage regulation accuracy over temperature, and EXTVcc for increased efficiency. The LTC3871 was designed for diagnostic coverage in ISO26262 systems and has been qualified to meet the automotive ACE-Q100 specifications.
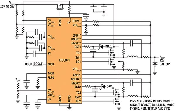
The LTC3871 is currently available in a 48-lead, thermally enhanced LQFP package with three possible temperature grades. These temperature grades include a high temp automotive range of -40°C to 150°C and a -40°C to 125°C range for the extended and industrial grades. The devices typical application schematic is shown in Figure 1. At the top of the schematic, the P-Channel MOSFET is there to provide short circuit and overcurrent protection.

Figure 1: A typical LTC3871 bi-directional application schematic showing a 12 V output from a 26 V to 58 V input which can deliver 30 A of current. (Image source: Linear Technology)
Integrated start-generator (ISG)
Both the starter and alternator in an automobile can be replaced with an electronically controlled ISG. This will result in the following benefits:
- The elimination of the starter, the only passive component during normal engine operation
- The belt and pulley coupling between the crankshaft and alternator can be eliminated
- During load dumps, fast control of generator voltage can be achieved
- The elimination of brushes and slip rings in some currently used wound rotor alternators
The three main features of the ISG are power assistance, electricity generation, and the start-stop function. The ISG can aid in vehicle deceleration by generating electrical power via regenerative braking. The power generated through regenerative braking will charge the 48 V battery which results in lower fuel consumption and in turn lower CO2 emissions. Also, the ISG produces electrical power while the engine is running, similar to a conventional alternator. Finally, when a vehicle stops, the ISG allows the internal combustion engine to turn off to save fuel and will instantly restart it when the gas pedal is pressed. This is normally referred to as a start-stop system. The use of an ISG in this system allow for a smoother transition when starting the engine.
A block diagram illustrating how the LTC3871, ISG, and the 12 V and 48 V batteries are incorporated into a typical internal combustion engine vehicle is shown in Figure 2.

Figure 2: Block diagram of typical LTC3871 automotive applications. (Image source: Linear Technology)
Buck and boost modes
A simple control signal can dynamically and seamlessly switch the LTC3871 from buck mode to boost mode and vice versa. With two separate error amplifiers, one for VHIGH regulation and one for VLOW regulation, independent fine tuning of the loop compensation for the buck and boost modes is allowed which can optimize transient response. While in buck mode, its corresponding error amplifier, ITHLOW, is enabled and it will control the peak inductor current. Conversely, while in boost mode, ITHHIGH is enabled and ITHLOW is disabled. During a mode transition from boost to buck or buck to boost, the internal soft-start is reset and the ITH pin will be parked at the zero-current level to ensure a smooth transition to the new mode.
Multiphase operation
It is possible to daisy chain multiple LTC3871s and run them out-of-phase in order to provide more output current without increasing input or output voltage ripple. Connecting the SYNC pin of one LTC3871 to the CLKOUT pin of another LTC3871 allows the second device to synchronize to the first one. Connecting the CLKOUT signal to the SYNC pin of the following LTC3871 stage will line up both the frequency and the phase of the entire system. A maximum of twelve phases can be daisy chained to run simultaneously out-of-phase with respect to each other.
The demonstration board for the LTC3871, the DC2348A, is configurable in either two or four phases with one or two LTC3871s. Figure 3 shows the four-phase version. This demo circuit has an input voltage range from 30 V to 75 V when operating in buck mode and outputs 12 V at up to 60 A. When this demo circuit is operating in boost mode, the input voltage can range from 10 V to 13 V and the output is 48 V at up to 10 A.

Figure 3: The LTC3871 four phase demo board. (Image source: Linear Technology)
The efficiency curves in Figure 4 are typical for a four-phase demonstration board utilizing two LTC3871 devices. The buck mode curve shows the efficiency as the demo board steps a 48 V input down to 12 V at up to 60 A, while the boost mode curve shows the efficiency as the demo board steps a 12 V input up to 48 V and up to 10 A. It can be noted on both curves that the peak efficiencies are both 97%.

Figure 4: Buck and boost efficiency curves for the LTC3871 with a 4-phase design. (Image source: Linear Technology)
Overcurrent protection
Current fold-back protection, to limit power dissipation in an overcurrent situation or when VLOW is shorted to ground, is included in the LTC3871 while it is in buck mode. Current fold-back protection is automatically enabled during soft-start conditions. The maximum sense voltage is progressively lowered from its maximum programmed value to one-third of the maximum value if the VLOW falls below 85% of its nominal output level. The LTC3871 will start cycle skipping under short-circuit conditions with very low duty cycles to limit short-circuit current.
The synchronous diode or the body diode of the synchronous MOSFET conducts current from the input to the output in a typical boost controller. The result of this is that an output (VHIGH) short will drag the input (VLOW) down without a blocking diode or MOSFET to block the current. When VHIGH is shorted to ground, the LTC3871 uses an external low RDS(ON) P-channel MOSFET for input short-circuit protection. The P-channel MOSFET is always on in normal operation with its gate-source voltage clamped to a 15 V maximum. If the UVHIGH pin voltage goes below its 1.2 V threshold, the FAULT pin goes low 125 μs later. When this happens, the external P-channel MOSFET is turned off by the PGATE pin.
Conclusion
Using the LTC3871 will bring a new level of performance along with better control and increased simplification to dual battery 48 V/12 V DC/DC automotive systems since it will allow the same external power components to be used for both step-up and step-down purposes. It can automatically switch between buck mode, stepping 48 V down to 12 V, and boost mode, stepping up 12 V to 48 V. For higher power applications, such as starting the engine, up to twelve phases can be paralleled and the LTC3871 allows the same load to pull energy simultaneously from both batteries. The additional 48 V battery will run a select portion of a vehicle’s electrical system and in doing so increase available energy, reduce wiring harness weight, and lessen electrical losses. With this additional energy, new technologies will be enabled that will make vehicles safer, increase efficiency, and lower CO2 emissions.
Disclaimer: The opinions, beliefs, and viewpoints expressed by the various authors and/or forum participants on this website do not necessarily reflect the opinions, beliefs, and viewpoints of DigiKey or official policies of DigiKey.



