Advances in AC LED Light Engines for Slimmer Designs and Longer Lifetime
Contributed By DigiKey's European Editors
2016-06-01
LED light engines promise longer lifetimes than incandescent or compact-fluorescent lamps (CFL), based on the theoretical emitter lifetime of up to 50,000 hours. In practice, other parts of the system that are usually considered essential, such as the low-voltage constant-current driver circuitry and associated passive devices, tend to reduce the actual operating lifetime. The typical operating lifetime of a DC LED lamp is about 15,000 hours.
AC LEDs that can operate from the high-voltage line without a driver can eliminate several of the components usually needed to create a conventional low-voltage DC driver. Eliminating these components, as well as the interconnections between them, enables an AC-powered light engine to deliver superior reliability and a lifetime closer to the theoretical LED-emitter lifetime.
AC-powered LED lighting can be built using back-to-back LED strings that are turned on for each alternate cycle of the applied AC waveform. This type of operation can cause the lamp to appear to flicker, particularly if the LEDs are not closely spaced. An alternative approach, using a bridge rectifier and a single IC operating at the line voltage to control the current delivered to the LED array can improve performance without significantly impairing reliability.
The latest AC-powered LED modules from Seoul Semiconductor combine an array of high-voltage Multi-Junction Technology (MJT) LED emitters with the company’s second-generation Acrich2 control IC. This combination enhances reliability, simplifies circuitry, and reduces solution size. Reducing the size of the electronic assembly delivers significant advantages when designing a light engine to meet an established form factor, such as MR-type replacements for 40 W or 60 W incandescent bulbs.
The second-generation Acrich2 ICs also simplify the module design strategy by enabling the same device type to be used for controlling modules in a variety of power ratings from 1 W to 16 W operating from line voltages up to 220 V. Only a small number of external components are required, such as resistors selected to set the maximum LED current and convert a typical analog dimming voltage of, say 0-4 V or 0-10 V to a linear dimming voltage with a maximum value of 1.5 V.
Multi-Junction Emitter Technology
Multi-Junction Technology (MJT) enables emitters to be fabricated with a wide variety of forward voltages (VF), from 13 V up to 69 V. The higher voltages allow modules to be built with a relatively small number of components, thereby achieving a small form factor yet able to operate from an AC line voltage of 120 V or 220 VAC. At the same time the emitters deliver high luminous efficacy of up to 130 lm/W, and give flexibility to build PCBs with mixed BINs.
MJT emitters are available in a variety of sizes, such as the 5.0 mm x 5.0 mm MJT5050 series, or as modules in power ratings such as 8 W.
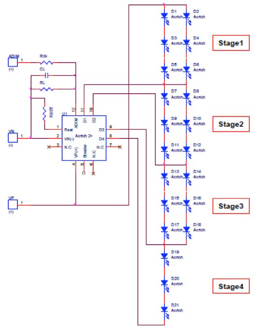
The modules are light engines that incorporate the DT3001B control IC. This second-generation Acrich2 device requires an external bridge rectifier and controls the current delivered to connected LEDs that are arranged in up to four banks, as shown in Figure 1.

Figure 1: The DT3001B manages current delivery to four banks of LEDs.
Depending on the power rating of the module, the LEDs are arranged in various serial and parallel combinations. The DT3001B contains a 4-stage current source, and produces a stepped output-current waveform that follows the rectified input voltage. Managing the current in this way maximizes efficacy by ensuring high power factor, up to 0.97, while also ensuring distortion (THD) below 25%. This enables the lamps to comply with applicable regulations in major markets worldwide including the USA. Figure 2 shows that the driving-current waveform generated by the IC matches the AC input current. Table 1 describes how the DT3001B turns on the groups of LEDs as the input voltage varies from minimum to maximum.

Figure 2: The driving-current waveform is divided into seven regions.
| Region | 1 | 2 | 3 | 4 | 5 | 6 | 7 |
| Group 1 | ON | ON | ON | ON | ON | ON | ON |
| Group 2 | OFF | ON | ON | ON | ON | ON | OFF |
| Group 3 | OFF | OFF | ON | ON | ON | OFF | OFF |
| Group 4 | OFF | OFF | OFF | ON | OFF | OFF | OFF |
Table 1. All groups of LEDs are turned on when the applied input voltage is at its maximum (region 4).
An 8 W module for operation at 220 V nominal AC line voltage comprises three stages of LEDs containing two parallel strings of three series-connected LEDs, and one stage containing one string of three LEDs, as Figure 3 shows. The resistor RSET is selected according to the power of the module, and determines the maximum LED current. Surge protection is also needed. A suitable circuit comprises a series resistor and parallel metal-oxide varistor (MOV) at the input to the rectifier diode bridge.

Figure 3: The 8 W module contains 21 MJT LED emitters arranged in four stages.
The DT3001B IC supports analog dimming by applying a signal of up to 1.5 V, for maximum luminous flux, to the ADIM pin (pin 12). If the available dimming signal is a 1-10 V signal, the values of RIN and RL, needed to ensure maximum brightness by applying 1.5 V to pin 12, can be calculated according to the equation:
![]()
In this equation, VADIM is 1.5 V and VIN is 10 V. If RIN is set to 12 kΩ, then the required value for RL is 2.1 kΩ. Applying this dimming scheme ensures the luminous flux follows the LED current closely throughout the dimming range, as Figure 4 illustrates.

Figure 4: Dimming over 1-10 V analog dimming range.
Figure 5 shows how the LED current and luminous flux output vary as the dimming signal is adjusted from 0 V for maximum dimming to 10 V for maximum light output.

Figure 5: Dimming voltage, LED current, and light output are closely related.
Conclusion
AC LEDs promise to simplify the driver requirements of LED light engines and so enhance reliability. The Seoul Semiconductor Acrich family achieves this by using a control IC to carefully manage banks of multi-junction (MJT) DC LEDs that have special properties such as high forward voltage (VF) and can be used easily with the typical AC line voltages of 110-120 V in the US and 220-240 V in Europe.
Minimal external component requirements, comprising a rectifier bridge, surge-suppression network including a standard resistor and MOV, plus current-set and dimming resistors, reduce both the component count and number of interconnects. In this way Acrich modules simplify light-engine design, allow reliability comparable to that of the semiconductor emitters, and enable designers to build high-performance replacements for conventional bulbs within some of the most compact form factors established within the lighting industry.
Disclaimer: The opinions, beliefs, and viewpoints expressed by the various authors and/or forum participants on this website do not necessarily reflect the opinions, beliefs, and viewpoints of DigiKey or official policies of DigiKey.

