A Guide to Selecting and Using IoT and IIoT Power Sources
Contributed By DigiKey's North American Editors
2019-12-17
As diverse as the devices designed for the Internet of Things (IoT) and the Industrial Internet of Things (IIoT) may be, they all require some primary source of power for data input, processing, and communication. However, the diverse nature of IoT device functions and environments has resulted in a wide variety of primary power sources, ranging from power lines to batteries and solar cells.
In addition, the extensive range of functions and operating modes such as “always on” for listening and “standby” for fast response to input stimulus, requires the careful selection of their internal power supplies. The goal is to maximize efficiency, keep the physical size small, and maximize the power density for the application without compromising performance or requiring extensive thermal management, the latter of which can increase size, weight, and cost. Another consideration is user safety, which cannot be compromised.
This article discusses the various types of power supplies used in IoT devices and looks at some examples from RECOM Power that are designed to meet these requirements.
Line-based power supplies
IoT or IIoT devices that use line power have fewer power restrictions than portable devices. Line power generally provides fixed input voltages with adequate current levels. Other power sources, such as solar cells, may have large variations in voltage and current levels depending on their illumination and the degree of voltage regulation incorporated. IoT or IIoT devices need to have flexible input power requirements to handle possible input power variations.
One power supply manufacturer, RECOM Power, has designed a family of ultra-compact, fully encapsulated 5 watt power supplies—the RAC05-K series AC/DC modules—to satisfy the input-voltage flexibility needs of IoT or IIoT applications.
These power supply modules work with input voltage in the range of 85 to 264 volts AC (47 to 63 hertz (Hz)) or 120 to 370 volts DC. This nearly universal line input voltage range makes them suitable for worldwide use in home or industrial environments. This is further demonstrated by the operating temperature range of these power supplies: The RAC05-K series is rated to produce full power in temperatures from -25°C to +50°C and with de-rated output power from +50°C to +70°C.
Individual models of the series have a fixed output voltage of either 3.3, 5, 12, 15, or 24 volts. The 5 volt RAC05-05SK has a footprint of 1 inch x 1 inch (25.4 x 25.4 millimeter (mm)) on the pc board, with a height of 0.65 inches (16.5 mm). With its 5 watt output rating, this power module has a respectable power density of 7.7 watts per cubic inch (Figure 1).
Figure 1: The RECOM RAC05-05SK power module packs 5 watts into a 1” x 1” x 0.65” package yielding a 7.7 watt per cubic inch volumetric power density. (Image source: RECOM Power)
These supplies have efficiencies greater than 80% and have a no-load power consumption of only 75 milliwatts (mW). This combination makes them applicable for ‘always on’ IoT/IIoT devices where high efficiency and low internal energy loss helps keep devices cool.
From a safety point of view the RAC05-K series includes integrated fusing, overvoltage, and short circuit protection. They comply with IEC60950-1 and UL62368-1 safety standards as well as meet EN55032 Class B EMC limits without any external components.
A large input voltage range, small size, attention to safety, and a wide operating temperature range combine to make these supplies ideal for many IoT or IIoT line-powered applications.
Industrial strength supplies
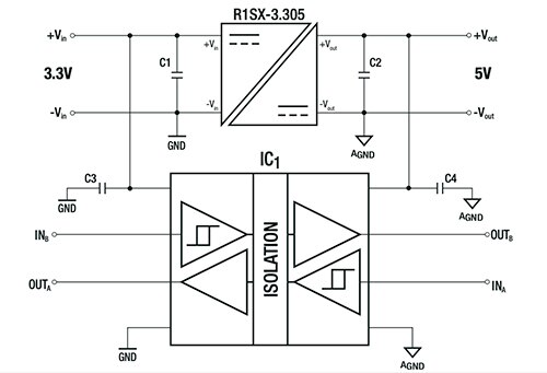
Industrial environments often require special power supplies due to the environmental conditions in which these devices have to operate. One such line of supplies is the RECOM R1SX series DC/DC converters, which have an operating temperature range of -40° to +100°C with no derating. This temperature range will safely handle most industrial conditions. An example device from the series is the R1SX-3.305-R, a 1 watt boost DC/DC converter accepting a 3.3 volt input and stepping it up to a 5 volt output.
These converters are also DC isolated to 1 kilovolt (kV)/1 second with an optional 3 kV/1 second rating available. Isolation is important in the industrial world where ground loops and electrical noise are very common. Having the input and output isolated helps break these ground loops and minimize noise propagation. The R1SX-3.3-5 DC/DC converter can be employed in supporting isolated data interfaces with level shifting (Figure 2).
Figure 2: Maintaining isolation in a data interface requires not only a digital isolator but also isolated power supplies. This circuit uses 3.3 volts on the primary side of the isolator and 5 volts on the secondary to achieve a logic level shift while maintaining galvanic isolation. (Image source: RECOM Power)
DC/DC power supplies for portable devices
Portable battery-powered IoT or IIoT devices require small size and low power loss. The target is to extend battery life as long as possible to reduce unexpected downtime and reduce the labor required for replacing batteries in a large number of devices. Key features of such designs include the ability to place power supplies in a quiescent or standby state when not needed, high efficiency, and a wide input voltage range to account for the decline of battery voltage near end of life.
An example of DC/DC converters with specifications matching portable IoT requirements is the RECOM R-78S series. One device from the series, the R-78S3.3-0.1, is designed to produce 3.3 volts from a 1.5 volt AA battery. The series also includes devices with output voltage levels of 1.8. 3.3, and 3.6 volts intended to power a wide variety of microprocessors and controllers from single-cell batteries. All of the devices operate over an input voltage range of 3.15 volts down to 0.65 volts, enabling use of the last milliwatt of power from the battery. This power converter has a high typical efficiency of 93%, minimizing power loss. It can be placed into standby where it only draws 7 microamps (µA). Combining high efficiency, standby mode, and wide input voltage range, this power converter is ideal for portable wireless IoT devices (Figure 3).
Figure 3: An example illustrating the use of shutdown mode to extend battery life in a wireless application. A 2100 milliampere hour (mAh) AA cell can supply 7 µA for several decades. (Image source: RECOM Power, modified by Art Pini)
The R-78S series also features a wide operating range of -40° to +100°C—useful for a portable device that may be left in a vehicle in extreme weather conditions.
The example in Figure 3 shows the use of standby or sleep mode, during which the system consumes only 20 microwatts (µW). When in this mode, the capacitor voltage, as shown by the blue trace, decreases over time from its fully charged value of 3.3 volts until it reaches a threshold set by resistors R1 and R2, at which time the microprocessor signals the converter to wake up. The system draws only 200 µA when the converter is operating in active mode, during which time the capacitor is recharged for the next cycle. Power consumption will be proportional to the active/sleep mode duty cycle.
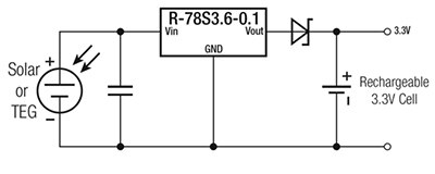
The low input voltage capability of the RECOM R-78S converters is an outstanding feature for IoT or IIoT energy harvesting applications. For example, they can be used to boost the output of low-voltage sources such as solar cells or thermo-electric generators (TEGs) in order to charge a 3.3 volt rechargeable cell (Figure 4).
Figure 4: The diagram shows the use of the R-78S3.6-0.1 as a boost converter, taking a low-voltage input from a solar cell or TEG, and boosting it to 3.6 volts to charge a 3.3 volt rechargeable cell through a diode. Charging can begin with input voltages as low as 0.65 volts. (Image source: RECOM Power)
The higher output voltage (3.6 volts versus 3.3 volts) is required in order to charge the cell through the diode. The diode prevents the fully charged battery from driving the output of the converter. These converters are also short circuit and over temperature protected to keep them running reliably.
Reference design circuits and evaluation boards using R-78S3.3-0.1
Reference designs are helpful in determining if a component meets design needs. In the case of the R-78S series DC/DC converters, they offer a hands-on tool for evaluating the device (Figure 5).
Figure 5: The reference design for the RECOM R-78S series DC/DC converters shows the small size of the device compared to a standard AA cell battery. This reference design pc board can be incorporated into prototypes. (Image source: RECOM Power, modified by Art Pini)
The RECOM R-REF02-78S reference design is available as a populated pc board with simple 0.100 inch headers and mounting holes for easy incorporation into evaluation prototypes. The enable pin for the converter is brought out to a header for assessment of the converter’s sleep mode.
For more rigorous device testing, RECOM also offers an evaluation board, the R-78S3.3-0.1-EVM-1, which has more test nodes brought out to headers than on the reference design (Figure 6).
Figure 6: The RECOM R-78SS.3-0.1-EVM-1 evaluation board schematic shows the more complete selection of available test points and a USB port for communication with the device if desired. (Image source: RECOM Power)
The evaluation board includes all the elements of the reference design but increases access to the converter input and output connections. The extra jumpers and headers are intended to allow various measurements to be made and device parameters to be determined. A USB port is included to permit powering off-board demonstration circuits.
Conclusion
Power for IoT and IIoT applications can be supplied in a variety of ways, including line power, batteries, or via energy harvesting. The application will to a certain extent determine the power source requirements. Designers need versatile power devices to ensure that designs can deal with the wide range of operational scenarios. With their broad input range, high efficiency, small size, and quiescent standby modes, the RECOM power conversion devices discussed above make prime candidates as energy sources for IoT and IIoT products.
Disclaimer: The opinions, beliefs, and viewpoints expressed by the various authors and/or forum participants on this website do not necessarily reflect the opinions, beliefs, and viewpoints of DigiKey or official policies of DigiKey.




