
© Semiconductor Components Industries, LLC, 2013
October, 2019 − Rev. 13
1Publication Order Number:
LM317L/D
LM317L, NCV317L
Voltage Regulator -
Adjustable Output, Positive
100 mA
The LM317L is an adjustable 3−terminal positive voltage regulator
capable of supplying in excess of 100 mA over an output voltage range
of 1.2 V to 37 V. This voltage regulator is exceptionally easy to use
and requires only two external resistors to set the output voltage.
Further, it employs internal current limiting, thermal shutdown and
safe area compensation, making them essentially blow−out proof.
The LM317L serves a wide variety of applications including local,
on card regulation. This device can also be used to make a
programmable output regulator, or by connecting a fixed resistor
between the adjustment and output, the LM317L can be used as a
precision current regulator.
Features
•Output Current in Excess of 100 mA
•Output Adjustable Between 1.2 V and 37 V
•Internal Thermal Overload Protection
•Internal Short Circuit Current Limiting
•Output Transistor Safe−Area Compensation
•Floating Operation for High Voltage Applications
•Standard 3−Lead Transistor Package
•Eliminates Stocking Many Fixed Voltages
•NCV Prefix for Automotive and Other Applications Requiring
Unique Site and Control Change Requirements; AEC−Q100
Qualified and PPAP Capable
•These are Pb−Free Devices
Simplified Application
* Cin is required if regulator is located an appreciable
** distance from power supply filter.
** CO is not needed for stability, however,
** it does improve transient response.
Since IAdj is controlled to less than 100 mA, the error
associated with this term is negligible in most applications.
LM317L
Vin Vout
R1
240
R2
Adjust
IAdj
Cin*
0.1mF
+CO**
1.0mF
Vout +1.25Vǒ1)R2
R1Ǔ)IAdjR2
ORDERING INFORMATION
See detailed ordering and shipping information in the package
dimensions section on page 9 of this data sheet.
LOW CURRENT
THREE−TERMINAL
ADJUSTABLE POSITIVE
VOLTAGE REGULATOR
TO−92
Z SUFFIX
CASE 29
Pin 1. Adjust
2. Vout
3. Vin
SOIC−8
D SUFFIX
CASE 751
1
8
Pin 1. Vin
2. Vout
3. Vout
4. Adjust
5. N.C.
6. Vout
7. Vout
8. N.C.
123
12
BENT LEAD
TAPE & REEL
AMMO PACK
STRAIGHT LEAD
BULK PACK
3
www.onsemi.com

LM317L, NCV317L
www.onsemi.com
2
MAXIMUM RATINGS
Rating Symbol Value Unit
Input−Output Voltage Differential VI−VO40 Vdc
Power Dissipation
Case 29 (TO−92)
TA = 25°C
Thermal Resistance, Junction−to−Ambient
Thermal Resistance, Junction−to−Case
Case 751 (SOIC−8) (Note 1)
TA = 25°C
Thermal Resistance, Junction−to−Ambient
Thermal Resistance, Junction−to−Case
PD
RqJA
RqJC
PD
RqJA
RqJC
Internally Limited
160
83
Internally Limited
180
45
W
°C/W
°C/W
W
°C/W
°C/W
Maximum Junction Temperature TJMAX +150 °C
Storage Temperature Range Tstg −65 to +150 °C
Stresses exceeding those listed in the Maximum Ratings table may damage the device. If any of these limits are exceeded, device functionality
should not be assumed, damage may occur and reliability may be affected.
1. SOIC−8 Junction−to−Ambient Thermal Resistance is for minimum recommended pad size. Refer to Figure 24 for Thermal Resistance
variation versus pad size.
2. This device series contains ESD protection and exceeds the following tests:
Human Body Model, 2000 V per MIL STD 883, Method 3015.
Machine Model Method, 200 V.
18k
6.8V
6.8V
350
300 300 300 3.0k 300 70
200k
2.560
50
130
8.67k 500
400
2.4k
12.8k
Vout
5.1k
6.3V 2.0k 6.0k
Adjust
Vin
180 180 10
p
F
10
p
F
Figure 1. Representative Schematic Diagram

LM317L, NCV317L
www.onsemi.com
3
ELECTRICAL CHARACTERISTICS
(VI−VO = 5.0 V; IO = 40 mA; TJ = Tlow to Thigh (Note 3); Imax and Pmax (Note 4); unless otherwise noted.)
LM317L, LB, NCV317LB
Characteristics Figure Symbol Min Typ Max Unit
Line Regulation (Note 5)
TA = 25°C, 3.0 V ≤ VI − VO ≤ 40 V
1 Regline −0.01 0.04 %/V
Load Regulation (Note 5), TA = 25°C
10 mA ≤ IO ≤ Imax − LM317L
VO ≤ 5.0 V
VO ≥ 5.0 V
2 Regload
−
−
5.0
0.1
25
0.5
mV
% VO
Adjustment Pin Current 3 IAdj −50 100 mA
Adjustment Pin Current Change
2.5 V ≤ VI − VO ≤ 40 V, PD ≤ Pmax
10 mA ≤ IO ≤ Imax − LM317L
1, 2 DIAdj −0.2 5.0 mA
Reference Voltage
3.0 V ≤ VI − VO ≤ 40 V, PD ≤ Pmax
10 mA ≤ IO ≤ Imax − LM317L
3 Vref 1.20 1.25 1.30 V
Line Regulation (Note 5), 3.0 V ≤ VI − VO ≤ 40 V 1 Regline −0.02 0.07 %/V
Load Regulation (Note 5)
10 mA ≤ IO ≤ Imax − LM317L
VO ≤ 5.0 V
VO ≥ 5.0 V
2 Regload
−
−
20
0.3
70
1.5
mV
% VO
Temperature Stability (Tlow ≤ TJ ≤ Thigh) 3 TS−0.7 −% VO
Minimum Load Current to Maintain Regulation (VI − VO = 40 V) 3 ILmin −3.5 10 mA
Maximum Output Current
VI − VO ≤ 6.25 V, PD ≤ Pmax, Z Package
VI − VO ≤ 40 V, PD ≤ Pmax, TA = 25°C, Z Package
3 Imax
100
−
200
20
−
−
mA
RMS Noise, % of VO
TA = 25°C, 10 Hz ≤ f ≤ 10 kHz
−N−0.003 −% VO
Ripple Rejection (Note 6)
VO = 1.2 V, f = 120 Hz
CAdj = 10 mF, VO = 10.0 V
4 RR
60
−
80
80
−
−
dB
Thermal Shutdown (Note 7) − − − 180 −°C
Long Term Stability, TJ = Thigh (Note 8)
TA = 25°C for Endpoint Measurements
3 S −0.3 1.0 %/1.0 k
Hrs.
3. Tlow to Thigh = 0° to +125°C for LM317L −40° to +125°C for LM317LB, NCV317LB
4. Imax = 100 mA Pmax = 625 mW
5. Load and line regulation are specified at constant junction temperature. Changes in VO due to heating effects must be taken into account
separately. Pulse testing with low duty cycle is used.
6. CAdj, when used, is connected between the adjustment pin and ground.
7. Thermal characteristics are not subject to production test.
8. Since Long−Term Stability cannot be measured on each device before shipment, this specification is an engineering estimate of average
stability from lot to lot.

LM317L, NCV317L
www.onsemi.com
4
*Pulse Testing Required:
1% Duty Cycle is suggested.
Line Regulation (%/V) = VOH - VOL x 100
*
VCC
VIH
VIL Vin Vout
VOH
VOL
RL
+
1mF
CO
240
1%
R1
Adjust
R2
1
%
Cin 0.1mF
LM317L
IAdj
Figure 2. Line Regulation and DIAd
j
/Line Test Circuit
VOL
*Pulse Testing Required:
1% Duty Cycle is suggested.
Load Regulation (mV) = VO (min Load) -VO (max Load)
Load Regulation (% VO) = VO (min Load) - VO (max Load) X
100 VO (min Load)
VO (max Load)
LM317L
Cin 0.1mF
Adjust
R2
1%
CO1.0mF
+
*
RL
(max Load) RL
(min Load)
Vout
R1
240
1%
Vin*V
in
IAdj
IL
Figure 3. Load Regulation and DIAd
j
/Load Test Circuit
VO (min Load)
Pulse Testing Required:
1% Duty Cycle is suggested.
LM317L
Vin Vout
Adjust
R1240
1%
+
1mF
CO
RL
Cin
R2
1%
To Calculate R2:
Vout = ISET R2 + 1.250 V
Assume ISET = 5.25 mA
IL
IAdj
ISET
Vref
VO
VI0.1mF
Figure 4. Standard Test Circuit

LM317L, NCV317L
www.onsemi.com
5
LM317L
Vin Vout Vout = 1.25 V
RL
Cin 0.1mF
Adjust R1240
1%
D1 *
1N4002
CO
+
1mF
14.30V
4.30V
R21.65K
1% ** 10mF
+
*D1 Discharges CAdj if Output is Shorted to Ground.
f = 120 Hz
VO
**CAdj provides an AC ground to the adjust pin.
Figure 5. Ripple Rejection Test Circuit
Vin-Vout, INPUT-OUTPUT VOLTAGE
DIFFERENTIAL (V)
IO, OUTPUT CURRENT (A)
Figure 6. Load Regulation Figure 7. Ripple Rejection
Figure 8. Current Limit Figure 9. Dropout Voltage
0.4
0.2
0
-0.2
-0.4
-0.6
-0.8
-1.0 -50 -25 0 25 50 75 100 125 150
ΔVout
TJ, JUNCTION TEMPERATURE (°C)
, OUTPUT VOLTAGE CHANGE (%)
Vin = 45 V
Vout = 5.0 V
IL = 5.0 mA to 40 mA
Vin = 10 V
Vout = 5.0 V
IL = 5.0 mA to 100 mA
80
70
60
50
RR, RIPPLE REJECTION (dB)
-50 -25 0 25 50 75 100 125 150
TJ, JUNCTION TEMPERATURE (°C)
IL = 40 mA
f = 120 Hz
Vout = 10 V
Vin = 14 V to 24 V
-50 -25 0 25 50 75 100 125 150
TJ, JUNCTION TEMPERATURE (°C)
2.5
2.0
1.5
1.0
0.5
IL = 5.0 mA
IL = 100 mA
0.50
0.40
0.30
0.20
0.10
00 1020304050
Vin-Vout, INPUT-OUTPUT VOLTAGE DIFFERENTIAL (V)
TJ = 25°C
TJ = 150°C

LM317L, NCV317L
www.onsemi.com
6
IB, QUIESCENT CURRENT (mA)
Figure 10. Minimum Operating Current Figure 11. Ripple Rejection versus Frequency
5.0
4.5
4.0
3.5
3.0
2.5
2.0
1.5
1.0
0.5
010203040
Vin-Vout, INPUT-OUTPUT VOLTAGE DIFFERENTIAL (V)
TJ = 55°C
TJ = 25°C
TJ = 150°C
100
90
80
70
60
50
40
30
20
10
10 100 1.0 k 10 k 100 k 1.0 M
f, FREQUENCY (Hz)
RR, RIPPLE REJECTION (dB)
IL = 40 mA
Vin = 5.0 V ± 1.0 VPP
Vout = 1.25 V
NOISE VOLTAGE ( V)μ
Vout , OUTPUT VOLTAGE CHANGE (%)Δ
IAdj, ADJUSTMENT PIN CURRENT ( A)μ
Figure 12. Temperature Stability Figure 13. Adjustment Pin Current
Figure 14. Line Regulation Figure 15. Output Noise
-50 -25 0 25 50 75 100 125 150
TJ, JUNCTION TEMPERATURE (°C)
1.260
1.250
1.240
1.230
1.220
ref
V , REFERENCE VOLTAGE (V)
Vin = 4.2 V
Vout = Vref
IL = 5.0 mA
-50 -25 0 25 50 75 100 125 150
TJ, JUNCTION TEMPERATURE (°C)
80
70
65
60
55
50
45
40
35
Vin = 6.25 V
Vout = Vref
IL = 10 mA
IL = 100 mA
-50 -25 0 25 50 75 100 125 150
TJ, JUNCTION TEMPERATURE (°C)
0.4
0.2
0
-0.2
-0.4
-0.6
-0.8
-1.0
Vin = 4.25 V to 41.25 V
Vout = Vref
IL = 5 mA
-50 -25 0 25 50 75 100 125 150
TJ, JUNCTION TEMPERATURE (°C)
10
8.0
6.0
4.0
Bandwidth 100 Hz to 10 kHz

LM317L, NCV317L
www.onsemi.com
7
Vout , OUTPUT VOLTAGEΔ
DEVIATION (V)
CL = 0.3 mF; CAdj = 10 mF
Figure 16. Line Transient Response Figure 17. Load Transient Response
0.3
0.2
0.1
0
-0.1
-0.2
100
50
0010203040
t, TIME (ms)
I
CURRENT (mA)
L, LOAD
CL = 1 mF; CAdj = 10 mF
Vin = 15 V
Vout = 10 V
INL = 50 mA
TJ = 25°C
IL
-0.3
V
VOTLAGE CHANGE (V)
Δin ΔV
VOLTAGE DEVIATION (V)
out
, INPUT , OUTPUT
CL = 1.0 mF;
CAdj = 10 mF
Vin
1.5
1.0
0.5
0
-0.5
-1.0
-1.5
1.0
0.5
0010203040
t, TIME (ms)
Vout = 10 V
IL = 50 mA
TJ = 25°CCL = 0;
Without CAdj
APPLICATIONS INFORMATION
Basic Circuit Operation
The LM317L is a 3−terminal floating regulator. In
operation, the LM317L develops and maintains a nominal
1.25 V reference (Vref) between its output and adjustment
terminals. This reference voltage is converted to a
programming current (IPROG) by R1 (see Figure 13), and this
constant current flows through R2 to ground. The regulated
output voltage is given by:
Vout = Vref (1 + ) + IAdj R2
R2
R1
Since the current from the adjustment terminal (IAdj)
represents an error term in the equation, the LM317L was
designed to control IAdj to less than 100 mA and keep it
constant. To do this, all quiescent operating current is
returned to the output terminal. This imposes the
requirement for a minimum load current. If the load current
is less than this minimum, the output voltage will rise.
Since the LM317L is a floating regulator, it is only the
voltage differential across the circuit which is important to
performance, and operation at high voltages with respect to
ground is possible.
+
Vref
Adjust
Vin Vout
LM317L
R1
IPROG
Vout
R2
IAdj
Vref = 1.25 V Typical
Figure 18. Basic Circuit Configuration
Load Regulation
The LM317L is capable of providing extremely good load
regulation, but a few precautions are needed to obtain
maximum performance. For best performance, the
programming resistor (R1) should be connected as close to
the regulator as possible to minimize line drops which
effectively appear in series with the reference, thereby
degrading regulation. The ground end of R2 can be returned
near the load ground to provide remote ground sensing and
improve load regulation.
External Capacitors
A 0.1 mF disc or 1.0 mF tantalum input bypass capacitor
(Cin) is recommended to reduce the sensitivity to input line
impedance.
The adjustment terminal may be bypassed to ground to
improve ripple rejection. This capacitor (CAdj) prevents
ripple from being amplified as the output voltage is
increased. A 10 mF capacitor should improve ripple
rejection about 15 dB at 120 Hz in a 10 V application.
Although the LM317L is stable with no output
capacitance, like any feedback circuit, certain values of
external capacitance can cause excessive ringing. An output
capacitance (CO) in the form of a 1.0 mF tantalum or 25 mF
aluminum electrolytic capacitor on the output swamps this
effect and insures stability.

LM317L, NCV317L
www.onsemi.com
8
Protection Diodes
When external capacitors are used with any IC regulator
it is sometimes necessary to add protection diodes to prevent
the capacitors from discharging through low current points
into the regulator.
Figure 14 shows the LM317L with the recommended
protection diodes for output voltages in excess of 25 V or
high capacitance values (CO > 10 mF, CAdj > 5.0 mF). Diode
D1 prevents CO from discharging thru the IC during an input
short circuit. Diode D2 protects against capacitor CAdj
discharging through the IC during an output short circuit.
The combination of diodes D1 and D2 prevents CAdj from
discharging through the IC during an input short circuit.
D1
Vin
Cin
1N4002
LM317L
Vout
R1
+
CO
D2
R2CAdj
1N4002
Adjust
Figure 19. Voltage Regulator with
Protection Diodes
Figure 20. Adjustable Current Limiter Figure 21. 5.0 V Electronic Shutdown Regulator
Figure 22. Slow Turn−On Regulator Figure 23. Current Regulator
Vref
+25V
Vin
LM317L
Vout R1VO
1.25k
Adjust
IO
D2
1N914
1N5314
R2
500
* To provide current limiting of IO
to the system ground, the source of
the current limiting diode must be tied to
a negative voltage below - 7.25 V.
R2 ≥Vref
R1 =
VSS*
D1
1N914
VO < POV + 1.25 V + VSS
ILmin - IP < IO < 100 mA - IP
As shown O < IO < 95 mA
+
10mF
Vin Vout
240 1N4002
LM317L
Adjust
MPS2907
R2
50k
Vin
D1
1N4002
Vout
120
Adjust
720
+
1.0mF
MPS2222
1.0k
TTL
Control
LM317L
Minimum Vout = 1.25 V
D1 protects the device during an input short circuit.
LM317L
Vin R1R2
Adjust IAdj
Iout
Ioutmax = Vref + IAdj ^
5.0 mA < Iout < 100 mA
Vout
1.25 V
Ioutmax = Vref + IAdj ^1.25 V
IDSS
IOmax + IDSS
R1
R1 + R2
R1
R1 + R2

LM317L, NCV317L
www.onsemi.com
9
30
50
70
90
110
130
150
0.4
0.8
1.2
1.6
2.0
2.4
2.8
02030504010
L, LENGTH OF COPPER (mm)
170 3.2
RθJA
PD
R , THERMAL RESISTANCE
JAθ
JUNCTION-TO-AIR ( C/W)°
, MAXIMUM POWER DISSIPATION (W)
2.0 oz.
Copper
Graph represents symmetrical layout
3.0 mmL
L
Figure 24. SOP−8 Thermal Resistance and Maximum
Power Dissipation versus P.C.B. Copper Length
PD(max) for TA = 50°C
ORDERING INFORMATION
Device Operating Temperature Range Package Shipping†
LM317LBDG
TJ = −40°C to +125°C
SOIC−8 (Pb−Free) 98 Units / Rail
LM317LBDR2G SOIC−8 (Pb−Free) 2500/Tape & Reel
LM317LBZG TO−92 (Pb−Free) 2000 Units / Bag
LM317LBZRAG TO−92 (Pb−Free) 2000 Tape & Reel
LM317LBZRPG TO−92 (Pb−Free) 2000 Ammo Pack
NCV317LBDG* SOIC−8 (Pb−Free) 98 Units / Rail
NCV317LBDR2G* SOIC−8 (Pb−Free) 2500/Tape & Reel
NCV317LBZG* TO−92 (Pb−Free) 2000 Units / Bag
NCV317LBZRAG* TO−92 (Pb−Free) 2000 Tape & Reel
LM317LDG
TJ = 0°C to +125°C
SOIC−8 (Pb−Free) 98 Units / Rail
LM317LDR2G SOIC−8 (Pb−Free) 2500/Tape & Reel
LM317LZG TO−92 (Pb−Free) 2000 Units / Bag
LM317LZRAG TO−92 (Pb−Free) 2000 Tape & Reel
LM317LZREG TO−92 (Pb−Free) 2000 Tape & Reel
LM317LZRMG TO−92 (Pb−Free) 2000 Ammo Pack
LM317LZRPG TO−92 (Pb−Free) 2000 Ammo Pack
†For information on tape and reel specifications, including part orientation and tape sizes, please refer to our Tape and Reel Packaging
Specifications Brochure, BRD8011/D.
*NCV devices: Tlow = −40°C, Thigh = +125°C. Guaranteed by design. NCV Prefix for Automotive and Other Applications Requiring Unique Site
and Control Change Requirements; AEC−Q100 Qualified and PPAP Capable.

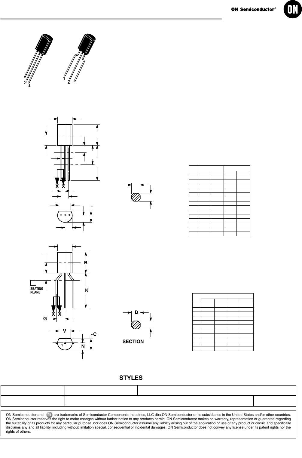
TO−92 (TO−226) 1 WATT
CASE 29−10
ISSUE A
DATE 08 MAY 2012
STYLES ON PAGE 2
NOTES:
1. DIMENSIONING AND TOLERANCING PER ANSI
Y14.5M, 1994.
2. CONTROLLING DIMENSION: INCHES.
3. CONTOUR OF PACKAGE BEYOND DIMENSION R IS
UNCONTROLLED.
4. DIMENSION F APPLIES BETWEEN DIMENSIONS P
AND L. DIMENSIONS D AND J APPLY BETWEEN DI
MENSIONS L AND K MINIMUM. THE LEAD
DIMENSIONS ARE UNCONTROLLED IN DIMENSION
P AND BEYOND DIMENSION K MINIMUM.
R
A
P
J
L
B
K
G
H
SECTION X−X
C
V
D
N
N
XX
1
SCALE 1:1
123
12
BENT LEADSTRAIGHT LEAD
3
NOTES:
1. DIMENSIONING AND TOLERANCING PER ASME
Y14.5M, 1994.
2. CONTROLLING DIMENSION: INCHES.
3. CONTOUR OF PACKAGE BEYOND DIMENSION R IS
UNCONTROLLED.
4. DIMENSION F APPLIES BETWEEN DIMENSIONS P
AND L. DIMENSIONS D AND J APPLY BETWEEN
DIMENSIONS L AND K MINIMUM. THE LEAD
DIMENSIONS ARE UNCONTROLLED IN DIMENSION
P AND BEYOND DIMENSION K MINIMUM.
R
A
P
J
B
K
G
SECTION X−X
C
V
D
N
XX
SEATING
PLANE
1
T
STRAIGHT LEAD
BENT LEAD
DIM MIN MAX MIN MAX
MILLIMETERSINCHES
A0.175 0.205 4.44 5.21
B0.290 0.310 7.37 7.87
C0.125 0.165 3.18 4.19
D0.018 0.021 0.46 0.53
F0.016 0.019 0.41 0.48
G0.045 0.055 1.15 1.39
H0.095 0.105 2.42 2.66
J0.018 0.024 0.46 0.61
K0.500 --- 12.70 ---
L0.250 --- 6.35 ---
N0.080 0.105 2.04 2.66
P--- 0.100 --- 2.54
R0.135 --- 3.43 ---
F
V0.135 --- 3.43 ---
DIM MIN MAX MIN MAX
MILLIMETERSINCHES
A0.175 0.205 4.44 5.21
B0.290 0.310 7.37 7.87
C0.125 0.165 3.18 4.19
D0.018 0.021 0.46 0.53
G0.094 0.102 2.40 2.80
J0.018 0.024 0.46 0.61
K0.500 --- 12.70 ---
N0.080 0.105 2.04 2.66
P--- 0.100 --- 2.54
R0.135 --- 3.43 ---
V0.135 --- 3.43 ---
MECHANICAL CASE OUTLINE
PACKAGE DIMENSIONS
ON Semiconductor and are trademarks of Semiconductor Components Industries, LLC dba ON Semiconductor or its subsidiaries in the United States and/or other countries.
ON Semiconductor reserves the right to make changes without further notice to any products herein. ON Semiconductor makes no warranty, representation or guarantee regarding
the suitability of its products for any particular purpose, nor does ON Semiconductor assume any liability arising out of the application or use of any product or circuit, and specifically
disclaims any and all liability, including without limitation special, consequential or incidental damages. ON Semiconductor does not convey any license under its patent rights nor the
rights of others.
98AON52857E
DOCUMENT NUMBER:
DESCRIPTION:
Electronic versions are uncontrolled except when accessed directly from the Document Repository.
Printed versions are uncontrolled except when stamped “CONTROLLED COPY” in red.
PAGE 1 OF 2
TO−92 (TO−226) 1 WATT
© Semiconductor Components Industries, LLC, 2019 www.onsemi.com

TO−92 (TO−226) 1 WATT
CASE 29−10
ISSUE A
DATE 08 MAY 2012
STYLE 1:
PIN 1. EMITTER
2. BASE
3. COLLECTOR
STYLE 6:
PIN 1. GATE
2. SOURCE & SUBSTRATE
3. DRAIN
STYLE 11:
PIN 1. ANODE
2. CATHODE & ANODE
3. CATHODE
STYLE 16:
PIN 1. ANODE
2. GATE
3. CATHODE
STYLE 21:
PIN 1. COLLECTOR
2. EMITTER
3. BASE
STYLE 26:
PIN 1. VCC
2. GROUND 2
3. OUTPUT
STYLE 31:
PIN 1. GATE
2. DRAIN
3. SOURCE
STYLE 2:
PIN 1. BASE
2. EMITTER
3. COLLECTOR
STYLE 7:
PIN 1. SOURCE
2. DRAIN
3. GATE
STYLE 12:
PIN 1. MAIN TERMINAL 1
2. GATE
3. MAIN TERMINAL 2
STYLE 17:
PIN 1. COLLECTOR
2. BASE
3. EMITTER
STYLE 22:
PIN 1. SOURCE
2. GATE
3. DRAIN
STYLE 27:
PIN 1. MT
2. SUBSTRATE
3. MT
STYLE 32:
PIN 1. BASE
2. COLLECTOR
3. EMITTER
STYLE 3:
PIN 1. ANODE
2. ANODE
3. CATHODE
STYLE 8:
PIN 1. DRAIN
2. GATE
3. SOURCE & SUBSTRATE
STYLE 13:
PIN 1. ANODE 1
2. GATE
3. CATHODE 2
STYLE 18:
PIN 1. ANODE
2. CATHODE
3. NOT CONNECTED
STYLE 23:
PIN 1. GATE
2. SOURCE
3. DRAIN
STYLE 28:
PIN 1. CATHODE
2. ANODE
3. GATE
STYLE 33:
PIN 1. RETURN
2. INPUT
3. OUTPUT
STYLE 4:
PIN 1. CATHODE
2. CATHODE
3. ANODE
STYLE 9:
PIN 1. BASE 1
2. EMITTER
3. BASE 2
STYLE 14:
PIN 1. EMITTER
2. COLLECTOR
3. BASE
STYLE 19:
PIN 1. GATE
2. ANODE
3. CATHODE
STYLE 24:
PIN 1. EMITTER
2. COLLECTOR/ANODE
3. CATHODE
STYLE 29:
PIN 1. NOT CONNECTED
2. ANODE
3. CATHODE
STYLE 34:
PIN 1. INPUT
2. GROUND
3. LOGIC
STYLE 5:
PIN 1. DRAIN
2. SOURCE
3. GATE
STYLE 10:
PIN 1. CATHODE
2. GATE
3. ANODE
STYLE 15:
PIN 1. ANODE 1
2. CATHODE
3. ANODE 2
STYLE 20:
PIN 1. NOT CONNECTED
2. CATHODE
3. ANODE
STYLE 25:
PIN 1. MT 1
2. GATE
3. MT 2
STYLE 30:
PIN 1. DRAIN
2. GATE
3. SOURCE
STYLE 35:
PIN 1. GATE
2. COLLECTOR
3. EMITTER
ON Semiconductor and are trademarks of Semiconductor Components Industries, LLC dba ON Semiconductor or its subsidiaries in the United States and/or other countries.
ON Semiconductor reserves the right to make changes without further notice to any products herein. ON Semiconductor makes no warranty, representation or guarantee regarding
the suitability of its products for any particular purpose, nor does ON Semiconductor assume any liability arising out of the application or use of any product or circuit, and specifically
disclaims any and all liability, including without limitation special, consequential or incidental damages. ON Semiconductor does not convey any license under its patent rights nor the
rights of others.
98AON52857E
DOCUMENT NUMBER:
DESCRIPTION:
Electronic versions are uncontrolled except when accessed directly from the Document Repository.
Printed versions are uncontrolled except when stamped “CONTROLLED COPY” in red.
PAGE 2 OF 2
TO−92 (TO−226) 1 WATT
© Semiconductor Components Industries, LLC, 2019 www.onsemi.com

SOIC−8 NB
CASE 751−07
ISSUE AK
DATE 16 FEB 2011
SEATING
PLANE
1
4
58
N
J
X 45 _
K
NOTES:
1. DIMENSIONING AND TOLERANCING PER
ANSI Y14.5M, 1982.
2. CONTROLLING DIMENSION: MILLIMETER.
3. DIMENSION A AND B DO NOT INCLUDE
MOLD PROTRUSION.
4. MAXIMUM MOLD PROTRUSION 0.15 (0.006)
PER SIDE.
5. DIMENSION D DOES NOT INCLUDE DAMBAR
PROTRUSION. ALLOWABLE DAMBAR
PROTRUSION SHALL BE 0.127 (0.005) TOTAL
IN EXCESS OF THE D DIMENSION AT
MAXIMUM MATERIAL CONDITION.
6. 751−01 THRU 751−06 ARE OBSOLETE. NEW
STANDARD IS 751−07.
A
BS
D
H
C
0.10 (0.004)
SCALE 1:1
STYLES ON PAGE 2
DIM
A
MIN MAX MIN MAX
INCHES
4.80 5.00 0.189 0.197
MILLIMETERS
B3.80 4.00 0.150 0.157
C1.35 1.75 0.053 0.069
D0.33 0.51 0.013 0.020
G1.27 BSC 0.050 BSC
H0.10 0.25 0.004 0.010
J0.19 0.25 0.007 0.010
K0.40 1.27 0.016 0.050
M0 8 0 8
N0.25 0.50 0.010 0.020
S5.80 6.20 0.228 0.244
−X−
−Y−
G
M
Y
M
0.25 (0.010)
−Z−
Y
M
0.25 (0.010) ZSXS
M
____
XXXXX = Specific Device Code
A = Assembly Location
L = Wafer Lot
Y = Year
W = Work Week
G= Pb−Free Package
GENERIC
MARKING DIAGRAM*
1
8
XXXXX
ALYWX
1
8
IC Discrete
XXXXXX
AYWW
G
1
8
1.52
0.060
7.0
0.275
0.6
0.024
1.270
0.050
4.0
0.155
ǒmm
inchesǓ
SCALE 6:1
*For additional information on our Pb−Free strategy and soldering
details, please download the ON Semiconductor Soldering and
Mounting Techniques Reference Manual, SOLDERRM/D.
SOLDERING FOOTPRINT*
Discrete
XXXXXX
AYWW
1
8
(Pb−Free)
XXXXX
ALYWX
G
1
8
IC
(Pb−Free)
XXXXXX = Specific Device Code
A = Assembly Location
Y = Year
WW = Work Week
G= Pb−Free Package
*This information is generic. Please refer to
device data sheet for actual part marking.
Pb−Free indicator, “G” or microdot “G”, may
or may not be present. Some products may
not follow the Generic Marking.
MECHANICAL CASE OUTLINE
PACKAGE DIMENSIONS
ON Semiconductor and are trademarks of Semiconductor Components Industries, LLC dba ON Semiconductor or its subsidiaries in the United States and/or other countries.
ON Semiconductor reserves the right to make changes without further notice to any products herein. ON Semiconductor makes no warranty, representation or guarantee regarding
the suitability of its products for any particular purpose, nor does ON Semiconductor assume any liability arising out of the application or use of any product or circuit, and specifically
disclaims any and all liability, including without limitation special, consequential or incidental damages. ON Semiconductor does not convey any license under its patent rights nor the
rights of others.
98ASB42564B
DOCUMENT NUMBER:
DESCRIPTION:
Electronic versions are uncontrolled except when accessed directly from the Document Repository.
Printed versions are uncontrolled except when stamped “CONTROLLED COPY” in red.
PAGE 1 OF 2
SOIC−8 NB
© Semiconductor Components Industries, LLC, 2019 www.onsemi.com

SOIC−8 NB
CASE 751−07
ISSUE AK
DATE 16 FEB 2011
STYLE 4:
PIN 1. ANODE
2. ANODE
3. ANODE
4. ANODE
5. ANODE
6. ANODE
7. ANODE
8. COMMON CATHODE
STYLE 1:
PIN 1. EMITTER
2. COLLECTOR
3. COLLECTOR
4. EMITTER
5. EMITTER
6. BASE
7. BASE
8. EMITTER
STYLE 2:
PIN 1. COLLECTOR, DIE, #1
2. COLLECTOR, #1
3. COLLECTOR, #2
4. COLLECTOR, #2
5. BASE, #2
6. EMITTER, #2
7. BASE, #1
8. EMITTER, #1
STYLE 3:
PIN 1. DRAIN, DIE #1
2. DRAIN, #1
3. DRAIN, #2
4. DRAIN, #2
5. GATE, #2
6. SOURCE, #2
7. GATE, #1
8. SOURCE, #1
STYLE 6:
PIN 1. SOURCE
2. DRAIN
3. DRAIN
4. SOURCE
5. SOURCE
6. GATE
7. GATE
8. SOURCE
STYLE 5:
PIN 1. DRAIN
2. DRAIN
3. DRAIN
4. DRAIN
5. GATE
6. GATE
7. SOURCE
8. SOURCE
STYLE 7:
PIN 1. INPUT
2. EXTERNAL BYPASS
3. THIRD STAGE SOURCE
4. GROUND
5. DRAIN
6. GATE 3
7. SECOND STAGE Vd
8. FIRST STAGE Vd
STYLE 8:
PIN 1. COLLECTOR, DIE #1
2. BASE, #1
3. BASE, #2
4. COLLECTOR, #2
5. COLLECTOR, #2
6. EMITTER, #2
7. EMITTER, #1
8. COLLECTOR, #1
STYLE 9:
PIN 1. EMITTER, COMMON
2. COLLECTOR, DIE #1
3. COLLECTOR, DIE #2
4. EMITTER, COMMON
5. EMITTER, COMMON
6. BASE, DIE #2
7. BASE, DIE #1
8. EMITTER, COMMON
STYLE 10:
PIN 1. GROUND
2. BIAS 1
3. OUTPUT
4. GROUND
5. GROUND
6. BIAS 2
7. INPUT
8. GROUND
STYLE 11:
PIN 1. SOURCE 1
2. GATE 1
3. SOURCE 2
4. GATE 2
5. DRAIN 2
6. DRAIN 2
7. DRAIN 1
8. DRAIN 1
STYLE 12:
PIN 1. SOURCE
2. SOURCE
3. SOURCE
4. GATE
5. DRAIN
6. DRAIN
7. DRAIN
8. DRAIN
STYLE 14:
PIN 1. N−SOURCE
2. N−GATE
3. P−SOURCE
4. P−GATE
5. P−DRAIN
6. P−DRAIN
7. N−DRAIN
8. N−DRAIN
STYLE 13:
PIN 1. N.C.
2. SOURCE
3. SOURCE
4. GATE
5. DRAIN
6. DRAIN
7. DRAIN
8. DRAIN
STYLE 15:
PIN 1. ANODE 1
2. ANODE 1
3. ANODE 1
4. ANODE 1
5. CATHODE, COMMON
6. CATHODE, COMMON
7. CATHODE, COMMON
8. CATHODE, COMMON
STYLE 16:
PIN 1. EMITTER, DIE #1
2. BASE, DIE #1
3. EMITTER, DIE #2
4. BASE, DIE #2
5. COLLECTOR, DIE #2
6. COLLECTOR, DIE #2
7. COLLECTOR, DIE #1
8. COLLECTOR, DIE #1
STYLE 17:
PIN 1. VCC
2. V2OUT
3. V1OUT
4. TXE
5. RXE
6. VEE
7. GND
8. ACC
STYLE 18:
PIN 1. ANODE
2. ANODE
3. SOURCE
4. GATE
5. DRAIN
6. DRAIN
7. CATHODE
8. CATHODE
STYLE 19:
PIN 1. SOURCE 1
2. GATE 1
3. SOURCE 2
4. GATE 2
5. DRAIN 2
6. MIRROR 2
7. DRAIN 1
8. MIRROR 1
STYLE 20:
PIN 1. SOURCE (N)
2. GATE (N)
3. SOURCE (P)
4. GATE (P)
5. DRAIN
6. DRAIN
7. DRAIN
8. DRAIN
STYLE 21:
PIN 1. CATHODE 1
2. CATHODE 2
3. CATHODE 3
4. CATHODE 4
5. CATHODE 5
6. COMMON ANODE
7. COMMON ANODE
8. CATHODE 6
STYLE 22:
PIN 1. I/O LINE 1
2. COMMON CATHODE/VCC
3. COMMON CATHODE/VCC
4. I/O LINE 3
5. COMMON ANODE/GND
6. I/O LINE 4
7. I/O LINE 5
8. COMMON ANODE/GND
STYLE 23:
PIN 1. LINE 1 IN
2. COMMON ANODE/GND
3. COMMON ANODE/GND
4. LINE 2 IN
5. LINE 2 OUT
6. COMMON ANODE/GND
7. COMMON ANODE/GND
8. LINE 1 OUT
STYLE 24:
PIN 1. BASE
2. EMITTER
3. COLLECTOR/ANODE
4. COLLECTOR/ANODE
5. CATHODE
6. CATHODE
7. COLLECTOR/ANODE
8. COLLECTOR/ANODE
STYLE 25:
PIN 1. VIN
2. N/C
3. REXT
4. GND
5. IOUT
6. IOUT
7. IOUT
8. IOUT
STYLE 26:
PIN 1. GND
2. dv/dt
3. ENABLE
4. ILIMIT
5. SOURCE
6. SOURCE
7. SOURCE
8. VCC
STYLE 27:
PIN 1. ILIMIT
2. OVLO
3. UVLO
4. INPUT+
5. SOURCE
6. SOURCE
7. SOURCE
8. DRAIN
STYLE 28:
PIN 1. SW_TO_GND
2. DASIC_OFF
3. DASIC_SW_DET
4. GND
5. V_MON
6. VBULK
7. VBULK
8. VIN
STYLE 29:
PIN 1. BASE, DIE #1
2. EMITTER, #1
3. BASE, #2
4. EMITTER, #2
5. COLLECTOR, #2
6. COLLECTOR, #2
7. COLLECTOR, #1
8. COLLECTOR, #1
STYLE 30:
PIN 1. DRAIN 1
2. DRAIN 1
3. GATE 2
4. SOURCE 2
5. SOURCE 1/DRAIN 2
6. SOURCE 1/DRAIN 2
7. SOURCE 1/DRAIN 2
8. GATE 1
ON Semiconductor and are trademarks of Semiconductor Components Industries, LLC dba ON Semiconductor or its subsidiaries in the United States and/or other countries.
ON Semiconductor reserves the right to make changes without further notice to any products herein. ON Semiconductor makes no warranty, representation or guarantee regarding
the suitability of its products for any particular purpose, nor does ON Semiconductor assume any liability arising out of the application or use of any product or circuit, and specifically
disclaims any and all liability, including without limitation special, consequential or incidental damages. ON Semiconductor does not convey any license under its patent rights nor the
rights of others.
98ASB42564B
DOCUMENT NUMBER:
DESCRIPTION:
Electronic versions are uncontrolled except when accessed directly from the Document Repository.
Printed versions are uncontrolled except when stamped “CONTROLLED COPY” in red.
PAGE 2 OF 2
SOIC−8 NB
© Semiconductor Components Industries, LLC, 2019 www.onsemi.com

www.onsemi.com
1
ON Semiconductor and are trademarks of Semiconductor Components Industries, LLC dba ON Semiconductor or its subsidiaries in the United States and/or other countries.
ON Semiconductor owns the rights to a number of patents, trademarks, copyrights, trade secrets, and other intellectual property. A listing of ON Semiconductor’s product/patent
coverage may be accessed at www.onsemi.com/site/pdf/Patent−Marking.pdf. ON Semiconductor reserves the right to make changes without further notice to any products herein.
ON Semiconductor makes no warranty, representation or guarantee regarding the suitability of its products for any particular purpose, nor does ON Semiconductor assume any liability
arising out of the application or use of any product or circuit, and specifically disclaims any and all liability, including without limitation special, consequential or incidental damages.
Buyer is responsible for its products and applications using ON Semiconductor products, including compliance with all laws, regulations and safety requirements or standards,
regardless of any support or applications information provided by ON Semiconductor. “Typical” parameters which may be provided in ON Semiconductor data sheets and/or
specifications can and do vary in different applications and actual performance may vary over time. All operating parameters, including “Typicals” must be validated for each customer
application by customer’s technical experts. ON Semiconductor does not convey any license under its patent rights nor the rights of others. ON Semiconductor products are not
designed, intended, or authorized for use as a critical component in life support systems or any FDA Class 3 medical devices or medical devices with a same or similar classification
in a foreign jurisdiction or any devices intended for implantation in the human body. Should Buyer purchase or use ON Semiconductor products for any such unintended or unauthorized
application, Buyer shall indemnify and hold ON Semiconductor and its officers, employees, subsidiaries, affiliates, and distributors harmless against all claims, costs, damages, and
expenses, and reasonable attorney fees arising out of, directly or indirectly, any claim of personal injury or death associated with such unintended or unauthorized use, even if such
claim alleges that ON Semiconductor was negligent regarding the design or manufacture of the part. ON Semiconductor is an Equal Opportunity/Affirmative Action Employer. This
literature is subject to all applicable copyright laws and is not for resale in any manner.
PUBLICATION ORDERING INFORMATION
TECHNICAL SUPPORT
North American Technical Support:
Voice Mail: 1 800−282−9855 Toll Free USA/Canada
Phone: 011 421 33 790 2910
LITERATURE FULFILLMENT:
Email Requests to: orderlit@onsemi.com
ON Semiconductor Website: www.onsemi.com
Europe, Middle East and Africa Technical Support:
Phone: 00421 33 790 2910
For additional information, please contact your local Sales Representative
◊
Products related to this Datasheet
IC REG LIN POS ADJ 100MA 8SOIC
IC REG LIN POS ADJ 100MA 8SOIC
IC REG LIN POS ADJ 100MA TO92-3
IC REG LIN POS ADJ 100MA TO92-3
IC REG LIN POS ADJ 100MA 8SOIC
IC REG LIN POS ADJ 100MA TO92-3
IC REG LIN POS ADJ 100MA TO92-3
IC REG LIN POS ADJ 100MA TO92-3
IC REG LIN POS ADJ 100MA TO92-3
IC REG LIN POS ADJ 100MA 8SOIC
IC REG LIN POS ADJ 100MA TO92-3
IC REG LIN POS ADJ 100MA TO92-3
IC REG LIN POS ADJ 100MA 8SOIC
IC REG LIN POS ADJ 100MA 8SOIC
IC REG LIN POS ADJ 100MA 8SOIC
IC REG LIN POS ADJ 100MA TO92-3
IC REG LIN POS ADJ 100MA 8SOIC
IC REG LIN POS ADJ 100MA 8SOIC
IC REG LIN POS ADJ 100MA 8SOIC
IC REG LIN POS ADJ 100MA TO92-3
IC REG LIN POS ADJ 100MA TO92-3
IC REG LIN POS ADJ 100MA TO92-3
IC REG LIN POS ADJ 100MA TO92-3
IC REG LIN POS ADJ 100MA 8SOIC
IC REG LIN POS ADJ 100MA TO92-3
IC REG LIN POS ADJ 100MA TO92-3
IC REG LIN POS ADJ 100MA TO92-3
IC REG LIN POS ADJ 100MA TO92-3
IC REG LIN POS ADJ 100MA TO92-3
IC REG LIN POS ADJ 100MA TO92-3