SKY13348-374LF Datasheet by Skyworks Solutions Inc.
View All Related Products | Download PDF Datasheet
Skyworks Green“I produms are compliant with
all applicable legislation and are halogen-free.
- For additional informalion, refer to Skyworks
Definition of Green“, document number
3004-0074.
SKYWORI
X
(5“
AA
T_4T
Skyworks Solutions, Inc. • Phone [781] 376-3000 • Fax [781] 376-3100 • sales@skyworksinc.com • www.skyworksinc.com
201214F • Skyworks Proprietary Information • Products and Product Information are Subject to Change Without Notice • January 12, 2018 1
DATA SHEET
SKY13348-374LF: 0.5 to 6.0 GHz SPDT Switch,
50 Ω Terminated
Applications
WiMAX 802.16
WLAN 802.11 a/b/g/n
Features
50 Ω terminated RF outputs from 0.5 to 6.0 GHz
Low insertion loss: 0.6 dB @ 2.5 GHz
High isolation: 27 dB @ 2.5 GHz
IP1dB: +37 dBm
Small, MLPD (6-pin, 1.5 x 1.5 mm) package
(MSL1, 260 C per JEDEC J-STD-020)
Skyworks Green
TM
products are compliant with
all applicable legislation and are halogen-free.
For additional information, refer to Skyworks
Definition of Green
TM
, document number
SQ04-0074.
1
2
34
5
6
J1
J2
RFC
V1
V2
GND
S1532
Figure 2. SKY13348-374LF Pinout
(Top View)
J2
J1
RFC
50 Ω50 Ω
S1891
Figure 1. SKY13348-374LF Block Diagram
Description
The SKY13348-374LF is a pHEMT GaAs Single-Pole, Double-
Throw (SPDT) high-power switch with 50 Ω terminated outputs.
The high-linearity performance and low insertion loss achieved by
the SKY13348-374LF make it an ideal choice for WiMAX and
WLAN applications such as 802.11 a/b/g/n where low loss, high
isolation, and excellent linearity are key requirements.
The switch is manufactured in a compact, 1.5 x 1.5 mm, 6-pin
exposed pad plastic Micro Leadframe Package Dual (MLPD)
package.
A functional block diagram is shown in Figure 1. The pin
configuration and package are shown in Figure 2. Signal pin
assignments and functional pin descriptions are provided in
Table 1.

DATA SHEET • SKY13348-374LF: SPDT SWITCH
Skyworks Solutions, Inc. • Phone [781] 376-3000 • Fax [781] 376-3100 • sales@skyworksinc.com • www.skyworksinc.com
2 January 12, 2018 • Skyworks Proprietary Information • Products and Product Information are Subject to Change Without Notice • 201214F
Table 1. SKY13348-374LF Signal Descriptions
Pin Name Description Pin Name Description
1 V1
DC control voltage. A logic high voltage
enables an insertion loss path between the
RFC and J1 pins.
4 J2
RF output: 50 Ω terminated when in
isolation state. Must be DC blocked.
2 RFC RF common input. Must be DC blocked. 5 GND Ground
3 V2
DC control voltage. A logic high voltage
enables an insertion loss path between the
RFC and J2 pins.
6 J1
RF output: 50 Ω terminated when in
isolation state. Must be DC blocked.
Functional Description
The SKY13348-374LF symmetric SPDT switch is designed using
an advanced 0.5-micron GaAs pHEMT foundry process. The
switch features linear power handling up to 7 watts with 50 Ω
terminated outputs. Switching is controlled by two control voltage
inputs, V1 and V2 (pins 1 and 3, respectively). Depending on the
logic voltage level applied to the control pins, the RFC pin is
connected to one of the two switched RF outputs, J1 or J2, using
a low insertion loss path, while the path between the RFC pin and
the other RF pin is in a high isolation state.
DC blocking capacitors are required on all RF ports of the switch,
and determine the lower frequency return loss and insertion loss
of the insertion loss state. The off RF output is internally
terminated to 50 Ω. The low frequency impedance is determined
by an on-chip capacitor and cannot be extended below 500 MHz
using external components. The switch is fully operational below
500 MHz. The off port impedance appears as a reflective open. If
operated below 100 MHz, the power handling and linearity of the
device can be degraded even at high control voltage levels.
If V1 and V2 are biased to both high or low logic levels, the switch
appears as a very poor two-way power splitter with low return
loss on all RF ports. The switch is not damaged if placed in these
states. In normal switching logic modes, V1 and V2 can be set
between 1.8 and 5.0 V.
The SKY13348-374LF is designed for medium to high power,
dual-band WLAN, WIMAX, and LTE switching applications. The
device can also be used in a variety of other applications that
require high performance RF switching. The high P0.1dB and
advance proprietary fabrication process enables an exceptional
third order input intercept point (IIP3), error vector magnitude
(EVM), and harmonic performance. Excellent insertion loss ,
return loss, and isolation are maintained up to 6 GHz.
Electrical and Mechanical Specifications
The absolute maximum ratings of the SKY13348-374LF are
provided in Table 2. Electrical specifications are provided in
Table 3.
Typical performance characteristics of the SKY13348-374LF are
illustrated in Figures 3 through 8.
The state of the SKY13348-374LF is determined by the logic
provided in Table 4.
Table 2. SKY13348-374LF Absolute Maximum Ratings
Parameter Symbol Minimum Maximum Units
Control voltage VCTL 6 V
Input power PIN +38 dBm
Storage temperature TSTG -40 +125 C
Operating temperature TOP -40 +85 C
ESD HANDLING: Although this device is designed to be as robust as possible, electrostatic discharge (ESD) can damage this device.
This device must be protected at all times from ESD when handling or transporting. Static charges may easily produce
potentials of several kilovolts on the human body or equipment, which can discharge without detection.
Industry-standard ESD handling precautions should be used at all times.

DATA SHEET • SKY13348-374LF: SPDT SWITCH
Skyworks Solutions, Inc. • Phone [781] 376-3000 • Fax [781] 376-3100 • sales@skyworksinc.com • www.skyworksinc.com
201214F • Skyworks Proprietary Information • Products and Product Information are Subject to Change Without Notice • January 12, 2018 3
Table 3. SKY13348-374LF Electrical Specifications1
(VCTL = 0 V and +3.0 V, TOP = +25 C, PIN = 0 dBm, Characteristic Impedance [ZO] = 50 Ω, CBLK = 47 pF, Unless Otherwise Noted)
Parameter Symbol Test Condition Min Typ Max Units
Insertion loss IL
All paths
500 MHz to 2.70 GHz
2.70 to 3.80 GHz
3.80 to 5.85 GHz
0.60
0.70
1.00
0.75
0.85
1.15
dB
dB
dB
Isolation Iso
All paths
500 MHz to 2.70 GHz
2.70 to 3.80 GHz
3.80 to 5.85 GHz
24
18
18
27
24
24
dB
dB
dB
Input return loss |S11| 500 MHz to 6.0 GHz 10 15 dB
Output return loss (off port return loss) |S22|
|S33|
All ports
2.00 to 2.70 GHz
3.30 to 3.80 GHz
4.90 to 5.85 GHz
10
10
10
15
15
15
dB
dB
dB
1 dB input compression point IP1dB
All ports, VCTL = 3.0 V
2.30 to 2.70 GHz
3.30 to 3.80 GHz
4.90 to 5.85 GHz
+35
+35
+35
+37
+37
+37
dBm
dBm
dBm
Third order input intercept point IIP3
PIN = +25 dBm/tone,
1 MHz spacing,
VCTL = 3.0 V
2.4 GHz
3.8 GHz
5.8 GHz
52
52
52
60
60
57
dB
dB
dB
Error vector magnitude, WLAN EVM_WLAN
Input power for 2.5%
error, WLAN 2.45 GHz,
802.11g OFDM, 54 Mbps,
64 QAM, VCTL = 3.0 V +28 +29 dBm
Error vector magnitude, WiMAX EVM_WIMAX
Input power for 2.5%
error, WiMAX 5.8 GHz,
OFDMA, 64 QAM,
VCTL = 3.0 V +28 +29 dBm
2nd harmonic 2fo
PIN = +25 dBm,
VCTL = 3.0 V
900 MHz
1.8 GHz
2.4 GHz
3.8 GHz
5.8 GHz
+75
+75
+75
+75
+69
+80
+80
+80
+80
+80
dBc
dBc
dBc
dBc
dBc
3rd harmonic 3fo
PIN = +25 dBm,
VCTL = 3.0 V
900 MHz
1.8 GHz
2.4 GHz
3.8 GHz
5.8 GHz
+75
+70
+69
+63
+75
+80
+80
+75
+71
+80
dBc
dBc
dBc
dBc
dBc
Switching speed:
On
Off
tON
tFALL
50% control to 90% RF
50% control to 10% RF
100
50
250
250
ns
ns
1 Performance is guaranteed only under the conditions listed in this table.

DATA SHEET • SKY13348-374LF: SPDT SWITCH
Skyworks Solutions, Inc. • Phone [781] 376-3000 • Fax [781] 376-3100 • sales@skyworksinc.com • www.skyworksinc.com
4 January 12, 2018 • Skyworks Proprietary Information • Products and Product Information are Subject to Change Without Notice • 201214F
Typical Performance Characteristics
(VCTL = 0 V and +3.0 V, TOP = +25 C, PIN = 0 dBm, Characteristic Impedance [Zo] = 50 Ω, Cblk = 47 pF, Unless Otherwise Noted)
0
–0.2
–0.1
–0.3
–0.5
–0.7
–0.9
–1.1
–1.3
–1.4
–0.4
–0.6
–0.8
–1.0
–1.2
–1.5
0.5 1.0 1.5 2.0 2.5 3.0 3.5 4.0 4.5 5.0 5.5 6.0
Insertion Loss (dB)
Frequency (GHz)
RFC to J1
RFC to J2
Figure 3. Insertion Loss vs Frequency
0
–10
–5
–15
–25
–35
–20
–30
–40
0.5 1.0 1.5 2.0 2.5 3.0 3.5 4.0 4.5 5.0 5.5 6.0
Return Loss (dB)
Frequency (GHz)
RFC to J1
RFC to J2
Figure 5. Return Loss vs Frequency, On Ports
5.0
4.0
4.5
3.5
2.5
1.5
3.0
2.0
1.0
0.5
0
+20 +21 +22 +23 +24 +25 +26+27 +28 +29+30
EVM (%)
Input Power (dBm)
3 V
5 V
Figure 7. EVM vs Input Power
(WiMAX 802.16 64 QAM OFDMA, f = 3.8 GHz)
0
–10
–5
–15
–25
–35
–20
–30
–40
0.5 1.0 1.5 2.0 2.5 3.0 3.5 4.0 4.5 5.0 5.5 6.0
Isolation (dB)
Frequency (GHz)
RFC to J1
RFC to J2
Figure 4.Isolation vs Frequency
0
–10
–5
–15
–25
–35
–20
–30
–40
0.5 1.0 1.5 2.0 2.5 3.0 3.5 4.0 4.5 5.0 5.5 6.0
Return Loss (dB)
Frequency (GHz)
J1, RFC to J2 IL State
J2, RFC to J1 IL State
Figure 6. Return Loss vs Frequency. Off Ports
5.0
4.0
4.5
3.5
2.5
1.5
3.0
2.0
1.0
0.5
0
+20 +21 +22 +23 +24 +25 +26+27 +28 +29+30
EVM (%)
Input Power (dBm)
3 V
5 V
Figure 8. EVM vs Input Power
(802.11g 64 QAM, 54 Mbps, f = 2.45 GHz)
DATA SHEET • SKY13348-374LF: SPDT SWITCH
Skyworks Solutions, Inc. • Phone [781] 376-3000 • Fax [781] 376-3100 • sales@skyworksinc.com • www.skyworksinc.com
201214F • Skyworks Proprietary Information • Products and Product Information are Subject to Change Without Notice • January 12, 2018 5
Table 4. SKY13348-374LF Truth Table1
V1 (Pin 1) V2 (Pin 3) Insertion Loss State
1 0 RFC to J1
0 1 RFC to J2
1 1 undefined
0 0 undefined
1 “1” = +2.5 V to +5.0 V. “0” = 0 V to +0.2 V. Any state other than described in this Table places the switch into an undefined state. An undefined state will not damage the device.
Evaluation Board Description
The SKY13348-374LF Evaluation Board is used to test the
performance of the SKY13348-374LF SPDT Switch. An Evaluation
Board schematic diagram is provided in Figure 9. An assembly
drawing for the Evaluation Board is shown in Figure 10.
Package Dimensions
The PCB layout footprint for the SKY13348-374LF is provided in
Figure 11. Typical part markings are shown in Figure 12. Package
dimensions are shown in Figure 13, and tape and reel dimensions
are provided in Figure 14.
Package and Handling Information
Instructions on the shipping container label regarding exposure to
moisture after the container seal is broken must be followed.
Otherwise, problems related to moisture absorption may occur
when the part is subjected to high temperature during solder
assembly.
The SKY13348-374LF is rated to Moisture Sensitivity Level 1
(MSL1) at 260 C. It can be used for lead or lead-free soldering.
Care must be taken when attaching this product, whether it is
done manually or in a production solder reflow environment.
Production quantities of this product are shipped in a standard
tape and reel format.
1
2
34
5
6
J1
J2
RFC
RF Output
RF Common
Input
RF Output
V1
V2
GND
S1545a
CBL
CBL
CBL
CBL = 47 pF for >1 GHz operation. Increase
value for lower frequency operation.
Exposed ground paddle should be grounded
for best performance.
DC Control
Voltage
DC Control
Voltage
Figure 9. SKY13348-374LF Evaluation Board Schematic
DATA SHEET • SKY13348-374LF: SPDT SWITCH
Skyworks Solutions, Inc. • Phone [781] 376-3000 • Fax [781] 376-3100 • sales@skyworksinc.com • www.skyworksinc.com
6 January 12, 2018 • Skyworks Proprietary Information • Products and Product Information are Subject to Change Without Notice • 201214F
C
BL
C
BL
C
BL
J2
J1
RFC
V2
V1
S1534
Figure 10. SKY13348-374LF Evaluation Board Assembly Diagram
6X 0.55
0.50 Pitch
5 X 45
o
6X 0.35
7X Exposed Solder
Area
6X 0.25
0.60
0.05
0.20
0.35
0.70
1.20
S1535
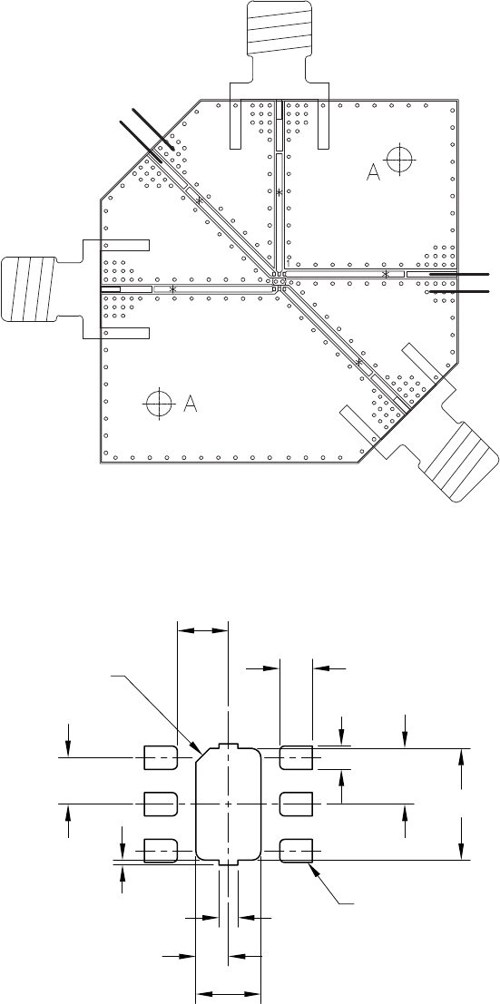
Figure 11. SKY13348-374LF PCB Layout Footprint
(Top View)
+0 03
o c270 02
PTN t TNDTCATOR
c ‘27 REF
zxaoosc
ZXE-c
TOP VTEW
0 451C 05*
STDE
mTEs
T DTMENSTDNTNG AND mLERAmNc PER ASME mm 7 V994
2 DTMENSTONS ARE w MTLLTMETERS
J CUPLANARTTV APPLTES m THE EXPOSED HEAT szK me
As WELL As THE TERMTNALS
4 PLATTNG nEumREMENr PER SUURCE CONTROL muwwc (5m) 2504
5 DTMENSTON A>=LTES m METALTZED TERMTNAL‘ NOT MEASURED w THE
RAmus AREA
VTEW
7» o
SKY
7+3348
3w 1 TNDTCATOR
05x4
O 7010 05
DEWL A ’ ‘ EXPOSED DAD
2x a 2m REF
DETATL B
BOTTOM VTEW
0175to.075+—. 5x a 2 MW
2x RD 05
DETATL A
SCALE 4x B
5x THTS ROTATTON BETA”-
3x ROTATEJ wac‘ SCALE 1X
DATA SHEET • SKY13348-374LF: SPDT SWITCH
Skyworks Solutions, Inc. • Phone [781] 376-3000 • Fax [781] 376-3100 • sales@skyworksinc.com • www.skyworksinc.com
201214F • Skyworks Proprietary Information • Products and Product Information are Subject to Change Without Notice • January 12, 2018 7
Pin 1
Indicator
Skyworks
Part Number
Y0327
Figure 12. Typical Part Markings
(Top View)
201214-013
Figure 13. SKY13348-374LF Package Dimensions

DATA SHEET • SKY13348-374LF: SPDT SWITCH
Skyworks Solutions, Inc. • Phone [781] 376-3000 • Fax [781] 376-3100 • sales@skyworksinc.com • www.skyworksinc.com
8 January 12, 2018 • Skyworks Proprietary Information • Products and Product Information are Subject to Change Without Notice • 201214F
S1382a
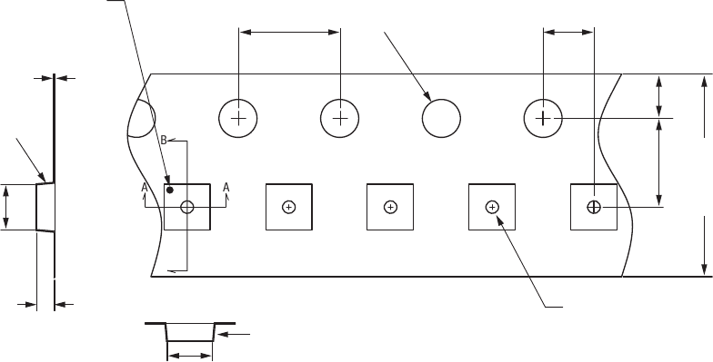
Notes:
1. Carrier tape: black conductive polycarbonate or polystyrene.
2. Cover tape material: transparent conductive PSA.
3. Cover tape size: 5.4 mm width.
4. All measurements are in millimeters.
8.00 +0.30/–0.10
1.78 ± 0.05 (Bo)
1.78 ± 0.05 (Ao)
3.50 ± 0.05
A
B
A
B
B
A
ϕ1.50± 0.10
ϕ0.50± 0.05
4.00 ± 0.10
Pin 1
2.00 ± 0.05
0.20 ± 0.02 (T)
0.69 ± 0.05 (Ko)
1.75 ± 0.10
5
o
Max
5
o
Max
Figure 14. SKY13348-374LF Tape and Reel Dimensions

DATA SHEET • SKY13348-374LF: SPDT SWITCH
Skyworks Solutions, Inc. • Phone [781] 376-3000 • Fax [781] 376-3100 • sales@skyworksinc.com • www.skyworksinc.com
201214F • Skyworks Proprietary Information • Products and Product Information are Subject to Change Without Notice • January 12, 2018 9
Ordering Information
Product Description Product Part Number Evaluation Kit Part Number
SKY13348-374LF: SPDT Switch SKY13348-374LF SKY13348-374LF-EVB
Copyright © 2010, 2012-2013, 2018 Skyworks Solutions, Inc. All Rights Reserved.
Information in this document is provided in connection with Skyworks Solutions, Inc. (“Skyworks”) products or services. These materials, including the information contained herein, are provided by
Skyworks as a service to its customers and may be used for informational purposes only by the customer. Skyworks assumes no responsibility for errors or omissions in these materials or the
information contained herein. Skyworks may change its documentation, products, services, specifications or product descriptions at any time, without notice. Skyworks makes no commitment to
update the materials or information and shall have no responsibility whatsoever for conflicts, incompatibilities, or other difficulties arising from any future changes.
No license, whether express, implied, by estoppel or otherwise, is granted to any intellectual property rights by this document. Skyworks assumes no liability for any materials, products or
information provided hereunder, including the sale, distribution, reproduction or use of Skyworks products, information or materials, except as may be provided in Skyworks Terms and Conditions
of Sale.
THE MATERIALS, PRODUCTS AND INFORMATION ARE PROVIDED “AS IS” WITHOUT WARRANTY OF ANY KIND, WHETHER EXPRESS, IMPLIED, STATUTORY, OR OTHERWISE, INCLUDING FITNESS FOR A
PARTICULAR PURPOSE OR USE, MERCHANTABILITY, PERFORMANCE, QUALITY OR NON-INFRINGEMENT OF ANY INTELLECTUAL PROPERTY RIGHT; ALL SUCH WARRANTIES ARE HEREBY EXPRESSLY
DISCLAIMED. SKYWORKS DOES NOT WARRANT THE ACCURACY OR COMPLETENESS OF THE INFORMATION, TEXT, GRAPHICS OR OTHER ITEMS CONTAINED WITHIN THESE MATERIALS. SKYWORKS
SHALL NOT BE LIABLE FOR ANY DAMAGES, INCLUDING BUT NOT LIMITED TO ANY SPECIAL, INDIRECT, INCIDENTAL, STATUTORY, OR CONSEQUENTIAL DAMAGES, INCLUDING WITHOUT LIMITATION,
LOST REVENUES OR LOST PROFITS THAT MAY RESULT FROM THE USE OF THE MATERIALS OR INFORMATION, WHETHER OR NOT THE RECIPIENT OF MATERIALS HAS BEEN ADVISED OF THE
POSSIBILITY OF SUCH DAMAGE.
Skyworks products are not intended for use in medical, lifesaving or life-sustaining applications, or other equipment in which the failure of the Skyworks products could lead to personal injury,
death, physical or environmental damage. Skyworks customers using or selling Skyworks products for use in such applications do so at their own risk and agree to fully indemnify Skyworks for any
damages resulting from such improper use or sale.
Customers are responsible for their products and applications using Skyworks products, which may deviate from published specifications as a result of design defects, errors, or operation of
products outside of published parameters or design specifications. Customers should include design and operating safeguards to minimize these and other risks. Skyworks assumes no liability for
applications assistance, customer product design, or damage to any equipment resulting from the use of Skyworks products outside of stated published specifications or parameters.
Skyworks and the Skyworks symbol are trademarks or registered trademarks of Skyworks Solutions, Inc. or its subsidiaries in the United States and other countries. Third-party brands and names
are for identification purposes only, and are the property of their respective owners. Additional information, including relevant terms and conditions, posted at www.skyworksinc.com, are
incorporated by reference.
Products related to this Datasheet
IC RF SWITCH SPDT 6GHZ 6MLPD
IC RF SWITCH SPDT 6GHZ 6MLPD
EVAL BOARD FOR SKY13348-374LF
IC RF SWITCH SPDT 6GHZ 6MLPD