PGR-6100 Series Manual Datasheet by Littelfuse Inc.
View All Related Products | Download PDF Datasheet
% Littelfuse“
Expemse Apphed | Answers Delivered
\‘
P 0 WR - G A R D
GROUND-FAULT & INSJLATION MONITOR
LEAKAGE cunatm TIME DELAY Fell-6100 '37 “‘5'
«- Ifllnl I- MA SERIES . .
l-ZflmA no.“
use” 1=D.BA “m"
3:8th umA
l-lwml 9-3.“
Tel: +1-800-832-3873
E-mail: techline@littelfuse.com
www.littelfuse.com/PGR-6100
Copyright © 2018 Littelfuse
All rights reserved.
Document Number: PM-1100-EN
PGR-6100 MANUAL
GROUND-FAULT & INSULATION MONITOR
Revision 2-C-050818
% Littelluse'
ExpemseApphed \ Answevx Delivered
Page i
REV. 2-C-050818
PGR-6100 Ground-Fault & Insulation Monitor
This page intentionally left blank.
% Littelluse'
ExpemseApphed \ Answevx Delivered
Page ii
REV. 2-C-050818
PGR-6100 Ground-Fault & Insulation Monitor
TABLE OF CONTENTS
1 GENERAL ................................................................1
2 OPERATION ............................................................ 1
2.1 Output Relay Operating Mode ................1
2.2 PGR-6100 Operating Mode .....................1
2.2.1 Online Operation .....................................1
2.2.2 Offline Operation .....................................1
2.3 Front-Panel Controls ................................ 1
2.3.1 Ground-Fault Trip Level ...........................1
2.3.2 Ground-Fault Trip Time ............................1
2.3.3 Insulation Resistance Response ................
1
2.3.4 Reset ........................................................1
2.3.5 Test ..........................................................2
2.4 Front-Panel Indication .............................2
2.4.1 Power .......................................................2
2.4.2 >∆I ...........................................................2
2.4.3 CT ............................................................2
2.4.4 Active .......................................................2
2.4.5 <R .............................................................2
2.5 Analog Outputs ........................................2
2.5.1 Out I ...........................................................2
2.5.2 Out R ..........................................................2
2.6 Remote Test ...............................................2
2.7 Remote Reset ............................................2
2.8 CT Verification ............................................2
3 INSTALLATION ......................................................2
3.1 PGH-5000 and PGH-6000 ...........................4
4 TECHNICAL SPECIFICATIONS
..............................8
4.1 PGR-6100 ...................................................8
4.1.1 PGR-6100 Online Operation .......................8
4.1.2 PGR-6100 Offline Operation ......................8
4.2 PGH High Tension Couplers .......................9
5 ORDERING INFORMATION .................................. 9
6 TESTS .................................................................... 10
6.1 Ground-Fault Test ....................................10
6.2 Insulation Test .........................................11
APPENDIX A PGR-6100 REVISION HISTORY
.......12
LIST OF FIGURES
1 PGR-6100 Outline and Mounting Details ....................3
2 Typical Connection Diagram ........................................4
3 PGC-5000-Series Current Sensors ...............................5
4 PGH-5000 Outline and Mounting Details ....................6
5 PGH-6000 Outline and Mounting Details ....................7
6 PGA-0500 Analog Percent Current Meter ...................9
7 PGA-0510 Analog Ohm Meter ...................................10
8 Ground-Fault-Test Circuit ..............................................
11
LIST OF TABLES
1 Ground-Fault-Test Record ..........................................11
DISCLAIMER
Specifications are subject to change without notice.
Littelfuse, Inc. is not liable for contingent or consequential
damages or for expenses sustained as result of incorrect
application, incorrect adjustment, or malfunction.
% Littelluse'
ExpemseApphed \ Answevx Delivered
Page iii
REV. 2-C-050818
PGR-6100 Ground-Fault & Insulation Monitor
This page intentionally left blank.
% Littelluse'
ExpemseApphed \ Answevx Delivered
insu‘afiun-reswstanc
ZBU-kfl Z-MQ
res fu
k9 MQ
Page 1
REV. 2-C-050818
PGR-6100 Ground-Fault & Insulation Monitor
1. GENERAL
The PGR-6100 Ground-Fault & Insulation Monitor can
detect a motor ground fault whether the motor is running
(Online mode) or stopped (Offline mode). The PGR-6100 can
also be used to protect a motor that is supplied by a solidly
grounded, resistance-grounded or ungrounded system. For
ungrounded systems, use only the Offline mode.
Grounded systems use a current transformer (CT) to detect
ground-fault currents as low as 10 mA when the motor is
running. Insulation resistance is measured to detect a fault
when the motor is stopped. Online or Offline mode is selected
with a digital input connected to a starter auxiliary contact.
In the Online mode, ground-fault current is sensed by
a PGC-5000-series zero-sequence CT. The trip level of the
ground-fault circuit is selectable from 10 mA to 3 A. Trip
time is selectable from <50 ms to 1.0 s. Additional current-
detection features include harmonic filtering, a relay output
that can operate in the fail-safe or non-fail-safe mode, CT-
connection detection, LED trip, LED power and LED open-CT
indication, autoreset or latching trips with front-panel and
remote reset, a test button, and a 0-to-1-mA analog output.
In the Offline mode, insulation-resistance monitoring is
enabled with a selectable 250-k to 2-M alarm-setting
range. Additional insulation-monitoring features include
a relay output that can operate in the fail-safe or non-fail-
safe mode, LED active and low-resistance indication, and a
0-to-1-mA analog output.
The PGR-6100 can be directly connected to a supply up to
1.3 kV. For systems from 1.3 to 5 kV, use a PGH-5000 High
Tension Coupler. For systems from 5 kV to 6 kV, use a PGH-
6000 High Tension Coupler.
2. OPERATION
2.1 Output Relay Operating Mode
In the fail-safe mode the output relays energize when power
is applied and the ground-fault and insulation-resistance
circuits are not tripped. Fail-safe mode is the factory setting.
For a non-fail-safe operation, connect terminals 19-20 and
22-23. The respective output relay will energize when a fault
occurs. See Fig. 2.
2.2 PGR-6100 Operating Mode
Connect terminals 27 and 28 to a normally closed (Form B)
auxiliary starter contact. When terminals 27 and 28 are open,
Online mode is selected (insulation monitoring off). When
terminals 27 and 28 are connected, Offline mode is selected
(insulation monitoring active).
2.2.1 Online Operation
In Online mode, the PGR-6100 in conjunction with a
PGC-5000-series zero-sequence current sensor operates
as a ground-fault relay.
2.2.2 Offline Operation
The PGR-6100 changes mode by means of an auxiliary
contact on the main contactor when the motor is off. It
becomes an insulation-resistance monitor and imposes a
small dc voltage to the motor windings and supply cable from
the motor starter. Leakage to ground is detected.
2.3 Front-Panel Controls
2.3.1 Ground-Fault Trip Level
The Leakage Current ∆I selector switch is used to set the
ground-fault trip level from 10 mA to 3 A. For ground-fault
detection, the switch setting must be set substantially below
the prospective ground-fault current. To avoid sympathetic
tripping, the switch setting must be above the charging
current of the protected feeder.
2.3.2 Ground-Fault Trip Time
The PGR-6100 has a definite-time trip characteristic. In
tripping systems, the TIME DELAY selector is used to set the
ground-fault trip time for coordination with upstream and
downstream ground-fault devices. Trip time is selectable
from < 50 ms to 1.0 s. Coordination requires the same trip
level for all ground-fault devices in a system and the trip
time to progressively increase upstream. The amount of
equipment removed from the system will be a minimum if the
first ground-fault device to operate is the one immediately
upstream from the fault.
2.3.3 Insulation Resistance Response
The PGR-6100 insulation resistance function has an
adjustable alarm range of 250 k to 2 M . There is no
selectable time delay. The unit will operate in less than three
seconds.
2.3.4 Reset
The front-panel RESET button is used to reset latching trips.
After a fault has been cleared, cycling the supply voltage will
also reset the PGR-6100.
To use the PGR-6100 in autoreset mode, connect terminals
18-19 and 21-22. See Fig. 2.
Press the RESET button for several seconds. The reset
function is not instantaneous.
% Littelluse'
ExpemseApphed \ Answevx Delivered
The red LED \abeled > A
Page 2
REV. 2-C-050818
PGR-6100 Ground-Fault & Insulation Monitor
2.3.5 Test
The TEST button will test both leakage-current and
insulation-resistance circuits regardless of the selected
operating mode. Press the TEST button for at least eight
seconds to complete the test. All LED’s will light and relay
contacts will change to fault/alarm state. In the default mode
(latching), the tripped state will remain until reset. Allow
eight seconds before operating the RESET button.
2.4 Front-Panel Indication
2.4.1 Power
The green LED labeled “PWR’’ indicates presence of supply
voltage.
2.4.2 > ∆I
The red LED labeled > I indicates a ground-fault trip.
2.4.3 CT
The red LED labeled “CT’’ indicates that a PGC-5000-series
current sensor is not connected. See Section 2.8.
2.4.4 Active
The green LED labeled ACTIVE indicates that the Offline
monitoring function is active. The insulation monitoring
or lockout function is active when terminals 27 and 28 are
connected. See Section 2.2.
2.4.5 <R
The red LED labeled “<R’’ indicates a low resistance.
2.5 Analog Outputs
2.5.1 Out I
A non-isolated, 0- to 1-mA output (terminals 24 and 25)
indicates ground-fault current sensed by the CT. The full-
scale value corresponds to the ground-fault trip setting. For
example, if the ground-fault trip setting is 30 mA, then 1 mA
output will be indicated when the measured current is 30 mA.
The output is linear between zero and full scale. See Figs. 2
and 6.
2.5.2 Out R
A non-isolated, 0- to 1-mA output (terminals 25 and 26)
indicates insulation resistance. The metering output relates
to an insulation-resistance range of 0 to infinity. See Figs. 2
and 7.
2.6 Remote Test
Use external switches to test the current-sensor detection,
insulation-monitoring activation, and insulation-monitoring
functions. See Fig. 2. Response to a test input can take several
seconds.
2.7 Remote Reset
For remote reset, connect a switch or button with a normally
closed contact between the neutral side of the supply voltage
and terminal 5. See Fig. 2.
For an alternate configuration, connect a normally open,
double-pole, single-throw switch across terminals 18 and
19, and terminals 21 and 22. A momentary connection across
these terminals will reset the PGR-6100.
2.8 CT Verification
A ground-fault trip will occur and the red CT LED will light
when a PGC-5000-series CT is not connected to terminals 16
and 17.
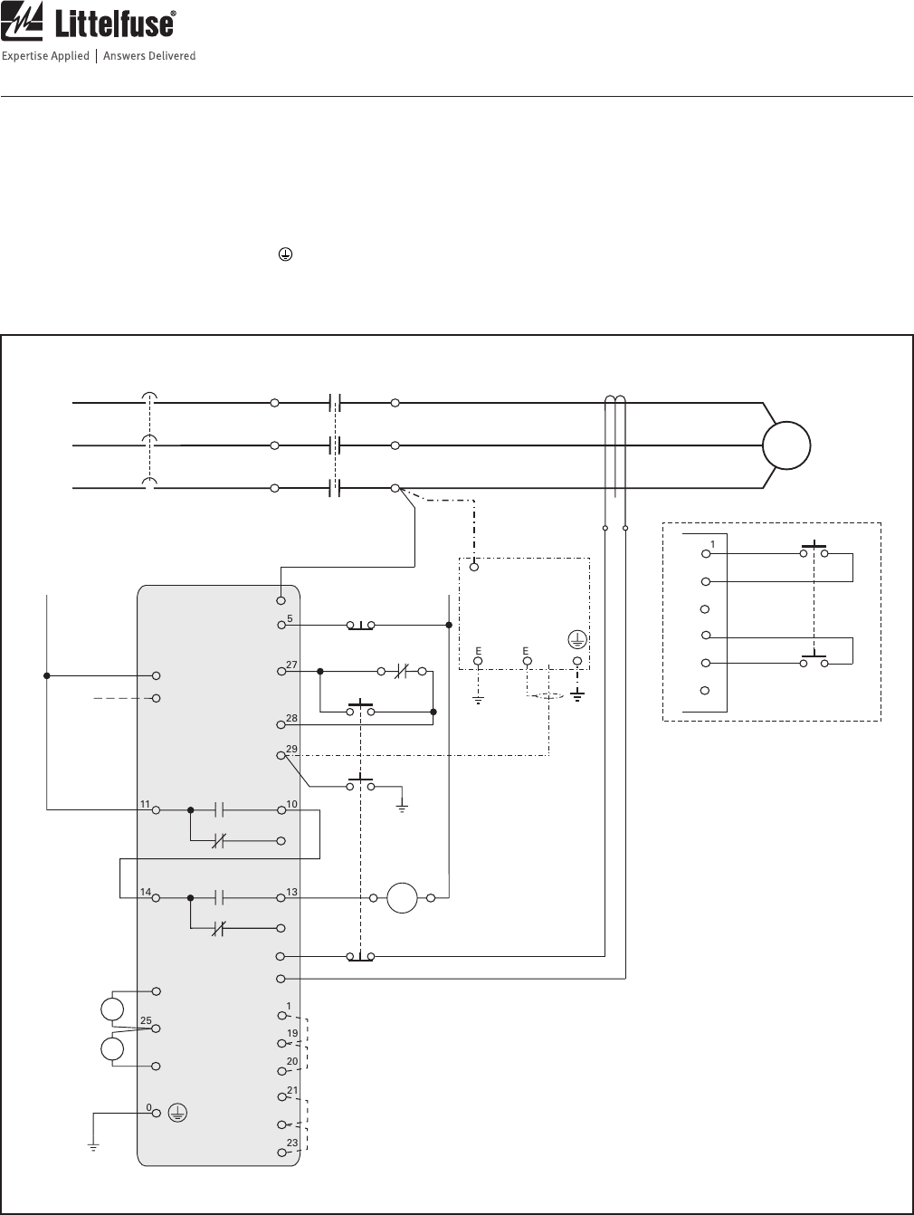
3. INSTALLATION
NOTE: Mounting, terminal block connections and wiring
must conform to applicable local electrical codes. Check all
applicable codes prior to installation.
This ground-fault monitoring system consists of a PGR-
6100-series Ground-Fault & Insulation Monitor, a PGC-5000-
series CT, and for systems over 1.3 kV, a PGH-5000 or PGH-
6000 High Tension Coupler connection, as shown in Fig. 2.
A PGR-6100 can be surface- or DIN-rail mounted. See Fig. 1.
Use terminal 6 (L1) as the line terminal for a 120 or 240
Vac supply. Use terminal 7 as the line terminal for a 24 Vac
supply. Use terminal 5 (L2/N) as the neutral terminal. Connect
terminal 30 to ground.
Pass the phase conductors through the CT window and
position them in the center of the opening (for four-wire and
single-phase systems, also pass the neutral conductor through
the CT window). Do not pass ground conductors through the
CT window. In applications that require shields or drain wires
to pass through the CT window, return them through the
CT window before connecting them to ground. CT connections
are not polarity sensitive. Applications in electrically noisy
environments require twisted-pair or shielded twisted-pair
CT-secondary conductors. Connect the CT secondary leads to
terminals 16 and 17, and connect the shield to terminal 17.
See Fig. 3 for PGC-5000-series CT dimensional drawings.
If insulation monitoring is required, connect terminals 27
and 28 to a contact on the motor starter that is normally
closed.
For systems up to 1.3 kV, connect terminal 2 to one phase of
the load side of the starter.
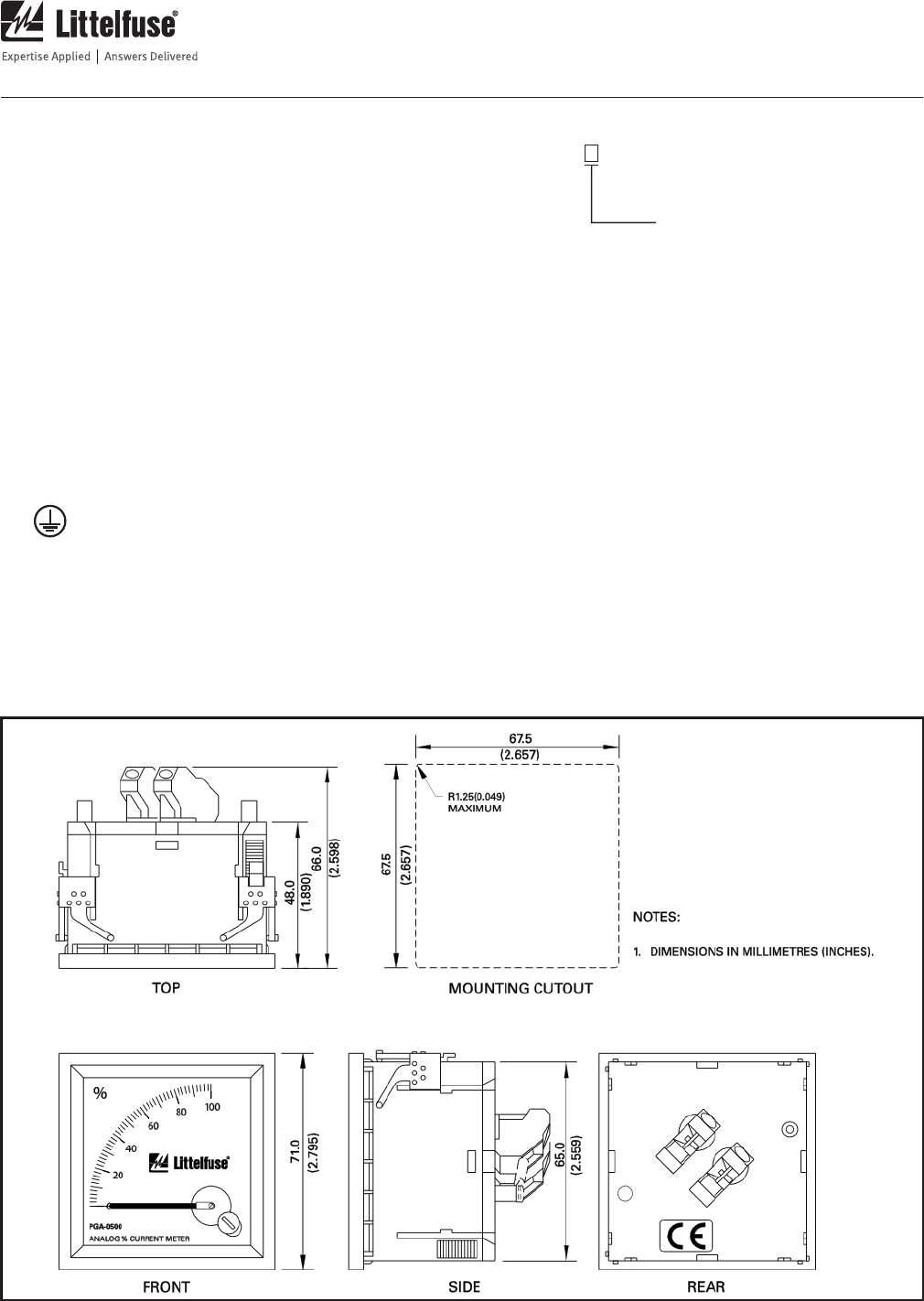
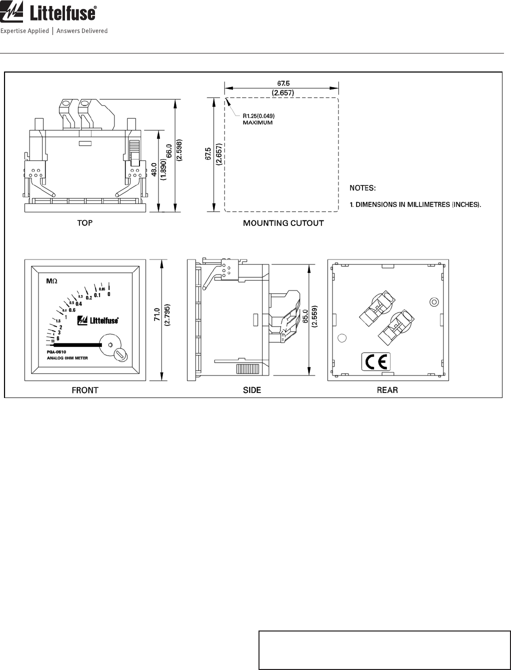
Connect an optional PGA-0500 Analog Current Meter and
PGA-0510 Analog Ohm Meter as shown in Fig. 2. Meter
outlines, dimensions, and cutout sizes are shown in Figs. 6
and 7.
% Littelluse'
ExpemseApphed \ Answevx Delivered
Page 3
REV. 2-C-050818
PGR-6100 Ground-Fault & Insulation Monitor
0
9
8
7
6
5
4
3
2
1
0
3
2
1
123456 78 9101112131415
L1
L2/N 24 V
INSULATION
K1
LEAKAGE
K2
PHASE
<1.3 KV
16 17 18 19 20 21 22 23 24 25 26 27 28 29 30
CT
ANALOG
OUT I OUT R
AUTO
RESET
AUTO
RESET
NON
FAIL
SAFE
NON
FAIL
SAFE INSULATION
K2 K1
PGH
>1.3KV
NOTES:
1. DIMENSIONS IN MILLIMETRES (INCHES).
2. MOUNTING SCREWS: M4 x 13 OR 8-32 x 0.50.
3. OVERALL DIMENSION WHEN MOUNTED ON DIN
EN 50022 35.0 x 7. 5 (1.38 x 0.30) TOP- HAT RAIL.
4. 24 V INPUT IS AVAILABLE ONLY FOR THE
PGR-6100-120 ORDERING OPTION.
TOP
BOTTOM
FRONT
99.80
(3.93)
99.80
(3.93)
85.0
(3.35)
7. 4
(0.29)
61.2
(2.41)
75.0
(2.95)
6.9
(0.27)
MOUNTING DETAIL
SIDE
11 5.0 (NOTE 3)
(4.53)
PWR
TEST RESET
PUSH 8 s
POWR-GARD
GROUND-FAULT & INSULATION MONITOR
PGR-6100
SERIES
LEAKAGE CURRENT TIME DELAY
INSULATION RESISTANCE
FAULT ∆I
>∆I
CT
RESPONSE
ACTIVE
<R
75.0
(2.95)
0 = <50 ms
1 = 250 ms
2 = 500 ms
3 = 1. 0 s
500 kΩ1. 0 MΩ
250 kΩ
2.0 MΩ
0= 10 mA
1= 30 mA
2= 60 mA
3= 80 mA
4= 10 0 mA
5= 0.3 A
6= 0.6 A
7= 0.8 A
8= 1. 0 A
9= 3.0 A
110.0
(4.33)
FIGURE 1. PGR-6100 Outline and Mounting Details.
% Littelluse'
ExpemseApphed \ Answevx Delivered
27
23
29
m
u
n
u
“Tammie to
Page 4
REV. 2-C-050818
PGR-6100 Ground-Fault & Insulation Monitor
3.1 PGH-5000 and PGH-6000
For 5-kV and 6-kV systems, connect the PGR-6100 to the
monitored circuit with a PGH-5000 and PGH-6000 respectively.
See Fig. 4 for PGH-5000 outline and mounting details. See
Fig. 5 for PGH-6000 outline and mounting details.
Connect protective-ground terminal ( ) to ground. Connect
terminal E to ground or to PGR-6100 terminal 30, which must
be grounded. Connect terminal M to PGR-6100 terminal 29.
For PGR-6100 to PGH-5000/PGH-6000 distances greater
than 10 m (30’), use shielded cable, and connect the cable
shield to the second PGH-5000/PGH-6000 terminal E
(PGR-6100 terminal 2 is not used). Connect terminal A to one
phase on the load side of the motor starter. See Fig. 2. The
PGH-5000/PH-6000 includes 915 mm (36”) of high-voltage
conductor.
L2/N
30
14
11
6L1
L2/N 5
10
12
13
15
18
19
K1
LOW INSULATION
PGR-6100
REMOTE RESET
CURRENT
SENSOR
24 V
K2
LEAKAGE CURRENT
16
17
20
21
22
23
S
27
28
24
25
26
A
+
-
MΩ
+
2
PGH-5000 / PGH-6000
A
EEM
29
NOTE 2
7
PGC-5000-SERIES
CURRENT SENSOR
STARTER
NOTE 3
HIGH TENSION COUPLER
FOR CONNECTIONS ABOVE
1,300 VAC
NOTE 3
STARTER
CONTACT
REMOTE TEST
120 VAC OR
240 VAC
NOTE 4
24 VAC
PGA-0500
0-100%
PGA-0510
0Ω - INFINITY
CONNECT 18 & 19 FOR AUTORESET
OPERATION OF K2
CONNECT 19 & 20 FOR NON-FAIL-SAFE
OPERATION OF K2
CONNECT 21 & 22 FOR AUTORESET
OPERATION OF K1
CONNECT 22 & 23 FOR NON-FAIL-SAFE
OPERATION OF K1
WARNING:
BEFORE CARRYING OUT MEGGER OR
DIELECTRIC-STRENGTH TESTS ON THE
SYSTEM, DISCONNECT THE PGR-6100.
NOTES:
1. RELAY CONTACTS SHOWN WITH
PGR-6100 DE-ENERGIZED.
2. INSULATION MONITORING IS
ONLY ACTIVE WHEN TERMINALS
TERMINALS 27 AND 28 ARE
CONNECTED. JUMPER THESE
TERMINALS FOR EXTERNAL
TESTING.
3. WHEN PGH-5000 OR PGH-6000 IS
USED, DO NOT CONNECT
TERMINAL 2.
4. 120 OR 240 VAC ARE ORDERING
OPTIONS. USE SPECIFIED
SUPPLY VOLTAGE.
5. ALTERNATE REMOTE-RESET
CONFIGURATION.
6. 24 VAC NOT AVAILABLE WITH THE
PGR-6100-240 ORDERING OPTION.
18
19
20
21
22
23
NOTE 5
LOAD
NOTE 6
FIGURE 2. Typical Connection Diagram.
% Littelluse'
ExpevKIseApplIed I Answevs nemma
TOP (COVER REMOVED)
Pee-5200
OUTLINE
MOUNTING DETAIL
NOTES:
I. DIMENSIONS IN MILLIMETRES (INCHES).
2. MOUNTING SCREWS: M5 on Ian.
3. fioHS COMPLIANT.
4. CE COMPLIANT
DIM ENSIONS
Pecans mom Pee—5M5 FGC-5130 Pecrszno
A 25.0 (0.95) 61.0 (2.”) 95.0 (21.74) 130.0 (5.12) 200.0 (7.37)
E 55.0 (3.90) 131.515.15) 175.0 (6.89) 210.0 (5.75) 105.0 (12.17)
‘ C 91.5 (3.64) (15.00153) 159.0 (6.22) 2011.00.98) 230.5 (11.44)
FRONT g D 75.0 (2.55) 56.0 (3.56) 141.0(555) 170.0 (7.01) ms (10.50)
E 42.5 (1.87) 50.5 (2.39) 81013.22) 103.5 (4.07) 150.0 (5.00)
illggr r am [1.25) an (1.25) 32.0 (1.16) 32 0 (1,26) 34.0(134)
I _ x G 15.5 (0.81] 15.51031) 17.5 (0.69) 11.0 (0.43) 11.0 [0.43)
‘ 2 A H 15.00159) 14.5 (0.57) 15.0 (0.59) 133 (0.52) (3.30152)
‘ BOWOM | 34.0 (1.34) 33.5 (1.32) 33.01130) 340 (1.34) 43.0(136)
J 9.0 (0.15) 1.5 (0.30) 9.0 (0.35) ".0 I043) I1.5(0.45)
K 400 (1.57) 405(1591 400 (1.57) 40.0 (1.57) 50.0 (1.97)
L 5.310.211 5.310.21) 5.3 (0.21) 7.0 (0.28) 7.0 (0.28)
Page 5
REV. 2-C-050818
PGR-6100 Ground-Fault & Insulation Monitor
FIGURE 3. PGC-5000-Series Current Sensors.
% Littellusew
Album“
run-saw
& umlrusa‘
Page 6
REV. 2-C-050818
PGR-6100 Ground-Fault & Insulation Monitor
Revision:
Coupling Voltage:
PGH-5000
5 KV HIGH TENSION
COUPLER
Serial No:
1-800-TEC-FUSE (1-800-832-3873)
Made in Saskatoon, Canada
Impedance to Ground:
Current to Ground: 2.5 mA Max.
Formerly HTC 5000
E M
RELAY
E
HT
PGH-5000
A
5,000 Vac Max.
> 2 M
POWR-GAR D
E E M
A
A
Æ
Æ
44.5
(1.75)
165.1
(6.50)
95.2
(3.75) 9.5
(0.38)
NOTE 2
150.0
(5.91)
FRONT SIDE MOUNTING DETAIL
NOTES:
1. DIMENSIONS IN MILLIMETRES (INCHES).
2. MOUNTING HOLES: 5.00 mm (0.20).
3. ALL GROUND CONNECTIONS MUST BE
MADE AND SECURED BEFORE CONNECTIONS
TO RELAY AND HIGH VOLTAGE LINE.
4. CORD PROVIDED IS APPROXIMATELY
915.0 (36.00) LONG.
915.0
(36.00)
5kV HIGHTENSION COUPLER
PGH-5000
DANGER
HIGH VOLTAGE
ATTENTION!
BOTH GROUND CONNECTIONS
MUST BE MADE AND SECURED
BEFORE CONNECTIONS TO
THE RELAY AND THE
HIGH VOLTAGE LINE
MAXIMUM
V O LTAG E
AC 5000V
FIGURE 4. PGH-5000 Outline and Mounting Details.
% Litteltuse'
ExpemseApphed \ Anxwus Damned
@% 10
fl
”W M Lmlmm
rmmn Mm
k—C
\
Page 7
REV. 2-C-050818
PGR-6100 Ground-Fault & Insulation Monitor
POWR-GARD
A
POWR-GARD
EEM
Revision:
Coupling Voltage:
PGH-6000
6 KV HIGH TENSION
COUPLER
Serial No:
1-800-TEC-FUSE (1-800-832-3873)
Made in Saskatoon, Canada
Impedance to Ground:
Current to Ground: 2.5 mA Max.
Formerly HTC 6000
E M
RELAY
E
HT
PGH-6000
A
6,000 Vac Max.
> 2 M
Æ
Æ
145.0
(5.71)
120.0
(4.72)
12.50
(0.49)
12.50
(0.49)
12.50
(0.49)
175.0
(6.89)
200.0
(7.87)
915 (36) LONG
98.5
(3.88)
FRONT SIDE
NOTES:
1. DIMENSIONS IN MILLIMETRES (INCHES).
2. MOUNTING HOLES: 6.35 mm (0.25).
3. ALL GOUND CONNECTIONS MUST BE
MADE AND SECURED BEFORE CONNECTION
TO RELAY AND HIGH VOLTAGE LINE.
4. CORD PROVIDED IS APPROXIMATELY
915.0 (36.00) LONG.
6kV HIGHTENSION COUPLER
PGH-6000
6kV HIGHTENSION COUPLER
PGH-6000
HIGH VOLTAGE
AT TENTION!
BOTH GROUND CONNECTIONS
MUST BE MADE AND SECURED
BEFORE CONNECTIONS TO
THE RELAY AND THE
HIGH VOLTAGE LINE
HIGH VOLTAGE
AT TENTION!
BOTH GROUND CONNECTIONS
MUST BE MADE AND SECURED
BEFORE CONNECTIONS TO
THE RELAY AND THE
HIGH VOLTAGE LINE
MAXIMUM
VOLTA GE
AC 6000V
MAXIMUM
VOLTA GE
AC 6000V
DANGER DANGER
FIGURE 5. PGH-6000 Outline and Mounting Details.
% Littelluse'
ExpemseApphed \ Answevx Delivered
mm
swam mum
us my
my NRNV Emma
k9
k9
M9
M9
k9
Page 8
REV. 2-C-050818
PGR-6100 Ground-Fault & Insulation Monitor
4. TECHNICAL SPECIFICATIONS
4.1 PGR-6100
Supply:
120 Option ...................................... 5 VA, 120/24 Vac, (+10,
-15%) 50/60 Hz
240 Option... .................................... 5 VA, 240 Vac, (+10,
15%) 50/60 Hz
Operation Class ...................................... Continuous
K1 and K2 Relay Contacts:
Configuration ...................................N.O. and N.C (Form C)
Operating Mode .............................. Fail-Safe or
.... Non-Fail-Safe
UL Contact Rating ...........................5 A Resistive, 125 Vac
Switching Capacity .........................625 VA
Supplemental Contact Ratings:
Carry Continuous . .................. 5 A maximum
Break:
30 Vdc ................................. 5 A
110 Vdc ............................... 0.3 A
Trip Mode ............................................... Latching or Autoreset
Reset ...................................................... Front-Panel Button and
Remote N.C. Contact
Test................................................ ...........Front-Panel Button and
Remote Contacts
Terminals ................................................ Wire Clamping,
12-22 AWG
(0.3 to 2.5 mm2)
conductors
Tightening Torque .......................... 0.40 N∙m (3.54 lbf∙in)
Conductor Type .............................. Copper, Solid or
Stranded with
Ferrules
Conductor Rating ........................... 60/75°C
Dimensions:
Height ..............................................75 mm (3.0”)
Width ..............................................100 mm (3.9”)
Depth ...............................................113 mm (4.4”)
Including DIN rail ....................115 mm (4.5”)
Shipping Weight .................................... 0.45 kg (1 lb)
Environment:
Operating Temperature .................. -10 to 60°C (14 to
140°F)
Storage Temperature ..................... -40 to 80°C (-40 to
176°F)
Humidity .......................................... 85% Non-Condensing
Enclosure Rating .............................IP20
Altitude ..........................................2,000 m (6,562 ft)
maximum
Overvoltage Category ....................II
Pollution Degree ............................2
Certification ............................................UL Listed
................................................
................................................UL508 Industrial Control
Equipment
FCC
4.1.1 PGR-6100 Online Operation
Trip-Level Settings (∆I)...........................10, 30, 60, 80, 100, 300,
600, 800, 1,000, and
3,000 mA
Trip-Time Settings ..................................< 0.050, 0.250, 0.500,
1.0 s
Input:
CT ................................................PGC-5000-Series
CT Detection ..................................Open-Circuit Detection
Analog Output:
Mode .............................................. Self Powered
Range .............................................0-1 mA
Output impedance ..........................5 k maximum
4.1.2 PGR-6100 Offline Operation
Maximum System Voltage:
Direct Connection ..........................1,300 V
With PGH-5000 ..............................5,000 V
With PGH-6000 ..............................6,000 V
Measuring Voltage .................................12 Vdc
Measuring Current ................................. 20 μA maximum
DC Resistance ........................................ 600 k
AC impedance at 50-60 Hz.....................> 1 M
Response-Level Settings........................0.250 to 2.0 M
Response Delay......................................< 250 ms
Maximum Leakage:
Capacitance to Ground...........................< 1 μF
Maximum Stray Voltage ........................1,000 Vdc
Analog Output:
Mode ..............................................Self-Powered
Range .............................................0-1 mA
Impedance ......................................5 k maximum
% Littelluse'
ExpemseApphed \ Answevx Delivered
‘ 67.5
(2.357:
’ 1‘ 777777777777777777 ¥
‘ mummy }
fl ; WNW ‘
x x ‘ l
- ‘
E 0. it‘ 1
As E E a: ;
0. a 5‘ ‘
s 2 1 ;
' } 1 NmEs
‘
‘
‘ n=n=n=n=n=n=n } 1 1. DIMENSIONSINMILLIMETRESIINCHESL
\ ,,,,,,,,,,,,,,,,,,,
TOP MOUNTING CUTOUT
:0 \_A
\\H\”“ a
% «QM» 1}”
§\ so _ @
§ a g o §
\\ «a ‘_ 7 .
in H mum " E D, 3 g 1 [
‘ O
M
FRONT SIDE
Page 9
REV. 2-C-050818
PGR-6100 Ground-Fault & Insulation Monitor
4.2 PGH High Tension Couplers
Maximum Line Voltage:
PGH-5000 .................................. 5,000 Vac
PGH-6000 ................................... 6,000 Vac
Current to Ground..............................2.5 mA maximum
Terminal M Maximum
Voltage ..............................................50 Vac
Terminals:
E, E, and M ................................. Wire Clamping,
22 to 12 AWG
(0.2 to 2.5 mm2)
conductors
............................................ Wire Clamping,
10 AWG (5.26 mm2)
maximum
High Tension Lead A ......................... 8 AWG (8.36 mm²),
40 kVdc, 915 mm (36”)
5. ORDERING INFORMATION
PGA-0500 ......................................... Analog Percent Current Meter
PGA-0510 ......................................... Analog Ohm Meter
PGC-5025.......................................... Current sensor,
25.0 mm (0.98”) window
PGC-5060.......................................... Current sensor,
60.8 mm (2.40”) window
PGC-5095.......................................... Current sensor,
95.0 mm (3.74”) window
PGC-5130.......................................... Current sensor,
130.0 mm (5.12”) window
PGC-5200.......................................... Current sensor,
200.0 mm (7.87”) window
PGH-5000 ......................................... 5 kV High Tension Coupler
PGH-6000 ......................................... 6 kV High Tension Coupler
NOTES:
(1) 240 Vac option is not UL Listed.
FIGURE 6. PGA-0500 Analog Percent Current Meter.
PGR-6100-
Supply:
120 – 120- or 24-Vac Supply
240 – 240-Vac Supply(1)
% Littelluse'
ExpemseApphed 1 Answevx Dehvued
a —’ =
mamm) I
H | mm". .
1 1 I
:I g .— Y
m h .
n E a: E :
v ,
c. u ;
§ I NOTES:
‘ ‘ ‘ 1 I. DIMENSIONS IN MILLIMETHES [INCHES].
TOP MOUNTING cu'rou'r
p N
c, a a
:' E j * E3
[111111111111
FRONT SIDE
Page 10
REV. 2-C-050818
PGR-6100 Ground-Fault & Insulation Monitor
FIGURE 7. PGA-0510 Analog Ohm Meter.
6. TESTS
6.1 Ground-Fault Test
Some jurisdictions require periodic ground-fault
performance tests. A test record form is provided for
recording the date and the result of the performance tests.
The following ground-fault system tests must be conducted
by qualified personnel:
1. Evaluate the interconnected system in accordance
with the overall equipment manufacturer’s detailed
instructions.
2. Verify proper location of the PGC-5000-series CT. Ensure
the cables pass through the CT window. This check can
be done visually with knowledge of the circuit. The
connection of the current-sensor secondary to the PGR-
6100 is not polarity sensitive.
3. Verify that the system is correctly grounded and there are
no alternate ground paths bypassing the current sensor.
High-voltage testers and resistance bridges can be used
to determine the existence of alternate ground paths.
4. Verify proper reaction of the circuit-interrupting device
in response to a simulated or controlled ground-fault
current. To simulate ground-fault current, use CT-primary
current injection. Fig. 8 shows a test circuit using the
SE-400 Ground-Fault-Relay Test Unit. The SE-400 has a
programmable output of 0.5 to 9.9 A for a duration of
0.1 to 9.9 seconds. Fig. 8 shows the use of resistors
that reduce the injected current to 10% of the SE-400
setting. Set the test current to 120% of the PGR-6100
setting. Inject the test current through the CT window for
at least 2.5 seconds. Verify that the circuit under test has
reacted properly. Correct any problems and re-test until
the proper reaction is verified.
5. Record the date and the results of the test on the attached
test-record form.
NOTE: Do not inject test current directly into CT-input
terminals 16 and 17.
% Littelluse'
ExpemseApphed \ Answevx Delivered
P605000 SERIES
FROM
POWER LOAD
SOURCE
R1Ls— U
N# L2/N
R2
12
0 OF! OF?
L fl LI
N a 12
i; ® SE-‘W
0731 own
REMOTE :70
TEST 1
Rm:
nil-1 n‘ Iaw,1%
R mmowwa
\m:1/‘055400$ET|1NG
Page 11
REV. 2-C-050818
PGR-6100 Ground-Fault & Insulation Monitor
FIGURE 8. Ground-Fault-Test Circuit.
TABLE 1. GROUND-FAULT-TEST RECORD
DATE TEST RESULTS
Retain this record for the authority having jurisdiction.
6.2 Insulation Test
Perform this test with the starter open and appropriate
lock-out procedures.
Connect a 10-k resistor between one phase and
ground at the line side of the starter or motor terminal box.
Select a phase that is not connected to PGR-6100 terminal
2 (or the PGH-5000 or PGH-6000). The PGR-6100, operating
in Offline mode (as indicated by the green ACTIVE LED),
will alarm, operating the K1 low insulation output relay and
lighting the red <R LED.
PGR-6100
% Littelluse'
WWW m \ lvswevsbelvru
Page 12
REV. 2-C-050818
PGR-6100 Ground-Fault & Insulation Monitor
MANUAL RELEASE
DATE MANUAL REVISION PRODUCT REVISION
(REVISION NUMBER ON PRODUCT LABEL)
May 8, 2018 2-C-050818
01
November 10, 2014 2-B-111014
January 30, 2014 2-A-013014
January 12, 2010 1 00
APPENDIX A
PGR-6100 REVISION HISTORY
MANUAL REVISION HISTORY
REVISION 2-C-050818
SECTION 4
Specifications added.
REVISION 2-B-111014
SECTION 3
Figs. 1 and 2 updated.
SECTION 4
PGR-6100 supply options updated.
SECTION 5
Ordering information updated.
APPENDIX A
Revision history updated.
REVISION 2-A-013014
SECTION 1
Product name changed to PGR-6100 Ground-Fault & Insulation Monitor.
SECTION 3
Fig. 3 updated.
SECTION 4
UL Certification and contact rating specifications added.
REVISION 1
Initial release.
PRODUCT REVISION HISTORY
PRODUCT REVISION 01
UL Certification.
PRODUCT REVISION 00
Initial release.
Products related to this Datasheet
MOTOR GROUND FAULT & INSUL RELAY
MOTOR GROUND FAULT & INSUL RELAY