STM1E-SFPxx Datasheet by Maxim Integrated

View All Related Products | Download PDF Datasheet
TERIDIAN . SEMICONDUETDR CORP
STM1E-SFPxx 155Mbps Copper Transceiver
Final Datasheet
STM1E-SFPxx Datasheet - 1 - August 2008 v2-2
Features
Compatible with the Multi-Source Agreement
(MSA) for SFP transceivers
75 media interface compliant with
ITU-T G.703 and Telcordia GR-253 for CMI
coded 155Mbps electrical interfaces
ITU-T G.783 compatible loss of signal detect
Transmit power down and tri-state control
Handles over 12.7dB of cable loss
Extended Temperature operation: -20 C to 85 C
75 DIN 1.0/2.3 female coaxial media interface
supports Type A and Type D coupling
Low power dissipation (0.6 W typical)
Compliant with RoHS 6/6 (lead-free)
Benefits
Compatible with existing OC3/STM1o line cards
using the pluggable SFP form factor
Provides end user flexibility on a per port basis
Reduces cost to system developers for offering
STM-1 electrical interfaces
Eliminates risk of laser wear out for central office
interconnects
Description
The STM1E-SFPxx is a Small Form-factor Pluggable (SFP) module compatible with the Multi Source Agreement
(MSA) for SFP transceivers. The module utilizes the latest generation of Line Interface Units (LIUs) for 155 Mbit/s
electrical interfaces (STM-1e, ES1) from Teridian Semiconductor Corporation (TSC). It also includes all the
necessary components for interfacing to 75 telecommunications coaxial cable.
The Teridian 78P2351R physical layer IC includes Clock & Data Recovery in both directions and a CMI
encoder/decoder for transparent NRZ to CMI line code conversion. It provides Receive Loss of Signal (LOS)
detection for electrical CMI interfaces and the option to disable (and tri-state) the transmit driver. A serial
interface provides access to an on board EEPROM for identification information.
Tx Dis able
Tx Data
Rx Data
Rx LOS
STM1e
(electrical)
input signal
STM1e
(electrical)
output signal
EEPROM
1.0/2.3
Mini-coax
Magnetics
&
Protection
TERIDIAN 78P2351R
STM1e Line Interface Unit
MOD_DEF[2:0] XO
Figure 1: Transceiver Functional Diagram
(A )TERIDIAN 1; l 1.1. ll ______________
STM1E-SFPxx 155Mbps Copper Transceiver
Final Datasheet
STM1E-SFPxx Datasheet - 2 - August 2008 v2-2
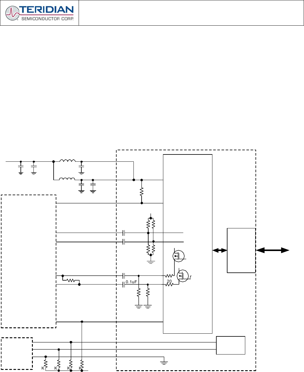
Data and Control Interface
The STM1E-SFPxx data I/Os accept and provide differential signals at 155.52Mbit/s. AC-coupling for both
transmit and receive traces is handled internally and is thus not required on the host board.
The receive data outputs (RD+/-) provide the recovered STM1/STS3 data to the host in NRZ coding.
During Rx LOS of signal conditions, the receive outputs are squelched. The RD+/- traces on the host
card should be of equal length and differentially terminated with 100 at the user SerDes.
The transmit data inputs (TD+/-) accept STM1/STS3 NRZ data at CML or LVPECL levels. The transmit
timing is recovered inside the 78P2351R LIU and used for the CMI line encoding and transmit pulse
driver. The TD+/- traces on the host card should be of equal length.
The physical layer IC used in the STM1E-SFPxx does not require reset or software configuration. Only an
optional Transmit Disable control pin is available for enabling or powering down the transmit driver.
For status monitoring, a Receive Loss of Signal indicator is provided. Loss of Signal detection for STM-1e
(electrical) interfaces is inherently different from optical LOS detection. Reference Receiver Loss of Signal
Condition section for more info on LOS detection criteria for STM-1e (ES1) interfaces.
STM1E-SFPxx
Tx_Disable
TD+
RD+
Rx_LOS
EEPROM
Magnetics
& Coax I/F
78P2351R LIU
MOD_DEF2
0.1uF
0.1uF
75 ohm
coax pair
0.1uF
170
0.1uF
170
20
from circuit
VCC
from circuit
VCC
20
3.3V
130130
82 82
to circuit
to circuit
RD-
TD-
MOD_DEF1
MOD_DEF0
Protocol IC
& SerDes
100
3.3V
PLD / PAL
3.3V VccT
VccR
4.7K
4.7K4.7K 4.7K 4.7K
Figure 2: Typical Application Configuration
(A ETERIDIAN NOTE NOTES
STM1E-SFPxx 155Mbps Copper Transceiver
Final Datasheet
STM1E-SFPxx Datasheet - 3 - August 2008 v2-2
Serial ID Interface
The STM1E-SFPxx supports the 2-wire serial EEPROM protocol for the ATMEL AT24C01 as defined by the MSA.
The serial interface provides access to identification information. The memory is organized as byte wide data
words that can be addresses individually or sequentially at device address 1010000X (A0h).
Special Design Considerations for Using STM1E-SFPxx Transceivers
Host enclosures that use SFP devices should provide appropriate clearances between the SFP transceivers to
allow room for the larger width of the 1.0/2.3 mini-coax front end. For most systems a nominal centerline-to-
centerline spacing of 16.25mm (0.640”) is sufficient, but preferred coax cable types and routing clearances may
require additional spacing.
NOTE: To accommodate the preferred Type D coax coupling and cable types, the width of the nosepiece
or front end was designed to exceed the MSA requirements of 13.7mm (+/- 0.1).
o Reference INF-8074 [Appendix A, Table 1, Designator A] for MSA recommendations
o Reference Mechanical Drawings section for STM1E-SFPxx transceiver dimensions.
The SFP transceiver insertion slot should be clear of nearby moldings and covers that might block convenient
access to the unique latching mechanism used in the STM1E-SFPxx. A bail-style de-latch was not feasible with a
coaxial network interface so a simple push button actuator was employed. Detaching the coax cable from the
STM1E-SFPxx is not required for de-latching the transceiver from the host card.
NOTES:
1. In order to secure the larger push button de-latch mechanism, the length of the bottom of the
transceiver exceeds the maximum MSA requirements of 2.0mm.
o Reference INF-8074 [Appendix A, Table 1, Designator Y] for MSA recommendations
o Reference Mechanical Drawings section for STM1E-SFPxx transceiver dimensions.
2. Note: Double-sided board mounting is generally not recommended due to the limited clearance
for de-latching the STM1E-SFPxx transceiver.
Q} 9TERIDIAN 20 19 m 16 15 13 12 H VeeT ID ID. VEST VncT m VeeR < )a="" we}?="" veet="" txfauh="" tx="" msame="" mod="" om="" p="" mod="" 05m.="" modvdeh="" p="" rate="" sam="" l05="" veer="" veer="" top="" cl="" board="" emu!“="" 11'="" board="" (as="" wewed="" mm="" mp="" n1="" mm)="">
STM1E-SFPxx 155Mbps Copper Transceiver
Final Datasheet
STM1E-SFPxx Datasheet - 4 - August 2008 v2-2
Mating the STM1E-SFPxx PCB to Host Connector
The SFP utilizes a printed circuit board (PCB) to mate with a host card equipped an SFP electrical connector. The
pads are designed for sequenced mating as follows:
1. Ground contacts first
2. Power contacts second
3. Data & Control contacts third
The design of the mating portion of the transceiver printed circuit board is illustrated below. Reference INF-8074
for generic SFP guidelines for the host board.
(fl BTERIDIAN
STM1E-SFPxx 155Mbps Copper Transceiver
Final Datasheet
STM1E-SFPxx Datasheet - 5 - August 2008 v2-2
Host Interface Pinout
Pin Name Description Notes
1 VeeT Transmitter ground. Note 1
2 Tx Fault Not supported in STM1E-SFPxx. Grounded internally.
3 Tx Disable Transmit Disable. When pin is high or open, the transmitter is powered
down and tri-stated.
4 MOD-DEF2 Module Definition 2. Bi-directional data pin of two wire serial ID
interface. This pin is open-drain and may be wired-ORed with other
open-drain or open-collector devices.
5 MOD-DEF1 Module Definition 1. Clock pin of two wire serial ID interface. Data is
clocked into EEPROM device on the positive edge and clocked out on
the negative edge.
6 MOD-DEF0 Module Definition 0. Grounded internally. Used to notify host system
that an SFP is present.
7 Rate Select Not supported in STM1E-SFPxx. Floating internally.
8 RLOS Receive Loss of Signal. Asserted when the received signal is less than
approximately 19dB below nominal for 110 UI. The RLOS condition is
cleared when the received signal is greater than approximately 18dB
below nominal for 110 UI.
Note 2
9 VeeR Receiver ground. Note 1
10 VeeR Receiver ground. Note 1
11 VeeR Receiver ground. Note 1
12 RD- Recovered receive NRZ data output (inverted).
13 RD+ Recovered receive NRZ data output.
14 VeeR Receiver ground. Note 1
15 VccR Receiver power supply (+3.3V). Note 3
16 VccT Transmitter power supply (+3.3V). Note 3
17 VeeT Transmitter ground. Note 1
18 TD+ Transmit NRZ data input.
19 TD- Transmit NRZ data input (inverted).
20 VeeT Transmitter ground. Note 1
Notes:
1. Transmit and Receive grounds are connected directly together internally. For STM1E-SFP08 version,
circuit grounds are also connected to frame/chassis ground.
2. During Rx LOS conditions, the receive data outputs RD+/- are squelched. See Receiver Loss of Signal
Condition section for more information on LOS detection for STM-1e interfaces.
3. Transmit and Receive power supplies are connected together internally.
A TERIDIAN SEMIEDNDLHDTDF CERF PARAMETER RATING PARAMETER RATING PARAMETER SYMBOL CONDITIONS MIN NOM MAX UNIT Tx Disable input: PARAMETER SYMBOL CONDITIONS MIN NOM MAX UNIT TD+/- data mguts PARAMETER SYMBOL CONDITIONS MIN NOM MAX UNIT RD+/— data outguts: PARAMETER SYMBOL CONDITIONS MIN NOM MAX UNIT RxLOS output: PARAMETER SYMBOL CONDITIONS MIN NOM MAX UNIT
STM1E-SFPxx 155Mbps Copper Transceiver
Final Datasheet
STM1E-SFPxx Datasheet - 6 - August 2008 v2-2
ABSOLUTE MAXIMUM RATINGS
Operation beyond these limits may permanently damage the device.
PARAMETER RATING
Supply Voltage (VccT, VccR) -0.5 to 3.6 VDC
Storage Temperature -65 to 150 °C
RECOMMENDED OPERATING CONDITIONS
Unless otherwise noted all specifications are valid over these temperatures and supply voltage ranges.
PARAMETER RATING
DC Voltage Supply (VccT, VccR) 3.15 to 3.45 VDC
Ambient Operating Temperature -20 to 85°C
DC CHARACTERISTICS:
PARAMETER SYMBOL CONDITIONS MIN NOM MAX UNIT
Supply Current Idd Max cable length 170 190 mA
Receive-only Supply Current Iddr Transmitter disabled 100 mA
DIGITAL I/O CHARACTERISTICS:
Tx Disable input:
PARAMETER SYMBOL CONDITIONS MIN NOM MAX UNIT
Input Voltage Low Vil 0.8 V
Input Voltage High Vih 2.0 V
TD+/- data inputs:
PARAMETER SYMBOL CONDITIONS MIN NOM MAX UNIT
Single-ended Signal Swing Vpki 0.3 1.2 V
RD+/- data outputs:
PARAMETER SYMBOL CONDITIONS MIN NOM MAX UNIT
Single-ended Signal Swing Vpk Differentially
terminated with100
0.5 0.7 1.0 V
Rise & Fall Time Tf 10-90% 0.8 1.2 ns
RxLOS output:
PARAMETER SYMBOL CONDITIONS MIN NOM MAX UNIT
Output Voltage Low Vol Iol = 8mA 0.4 V
Pull-up Resistor Rpu 4.7 k
(I ETERIDIAN Bit Rate Line Code Reievant Specification PARAMETER CONDITION MIN NOM MAX UNIT E) —> PARAMETER CONDITION MIN NOM MAX UNIT
STM1E-SFPxx 155Mbps Copper Transceiver
Final Datasheet
STM1E-SFPxx Datasheet - 7 - August 2008 v2-2
TRANSMITTER SPECIFICATIONS FOR CMI (COAX) INTERFACE
Bit Rate: 155.52Mbits/s ± 20ppm
Line Code: Coded Mark Inversion (CMI)
Relevant Specification: ITU-T G.703, ANSI T1.102, Telcordia GR-253-CORE
With the coaxial output port driving a 75 load, the output pulses conform to the templates in ITU-T G.703 and
G.783. These specifications are tested during production test.
PARAMETER CONDITION MIN NOM MAX UNIT
Peak-to-peak Output Voltage Template, steady state 0.9 1.1 V
Rise/ Fall Time 10-90% 2 ns
Negative Transitions -0.1 0.1
Positive Transitions at Interval
Boundaries -0.5 0.5
Transition Timing Tolerance
Positive Transitions at mid-
interval -0.35 0.35
Ns
Return Loss 7MHz to 240MHz 15 dB
TRANSMITTER OUTPUT JITTER
The transmit jitter specification ensures compliance with ITU-T G.813, G.823, G.825, G.958 and Telcordia
GR-253-CORE for STS-3/STM-1. Transmit output jitter is not tested during production test.
PARAMETER CONDITION MIN NOM MAX UNIT
Transmitter Output Jitter 200 Hz to 3.5 MHz, measured
with respect to CKREF for 60s
0.055 0.075 UIpp
Transmitter
Output
Jitter
Detector
Measured Jitter
A
mplitude
f1 f2
20dB/decade
(I ETERIDIAN PARAMETER CONDITION MIN TYP MAX UNIT ,\ II PARAMETER CONDITION NOM MAX UNIT
STM1E-SFPxx 155Mbps Copper Transceiver
Final Datasheet
STM1E-SFPxx Datasheet - 8 - August 2008 v2-2
RECEIVER SPECIFICATIONS FOR CMI (COAX) INTERFACE
The input signal is assumed compliant with ITU-T G.703 and can be attenuated by the dispersive loss of a
cable. The minimum cable loss is 0dB and the maximum is –12.7dB at 78MHz.
PARAMETER CONDITION MIN TYP MAX UNIT
Flat-loss Tolerance 0 to 12.7dB cable (loss) attenuation -2 4 dB
Latency 5 10 UI
DLL Lock Time 1 10 µs
Return Loss 7MHz to 240MHz 15 dB
RECEIVER JITTER TOLERANCE
The STM1E-SFPxx exceeds all relevant jitter tolerance specifications shown in Figure 10. Receive jitter
tolerance is not tested during production test.
0.01
0.1
1
10
100
1.E+00 10Hz 100Hz 1kHz 10kHz 100kHz 1MHz 10MHz
155Mbps Electrical (CMI) Interfaces
G.825 - STM-1e Tolerance
(for 2048 kbps networks)
G.825 - STM-1e Tolerance
(for 1544 kbps networks)
Jitter Frequency
Jitter Tolerance ( UIpp )
Figure 10: Jitter Tolerance - electrical (CMI) interfaces
PARAMETER CONDITION MIN NOM MAX UNIT
10Hz to 19.3Hz 38.9 UIpp
19.3Hz to 500Hz 750 f-1 µs
500Hz to 6.5kHz 1.5 UIpp
6.5kHz to 65kHz 9800 f-1 µs
STM-1e Jitter Tolerance
65kHz to 1.3MHz 0.15 0.30 UIpp
(A )TERIDIAN PARAM ETE R CONDITION NOM MAX UNIT
STM1E-SFPxx 155Mbps Copper Transceiver
Final Datasheet
STM1E-SFPxx Datasheet - 9 - August 2008 v2-2
RECEIVER JITTER TRANSFER FUNCTION
The receiver clock recovery loop filter characteristics such that the receiver has the following transfer function.
The corner frequency of the DLL is approximately 120 kHz. Receiver jitter transfer function is not tested during
production test.
-10
-9
-8
-7
-6
-5
-4
-3
-2
-1
0
1.00E+03 1.00E+04 1.00E+05 1.00E+06 1.00E+07
Figure 11: Jitter Transfer
PARAMETER CONDITION MIN NOM MAX UNIT
Receiver Jitter transfer function below 120 kHz 0.1 dB
Jitter transfer function roll-off 20
dB per
decade
('1 ETERIDIAN PARAMETER CONDITION MIN TYP MAX UNIT —I—
STM1E-SFPxx 155Mbps Copper Transceiver
Final Datasheet
STM1E-SFPxx Datasheet - 10 - August 2008 v2-2
Receiver Loss of Signal Condition
PARAMETER CONDITION MIN TYP MAX UNIT
LOS threshold -35 -19 -15 dB
LOS timing 10 110 255 UI
Nominal value
Maximum
cable loss
Loss of Signal must be cleared
Loss of Signal must be declared
Tolerance range
LOS can be detected or cleared
3 dB
15dB
35dB
('1 )TERIDIAN Description Test Method STM1E-SFPxx Result
STM1E-SFPxx 155Mbps Copper Transceiver
Final Datasheet
STM1E-SFPxx Datasheet - 11 - August 2008 v2-2
ENVIRONMENTAL & REGULATORY COMPLIANCE
Description Test Method STM1E-SFPxx Result
ESD threshold
(at electrical pins)
Human Body Model
MIL-STD-883 Class 2 ( 2000 Volts)
IEC-61000-4-2
Contact Discharge A/B
*ESD Immunity at
faceplate
IEC-61000-4-2
Air Discharge A
Surge Immunity, 1.0kV ITU-T K.41
IEC-61000-4-5 B
Radiated Emission
FCC Part 15 Class B
EN55022
CISPR 22
Pass
> 6dB Margin
Radiated Immunity
IEC-801-3
EN55082-1
IEC-61000-4-3
GR-1089
A
Component Recognition CSA C22.2
UL 60950-1 Pass / UL File# E143101
*Immunity performance for ESD Immunity at the faceplate may vary with system design.
STM1E-SFPxx 155Mbps Copper Transceiver
Final Datasheet
STM1E-SFPxx Datasheet - 12 - August 2008 v2-2
MECHANICAL DRAWINGS
The STM1E-SFPxx is assembled in a Nickel plated Zinc die cast housing. The coaxial connectors feature a
Brass body with Gold over Nickel plating and an inner contact made of Beryllium Copper.
The STM1E-SFPxx complies with RoHS directive 2002/95/EC (RoHS-6) and is UL94-V0 compliant.
0.363 [9.22]
1.655 [42.04]
1.362 [34.59]
0.098 [2.49]
1.127 [28.63]
2.630 +/- 0.008 [66.80+/-0.20]
2.150 [54.61] MAX.
0.527 [13.40]
0.540 [13.70]
0.516 [13.10]
0.334 [8.48]
0.104 [2.64]
OI 9TERIDIAN NOTES: |. HOUSINGS -- NICKEL PLATED ZINC DIE CAST BODIES. 2 ACTUATOR -- IJLQA V0 POLYCARBONATE 3. GHOIJNIJING TAB -- TIN 0N NICKEL PLATED BRASS 4 I‘D/2V3 CONNECTORS -- BULKHEAD STTLE JACKS WITH THREADED COUPLING INTERFACE 5 REFERENCE SFP MULTISOURCE AGREEMENT FOR DIMENSIONAL REQUIREMENTS
STM1E-SFPxx 155Mbps Copper Transceiver
Final Datasheet
STM1E-SFPxx Datasheet - 13 - August 2008 v2-2
MECHANICAL DRAWINGS
0.660 [16.76] MAX
0.610 [15.49] MAX
0.410 MAX.
0.223 [5.66]
0.259 [6.58]
0.315 [8.00]
0.100 [2.54]
0.200 [5.08]
A TERIDIAN N otes
STM1E-SFPxx 155Mbps Copper Transceiver
Final Datasheet
STM1E-SFPxx Datasheet - 14 - August 2008 v2-2
EEPROM CONTENTS
The MOD-DEF interface of the STM1E-SFPxx provides access to serial ID information per MSA guidelines. The
data is stored in a write-protected EEPROM at device address A0h. Contact Teridian for availability of custom
EEPROM maps.
Address Hex ASCII Address Hex ASCII Address Hex ASCII Address Hex ASCII
0 03 39 39 78 117 00
1 04 40 53 S 79 118 00
2 FE 41 54 T 80 119 00
3 00 42 4D M 81 120 00
4 00 43 31 1 82 121 00
5 00 44 45 E 83
Note 3
122 00
6 00 45 2D - 84 123 00
7 00 46 53 S 85 124 00
8 00 47 46 F 86 125 00
9 00 48 50 P 87
Note 4
126 00
10 00 49 30 0 88 20 127 00
11 05 50 Note 1 89 20
12 02 51 20 90 20
13 00 52 20 91 20
14 00 53 20 92 00
15 00 54 20 93 00
16 00 55 20 94 00
17 00 56 95 Note 5
18 78 57 Note 2 96 00
19 00 58 20 97 00
20 54 T 59 20 98 00
21 45 E 60 00 99 00
22 52 R 61 00 100 00
23 49 I 62 00 101 00
24 44 D 63 Note 5 102 00
25 49 I 64 00 103 00
26 41 A 65 12 104 00
27 4E N 66 00 105 00
28 20 67 00 106 00
29 20 68 107 00
30 20 69 108 00
31 20 70 109 00
32 20 71 110 00
33 20 72 111 00
34 20 73 112 00
35 20 74 113 00
36 00 75 114 00
37 00 76 115 00
38 C0 77
Note 3
116 00
Notes:
1. Address 50 specified the unique model.
32h used for STM1E-SFP02 and 38h used for STM1E-SFP08.
2. Address 56-57 specifies the product revision code.
3. Address 68-83 specifies a unique serial number
4. Address 84-87 specifies the date code in format YYWW
5. Address 63 and 95 are check sums for bytes 0-62 and bytes 64-94 respectively.
Q
STM1E-SFPxx 155Mbps Copper Transceiver
Final Datasheet
STM1E-SFPxx Datasheet - 15 - August 2008 v2-2
PRODUCT VERSIONS
Two versions of the STM1E-SFPxx are available to match the grounding implementation of the host system.
Schematic design and materials are otherwise identical between the two versions.
STM1E-SFP08: Frame and supply grounds connected together
STM1E-SFP02: Frame (left) and supply (right) grounds isolated at transformer.
(A BTERIDIAN (“TER'D'AN STM-7e(ES7)SFP \ EEM‘CDNDUDTDP CURB < stm="" 1e-sfp02="" made="" in="" on="" spf-6500432="" ml“="" yyww="" ‘=""> / 1234567890 W" TER'D'AN STM-19(ES1) SFP swmuuuumu um: ‘ SIN,1234567590 a I“ III |IIlIIllI|II|II|II|II|II|II|IIII|II|I
STM1E-SFPxx 155Mbps Copper Transceiver
Final Datasheet
STM1E-SFPxx Datasheet - 16 - August 2008 v2-2
ORDERING INFORMATION
PART DESCRIPTION ORDER NUMBER LABEL MARKING
STM-1e (ES1) SFP Transceiver;
Grounds Isolated;
Lead-free
STM1E-SFP02
STM-1e (ES1) SFP Transceiver;
Grounds Connected;
Lead-free
STM1E-SFP08
REVISION HISTORY
v2-0 February 22, 2006: Final Datasheet Initial Release
v2-1 February 7, 2007
Added 6/6 RoHS compliant feature (lead-free)
v2-2 August 2008
Updated the product label with UL logo
This product is sold subject to the terms and conditions of sale supplied at the time of order acknowledgment, including those pertaining to
warranty, patent infringement and limitation of liability. Teridian Semiconductor Corporation (TSC) reserves the right to make changes in
specifications at any time without notice. Accordingly, the reader is cautioned to verify that a data sheet is current before placing orders.
TSC assumes no liability for applications assistance.
© 2008 Teridian Semiconductor Corp.
6440 Oak Canyon, Suite 100, Irvine, CA 92618
TEL (714) 508-8800,
FAX (714) 508-8877,
http://www.Teridian.com

Products related to this Datasheet

MOD TXRX COPPER MSA SFP
TXRX COPPER MSA SFP
KIT EVALUATION STM1E-SFP
COPPER SFP TXRX 155MBPS