
© 2009 Microchip Technology Inc. DS22039D-page 1
MCP4725
Features
• 12-Bit Resolution
• On-Board Non-Volatile Memory (EEPROM)
• ±0.2 LSB DNL (typical)
• External A0 Address Pin
• Normal or Power-Down Mode
• Fast Settling Time: 6 µs (typical)
• External Voltage Reference (VDD)
• Rail-to-Rail Output
• Low Power Consumption
• Single-Supply Operation: 2.7V to 5.5V
•I
2CTM Interface:
- Eight Available Addresses
- Standard (100 kbps), Fast (400 kbps), and
High-Speed (3.4 Mbps) Modes
• Small 6-lead SOT-23 Package
• Extended Temperature Range: -40°C to +125°C
Applications
• Set Point or Offset Trimming
• Sensor Calibration
• Closed-Loop Servo Control
• Low Power Portable Instrumentation
• PC Peripherals
• Data Acquisition Systems
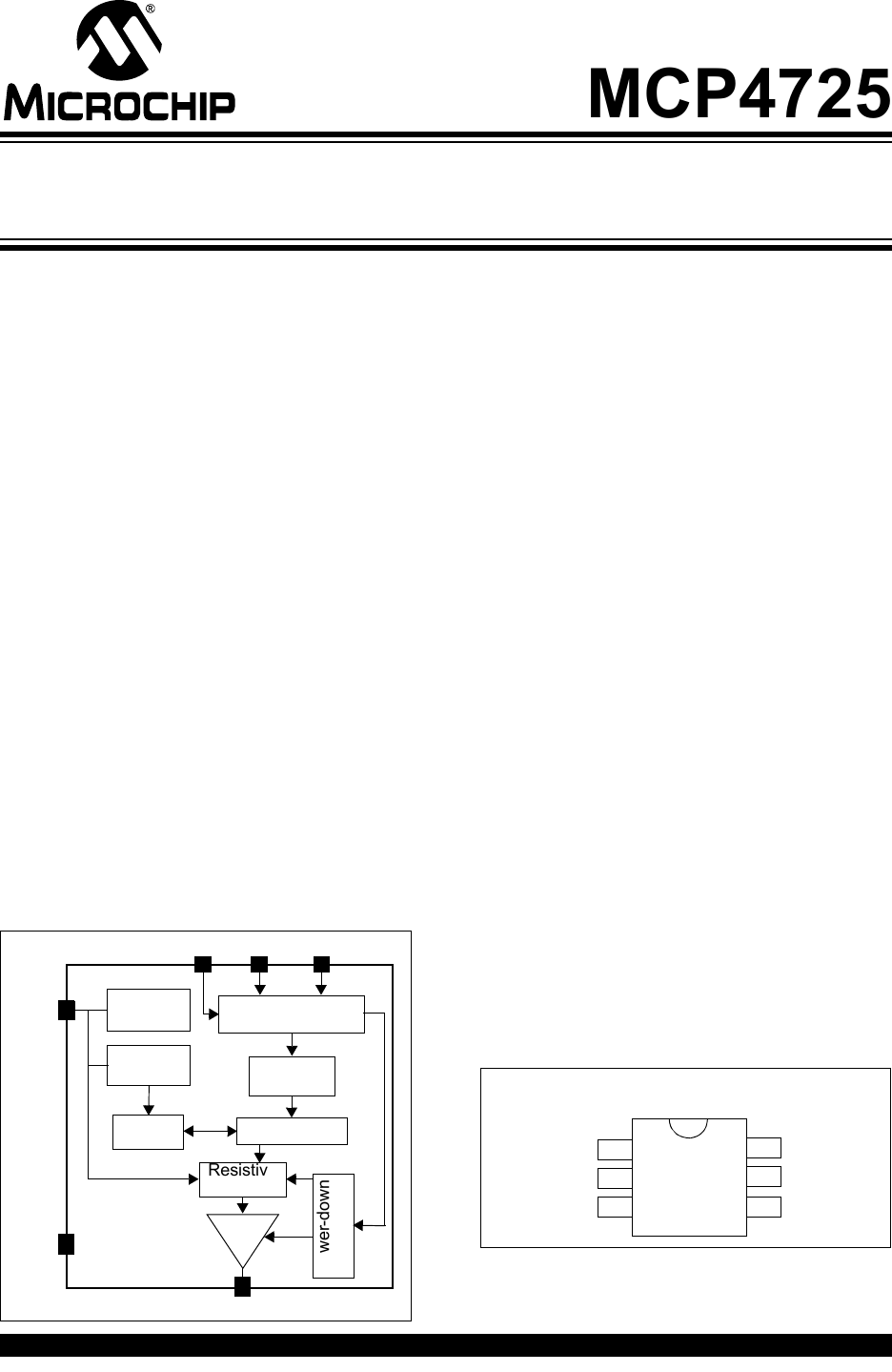
Block Diagram
DESCRIPTION
The MCP4725 is a low-power, high accuracy, single
channel, 12-bit buffered voltage output Digital-to-
Analog Convertor (DAC) with non-volatile memory
(EEPROM). Its on-board precision output amplifier
allows it to achieve rail-to-rail analog output swing.
The DAC input and configuration data can be
programmed to the non-volatile memory (EEPROM) by
the user using I2C interface command. The non-volatile
memory feature enables the DAC device to hold the
DAC input code during power-off time, and the DAC
output is available immediately after power-up. This
feature is very useful when the DAC device is used as
a supporting device for other devices in the network.
The device includes a Power-On-Reset (POR) circuit to
ensure reliable power-up and an on-board charge
pump for the EEPROM programming voltage. The
DAC reference is driven from VDD directly. In power-
down mode, the output amplifier can be configured to
present a known low, medium, or high resistance
output load.
The MCP4725 has an external A0 address bit selection
pin. This A0 pin can be tied to VDD or VSS of the user’s
application board.
The MCP4725 has a two-wire I2C™ compatible serial
interface for standard (100 kHz), fast (400 kHz), or high
speed (3.4 MHz) mode.
The MCP4725 is an ideal DAC device where design
simplicity and small footprint is desired, and for
applications requiring the DAC device settings to be
saved during power-off time.
The device is available in a small 6-pin SOT-23
package.
Package Type
Resistive
Power-on
Reset
Charge
Pump
EEPROM
I2C Interface Logic
Input
Register
DAC Register
Op
Amp
Power-down
Control
VDD
VSS
SCL SDA
VOUT
A0
String DAC
3
VDD
SCL
SDA
VSS
A0
SOT-23-6
VOUT
2
1
4
5
6
MCP4725
12-Bit Digital-to-Analog Converter with EEPROM Memory
in SOT-23-6

MCP4725
DS22039D-page 2 © 2009 Microchip Technology Inc.
NOTES:

© 2009 Microchip Technology Inc. DS22039D-page 3
MCP4725
1.0 ELECTRICAL
CHARACTERISTICS
Absolute Maximum Ratings†
VDD...................................................................................6.5V
All inputs and outputs w.r.t VSS .................–0.3V to VDD+0.3V
Current at Input Pins ....................................................±2 mA
Current at Supply Pins ...............................................±50 mA
Current at Output Pins ...............................................±25 mA
Storage Temperature ...................................-65°C to +150°C
Ambient Temp. with Power Applied .............-55°C to +125°C
ESD protection on all pins ................ ≥ 6kV HBM, ≥ 400V MM
Maximum Junction Temperature (TJ) ......................... +150°C
† Notice: Stresses above those listed under “Maximum
ratings” may cause permanent damage to the device. This is
a stress rating only and functional operation of the device at
these or any other conditions above those indicated in the
operation listings of this specification is not implied. Exposure
to maximum rating conditions for extended periods may affect
device reliability
ELECTRICAL CHARACTERISTICS
Electrical Specifications: Unless otherwise indicated, all parameters apply at VDD = + 2.7V to 5.5V, VSS = 0V,
RL = 5 kΩ from VOUT to VSS, CL = 100 pF, TA = -40°C to +125°C. Typical values are at +25°C.
Parameter Sym Min Typ Max Units Conditions
Power Requirements
Operating Voltage VDD 2.7 5.5 V
Supply Current IDD — 210 400 µA Digital input pins are
grounded, Output pin (VOUT)
is not connected (unloaded),
Code = 000h
Power-Down Current IDDP —0.06 2.0 µA V
DD = 5.5V
Power-On-Reset
Threshold Voltage
VPOR —2 — V
DC Accuracy
Resolution n 12 — — Bits Code Range = 000h to FFFh
INL Error INL — ±2 ±14.5 LSB Note 1
DNL DNL -0.75 ±0.2 ±0.75 LSB Note 1
Offset Error VOS 0.02 0.75 % of FSR Code = 000h
Offset Error Drift ΔVOS/°C — ±1 — ppm/°C -45°C to +25°C
— ±2 — ppm/°C +25°C to +85°C
Gain Error GE -2 -0.1 2 % of FSR Code = FFFh,
Offset error is not included.
Gain Error Drift ΔGE/°C — -3 — ppm/°C
Output Amplifier
Phase Margin pM — 66 — Degree(°) CL = 400 pF, RL = ∞
Capacitive Load Stability CL — — 1000 pF RL = 5 kΩ, Note 2
Slew Rate SR — 0.55 — V/µs
Short Circuit Current ISC —15 24 mA V
DD = 5V, VOUT = Grounded
Output Voltage Settling
Time
TS —6 — µsNote 3
Note 1: Test Code Range: 100 to 4000.
2: This parameter is ensure by design and not 100% tested.
3: Within 1/2 LSB of the final value when code changes from 1/4 to 3/4 (400h to C00h) of full scale range.
4: Logic state of external address selection pin (A0 pin).

MCP4725
DS22039D-page 4 © 2009 Microchip Technology Inc.
Power Up Time TPU —2.5 — µsV
DD = 5V
—5 — µsV
DD = 3V
Exit Power-down Mode,
(Started from falling edge of
ACK pulse)
DC Output Impedance ROUT —1 — ΩNormal mode (VOUT to VSS)
—1 — kΩPower-Down Mode 1
(VOUT to VSS)
—100 — kΩPower-Down Mode 2
(VOUT to VSS)
—500 — kΩPower-Down Mode 3
(VOUT to VSS)
Supply Voltage Power-up
Ramp Rate for EEPROM
loading
VDD_RAMP 1 — — V/ms Validation only.
Dynamic Performance
Major Code Transition
Glitch
— 45 — nV-s 1 LSB change around major
carry (from 800h to 7FFh)
(Note 2)
Digital Feedthrough — <10 — nV-s Note 2
Digital Interface
Output Low Voltage VOL — — 0.4 V IOL = 3 mA
Input High Voltage
(SDA and SCL Pins)
VIH 0.7VDD —— V
Input Low Voltage
(SDA and SCL Pins)
VIL —
—0.3V
DD V
Input High Voltage
(A0 Pin)
VA0-Hi 0.8VDD —— Note 4
Input Low Voltage
(A0 Pin)
VA0-IL — — 0.2VDD Note 4
Input Leakage ILI — — ±1 µA SCL = SDA = A0 = VSS or
SCL = SDA = A0 = VDD
Pin Capacitance CPIN —— 3 pF Note 2
EEPROM
EEPROM Write Time TWRITE —25 50 ms
Data Retention — 200 — Years At +25°C, (Note 2)
Endurance 1 — — Million
Cycles
At +25°C, (Note 2)
ELECTRICAL CHARACTERISTICS (CONTINUED)
Electrical Specifications: Unless otherwise indicated, all parameters apply at VDD = + 2.7V to 5.5V, VSS = 0V,
RL = 5 kΩ from VOUT to VSS, CL = 100 pF, TA = -40°C to +125°C. Typical values are at +25°C.
Parameter Sym Min Typ Max Units Conditions
Note 1: Test Code Range: 100 to 4000.
2: This parameter is ensure by design and not 100% tested.
3: Within 1/2 LSB of the final value when code changes from 1/4 to 3/4 (400h to C00h) of full scale range.
4: Logic state of external address selection pin (A0 pin).

© 2009 Microchip Technology Inc. DS22039D-page 5
MCP4725
TEMPERATURE CHARACTERISTICS
Electrical Specifications: Unless otherwise indicated, VDD = +2.7V to +5.5V, VSS =GND.
Parameters Sym Min Typ Max Units Conditions
Temperature Ranges
Specified Temperature Range TA-40 — +125 °C
Operating Temperature Range TA-40 — +125 °C
Storage Temperature Range TA-65 — +150 °C
Thermal Package Resistances
Thermal Resistance, 6L-SOT-23 θJA — 190.5 — °C/W

MCP4725
DS22039D-page 6 © 2009 Microchip Technology Inc.
NOTES:

© 2009 Microchip Technology Inc. DS22039D-page 7
MCP4725
2.0 TYPICAL PERFORMANCE CURVES
Note: Unless otherwise indicated, TA = +25°C, VDD = +5.0V, VSS = 0V, RL = 5 kΩ to VSS, CL = 100 pF.
FIGURE 2-1: DNL vs. Code (VDD = 5.5V).
FIGURE 2-2: DNL vs. Code and
Temperature (TA=-40°Cto+125°C).
FIGURE 2-3: DNL vs. Code (VDD =2.7V).
FIGURE 2-4: DNL vs. Code and
Temperature (TA= -40°C to +125°C).
FIGURE 2-5: INL vs. Code.
FIGURE 2-6: INL vs. Code and
Temperature (VDD =5.5V).
Note: The graphs and tables provided following this note are a statistical summary based on a limited number of
samples and are provided for informational purposes only. The performance characteristics listed herein
are not tested or guaranteed. In some graphs or tables, the data presented may be outside the specified
operating range (e.g., outside specified power supply range) and therefore, outside the warranted range.
-0.04
0
0.04
0.08
0.12
0.16
0 1024 2048 3072 4096
Code
DNL (LSB)
-0.1
0
0.1
0.2
0.3
0 1024 2048 3072 4096
Code
DNL (LSB)
VDD = 5.5V
-0.1
0.0
0.1
0.2
0.3
0 1024 2048 3072 4096
Code
DNL (LSB)
-0.1
0.0
0.1
0.2
0.3
0.4
0 1024 2048 3072 4096
Code
DNL (LSB)
VDD = 2.7V
-4
-3
-2
-1
0
1
2
0 1024 2048 3072 4096
Code
INL(LSB)
2.7V
5.5V
-4
-3
-2
-1
0
1
2
0 1024 2048 3072 4096
Code
INL(LSB)
+25°C
+125°C
- 40°C
+85°C

MCP4725
DS22039D-page 8 © 2009 Microchip Technology Inc.
Note: Unless otherwise indicated, TA = +25°C, VDD = +5.0V, VSS = 0V, RL = 5 kΩ to VSS, CL = 100 pF.
FIGURE 2-7: INL vs. Code and
Temperature (VDD =2.7V).
FIGURE 2-8: Zero Scale Error vs.
Temperature (Code = 000d).
FIGURE 2-9: Full Scale Error vs.
Temperature (Code = 4095d).
FIGURE 2-10: Output Error vs.
Temperature (Code = 4000d).
FIGURE 2-11: IDD vs. Temperature.
-5
-4
-3
-2
-1
0
1
2
0 1024 2048 3072 4096
Code
INL(LSB)
TA = -40 C TA = 25 C
TA = 85 C TA = 125 C
+125°C
- 40°C
+85°C
+25°C
-1
0
1
2
3
-40 -25 -10 5 20 35 50 65 80 95 110 125
Temperature (°C)
Zero Scale Error (mV)
VDD = 5.5V
VDD = 2.7V
-60
-50
-40
-30
-20
-10
0
-40 -25 -10 5 20 35 50 65 80 95 110 125
Temperature (°C)
Full-Scale Error (mV)
VDD = 2.7V
VDD = 5.5V
-5
-4
-3
-2
-1
0
1
2
3
-40 -25 -10 5 20 35 50 65 80 95 110 125
Temperature (°C)
Output Error (mV)
VDD = 2.7V
VDD = 5.5V
0
50
100
150
200
250
300
350
400
450
-40 -25 -10 5 20 35 50 65 80 95 110 125
Temperature(°C)
IDD(A)
VDD = 2.7V
VDD = 5V

© 2009 Microchip Technology Inc. DS22039D-page 9
MCP4725
Note: Unless otherwise indicated, TA = +25°C, VDD = +5.0V, VSS = 0V, RL = 5 kΩ to VSS, CL = 100 pF.
FIGURE 2-12: IDD Histogram .
FIGURE 2-13: IDD Histogram.
FIGURE 2-14: Offset Error vs. Temperature
and VDD.
FIGURE 2-15: VOUT vs. Resistive Load.
FIGURE 2-16: Source and Sink Current
Capability.
FIGURE 2-17: VIN High Threshold vs.
Temperature and VDD.
0
10
20
30
40
50
60
70
80
90
100
180
184
188
192
196
200
204
208
212
216
220
224
228
232
236
Current (µA)
Occurance
VDD = 5V
VDD = 2.7V
0
10
20
30
40
50
60
70
80
163
165
167
169
171
173
175
177
179
181
183
185
187
189
191
193
Current (µA)
Occurance
0.00
0.50
1.00
1.50
2.00
2.50
-40 -25 -10 5 20 35 50 65 80 95 110 125
Temperature (°C)
Offset Error (mV)
2.7V
5.5V
0
1
2
3
4
5
6
012345
Load Resistance (kΩ)
VOUT (V)
VDD = 5V
Code = FFFh
0
1
2
3
4
5
6
0481216
ISOURCE/SINK(mA)
VOUT(V)
Code = FFFh
Code = 000h
VDD = 5V
1.00
1.50
2.00
2.50
3.00
3.50
-40 -25 -10 5 20 35 50 65 80 95 110 125
Temperature (°C)
VIH Threshold (V)
V
DD
= 5.5V
VDD = 5.0V
VDD = 2.7V

MCP4725
DS22039D-page 10 © 2009 Microchip Technology Inc.
Note: Unless otherwise indicated, TA = +25°C, VDD = +5.0V, VSS = 0V, RL = 5 kΩ to VSS, CL = 100 pF.
FIGURE 2-18: VIN Low Threshold vs.
Temperature and VDD.
FIGURE 2-19: Full Scale Settling Time.
FIGURE 2-20: Full Scale Settling Time.
FIGURE 2-21: Half Scale Settling Time.
FIGURE 2-22: Half Scale Settling Time.
FIGURE 2-23: Code Change Glitch.
0.50
0.70
0.90
1.10
1.30
1.50
1.70
1.90
2.10
2.30
2.50
-40 -25 -10 5 20 35 50 65 80 95 110 125
Temperature (°C)
VIL Threshold (V)
VDD = 5.5V
VDD = 5.0V
V
DD
= 2.7V
Full Scale Code Change: 000h to FFFh
VOUT
(2V/Div)
CLK
Time (2 µs/Div)
Full Scale Code Change: FFFh to 000h
VOUT
(2V/Div)
CLK
Time (2 µs/Div)
Half Scale Code Change: 000h to 7FFh
VOUT
(2V/Div)
CLK
Time (2 µs/Div)
VOUT
(2V/Div)
CLK
Time (2 µs/Div)
Half Scale Code Change: 7FFh to 000h
Code Change: 800h to 7FFh
VOUT
(20 mV/Div)
Time (1 µs/Div)

© 2009 Microchip Technology Inc. DS22039D-page 11
MCP4725
Note: Unless otherwise indicated, TA = +25°C, VDD = +5.0V, VSS = 0V, RL = 5 kΩ to VSS, CL = 100 pF.
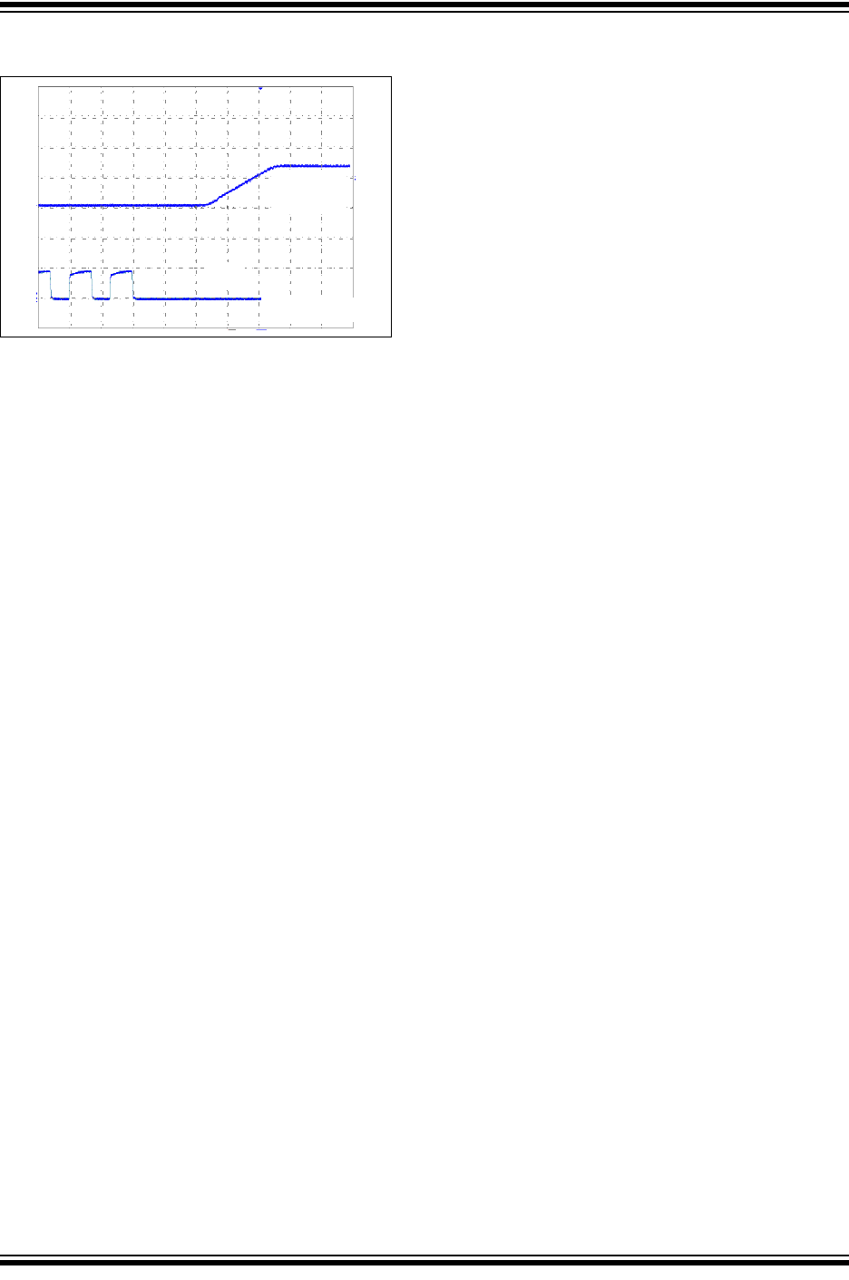
FIGURE 2-24: Exiting Power Down Mode.
VOUT
(2V/Div)
CLK
Time (2 µs/Div)

MCP4725
DS22039D-page 12 © 2009 Microchip Technology Inc.
NOTES:.

© 2009 Microchip Technology Inc. DS22039D-page 13
MCP4725
3.0 PIN DESCRIPTIONS
The descriptions of the pins are listed in Table 3-1.
3.1 Analog Output Voltage (VOUT)
VOUT is an analog output voltage from the DAC device.
DAC output amplifier drives this pin with a range of VSS
to VDD.
3.2 Supply Voltage (VDD or VSS)
VDD is the power supply pin for the device. The voltage
at the VDD pin is used as the supply input as well as the
DAC reference input. The power supply at the VDD pin
should be clean as possible for a good DAC
performance.
This pin requires an appropriate bypass capacitor of
about 0.1 µF (ceramic) to ground. An additional 10 µF
capacitor (tantalum) in parallel is also recommended to
further attenuate high frequency noise present in
application boards. The supply voltage (VDD) must be
maintained in the 2.7V to 5.5V range for specified
operation.
VSS is the ground pin and the current return path of the
device. The user must connect the VSS pin to a ground
plane through a low impedance connection. If an
analog ground path is available in the application PCB
(printed circuit board), it is highly recommended that
the VSS pin be tied to the analog ground path or
isolated within an analog ground plane of the circuit
board.
3.3 Serial Data Pin (SDA)
SDA is the serial data pin of the I2C interface. The SDA
pin is used to write or read the DAC register and
EEPROM data. The SDA pin is an open-drain N-chan
nel driver. Therefore, it needs a pull-up resistor from the
VDD line to the SDA pin. Except for START and STOP
conditions, the data on the SDA pin must be stable
during the high period of the clock. The high or low
state of the SDA pin can only change when the clock
signal on the SCL pin is low. Refer to Section 7.0 “I2C
Serial Interface Communication” for more details of
I2C Serial Interface communication.
3.4 Serial Clock Pin (SCL)
SCL is the serial clock pin of the I2C interface. The
MCP4725 acts only as a slave and the SCL pin accepts
only external serial clocks. The input data from the
Master device is shifted into the SDA pin on the rising
edges of the SCL clock and output from the MCP4725
occurs at the falling edges of the SCL clock. The SCL
pin is an open-drain N-channel driver. Therefore, it
needs a pull-up resistor from the VDD line to the SCL
pin. Refer to Section 7.0 “I2C Serial Interface Com-
munication” for more details of I2C Serial Interface
communication.
3.5 Device Address Selection Pin (A0)
This pin is used to select the A0 address bit by the user.
The user can tie this pin to VSS (logic ‘0’), or VDD
(logic ‘1’), or can be actively driven by the digital logic
levels, such as the I2C Master Output. See Section 7.2
“Device Addressing” for more details of the address
bits.
TABLE 3-1: PIN FUNCTION TABLE
MCP4725
Name Description
SOT-23
1V
OUT Analog Output Voltage
2V
SS Ground Reference
3V
DD Supply Voltage
4SDAI
2C Serial Data
5SCLI
2C Serial Clock Input
6A0I
2C Address Bit Selection pin (A0 bit). This pin can be tied to VSS or VDD, or can be
actively driven by the digital logic levels. The logic state of this pin determines what
the A0 bit of the I2C address bits should be.

MCP4725
DS22039D-page 14 © 2009 Microchip Technology Inc.
NOTES:

© 2009 Microchip Technology Inc. DS22039D-page 15
MCP4725
4.0 TERMINOLOGY
4.1 Resolution
The resolution is the number of DAC output states that
divide the full scale range. For the 12-bit DAC, the
resolution is 212 or the DAC code ranges from 0 to
4095.
4.2 LSB
The least significant bit or the ideal voltage difference
between two successive codes.
EQUATION 4-1:
4.3 Integral Nonlinearity (INL) or
Relative Accuracy
INL error is the maximum deviation between an actual
code transition point and its corresponding ideal
transition point (straight line). Figure 2-5 shows the INL
curve of the MCP4725. The end-point method is used
for the calculation. The INL error at a given input DAC
code is calculated as:
EQUATION 4-2:
FIGURE 4-1: INL Accuracy.
4.4 Differential Nonlinearity (DNL)
Differential nonlinearity error (Figure 4-2) is the
measure of step size between codes in actual transfer
function. The ideal step size between codes is 1 LSB.
A DNL error of zero would imply that every code is
exactly 1 LSB wide. If the DNL error is less than 1 LSB,
the DAC guarantees monotonic output and no missing
codes. The DNL error between any two adjacent codes
is calculated as follows:
EQUATION 4-3:
LSBIdeal
VREF
2n
-------------VFull Scale VZero Scale
–()
2n1–
------------------------------------------------------------------==
Where:
VREF = The reference voltage = VDD in the
MCP4725. This VREF is the ideal
full scale voltage range
n = The number of digital input bits.
(n = 12 for MCP4725)
INL VOUT VIdeal
–()
LSB
---------------------------------------=
Where:
VIdeal = Code*LSB
VOUT = The output voltage measured at
the given input code
010001000
Analog
Output
(LSB)
DAC Input Code
011 111100 101
1
2
3
4
5
6
0
7
110
Ideal Transfer Function
Actual Transfer Function
INL = < -1 LSB
INL = 0.5 LSB
INL = - 1 LSB
DNL
Δ
VOUT LSB–
LSB
----------------------------------=
Where:
ΔVOUT = The measured DAC output
voltage difference between two
adjacent input codes.

MCP4725
DS22039D-page 16 © 2009 Microchip Technology Inc.
FIGURE 4-2: DNL Accuracy.
4.5 Offset Error
Offset error (Figure 4-3) is the deviation from zero volt-
age output when the digital input code is zero. This
error affects all codes by the same amount. In the
MCP4725, the offset error is not trimmed at the factory.
However, it can be calibrated by software in application
circuits.
FIGURE 4-3: Offset Error.
4.6 Gain Error
Gain error (see Figure 4-4) is the difference between
the actual full scale output voltage from the ideal output
voltage on the transfer curve. The gain error is
calculated after nullifying the offset error, or full scale
error minus the offset error.
The gain error indicates how well the slope of the actual
transfer function matches the slope of the ideal transfer
function. The gain error is usually expressed as percent
of full scale range (% of FSR) or in LSB.
In the MCP4725, the gain error is not calibrated at the
factory and most of the gain error is contributed by the
output op amp saturation near the code range beyond
4000. For the applications which need the gain error
specification less than 1% maximum, the user may
consider using the DAC code range between 100 and
4000 instead of using full code range (code 0 to 4095).
The DAC output of the code range between 100 and
4000 is much linear than full scale range (0 to 4095).
The gain error can be calibrated by software in
applications.
4.7 Full Scale Error (FSE)
Full scale error (Figure 4-4) is the sum of offset error
plus gain error. It is the difference between the ideal
and measured DAC output voltage with all bits set to
one (DAC input code = FFFh).
EQUATION 4-4:
FIGURE 4-4: Gain Error and Full Scale
Error.
4.8 Gain Error Drift
Gain error drift is the variation in gain error due to a
change in ambient temperature. The gain error drift is
typically expressed in ppm/oC.
010
001
000
Analog
Output
(LSB)
DAC Input Code
011 111
100 101
1
2
3
4
5
6
0
7
DNL = 2LSB
DNL = 0.5 LSB
110
Ideal Transfer Function
Actual Transfer Function
Analog
Output
Ideal Transfer Function
Actual Transfer Function
DAC Input Code
0
Offset
Error
FSE VOUT VIdeal
–()
LSB
---------------------------------------=
Where:
VIdeal =(V
REF) (1 - 2-n) - VOFFSET
VREF = The reference voltage.
VREF = VDD in the MCP4725
Analog
Output
Actual Transfer Function
Actual Transfer Function
DAC Input Code
0
Gain Error
Ideal Transfer Function
after Offset Error Removed
Full Scale
Error

© 2009 Microchip Technology Inc. DS22039D-page 17
MCP4725
4.9 Offset Error Drift
Offset error drift is the variation in offset error due to a
change in ambient temperature. The offset error drift is
typically expressed in ppm/oC.
4.10 Settling Time
The Settling time is the time delay required for the DAC
output to settle to its new output value from the start of
code transition, within specified accuracy. In the
MCP4725, the settling time is a measure of the time
delay until the DAC output reaches its final value
(within 0.5 LSB) when the DAC code changes from
400h to C00h.
4.11 Major-Code Transition Glitch
Major-code transition glitch is the impulse energy
injected into the DAC analog output when the code in
the DAC register changes state. It is normally specified
as the area of the glitch in nV-Sec. and is measured
when the digital code is changed by 1 LSB at the major
carry transition (Example: 011...111 to 100... 000, or
100... 000 to 011 ... 111).
4.12 Digital Feedthrough
Digital feedthrough is the glitch that appears at the
analog output caused by coupling from the digital input
pins of the device. It is specified in nV-Sec. and is
measured with a full scale change on the digital input
pins (Example: 000... 000 to 111... 111, or 111... 111 to
000... 000). The digital feedthrough is measured when
the DAC is not being written to the register.

MCP4725
DS22039D-page 18 © 2009 Microchip Technology Inc.
NOTES:

© 2009 Microchip Technology Inc. DS22039D-page 19
MCP4725
5.0 GENERAL DESCRIPTION
The MCP4725 is a single channel buffered voltage
output 12-bit DAC with non-volatile memory
(EEPROM). The user can store configuration register
bits (2 bits) and DAC input data (12 bits) in non-volatile
EEPROM (14 bits) memory.
When the device is powered on first, it loads the DAC
code from the EEPROM and outputs the analog output
accordingly with the programmed settings. The user
can reprogram the EEPROM or DAC register any time.
The device uses a resistor string architecture. DAC’s
output is buffered with a low power precision amplifier.
This output amplifier provides low offset voltage and
low noise, as well as rail-to-rail output. The amplifier
can also provide high source currents (VOUT pin to
VSS).
The DAC can be configured to normal or power saving
power-down mode by setting the configuration register
bits.
The device uses a two-wire I2C compatible serial
interface and operates from a single power supply
ranging from 2.7V to 5.5V.
5.1 Output Voltage
The input coding to the MCP4725 device is unsigned
binary. The output voltage range is from 0V to VDD. The
output voltage is given in Equation 5-1:
EQUATION 5-1:
5.1.1 OUTPUT AMPLIFIER
The DAC output is buffered with a low-power, precision
CMOS amplifier. This amplifier provides low offset
voltage and low noise. The output stage enables the
device to operate with output voltages close to the
power supply rails. Refer to Section 1.0 “Electrical
Characteristics” for range and load conditions.
The output amplifier can drive the resistive and high
capacitive loads without oscillation. The amplifier can
provide maximum load current as high as 25 mA which
is enough for most of a programmable voltage
reference applications.
5.1.2 DRIVING RESISTIVE AND
CAPACITIVE LOADS
The MCP4725 output stage is capable of driving loads
up to 1000 pF in parallel with 5 kΩ load resistance.
Figure 2-15 shows the VOUT vs. Resistive Load. VOUT
drops slowly as the load resistance decreases after
about 3.5 kΩ.
5.2 LSB SIZE
One LSB is defined as the ideal voltage difference
between two successive codes. (see Equation 4-1).
Table 5-1 shows an example of the LSB size over full
scale range (VDD).
TABLE 5-1: LSB SIZES FOR MCP4725
(EXAMPLE)
5.3 Voltage Reference
The MCP4725 device uses the VDD as its voltage
reference. Any variation or noises on the VDD line can
affect directly on the DAC output. The VDD needs to be
as clean as possible for accurate DAC performance.
5.4 Reset Conditions
In the Reset conditions, the device uploads the
EEPROM data into the DAC register. The device can
be reset by two independent events: (a) by POR or (b)
by I2C General Call Reset Command.
The factory default settings for the EEPROM prior to
shipment are shown in Ta bl e 5- 3 (set for a middle scale
output). The user can rewrite or read the DAC register
or EEPROM anytime after the Power-On-Reset event.
5.4.1 POWER-ON-RESET
The device’s internal Power-On-Reset (POR) circuit
ensures that the device powers up in a defined state.
If the power supply voltage is less than the POR thresh-
old (VPOR = 2V, typical), all circuits are disabled and
there will be no DAC output. When the VDD increases
above the VPOR, the device takes a reset state. During
the reset period, the device uploads all configuration
and DAC input codes from EEPROM. The DAC output
will be the same as for the value last stored in the
EEPROM. This enables the device returns to the same
state that it was at the last write to the EEPROM before
it was powered off.
VOUT
VREF Dn
×
()
4096
-------------------------------=
Where:
VREF =V
DD
Dn= Input code
Full Scale
Range
(VDD)
LSB
Size Condition
3.0V 0.73 mV 3V / 4096
5.0V 1.22 mV 5V / 4096

MCP4725
DS22039D-page 20 © 2009 Microchip Technology Inc.
5.4.2 VDD RAMP RATE AND EEPROM
The MCP4725 uploads the EEPROM data to the DAC
register during power-up sequence. However, if the
VDD ramp rate is too slow ( <1 V/ms), the device may
not be able to load the EEPROM data to the DAC
register. Therefore, the DAC output that is correspond-
ing to the current EEPROM data may not available to
the output pin. It is highly recommended to send a Gen-
eral Call Reset Command (see Section 7.3.1 “Gen-
eral call reset”) after power-up. This command will
reset the device at a stable VDD and make the DAC out-
put available immediately using the EEPROM data.
5.5 Normal and Power-Down Modes
The device has two modes of operation: Normal mode
and power-down mode. The mode is selected by
programming the power-down bits (PD1 and PD0) in
the Configuration register. The user can also program
the two power-down bits in non-volatile EEPROM
memory.
When the normal mode is selected, the device
operates a normal digital-to-analog conversion. If the
power-down mode is selected, the device enters a
power saving condition by shutting down most of the
internal circuits. During the power-down mode, all
internal circuits except the I2C interface are disabled
and there is no data conversion event, and no VOUT is
available. The device also switches the output stage
from the output of the amplifier to a known resistive
load. The value of the resistive load is determined by
the state of the power-down bits (PD1 and PD0).
Table 5-2 shows the outcome of the power-down bit
and the resistive load.
During the power-down mode, the device draws about
60 nA (typical). Although most of internal circuits are
shutdown, the serial interface remains active in order
to receive the I2C command.
The device exits the power-down mode immediately
when (a) it receives a new write command for normal
mode or (b) it receives an I2C General Call Wake-Up
Command.
When the DAC operation mode is changed from
power-down to normal mode, the output settling time
takes less than 10 µs, but greater than the standard
Active mode settling time (6 µs, typical).
TABLE 5-2: POWER-DOWN BITS
FIGURE 5-1: Output Stage for Power-
Down Mode.
PD1 PD0 Function
00Normal Mode
011kΩ resistor to ground (1)
10100 kΩ resistor to ground (1)
11500 kΩ resistor to ground (1)
Note 1: In the power-down mode: VOUT is off and
most of internal circuits are disabled.
1kΩ100 kΩ500 kΩ
Power-Down
Control Circuit
Resistive
Load
VOUT
OP
Amp
Resistive String DAC

© 2009 Microchip Technology Inc. DS22039D-page 21
MCP4725
5.6 Non-Volatile EEPROM Memory
The MCP4725 device has a 14-bit wide EEPROM
memory to store configuration bit (2 bits) and DAC
input data (12 bits). These bits are readable and re-
writable with I2C interface commands. The device has
an on-chip charge pump circuit to write the EEPROM
memory bits without using an external program
voltage.
The EEPROM writing operation is initiated when the
device receives an EEPROM write command (C2 = 0,
C1 = 1, C0 = 1). The configuration and writing data bits
are transferred to the EEPROM memory block. A
status bit, RDY/BSY
, stays low during the EEPROM
writing and goes high as the write operation is
completed. While the RDY/BSY bit is low (during the
EEPROM writing), any new write command is ignored
(for EEPROM or DAC register). Tab le 5 -3 shows the
EEPROM bits and factory default settings. Table 5-4
shows the DAC input register bits of the MCP4725.
TABLE 5-4: DAC REGISTER
TABLE 5-3: EEPROM MEMORY AND FACTORY DEFAULT SETTINGS
(TOTAL NUMBER OF BITS: 14 BITS)
Bit
Name PD1 PD0 D11 D10 D9 D8 D7 D6 D5 D4 D3 D2 D1 D0
Bit
Function
Power-Down
Select
(2 bits)
DAC Input Data (12 bits)
Factory
Default
Value
00
(1) 1 (2) 00000000000
Note 1: See Table 5-2 for details.
2: Bit D11 = ‘1’ (while all other bits are “0”) enables the device to output 0.5 * VDD (= middle scale output).
Bit
Name C2 C1 C0 RDY/
BSY PORPD1PD0D11D10D9D8D7D6D5D4D3D2D1D0
Bit
Function
Command
Type (1)
Power-
Down
Select
Data (12 bits)
Note 1: Write EEPROM status indication bit (0:EEPROM write is not completed. 1:EEPROM write is complete.)

MCP4725
DS22039D-page 22 © 2009 Microchip Technology Inc.
NOTES:

© 2009 Microchip Technology Inc. DS22039D-page 23
MCP4725
6.0 THEORY OF OPERATION
When the device is connected to the I2C bus line, the
device is working as a slave device. The Master (MCU)
can write/read the DAC input register or EEPROM
using the I2C interface command. The MCP4725
device address contains four fixed bits ( 1100 = device
code) and three address bits (A2, A1, A0). The A2 and
A1 bits are hard-wired during manufacturing, and A0 bit
is determined by the logic state of A0 pin. The A0 pin
can be connected to VDD or VSS, or actively driven by
digital logic levels.
The following sections describe the communication
protocol to send or read the data code and write/read
the EEPROM using the I2C interface. See Section 7.0
“I2C Serial Interface Communication”.
6.1 Write Commands
The write commands are used to load the configuration
bits and DAC input code to the DAC register, or to write
to the EEPROM of the device. The write command
types are defined by using three write command type
bits (C2, C1, C0). Ta b l e 6 - 2 shows the write command
types and their functions. There are three command
types for the MCP4725. The four “reserved” commands
in Table 6-2 are for future use. The MCP4725 ignores
the “reserved” commands. Write command protocol
examples are shown in Figure 6-1 and Figure 6-2.
The input data code is coded as shown in Ta ble 6- 1 .
The MSB of the data is always transmitted first and the
format is unipolar binary.
TABLE 6-1: INPUT DATA CODING
6.1.1 WRITE COMMAND FOR FAST
MODE (C2 = 0, C1 = 0, C0 = X,
X = DON’T CARE)
The fast write command is used to update the DAC
register. The data in the EEPROM of the device is not
affected by this command. This command updates
Power-Down mode selection bits (PD1 and PD0) and
12 bits of the DAC input code in the DAC register.
Figure 6-1 shows an example of the fast write
command for the MCP4725 device.
6.1.2 WRITE COMMAND FOR DAC INPUT
REGISTER (C2 = 0, C1 = 1, C0 = 0)
In MCP4725, this command performs the same
function as the Fast Mode command in Section 6.1.1
“Write Command for Fast mode (C2 = 0, C1 = 0,
C0 = X, X = Don’t Care)”. Figure 6-2 shows the write
command protocol for the MCP4725.
As shown in Figure 6-2, the D11 - D0 bits in the third
and fourth bytes are DAC input data. The last 4 bits (X,
X, X, X) in the fourth byte are don’t care bits.
The device executes the Master’s write command after
receiving the last byte (4th byte). The Master can send
a STOP bit to terminate the current sequence, or send
a Repeated START bit followed by an address byte. If
the device receives three data bytes continuously after
the 4th byte, it updates from the 2nd to the 4th data
bytes with the last three input data bytes.
The contents of the register are updated at the end of
the 4th byte. The device ignores any partially received
data bytes if the I2C communication with the Master
ends before completing the 4th byte.
6.1.3 WRITE COMMAND FOR DAC INPUT
REGISTER AND EEPROM
(C2 = 0, C1 = 1, C0 = 1)
When the device receives this command, it (a) loads
the configuration and data bits to the DAC register, and
(b) also writes the EEPROM. When the device is
writing the EEPROM, the RDY/BSY bit goes low and
stays low until the EEPROM write operation is
completed. The state of the RDY/BSY bit can be
monitored by a read command. Figure 6-2 shows the
details of the this write command protocol and
Figure 6-3 shows the details of the read command.
Input Code Nominal Output Voltage
(V)
111111111111 (FFFh) VDD - 1 LSB
111111111110 (FFEh) VDD - 2 LSB
000000000010 (002h) 2 LSB
000000000001 (001h) 1 LSB
000000000000 (000h) 0

MCP4725
DS22039D-page 24 © 2009 Microchip Technology Inc.
TABLE 6-2: WRITE COMMAND TYPE
FIGURE 6-1: Fast Mode Write Command.
C
2
C
1C0 Command Name Function
0 0 X Fast Mode This command is used to change the DAC register. EEPROM is not
affected
00X “ “
0 1 0 Write DAC Register Load configuration bits and data code to the DAC Register
0 1 1 Write DAC Register
and
EEPROM
(a) Load configuration bits and data code to the DAC Register and
(b) also write the EEPROM
1 0 0 Reserved Reserved for future use
1 0 1 Reserved Reserved for future use
1 1 0 Reserved Reserved for future use
1 1 1 Reserved Reserved for future use
Note 1: X = Dont’ Care. Fast Mode does not use C0 bit.
2: The MCP4725 ignores the “Reserved” commands.
1st byte (Device Addressing)
Device Code Address R/W
ACK (MCP4725)
2nd byte 3rd byte
DAC Register Data (12 bits)
ACK (MCP4725)
Repeat bytes of 2nd and 3rd bytes
Write DAC Register using Fast Mode Write Command: (C2, C1) = (0, 0)
Fast Mode Command (C2, C1 = 0, 0)
ACK (MCP4725)
Power Down Select
START Bit
2nd byte 3rd byte
Read/Write Command
STOP Bit
STOP Bit
see Note 1
see Note 2
ACK (MCP4725)
see Note 2
Note 1: A2 and A1 bits are programmed at the factory by hard-wired, and A0 bit is determined by the logic state
of A0 pin.
2: The device updates VOUT at the falling edge of the ACK pulse of the 3rd byte.
1100A2 0A1 A0 0 0 PD1 PD0 D11 D8D10 D9 D7 D6 D5 D4 D3 D0D2 D1
0 0 PD1 PD0 D11 D8D10 D9 D7 D6 D5 D4 D3 D0D2 D1
Bits
ACK (MCP4725)

© 2009 Microchip Technology Inc. DS22039D-page 25
MCP4725
FIGURE 6-2: Write Commands for DAC Input Register and EEPROM.
(A) Write DAC Register: (C2, C1, C0) = (0,1,0) or
(B) Write DAC Register and EEPROM: (C2, C1, C0) = (0,1,1)
1st byte (Device Addressing)
ACK (MCP4725)
2nd byte 3rd byte
ACK (MCP4725)
4th byte
D3 D2 D0D1
1 1 0 0 A2 A1 A0 0 C2 C1 C0 X X PD1 PD0 X X X X XD11 D10 D9 D8 D7 D6 D5 D4
START Bit
DAC Register Data (12 bits)
STOP Bit
Power Down Selection
Unused
Unused Unused
Device Code Address Bits R/W
Write Command Type:
Write DAC Register: (C2 = 0, C1 = 1, C0 = 0)
Write DAC Register and EEPROM: (C2 = 0, C1 = 1, C0 = 1). See Note 1
• The device updates the VOUT after this ACK pulse is issued.
• For EEPROM Write:
- The Charge Pump initiates the EEPROM writing sequence at the falling edge of this ACK pulse.
- The RDY/BSY bit (pin) goes “low” at the falling edge of this ACK pulse and back to “high” immediately after
the EEPROM write is completed.
ACK (MCP4725)
2nd byte 3rd byte
ACK (MCP4725)
4th byte
D3 D2 D0D1C2 C1 C0 X X PD1 PD0 X X X X XD11 D10 D9 D8 D7 D6 D5 D4
STOP
Bit
Repeat Bytes of 2nd - 4th bytes
Note 1: RDY/BSY bit stays “low” during the EEPROM write. Any new write command including repeat bytes during the
EEPROM write mode is ignored.
The RDY/BSY bit sets to “high” after the EEPROM write is completed.

MCP4725
DS22039D-page 26 © 2009 Microchip Technology Inc.
6.2 READ COMMAND
If the R/W bit is set to a logic “high”, then the device
outputs on SDA pin, the DAC register and EEPROM
data. Figure 6-3 shows an example of reading the
register and EEPROM data. The 2nd byte in Figure 6-
3 indicates the current condition of the device
operation. The RDY/BSY bit indicates EEPROM
writing status. The RDY/BSY bit stays low during
EEPROM writng and high when the writing is
completed.
FIGURE 6-3: Read Command and Output Data Format.
1st byte
ACK (MCP4725)
2nd byte 3rd byte
ACK (Master)
4th byte
D3 D2 D0D11 1 0 0 A2 A1 A0 1 RDY/ XXXPD1PD0X XXXXD11 D10 D9 D8 D7 D6 D5 D4
START Bit
Device Code Address Bits
R/W
5th byte 6th byte
D7 D6 D4D5 D3 D2 D1 D0X PD1 PD0 X D11 D10 D9 D8
STOP
Bit
Note 1: Bytes 2 - 6 are repeated in repeat bytes after byte 6.
2: X is don’t care bit.
Read Command
DAC register Data (12 bits)
in DAC Register
Current Settings
See Note 2
EEPROM Write Status Indicate Bit
(1: Completed, 0: Incomplete)
BSY
EEPROM Data
POR
ACK (Master)
ACK (Master)

© 2009 Microchip Technology Inc. DS22039D-page 27
MCP4725
7.0 I2C SERIAL INTERFACE
COMMUNICATION
7.1 OVERVIEW
The MCP4725 device uses a two-wire I2C serial
interface that can operate on a standard, fast or high
speed mode. A device that sends data onto the bus is
defined as transmitter, and a device receiving data as
receiver. The bus has to be controlled by a master
device which generates the serial clock (SCL), controls
the bus access and generates the START and STOP
conditions. The MCP4725 device works as slave. Both
master and slave can operate as transmitter or
receiver, but the master device determines which mode
is activated. An example of hardware connection
diagram is shown in Figure 8-1. Communication is
initiated by the master (microcontroller) which sends
the START bit, followed by the slave address byte. The
first byte transmitted is always the slave address byte,
which contains the device code, the address bits, and
the R/W bit. The device code for the MCP4725 device
is 1100.
When the device receives a read command (R/W = 1),
it transmits the contents of the DAC input register and
EEPROM. A non-acknowledge (NAK) or repeated
START bit can be transmitted at any time. See
Figure 6-3 for the read operation example. If writing to
the device (R/W = 0), the device will expect write com-
mand type bits in the following byte. See Figure 6-1
and Figure 6-2 for the write operation examples.
The MCP4725 supports all three I2C operating modes:
• Standard Mode: bit rates up to 100 kbit/s
• Fast Mode: bit rates up to 400 kbit/s
• High Speed Mode (HS mode): bit rates up to
3.4 Mbit/s
Refer to the Phillips I2C document for more details of
the I2C specifications.
7.2 Device Addressing
The address byte is the first byte received following the
START condition from the master device. The first part
of the address byte consists of a 4-bit device code
which is set to 1100 for the MCP4725. The device code
is followed by three address bits (A2, A1, A0) which are
programmed as follows:
• The choice of A2 and A1 bits are provided by the
customer as part of the ordering process. These
bits are then programmed (hard-wired) during
manufacturing
• The A2 and A1 are programmed to ‘00’ (default),
if not requested by customer
• A0 bit is determined by the logic state of A0 pin.
The A0 pin can be tied to VDD or VSS, or can be
actively driven by digital logic levels. The
advantage of using the A0 pin is that the users
can control the A0 bit on their application PCB
circuit and also two identical MCP4725 devices
can be used on the same bus line.
When the device receives an address byte, it compares
the logic state of the A0 pin with the A0 address bit
received before responding with the acknowledge bit.
The logic state of the A0 pin needs to be set prior to the
interface communication.
FIGURE 7-1: Device Addressing.
START bit Read/Write bit
Address Byte
R/W ACK
Acknowledge bit
Slave Address
1100
Slave Address for MCP4725
A2 A1 A0
Note: A2 and A1: Programmed (hard-wired) at the factory.
Please Contact Microchip Technology Inc. for A2 and
A1 programming options.
A0: Use the logic level state of A0 pin.
Device Code Address Bits

MCP4725
DS22039D-page 28 © 2009 Microchip Technology Inc.
7.3 General Call
The MCP4725 device acknowledges the general call
address (0x00 in the first byte). The meaning of the
general call address is always specified in the second
byte (see Figure 7-2). The I2C specification does not
allow to use “00000000” (00h) in the second byte.
Please refer to the Phillips I2C document for more
details of the General Call specifications. The
MCP4725 supports the following general calls:
7.3.1 GENERAL CALL RESET
The general reset occurs if the second byte is
“00000110” (06h). At the acknowledgement of this
byte, the device will abort current conversion and
perform an internal reset similar to a power-on-reset
(POR). Immediately after this reset event, the device
uploads the contents of the EEPROM into the DAC
register.
7.3.2 GENERAL CALL WAKE-UP
If the second byte is “00001001” (09h), the device will
reset the power-down bits. After receiving this com-
mand, the power-down bits of the DAC register are set
to a normal operation (PD1, PD2 = 0,0). The power-
down bit settings in EEPROM are not affected.
FIGURE 7-2: General Call Address
Format.
7.4 High-Speed (HS) Mode
The I2C specification requires that a high-speed mode
device must be ‘activated’ to operate in high-speed
(3.4 Mbit/s) mode. This is done by sending a special
address byte of 00001XXX following the START bit.
The XXX bits are unique to the high-speed (HS) mode
Master. This byte is referred to as the high-speed (HS)
Master Mode Code (HSMMC). The MCP4725 device
does not acknowledge this byte. However, upon
receiving this command, the device switches to HS
mode and can communicate at up to 3.4 Mbit/s on SDA
and SCL lines. The device will switch out of the HS
mode on the next STOP condition.
For more information on the HS mode, or other I2C
modes, please refer to the Phillips I2C specification.
7.5 I2C BUS CHARACTERISTICS
The I2C specification defines the following bus
protocol:
• Data transfer may be initiated only when the bus
is not busy.
• During data transfer, the data line must remain
stable whenever the clock line is HIGH. Changes
in the data line while the clock line is HIGH will be
interpreted as a START or STOP condition.
Accordingly, the following bus conditions have been
defined using Figure 7-3.
7.5.1 BUS NOT BUSY (A)
Both data and clock lines remain HIGH.
7.5.2 START DATA TRANSFER (B)
A HIGH to LOW transition of the SDA line while the
clock (SCL) is HIGH determines a START condition.
All commands must be preceded by a START
condition.
7.5.3 STOP DATA TRANSFER (C)
A LOW to HIGH transition of the SDA line while the
clock (SCL) is HIGH determines a STOP condition. All
operations must be ended with a STOP condition.
7.5.4 DATA VALID (D)
The state of the data line represents valid data when,
after a START condition, the data line is stable for the
duration of the HIGH period of the clock signal.
The data on the line must be changed during the LOW
period of the clock signal. There is one clock pulse per
bit of data.
Each data transfer is initiated with a START condition
and terminated with a STOP condition.
LSB
First Byte
ACK
x
00000000A A
xxxxxxx
(General Call Address)Second Byte
ACK

© 2009 Microchip Technology Inc. DS22039D-page 29
MCP4725
7.5.5 ACKNOWLEDGE
Each receiving device, when addressed, is obliged to
generate an acknowledge after the reception of each
byte. The master device must generate an extra clock
pulse which is associated with this acknowledge bit.
The device that acknowledges, has to pull down the
SDA line during the acknowledge clock pulse in such a
way that the SDA line is stable LOW during the HIGH
period of the acknowledge related clock pulse. Of
course, setup and hold times must be taken into
account. During reads, a master must send an end of
data to the slave by not generating an acknowledge bit
on the last byte that has been clocked out of the slave.
In this case, the slave (MCP4725) will leave the data
line HIGH to enable the master to generate the STOP
condition.
FIGURE 7-3: Data Transfer Sequence On The Serial Bus.
SCL
SDA
(A) (B) (D) (D) (A)(C)
START
CONDITION
ADDRESS OR
ACKNOWLEDGE
VALID
DATA
ALLOWED
TO CHANGE
STOP
CONDITION

MCP4725
DS22039D-page 30 © 2009 Microchip Technology Inc.
TABLE 7-1: I2C SERIAL TIMING SPECIFICATIONS
Electrical Specifications: Unless otherwise specified, all limits are specified for TA = -40 to +85°C, VDD = +2.7V to +5.0V, VSS = 0V.
Parameters Sym Min Typ Max Units Conditions
Standard Mode
Clock frequency fSCL 0 — 100 kHz
Clock high time THIGH 4000 — — ns
Clock low time TLOW 4700 — — ns
SDA and SCL rise time TR— — 1000 ns From VIL to VIH (Note 1)
SDA and SCL fall time TF— — 300 ns From VIH to VIL (Note 1)
START condition hold time THD:STA 4000 — — ns After this period, the first clock
pulse is generated.
(Repeated) START condition
setup time
TSU:STA 4700 — — ns
Data hold time THD:DAT 0 — 3450 ns Note 3
Data input setup time TSU:DAT 250 — — ns
STOP condition setup time TSU:STO 4000 — — ns
Output valid from clock TAA 0 — 3750 ns Notes 2 and 3
Bus free time TBUF 4700 — — ns Time between START and STOP
conditions.
Fast Mode
Clock frequency TSCL 0 — 400 kHz
Clock high time THIGH 600 — — ns
Clock low time TLOW 1300 — — ns
SDA and SCL rise time TR20 + 0.1Cb — 300 ns From VIL to VIH (Note 1)
SDA and SCL fall time TF20 + 0.1Cb — 300 ns From VIH to VIL (Note 1)
START condition hold time THD:STA 600 — — ns After this period, the first clock
pulse is generated
(Repeated) START condition
setup time
TSU:STA 600 — — ns
Data hold time THD:DAT 0 — 900 ns Note 4
Data input setup time TSU:DAT 100 — — ns
STOP condition setup time TSU:STO 600 — — ns
Output valid from clock TAA 0 — 1200 ns Notes 2 and 3
Bus free time TBUF 1300 — — ns Time between START and STOP
conditions.
Note 1: This parameter is ensured by characterization and not 100% tested.
2: This specification is not a part of the I2C specification. This specification is equivalent to the Data Hold Time (THD:DAT)
plus SDA Fall (or rise) time: TAA = THD:DAT + TF (OR TR).
3: If this parameter is too short, it can create an unintended START or STOP condition to other devices on the same bus
line. If this parameter is too long, Clock Low time (TLOW) can be affected.
4: For Data Input: This parameter must be longer than tSP
. If this parameter is too long, the Data Input Setup (TSU:DAT) or
Clock Low time (TLOW) can be affected.
For Data Output: This parameter is characterized, and tested indirectly by testing TAA parameter.
5: All timing parameters in high-speed modes are tested at VDD = 5V.

© 2009 Microchip Technology Inc. DS22039D-page 31
MCP4725
High Speed Mode (Note 5)
Clock frequency fSCL 0—3.4MHzC
b = 100 pF
0—1.7MHzC
b = 400 pF
Clock high time THIGH 60 — — ns Cb = 100 pF, fSCL = 3.4 MHz
120 — — ns Cb = 400 pF, fSCL = 1.7 MHz
Clock low time TLOW 160 — — ns Cb = 100 pF, fSCL = 3.4 MHz
320 — — ns Cb = 400 pF, fSCL = 1.7 MHz
SCL rise time
(Note 1)
TR:SCL — — 40 ns From VIL to VIH,
Cb = 100 pF, fSCL = 3.4 MHz
— — 80 ns From VIL to VIH,
Cb = 400 pF, fSCL = 1.7 MHz
SCL fall time
(Note 1)
TF:SCL — — 40 ns From VIH to VIL,
Cb = 100 pF, fSCL = 3.4 MHz
— — 80 ns From VIH to VIL,
Cb = 400 pF, fSCL = 1.7 MHz
SDA rise time
(Note 1)
TR: DAT — — 80 ns From VIL to VIH,
Cb = 100 pF, fSCL = 3.4 MHz
— — 160 ns From VIL to VIH,
Cb = 400 pF, fSCL = 1.7 MHz
SDA fall time
(Note 1)
TF: DAT — — 80 ns From VIH to VIL,
Cb = 100 pF, fSCL = 3.4 MHz
— — 160 ns From VIH to VIL,
Cb = 400 pF, fSCL = 1.7 MHz
Data hold time
(Note 4)
THD:DAT 0 — 70 ns Cb = 100 pF, fSCL = 3.4 MHz
0 — 150 ns Cb = 400 pF, fSCL = 1.7 MHz
Output valid from clock
(Notes 2 and 3)
TAA — — 150 ns Cb = 100 pF, fSCL = 3.4 MHz
— — 310 ns Cb = 400 pF, fSCL = 1.7 MHz
START condition hold time THD:STA 160 — — ns After this period, the first clock
pulse is generated
START (Repeated) condition
setup time
TSU:STA 160 — — ns
Data input setup time TSU:DAT 10 — — ns
STOP condition setup time TSU:STO 160 — — ns
TABLE 7-1: I2C SERIAL TIMING SPECIFICATIONS (CONTINUED)
Electrical Specifications: Unless otherwise specified, all limits are specified for TA = -40 to +85°C, VDD = +2.7V to +5.0V, VSS = 0V.
Parameters Sym Min Typ Max Units Conditions
Note 1: This parameter is ensured by characterization and not 100% tested.
2: This specification is not a part of the I2C specification. This specification is equivalent to the Data Hold Time (THD:DAT)
plus SDA Fall (or rise) time: TAA = THD:DAT + TF (OR TR).
3: If this parameter is too short, it can create an unintended START or STOP condition to other devices on the same bus
line. If this parameter is too long, Clock Low time (TLOW) can be affected.
4: For Data Input: This parameter must be longer than tSP
. If this parameter is too long, the Data Input Setup (TSU:DAT) or
Clock Low time (TLOW) can be affected.
For Data Output: This parameter is characterized, and tested indirectly by testing TAA parameter.
5: All timing parameters in high-speed modes are tested at VDD = 5V.

MCP4725
DS22039D-page 32 © 2009 Microchip Technology Inc.
FIGURE 7-4: I2C Bus Timing Data.
TF
SCL
SDA
TSU:STA
TSP
THD:STA
TLOW
THIGH
THD:DAT
TAA
TSU:DAT
TR
TSU:STO
TBUF
0.3VDD
0.7VDD

© 2009 Microchip Technology Inc. DS22039D-page 33
MCP4725
8.0 TYPICAL APPLICATIONS
The MCP4725 device is one of Microchip’s latest DAC
device family with non-volatile EEPROM memory. The
device is a general purpose resistive string DAC
intended to be used in applications where a precision,
and low power DAC with moderate bandwidth is
required.
Since the device includes non-volatile EEPROM
memory, the user can use this device for applications
that require the output to return to the previous set-up
value on subsequent power-ups.
Applications generally suited for the MCP4725 device
family include:
• Set Point or Offset Trimming
• Sensor Calibration
• Portable Instrumentation (Battery Powered)
• Motor Speed Control
8.1 Connecting to I2C BUS using
Pull-Up Resistors
The SCL and SDA pins of the MCP4725 are open-drain
configurations. These pins require a pull-up resistor as
shown in Figure 8-1. The value of these pull-up
resistors depends on the operating speed (standard,
fast, and high speed) and loading capacitance of the
I2C bus line. Higher value of pull-up resistor consumes
less power, but increases the signal transition time
(higher RC time constant) on the bus. Therefore, it can
limit the bus operating speed. The lower resistor value,
on the other hand, consumes higher power, but allows
higher operating speed. If the bus line has higher
capacitance due to long bus line or high number of
devices connected to the bus, a smaller pull-up resistor
is needed to compensate the long RC time constant.
The pull-up resistor is typically chosen between 1 kΩ
and 10 kΩ ranges for standard and fast modes, and
less than 1 kΩ for high speed mode.
FIGURE 8-1: I2C Bus Interface
Connection with A0 pin tied to VSS.
Two devices with the same A2 and A1 address bits can
be connected to the same I2C bus by utilizing the A0
address pin (Example: A0 pin of device A is tied to VDD,
and the other device’s pin is tied to VSS).
8.1.1 DEVICE CONNECTION TEST
The user can test the presence of the MCP4725 on the
I2C bus line without performing the data conversion.
This test can be achieved by checking an acknowledge
response from the MCP4725 after sending a read or
write command. Here is an example using Figure 8-2:
(a) Set the R/W bit “HIGH” in the address byte.
(b) If the MCP4725 is connected to the I2C bus line, it
will then acknowledge by pulling SDA bus LOW
during the ACK clock and then release the bus
back to the I2C Master.
(c) A STOP or repeated START bit can then be issued
from the Master and I2C communication can
continue.
FIGURE 8-2: I2C Bus Connection Test.
MCP4725
VOUT A0
SCL
VSS
1
2
34
5
6
VDD SDA
10 µF0.1 µF
RR
Analog
VDD
VDD
To M C U
(MASTER)
Output
Note 1: R is the pull-up resistor. Typically
1 ~ 10 kΩ
2: A0 can be tied to VSS, VDD or driven by
MCU
123456789
SCL
SDA 1100A2A1A0 1
START
Bit
Address Byte
Address bits
Device bits
R/W
START
Bit
MCP4725
ACK
Response

MCP4725
DS22039D-page 34 © 2009 Microchip Technology Inc.
8.2 Using Non-Volatile EEPROM
Memory
The user can store the DAC input code (12 bits) and
power-down configuration bits (2 bits) in the internal
non-volatile EEPROM memory using the I2C write
command. The user can also read the EEPROM data
using the I2C read command. When the device is first
powered after power is shut down, the device uploads
the EEPROM contents to the DAC register
automatically and provides the DAC output
immediately. This feature is very useful in applications
where the DAC device is used to provide set point or
calibration data for other devices in the application
system. The DAC will not lose the important system
operational parameters due to the system power failure
incidents. See Section 5.6 “Non-Volatile EEPROM
Memory” for more details of the non-volatile EEPROM
memory.
8.3 Power Supply Considerations
The power supply to the device is used for both VDD
and DAC reference voltage. Any noise induced on the
VDD line can affect on the DAC performance. Typical
application will require a bypass capacitor in order to
filter out high frequency noise on the VDD line. The
noise can be induced onto the power supply’s traces or
as a result of changes on the DAC output. The bypass
capacitor helps to minimize the effect of these noise
sources on signal integrity. Figure 8-1 shows an
example of using two bypass capacitors (a 10 µF
tantalum capacitor and a 0.1 µF ceramic capacitor) in
parallel on the VDD line. These capacitors should be
placed as close to the VDD pin as possible (within
4mm).
The power source should be as clean as possible. If the
application circuit has separate digital and analog
power supplies, the VDD and VSS pins of the MCP4725
should reside on the analog plane.
8.4 Layout Considerations
Inductively-coupled AC transients and digital switching
noise from other devices can affect on DAC
performance and DAC output signal integrity. Careful
board layout will minimize these effects. Bench testing
has shown that a multi-layer board utilizing a low-
inductance ground plane, isolated inputs, isolated
outputs and proper decoupling are critical to achieving
the performance that the MCP4725 is capable of
providing. Particularly harsh environments may require
shielding of critical signals. Separate digital and analog
ground planes are recommended. In this case, the VSS
pin and the ground pins of the VDD capacitors of the
MCP4725 should be terminated to the analog ground
plane.
8.5 Application Examples
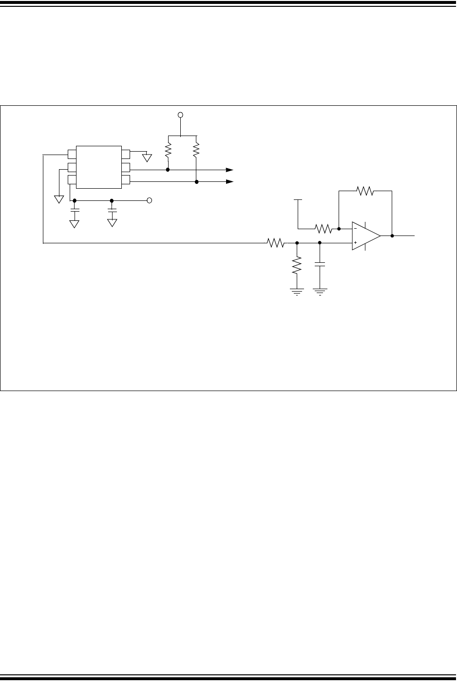
The MCP4725 is a rail-to-rail output DAC designed to
operate with a VDD range of 2.7V to 5.5V. Its output
amplifier is robust enough to drive common, small-
signal loads directly, thus eliminating the cost and size
of an external buffer for most applications.
8.5.1 DC SET POINT OR CALIBRATION
A common application for the MCP4725 is a digitally-
controlled set point or a calibration of variable
parameters such as sensor offset or bias point.
Example 8-1 shows an example of the set point setting.
Since the MCP4725 is a 12-bit DAC and uses the VDD
supply as a reference source, it provides a VDD/4096 of
resolution per step.

© 2009 Microchip Technology Inc. DS22039D-page 35
MCP4725
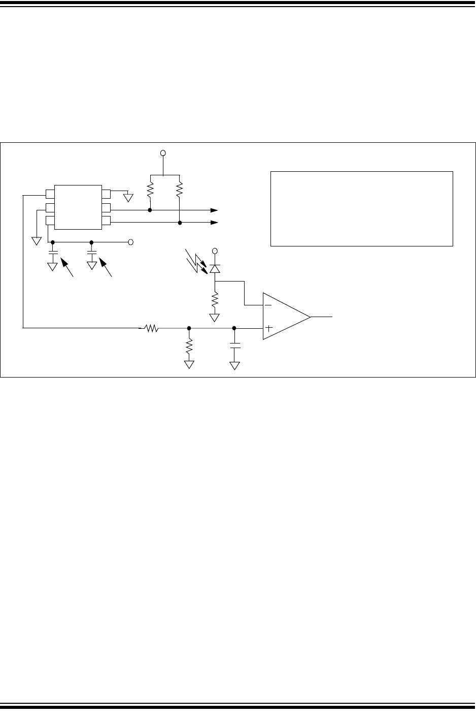
8.5.2 DECREASING THE OUTPUT STEP
SIZE
Calibrating the threshold of a diode, transistor or
resistor may require a very small step size in the DAC
output voltage. These applications may require about
200 µV of step resolution within 0.8V of range.
One method of achieving this small step resolution is
using a voltage divider at the DAC output. An example
is shown in Example 8-1. The step size of the DAC
output is scaled down by the factor of the ratio of the
voltage divider. Note that the bypass capacitor on the
output of the voltage divider plays a critical function in
attenuating the output noise of the DAC and the
induced noise from the environment.
EXAMPLE 8-1: Set Point Or Threshold Calibration.
To M C U
(MASTER)
RR
VDD
Comparator
R1
R20.1 µF
VTRIP
RSENSE
MCP4725
VDD
VOUT A0
SCL
VSS
1
2
34
5
6
VDD SDA
10 µF0.1 µF
VDD
Dn Input Code (0 to 4095)=
VOUT VDD Dn
4096
------------
×
=
VTRIP VOUT
R2
R1R2
+
-------------------
⎝⎠
⎛⎞
=
Light
(Ceramic) (Tantalum)

MCP4725
DS22039D-page 36 © 2009 Microchip Technology Inc.
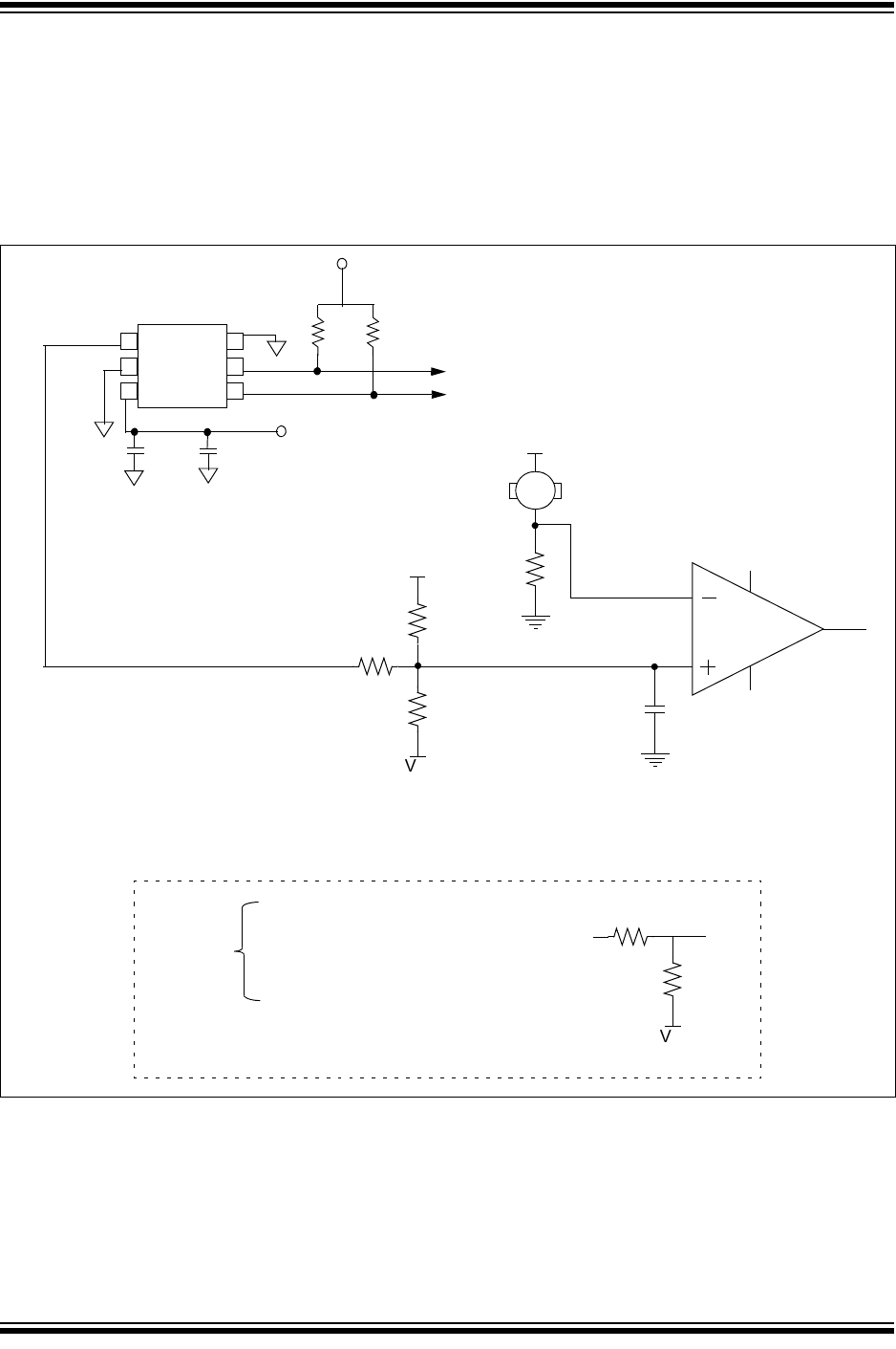
8.5.3 BUILDING A “WINDOW” DAC
Some sensor applications require very high resolution
around the set point or threshold voltage.
Example 8-2 shows an example of creating a “window”
around the threshold using a voltage divider network
with a pull-up and pull-down resistor. In the circuit, the
output voltage range is scaled down, but its step
resolution is increased greatly.
EXAMPLE 8-2: Single-Supply “Window” DAC.
VTRIP
R1
R20.1 µF
Comparator
R3
VCC-
Where: Dn = DAC Input Code (0 – 4095)
VCC+ VCC+
VCC-
VOUT
VOUT VDD Dn
212
-------
×=
R23
R2R3
R2R3
+
-------------------=
V23
VCC+R2
()VCC-R3
()+
R2R3
+
------------------------------------------------------=
Vtrip
VOUTR23 V23R1
+
R2R23
+
---------------------------------------------=
R1
R23
V23
VOUT VO
Thevenin
Equivalent
Rsense
To M C U
(MASTER)
RR
MCP4725
VDD
VOUT A0
SCL
VSS
1
2
34
5
6
VDD SDA
10 µF0.1 µF
VDD

© 2009 Microchip Technology Inc. DS22039D-page 37
MCP4725
8.5.4 BIPOLAR OPERATION
Bipolar operation is achievable using the MCP4725 by
using an external operational amplifier (op amp). This
allows a general purpose DAC, with its cost and
availability advantages, to meet almost any desired
output voltage range, power and noise performance.
Example 8-3 illustrates a simple bipolar voltage source
configuration. R1 and R2 allow the gain to be selected,
while R3 and R4 shift the DAC's output to a selected
offset. Note that R4 can be tied to VDD (= VREF) instead
of VSS, if a higher offset is desired. Note that a pull-up
to VDD could be used, instead of R4, if a higher offset is
desired.
EXAMPLE 8-3: Digitally-Controlled Bipolar Voltage Source.
VDD
VOUT R3
R4
R2
R1
VIN+
0.1 µF
VCC+
VCC–
VIN+
VOUTR4
R3R4
+
--------------------=
VO
VOVIN+ 1R2
R1
------+
⎝⎠
⎛⎞
VDD
R2
R1
------
⎝⎠
⎛⎞
–=
To MC U
(MASTER)
RR
MCP4725
VDD
VOUT A0
SCL
VSS
1
2
34
5
6
VDD SDA
10 µF0.1 µF
VDD
Where: Dn = DAC Input Code (0 – 4095)
VOUT VDD Dn
212
-------
×=

MCP4725
DS22039D-page 38 © 2009 Microchip Technology Inc.
8.5.4.1 Design a Bipolar DAC using
Example 8-3
Some applications desires an output step magnitude of
1 mV with an output range of ±2.05V. The following
steps explain the design solution:
1. Calculate the range: +2.05V – (-2.05V) = 4.1V.
2. Calculate the resolution needed:
4.1V/1 mV = 4100 steps
Note that 212 = 4096 for 12-bit resolution.
3. The amplifier gain (R2/R1), multiplied by VDD,
must be equal to the desired minimum output to
achieve bipolar operation. Since any gain can
be realized by choosing resistor values (R1+R2),
the VDD value must be selected first. If a VDD of
4.1V is used, solve for the amplifier’s gain by
setting the DAC code to 0, knowing that the out-
put needs to be -2.05V. The equation can be
simplified to
:
4. Next, solve for R3 and R4 by setting the DAC to
4096, knowing that the output needs to be
+2.05V.
R2
–
R1
---------2.05–
VDD
------------- 2.05–
4.1
-------------== R2
R1
------1
2
---=
→
If R1 = 20 kΩ and R2 = 10 kΩ, the gain will be 0.5.
R4
R3R4
+()
------------------------2.05V 0.5 VDD
⋅
()+
1.5 VDD
⋅
-------------------------------------------------2
3
---==
If R4 = 20 kΩ, then R3 = 10 kΩ

© 2009 Microchip Technology Inc. DS22039D-page 39
MCP4725
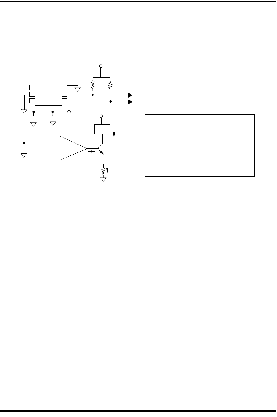
8.5.5 PROGRAMMABLE CURRENT
SOURCE
Example 8-3 illustrates an example how to convert the
DAC voltage output to a digitally selectable current
source by adding a voltage follower and a sensor
register.
FIGURE 8-3: Digitally Controllable Current Source.
LOAD
VDD
IL
IB
RSENSE
RR
MCP4725
VDD
VOUT A0
SCL
VSS
1
2
34
5
6
VDD SDA
10 µF0.1 µF
VDD
Dn Input Code (0 to 4095)=
IL
VOUT
RSENSE
------------------
β
β
1+
-------------
=
VOUT VDD Dn
4096
------------
×
=
IB
IL
β
----=
VOUT
To MC U
(MASTER)

MCP4725
DS22039D-page 40 © 2009 Microchip Technology Inc.
NOTES:

© 2009 Microchip Technology Inc. DS22039D-page 41
MCP4725
9.0 DEVELOPMENT SUPPORT
9.1 Evaluation & Demonstration
Boards
The MCP4725 SOT-23-6 Evaluation Board is available
from Microchip Technology Inc. This board works with
Microchip’s PICkit™ Serial Analyzer. The user can
program the DAC input codes and EEPROM data, or
read the programmed data using the easy to use PICkit
Serial Analyzer with the Graphic User Interface
software. Refer to www.microchip.com for further
information on this product’s capabilities and
availability.
FIGURE 9-1: MCP4725 SOT-23-6
Evaluation Board.
FIGURE 9-2: Setup for the MCP4725
SOT-23-6 Evaluation Board with PICkit™ Serial
Analyzer.
FIGURE 9-3: Example of PICkit™ Serial User Interface.
USB Cable to PC
PICkit Serial
MCP4725 SOT-23-6 EV Board
DAC Analog Output
1st Write Byte
2nd Write Byte
3rd Write Byte
4th Write Byte

MCP4725
DS22039D-page 42 © 2009 Microchip Technology Inc.
NOTES:

© 2009 Microchip Technology Inc. DS22039D-page 43
MCP4725
10.0 PACKAGING INFORMATION
10.1 Package Marking Information
1
6-Lead SOT-23
XXNN
Example
1
AJ25
Part Number Address
Option Code
MCP4725A0T-E/CH A0 (00) AJNN
MCP4725A1T-E/CH A1 (01) APNN
MCP4725A2T-E/CH A2 (10) AQNN
MCP4725A3T-E/CH A3 (11) ARNN
Legend: XX...X Customer-specific information
Y Year code (last digit of calendar year)
YY Year code (last 2 digits of calendar year)
WW Week code (week of January 1 is week ‘01’)
NNN Alphanumeric traceability code
Pb-free JEDEC designator for Matte Tin (Sn)
*This package is Pb-free. The Pb-free JEDEC designator ( )
can be found on the outer packaging for this package.
Note: In the event the full Microchip part number cannot be marked on one line, it will
be carried over to the next line, thus limiting the number of available
characters for customer-specific information.
3
e
3
e

MCP4725
DS22039D-page 44 © 2009 Microchip Technology Inc.
!!"#"$%" "&!$%!!"&!$%!!!$'" !"
!"$#()
*+, *! !$'$-%!..$%$$!
/$ !$%$0".!1!!$20&$$"$
$$,33... 30
4$! 55##
!5 $! 6 67 8
6% 9&2! 6
2$ )*+
7%$!"5"2$ *+
7-:$ ; )
""200!! < ;
$"&& ; )
7-="$ # ;
""20="$ # ; <
7-5$ ;
/$5$ 5 ;
/$$ 5 ) ; <
/$ > ; >
5"0!! < ;
5"="$ 9 ; )
b
E
4
N
E1
PIN1IDBY
LASER MARK
D
123
e
e1
A
A1
A2 c
L
L1
φ
. +<*

© 2009 Microchip Technology Inc. DS22039D-page 45
MCP4725
APPENDIX A: REVISION HISTORY
Revision D (June 2009)
The following is the list of modifications:
1. Added VDD_RAMP parameter in Section
“ELECTRICAL CHARACTERISTICS” and
description in Section 5.4.2 “VDD Ramp Rate
and EEPROM”.
Revision C (November 2007)
The following is the list of modifications:
1. Corrected Address Options on Product
Identification System page.
Revision B (October 2007)
The following is the list of modifications:
1. Added characterization graphs to document.
2. Numerous edits throughout.
3. Add new package marking address options.
Updated package marking information and
package outline drawings.
4. Added adress options to Product Identification
System page.
Revision A (April 2007)
• Original Release of this Document.

MCP4725
DS22039D-page 46 © 2009 Microchip Technology Inc.
NOTES:

© 2009 Microchip Technology Inc. DS22039D-page 47
MCP4725
PRODUCT IDENTIFICATION SYSTEM
To order or obtain information, e.g., on pricing or delivery, refer to the factory or the listed sales office.
Device: MCP4725: Single Channel 12-Bit DAC w/EEPROM
Memory
Address Options: XX A2 A1 A0
A0 * = 0 0 External
A1 = 0 1 External
A2 = 1 0 External
A3 = 1 1 External
* Default option. Contact Microchip factory for other
address options
Tape and Reel: T = Tape and Reel
Temperature Range: E = -40°C to +125°C
Package: CH = Plastic Small Outline Transistor (SOT-23-6),
6-lead
Examples:
a) MCP4725A0T-E/CH: Tape and Reel,
Extended Temp.,
6LD SOT-23 pkg.
Address Option = A0
b) MCP4725A1T-E/CH: Tape and Reel,
Extended Temp.,
6LD SOT-23 pkg.
Address Option = A1
c) MCP4725A2T-E/CH: Tape and Reel,
Extended Temp.,
6LD SOT-23 pkg.
Address Option = A2
d) MCP4725A3T-E/CH: Tape and Reel,
Extended Temp.,
6LD SOT-23 pkg.
Address Option = A3
PART NO. XXX
Address Temperature
Range
Device
/XX
Package
Options
X
Tape and
Reel

MCP4725
DS22039D-page 48 © 2009 Microchip Technology Inc.
NOTES:

© 2009 Microchip Technology Inc. DS22039D-page 49
Information contained in this publication regarding device
applications and the like is provided only for your convenience
and may be superseded by updates. It is your responsibility to
ensure that your application meets with your specifications.
MICROCHIP MAKES NO REPRESENTATIONS OR
WARRANTIES OF ANY KIND WHETHER EXPRESS OR
IMPLIED, WRITTEN OR ORAL, STATUTORY OR
OTHERWISE, RELATED TO THE INFORMATION,
INCLUDING BUT NOT LIMITED TO ITS CONDITION,
QUALITY, PERFORMANCE, MERCHANTABILITY OR
FITNESS FOR PURPOSE. Microchip disclaims all liability
arising from this information and its use. Use of Microchip
devices in life support and/or safety applications is entirely at
the buyer’s risk, and the buyer agrees to defend, indemnify and
hold harmless Microchip from any and all damages, claims,
suits, or expenses resulting from such use. No licenses are
conveyed, implicitly or otherwise, under any Microchip
intellectual property rights.
Trademarks
The Microchip name and logo, the Microchip logo, dsPIC,
KEELOQ, KEELOQ logo, MPLAB, PIC, PICmicro, PICSTART,
rfPIC and UNI/O are registered trademarks of Microchip
Technology Incorporated in the U.S.A. and other countries.
FilterLab, Hampshire, HI-TECH C, Linear Active Thermistor,
MXDEV, MXLAB, SEEVAL and The Embedded Control
Solutions Company are registered trademarks of Microchip
Technology Incorporated in the U.S.A.
Analog-for-the-Digital Age, Application Maestro, CodeGuard,
dsPICDEM, dsPICDEM.net, dsPICworks, dsSPEAK, ECAN,
ECONOMONITOR, FanSense, HI-TIDE, In-Circuit Serial
Programming, ICSP, ICEPIC, Mindi, MiWi, MPASM, MPLAB
Certified logo, MPLIB, MPLINK, mTouch, nanoWatt XLP,
Omniscient Code Generation, PICC, PICC-18, PICkit,
PICDEM, PICDEM.net, PICtail, PIC32 logo, REAL ICE, rfLAB,
Select Mode, Total Endurance, TSHARC, WiperLock and
ZENA are trademarks of Microchip Technology Incorporated
in the U.S.A. and other countries.
SQTP is a service mark of Microchip Technology Incorporated
in the U.S.A.
All other trademarks mentioned herein are property of their
respective companies.
© 2009, Microchip Technology Incorporated, Printed in the
U.S.A., All Rights Reserved.
Printed on recycled paper.
Note the following details of the code protection feature on Microchip devices:
• Microchip products meet the specification contained in their particular Microchip Data Sheet.
• Microchip believes that its family of products is one of the most secure families of its kind on the market today, when used in the
intended manner and under normal conditions.
• There are dishonest and possibly illegal methods used to breach the code protection feature. All of these methods, to our
knowledge, require using the Microchip products in a manner outside the operating specifications contained in Microchip’s Data
Sheets. Most likely, the person doing so is engaged in theft of intellectual property.
• Microchip is willing to work with the customer who is concerned about the integrity of their code.
• Neither Microchip nor any other semiconductor manufacturer can guarantee the security of their code. Code protection does not
mean that we are guaranteeing the product as “unbreakable.”
Code protection is constantly evolving. We at Microchip are committed to continuously improving the code protection features of our
products. Attempts to break Microchip’s code protection feature may be a violation of the Digital Millennium Copyright Act. If such acts
allow unauthorized access to your software or other copyrighted work, you may have a right to sue for relief under that Act.
Microchip received ISO/TS-16949:2002 certification for its worldwide
headquarters, design and wafer fabrication facilities in Chandler and
Tempe, Arizona; Gresham, Oregon and design centers in California
and India. The Company’s quality system processes and procedures
are for its PIC® MCUs and dsPIC® DSCs, KEELOQ® code hopping
devices, Serial EEPROMs, microperipherals, nonvolatile memory and
analog products. In addition, Microchip’s quality system for the design
and manufacture of development systems is ISO 9001:2000 certified.

DS22039D-page 50 © 2009 Microchip Technology Inc.
AMERICAS
Corporate Office
2355 West Chandler Blvd.
Chandler, AZ 85224-6199
Tel: 480-792-7200
Fax: 480-792-7277
Technical Support:
http://support.microchip.com
Web Address:
www.microchip.com
Atlanta
Duluth, GA
Tel: 678-957-9614
Fax: 678-957-1455
Boston
Westborough, MA
Tel: 774-760-0087
Fax: 774-760-0088
Chicago
Itasca, IL
Tel: 630-285-0071
Fax: 630-285-0075
Cleveland
Independence, OH
Tel: 216-447-0464
Fax: 216-447-0643
Dallas
Addison, TX
Tel: 972-818-7423
Fax: 972-818-2924
Detroit
Farmington Hills, MI
Tel: 248-538-2250
Fax: 248-538-2260
Kokomo
Kokomo, IN
Tel: 765-864-8360
Fax: 765-864-8387
Los Angeles
Mission Viejo, CA
Tel: 949-462-9523
Fax: 949-462-9608
Santa Clara
Santa Clara, CA
Tel: 408-961-6444
Fax: 408-961-6445
Toronto
Mississauga, Ontario,
Canada
Tel: 905-673-0699
Fax: 905-673-6509
ASIA/PACIFIC
Asia Pacific Office
Suites 3707-14, 37th Floor
Tower 6, The Gateway
Harbour City, Kowloon
Hong Kong
Tel: 852-2401-1200
Fax: 852-2401-3431
Australia - Sydney
Tel: 61-2-9868-6733
Fax: 61-2-9868-6755
China - Beijing
Tel: 86-10-8528-2100
Fax: 86-10-8528-2104
China - Chengdu
Tel: 86-28-8665-5511
Fax: 86-28-8665-7889
China - Hong Kong SAR
Tel: 852-2401-1200
Fax: 852-2401-3431
China - Nanjing
Tel: 86-25-8473-2460
Fax: 86-25-8473-2470
China - Qingdao
Tel: 86-532-8502-7355
Fax: 86-532-8502-7205
China - Shanghai
Tel: 86-21-5407-5533
Fax: 86-21-5407-5066
China - Shenyang
Tel: 86-24-2334-2829
Fax: 86-24-2334-2393
China - Shenzhen
Tel: 86-755-8203-2660
Fax: 86-755-8203-1760
China - Wuhan
Tel: 86-27-5980-5300
Fax: 86-27-5980-5118
China - Xiamen
Tel: 86-592-2388138
Fax: 86-592-2388130
China - Xian
Tel: 86-29-8833-7252
Fax: 86-29-8833-7256
China - Zhuhai
Tel: 86-756-3210040
Fax: 86-756-3210049
ASIA/PACIFIC
India - Bangalore
Tel: 91-80-3090-4444
Fax: 91-80-3090-4080
India - New Delhi
Tel: 91-11-4160-8631
Fax: 91-11-4160-8632
India - Pune
Tel: 91-20-2566-1512
Fax: 91-20-2566-1513
Japan - Yokohama
Tel: 81-45-471- 6166
Fax: 81-45-471-6122
Korea - Daegu
Tel: 82-53-744-4301
Fax: 82-53-744-4302
Korea - Seoul
Tel: 82-2-554-7200
Fax: 82-2-558-5932 or
82-2-558-5934
Malaysia - Kuala Lumpur
Tel: 60-3-6201-9857
Fax: 60-3-6201-9859
Malaysia - Penang
Tel: 60-4-227-8870
Fax: 60-4-227-4068
Philippines - Manila
Tel: 63-2-634-9065
Fax: 63-2-634-9069
Singapore
Tel: 65-6334-8870
Fax: 65-6334-8850
Taiwan - Hsin Chu
Tel: 886-3-6578-300
Fax: 886-3-6578-370
Taiwan - Kaohsiung
Tel: 886-7-536-4818
Fax: 886-7-536-4803
Taiwan - Taipei
Tel: 886-2-2500-6610
Fax: 886-2-2508-0102
Thailand - Bangkok
Tel: 66-2-694-1351
Fax: 66-2-694-1350
EUROPE
Austria - Wels
Tel: 43-7242-2244-39
Fax: 43-7242-2244-393
Denmark - Copenhagen
Tel: 45-4450-2828
Fax: 45-4485-2829
France - Paris
Tel: 33-1-69-53-63-20
Fax: 33-1-69-30-90-79
Germany - Munich
Tel: 49-89-627-144-0
Fax: 49-89-627-144-44
Italy - Milan
Tel: 39-0331-742611
Fax: 39-0331-466781
Netherlands - Drunen
Tel: 31-416-690399
Fax: 31-416-690340
Spain - Madrid
Tel: 34-91-708-08-90
Fax: 34-91-708-08-91
UK - Wokingham
Tel: 44-118-921-5869
Fax: 44-118-921-5820
WORLDWIDE SALES AND SERVICE
03/26/09
Products related to this Datasheet
IC DAC 12BIT V-OUT SOT23-6
IC DAC 12BIT V-OUT SOT23-6
IC DAC 12BIT V-OUT SOT23-6
IC DAC 12BIT V-OUT SOT23-6
MCP4725 DAC BREAKOUT
IC DAC 12BIT V-OUT SOT23-6
GRAVITY: I2C 12-BIT DAC MODULE
BOARD EVAL FOR MCP4725
BOARD DAUGHTER PICTAIL MCP4725
IC DAC 12BIT V-OUT SOT23-6
IC DAC 12BIT V-OUT SOT23-6
IC DAC 12BIT V-OUT SOT23-6
IC DAC 12BIT V-OUT SOT23-6
IC DAC 12BIT V-OUT SOT23-6
IC DAC 12BIT V-OUT SOT23-6
IC DAC 12BIT V-OUT SOT23-6
IC DAC 12BIT V-OUT SOT23-6