able; 0mm
mNArnzzl NINArBfiE
UBX-18006649 - R07
C1 - Public www.u-blox.com
NINA-B2 series
Stand-alone dual-mode Bluetooth modules
Data sheet
Abstract
This technical data sheet describes the NINA-B2 series stand-alone dual-mode Bluetooth® modules.
The NINA-B2 modules come with pre-flashed application software, dual-mode Bluetooth (Bluetooth
BR/EDR and Bluetooth Low Energy). The module has a number of imp
ortant security features
embedded, including secure boot, which ensures that only authenticated software can run on the
module. This makes NINA-B2 ideal for critical IoT applications where security is important.

NINA-B2 series - Data sheet
UBX-18006649 - R07 Document information Page 2 of 46
C1 - Public
Document information
Title NINA-B2 series
Subtitle Stand-alone dual-mode Bluetooth modules
Document type Data sheet
Document number UBX-18006649
Revision and date R07 18-Sep-2020
Disclosure Restriction C1 - Public
Product status Corresponding content status
Functional Sample Draft For functional testing. Revised and supplementary data will be published later.
In Development /
Prototype
Objective Specification Target values. Revised and supplementary data will be published later.
Engineering Sample Advance Information Data based on early testing. Revised and supplementary data will be published later.
Initial Production Early Production Information Data from product verification. Revised and supplementary data may be published later.
Mass Production /
End of Life
Production Information Document contains the final product specification.
This document applies to the following products:
Product name Type number
u-connectXpress
software version
Hardware
version PCN reference Product status
NINA-B221 NINA-B221-00B-01 1.0.0 06 UBX-19051875 Initial production
NINA-B221-02B-00 3.0.0 07 N/A Initial production
NINA-B222 NINA-B222-00B-01 1.0.0 06 UBX-19051875 Initial production
NINA-B222-02B-00 3.0.0 07 N/A Initial production
u-blox or third parties may hold intellectual property rights in the products, names, logos and designs included in this
document. Copying, reproduction, modification or disclosure to third parties of this document or any part thereof is only
permitted with the
express written permission of u-blox.
The information contained herein is provided “as is” and u
-blox assumes no liability for its use. No warranty, either express or
implied, is given, including but not limited to, with respect to the accuracy, correctnes
s, reliability and fitness for a particular
purpose of the information. This document may be revised by u
-blox at any time without notice. For the most recent
documents, visit www.u
-blox.com.
Copyright © u
-blox AG.
blox
NINA-B2 series - Data sheet
UBX-18006649 - R07 Contents Page 3 of 46
C1 - Public
Contents
Document information ............................................................................................................................. 2
Contents ....................................................................................................................................................... 3
1 Functional description ....................................................................................................................... 6
1.1 Overview ........................................................................................................................................................ 6
1.2 Applications ................................................................................................................................................. 6
1.3 Product features ......................................................................................................................................... 7
1.4 Block diagram .............................................................................................................................................. 8
1.5 Product variants .......................................................................................................................................... 8
1.5.1 NINA-B221 ........................................................................................................................................... 8
1.5.2 NINA-B222 ........................................................................................................................................... 8
1.6 Radio performance ..................................................................................................................................... 9
1.7 Software options ......................................................................................................................................... 9
1.7.1 AT command support ........................................................................................................................ 9
1.7.2 Software upgrade ............................................................................................................................... 9
1.8 MAC addresses ........................................................................................................................................... 9
2 Interfaces ........................................................................................................................................... 11
2.1 Power supply .............................................................................................................................................. 11
2.1.1 Module supply input (VCC) ............................................................................................................. 11
2.1.2 Digital I/O interfaces reference voltage (VCC_IO) ...................................................................... 11
2.2 System functions ...................................................................................................................................... 11
2.2.1 Module power on ............................................................................................................................... 11
2.2.2 Module power off .............................................................................................................................. 11
2.2.3 Active mode ....................................................................................................................................... 12
2.2.4 Standby mode ................................................................................................................................... 12
2.2.5 Sleep mode ......................................................................................................................................... 12
2.2.6 Stop mode .......................................................................................................................................... 12
2.2.7 Module reset ...................................................................................................................................... 12
2.2.8 Boot strapping pin ............................................................................................................................ 13
2.3 RF antenna interface ................................................................................................................................ 13
2.3.1 Internal antenna ................................................................................................................................ 13
2.3.2 External RF antenna interface ....................................................................................................... 14
2.4 IO signals ..................................................................................................................................................... 14
2.4.1 System status IO signals ................................................................................................................ 14
2.4.2 System control IO signals ............................................................................................................... 14
2.4.3 UART IO signals ................................................................................................................................ 14
2.5 Data and command interfaces ............................................................................................................... 15
2.5.1 UART ................................................................................................................................................... 15
2.5.2 SPI ........................................................................................................................................................ 16
3 Pin definition...................................................................................................................................... 17
3.1 Pin assignment .......................................................................................................................................... 17
blox
NINA-B2 series - Data sheet
UBX-18006649 - R07 Contents Page 4 of 46
C1 - Public
4 Electrical specifications ................................................................................................................. 19
4.1 Absolute maximum ratings .................................................................................................................... 19
4.1.1 Maximum ESD ratings ..................................................................................................................... 19
4.2 Operating conditions ................................................................................................................................ 19
4.2.1 Operating temperature range ........................................................................................................ 20
4.2.2 Supply/Power pins ............................................................................................................................ 20
4.2.3 RESET_N pin ...................................................................................................................................... 20
4.2.4 Digital pins.......................................................................................................................................... 20
4.2.5 Current consumption ....................................................................................................................... 21
4.2.6 Bluetooth radio characteristics ..................................................................................................... 21
4.2.7 Bluetooth Low Energy characteristics ......................................................................................... 22
4.2.8 Antenna radiation patterns ............................................................................................................ 22
5 Mechanical specifications ............................................................................................................. 24
5.1 NINA-B221 mechanical specification ................................................................................................... 24
5.2 NINA-B222 mechanical specification ................................................................................................... 25
6 Qualification and approvals .......................................................................................................... 26
6.1 Country approvals ..................................................................................................................................... 26
6.2 European Union regulatory compliance ............................................................................................... 26
6.2.1 Radio Equipment Directive (RED) 2014/53/EU .......................................................................... 26
6.2.2 Compliance with the RoHS directive ............................................................................................ 26
6.3 FCC/IC compliance .................................................................................................................................... 26
6.3.1 FCC compliance ................................................................................................................................ 26
6.3.2 FCC statement .................................................................................................................................. 26
6.3.3 RF-exposure statement .................................................................................................................. 27
6.3.4 End product user manual instructions ........................................................................................ 27
6.3.5 End product labeling requirements .............................................................................................. 28
6.3.6 End product compliance .................................................................................................................. 29
6.4 Japan radio equipment compliance ...................................................................................................... 29
6.5 NCC Taiwan compliance .......................................................................................................................... 30
6.5.1 Taiwan NCC Warning Statement .................................................................................................. 30
6.5.2 NINA-B221 labeling requirements for end product ................................................................... 30
6.5.3 NINA-B222 labeling requirements for end product ................................................................... 30
6.6 KCC South Korea compliance ................................................................................................................. 30
6.7 Brazil compliance ...................................................................................................................................... 31
6.8 Australia and New Zealand regulatory compliance ........................................................................... 31
6.9 South Africa regulatory compliance ..................................................................................................... 32
6.10 Safety compliance .................................................................................................................................... 32
6.11 Bluetooth qualification information ...................................................................................................... 32
7 Antennas ............................................................................................................................................ 33
7.1 Antenna accessories ................................................................................................................................ 34
7.2 Approved antennas .................................................................................................................................. 34
7.2.1 Single band antennas ...................................................................................................................... 34
blox
NINA-B2 series - Data sheet
UBX-18006649 - R07 Contents Page 5 of 46
C1 - Public
7.2.2 Dual-band antennas ......................................................................................................................... 38
8 Product handling .............................................................................................................................. 39
8.1 Packaging ................................................................................................................................................... 39
8.1.1 Reels .................................................................................................................................................... 39
8.1.2 Tapes ................................................................................................................................................... 39
8.2 Moisture sensitivity levels ....................................................................................................................... 41
8.3 Reflow soldering ........................................................................................................................................ 41
8.4 ESD precautions ........................................................................................................................................ 41
9 Labeling and ordering information ............................................................................................. 42
9.1 Product labeling ......................................................................................................................................... 42
9.2 Explanation of codes ................................................................................................................................ 43
9.3 Ordering information ................................................................................................................................ 43
Appendix .................................................................................................................................................... 44
A Glossary .............................................................................................................................................. 44
Related documents ................................................................................................................................ 45
Revision history ....................................................................................................................................... 45
Contact ....................................................................................................................................................... 46
blox
NINA-B2 series - Data sheet
UBX-18006649 - R07 Functional description Page 6 of 46
C1 - Public
1 Functional description
1.1 Overview
The NINA-B2 series are small, stand-alone dual-mode Bluetooth modules designed for ease-of-use
and integration in professional applications. The modules are delivered with u-connectXpress
software that provides support for both peripheral and central roles, Serial Port Profile, GATT client
and server, beacons, u-blox Bluetooth Low Energy Serial Port Service – all configurable from a host
using AT commands.
The NINA-B2 modules provide top grade security, thanks to secure boot, which ensures the module
only boots up with original u-blox software. Intended applications include industrial automation,
wireless-connected and configurable equipment, point-of-sales, and health devices.
NINA-B222 comes with an internal antenna while NINA-B221 has a pin for use with an external
antenna.
NINA-B2 complies with RED standards and is certified as a modular transmitter in the following
countries: US (FCC), Canada (IC / ISED RSS), Japan (MIC), Taiwan (NCC), South Korea (KCC), Australia
/ New Zealand (ACMA), Brazil (Anatel), South Africa (ICASA). The modules are qualified according to
ISO 16750 for professional grade operation, supporting an extended temperature range of –40 °C to
+85 °C.
1.2 Applications
• Internet of Things (IoT)
• Bluetooth networks
• Telematics
• Point-of-sales
• Medical and industrial networking
• Access to laptops, mobile phones, and similar consumer devices
• Home/building automation
• Ethernet/Wireless gateway

NINA-B2 series - Data sheet
UBX-18006649 - R07 Functional description Page 7 of 46
C1 - Public
1.3 Product features
Table 1: NINA-B2 series main features summary
NINA-B221
Grade
Automotive
Professional
• •
Standard
Radio
Chip inside
ESP32
Bluetooth qualif
Bluetooth low energy]
Bluetooth BR/EDR
Bluetooth output power EIRP [dBm]
8 8
Max range [meters]
Application software
• •
Interfaces
u-connectXpress software
SPI
1 1
GPIO pins
21 21
Features
AT command interface
• •
Simultaneous GATT server and client
Low Energy Serial Port Service
Throughput [Mbit/s]
pin = Antenna pin
UART
1 1
Antenna type
pin metal
• •
v4.2 v4.2
• •
• •
200 200
NINA-B222
1. 0 1. 0
• •
metal = Internal metal PIFA antenna
ication
H
NINA-B2 series - Data sheet
UBX-18006649 - R07 Functional description Page 8 of 46
C1 - Public
1.4 Block diagram
Figure 1: Block diagram of NINA-B2 series
1.5 Product variants
The NINA-B2 series modules come with pre-flashed application software, supporting Bluetooth
BR/EDR and Bluetooth Low Energy v4.2. The host system can set up and control the module through
the AT command interface. See u-connect AT commands manual [3] for more information about AT
commands.
1.5.1 NINA-B221
The NINA-B221 module has no internal antenna. Instead the RF signal is available at a module pin for
routing to an external antenna or antenna connector. The module outline is smaller in comparison to
the module variants that include an antenna, and is only 10.0 x 10.6 mm. The module height is 2.2 mm.
1.5.2 NINA-B222
The NINA-B222 module has an internal PIFA antenna mounted on the module. The RF signal is not
connected to any module pin. The module outline is 10.0 x 14.0 mm and the height 3.8 mm.
Flash (16 Mbit)
Linear voltage regulators
RF
ROM
IO Buffers
2xXtensa 32-bit LX6 MCU
S
RAM (4 Mbit)
Cryptographic
hardware
accelerators
PIFA antenna
(NINA-B222)
PLL
Quad SPI
VCC_IO
VCC (3.0
- 3.6V)
40 MHz
Reset
UART
EFUSE
GPIO
BPF
ANT (NINA-
B221)
Bluetooth
baseband
SPI

NINA-B2 series - Data sheet
UBX-18006649 - R07 Functional description Page 9 of 46
C1 - Public
1.6 Radio performance
The NINA-B2 modules support Bluetooth BR/EDR and Bluetooth Low Energy (LE) as described in
Table 2.
Bluetooth BR/EDR Bluetooth Low Energy
Bluetooth v4.2+EDR
Maximum number of slaves: 7
Bluetooth LE 4.2 dual-mode
Band support
2.4 GHz, 79 channels
Band support
2.4 GHz, 40 channels
Typical conducted output power
- 1 Mbit/s: 5 dBm
- 2/3 Mbit/s: 5 dBm
Typical conducted output power
5 dBm
Typical radiated output power
- 1 Mbit: 8 dBm EIRP*
- 2/3 Mbit/s: 8 dBm EIRP*
Typical radiated output power
8 dBm EIRP*
Conducted sensitivity
-88 dBm
Conducted sensitivity
-88 dBm
Data rates:
1 / 2 / 3 Mbit/s
Data rates:
1 Mbit/s
* RF power including maximum antenna gain (3 dBi).
Table 2: NINA-B2 series Bluetooth characteristics
1.7 Software options
The NINA-B2 series modules come with the pre-flashed application software, supporting Bluetooth
BR/EDR and Bluetooth Low Energy. The host system can set up and control the module through the
AT command interface. The NINA-B2 modules provide top grade security, thanks to secure boot,
which ensures the module boots up only with original u-blox software. This makes NINA-B2 ideal for
critical IoT applications where security is important.
1.7.1 AT command support
You can configure the NINA-B2 modules with the u-blox s-center toolbox software using AT
commands. See u-connect AT commands manual [3] and u-connectXpress software user guide [7]
for information about supported AT commands.
The s-center evaluation software supporting the AT commands is also available free of charge and
can be downloaded from the u-blox website.
1.7.2 Software upgrade
Information on how to upgrade the software for NINA-B2 series is provided in section 2.4.2 and in the
NINA-B2 series system integration manual [1].
1.8 MAC addresses
The NINA-B2 module series has four unique consecutive MAC addresses reserved for each module
and the addresses are stored in the configuration memory during production. The first Bluetooth
address is available in the Data Matrix on the label (see section 9.1).
MAC address Assignment
Last bits of MAC address Example
Module 1, address 1 Bluetooth 00
D4:CA:6E:90:04:90
Module 1, address 2 Reserved 01
D4:CA:6E:90:04:91
Module 1, address 3 Reserved 10
D4:CA:6E:90:04:92

NINA-B2 series - Data sheet
UBX-18006649 - R07 Functional description Page 10 of 46
C1 - Public
MAC address Assignment
Last bits of MAC address Example
Module 1, address 4 Reserved 11
D4:CA:6E:90:04:93
Module 2, address 1 Bluetooth 00 D4:CA:6E:90:04:94
Module 2, address 2 Reserved 01 D4:CA:6E:90:04:95
Module 2, address 3 Reserved 10 D4:CA:6E:90:04:96
Module 2, address 4 Reserved 11 D4:CA:6E:90:04:97
Table 3: Example MAC addresses assignment for two modules
blox
NINA-B2 series - Data sheet
UBX-18006649 - R07 Interfaces Page 11 of 46
C1 - Public
2 Interfaces
2.1 Power supply
The power for NINA-B2 series modules is supplied through VCC and VCC_IO pins by DC voltage.
☞ The system power supply circuit must be able to support peak power (add 20% as margin over the
listed type current consumption), as during operation, the current drawn from VCC and VCC_IO
can vary significantly based on the use cases.
2.1.1 Module supply input (VCC)
The NINA-B2 series modules use an integrated Linear Voltage converter to transform the supply
voltage presented at the VCC pin into a stable system voltage.
2.1.2 Digital I/O interfaces reference voltage (VCC_IO)
All modules in the NINA-B2 series provide an additional voltage supply input for setting the I/O voltage
level. The separate VCC_IO pin enables integration of the module in many applications with different
voltage levels (for example, 1.8 V or 3.3 V) without any level converters. The NINA-B2 modules support
only 3.3 V as IO voltage level currently.
2.2 System functions
NINA-B2 series modules are power efficient devices capable of operating in different power saving
modes and configurations. Different sections of the modules can be powered off when they are not
needed, and complex wake up events can be generated from different external and internal inputs.
The next sections describe the system power modes in detail as well as power-on/off and reset
behavior, and boot strapping options.
The following system power modes available:
• Automatic:
o Active mode
o Standby mode
• Manual:
o Sleep mode
o Stop mode
2.2.1 Module power on
You can switch on or reboot the NINA-B2 series modules in one of the following ways:
• Rising edge on the VCC pin to a valid supply voltage
• Issuing a reset of the module (see section 2.2.7)
If the u-connect software has been configured to start in AT mode, +STARTUP will be sent over the
UART interface when the software has booted and is ready to accept commands.
2.2.2 Module power off
There is no dedicated pin to power down the NINA-B2 series modules. Instead, the “Stop” power mode
can be used to keep the module the module in the deepest power save mode. The stop mode is more
power efficient than holding the module in reset.
blox
NINA-B2 series - Data sheet
UBX-18006649 - R07 Interfaces Page 12 of 46
C1 - Public
2.2.3 Active mode
In this mode the module is actively transmitting or receiving data over one or more of its interfaces;
2.4 GHz radio, UART etc. The module CPU is operating at its highest clock speed. The module will
switch between Active mode and Standby mode automatically and seamlessly without user
involvement.
2.2.4 Standby mode
In this mode the module is considered to be “idling”, with only background activity. Any radio or
physical connections are maintained and no data packets will be lost if received in this mode. When
required, the module will automatically and without delay enter Active mode.
The user can further decrease the current consumption in Standby mode by:
• Enabling Automatic Frequency Adaption (AFA)
• Increasing the Bluetooth low energy connection interval
Automatic Frequency Adaption (AFA) allows the internal clocks to be automatically reduced whenever
possible. This is configured using the AT+UPWRMNG command.
☞ Enabling AFA can put limits on certain module functions, maximum UART baud rate etc. Check
the u-connect AT commands manual [3] to determine which clock speeds are acceptable for your
application.
☞ See the u-connect AT commands manual [3] and u-connectXpress software user guide [7] for
more information on how to use AT commands to configure the u-connectXpress software.
2.2.5 Sleep mode
☞ Sleep mode is not available in NINA-B2.
2.2.6 Stop mode
Stop mode is the deepest power saving mode of the NINA-B2 modules. During Stop mode, all
functionality is stopped to ensure minimum power consumption; all existing connections will be
dropped, and the system RAM will not be retained. The module always reboots when waking up from
Stop mode.
Stop mode must be actively entered into by the user in one of the following ways:
• Using the AT&D4 command, and the UART DSR pin to enter/leave Stop mode
• Using the AT+USTOP command, and a GPIO pin set by the user to enter/leave Stop mode. See
Table 6 for GPIOs capable of controlling Stop mode.
• Using the AT+USTOP command, and setting a timer to automatically wake up after a delay set
by the user.
If the u-connect software has been configured to start in AT mode, +STARTUP will be sent over the
UART interface when the software has booted and is ready to accept commands.
☞ See the u-connect AT commands manual [3] and u-connectXpress software user guide [7] for
more information on how to use AT commands to configure the u-connectXpress software.
2.2.7 Module reset
The NINA-B2 series modules can be reset (rebooted) in the following way:

NINA-B2 series - Data sheet
UBX-18006649 - R07 Interfaces Page 13 of 46
C1 - Public
• Low level on the RESET_N pin, which is normally set high by an internal pull-up. This results in a
“hardware” reset of the module. The RESET_N signal should be driven by an open drain, open
collector or contact switch.
☞ The NINA-B2 series modules can be reset using an AT command (see u-connect AT commands
manual [3]). This causes a “software reset” of the module.
☞ Holding the module in reset does not result in the lowest power consumption. Instead, put the
module in “Stop mode” (see section 2.2.6).
2.2.8 Boot strapping pin
There are several boot configuration pins available on the module that must have the correct settings
during boot (see Table 4). The boot strap pins are configured to the default state internally on the
module and must NOT be configured externally.
During boot, pin 32 controls if additional system information should be transmitted on the UART
interface during startup. After the system has booted it is reconfigured to SPI_CS, the SPI chip select
signal.
During boot, pin 36 controls the voltage level of the internal flash during startup. After the system
has booted it is reconfigured to SPI_MISO, the SPI slave data output signal. It must NOT be pulled
down by an external MCU or circuitry
Pin State during boot Default Behavior Description
27 0 ESP boot mode (factory boot) ESP Factory boot Mode
1 Pull-up* Normal Boot from internal Flash
32 0 Silent Printout on UART0 TXD
during boot
1 Pull-up* UART0 TXD Toggling
36 0 VDD_SDIO=3.3V (Not allowed) Internal flash voltage
1 10 kΩ pull-up VDD_SDIO=1.8V
(VDD_SDIO should always be at 1.8 V)
*About 30 kΩ
Table 4: NINA-B2 series boot strapping pin
2.3 RF antenna interface
The RF antenna interface of the NINA-B2 series supports Bluetooth BR/EDR and Bluetooth Low
Energy on the same RF antenna signal. The module is equipped with a 2.4 GHz bandpass filter
between the radio chip and RF antenna interface (see section 1.4).
The NINA-B2 series supports either an internal antenna (NINA-B222) or external antennas connected
through an antenna pin (NINA-B221).
2.3.1 Internal antenna
NINA-B222 has internal antenna specifically designed and optimized for the NINA module, which is a
2.4 GHz PIFA antenna.
It is recommended to place the NINA-B222 module in such a way that the internal antenna is in the
corner of the host PCB (the corner closest to Pin 16 should be in the corner). The antenna side (short
side closest to the antenna), positioned along one side of the host PCB ground plane is the second
best option.
For NINA-B222 keep a minimum clearance of 5 mm between the antenna and the casing. Keep a
minimum of 10 mm free space from the metal around the antenna including the area below. If a metal
enclosure is required, use NINA-B221 and an external antenna. It is beneficial to have a large solid

NINA-B2 series - Data sheet
UBX-18006649 - R07 Interfaces Page 14 of 46
C1 - Public
ground plane on the host PCB and have a good grounding on the module. Minimum ground plane size
is 24x30 mm but recommended is more than 50x50 mm.
See the NINA-B2 series system integration manual [1] for more antenna related design information.
⚠ The ANT signal is not available at the solder pins of the NINA-B222 module.
2.3.2 External RF antenna interface
The NINA-B221 module has an antenna signal (ANT) pin with a characteristic impedance of 50 Ω for
using an external antenna. The antenna signal supports both Tx and Rx.
The external antenna, for example, can be an SMD antenna (or PCB integrated antenna) on the host
board. An antenna connector for using an external antenna via a coaxial cable could also be
implemented. A cable antenna might be necessary if the module is mounted in a shielded enclosure
such as a metal box or cabinet.
An external antenna connector (U.FL. connector) reference design (see NINA-B2 series system
integration manual [1]) is available and must be followed to comply with the NINA-B2 FCC/IC modular
approvals. Also see the list of approved antennas (section 7.2).
2.4 IO signals
2.4.1 System status IO signals
The RED, GREEN and BLUE pins are used to signal the status. They are active low and are intended
to be routed to an RGB LED. See the u-connect AT commands manual [3] for more information about
connectivity software signals IOs.
Mode Status RGB LED color GREEN BLUE RED
Data mode IDLE Green LOW HIGH HIGH
Command mode IDLE Orange LOW HIGH LOW
Data mode, Command mode CONNECTING* Purple HIGH LOW LOW
Data mode, Command mode CONNECTED* Blue HIGH LOW HIGH
* = LED flashes on data activity
Table 5: System status indication
2.4.2 System control IO signals
The following input signals are used to control the system (see u-connect AT commands manual [3]
for more information about connectivity software signals IOs):
• RESET_N is used to reset the system. See section 2.4 for detailed information.
• If SWITCH_1 is driven low during start up, the UART serial settings are restored to their default
values.
• SWITCH_2 can be used to open a connection to a peripheral device.
• If both SWITCH_1 and SWITCH_2 are driven low during start up, the system will enter the
bootloader mode.
• If both SWITCH_1 and SWITCH_2 are driven low during start up and held low for 10 seconds, the
system will exit the bootloader mode and restore all settings to their factory defaults.
2.4.3 UART IO signals
In addition to the normal RXD, TXD, CTS, and RTS signals, described in section 2.5.1, the NINA-B2
software adds the DSR and DTR pins to the UART interface. Note that they are not used as originally
intended, but to control the state of the NINA module. Depending on the current configuration, the
DSR pin can be used to:
NINA-B2 series - Data sheet
UBX-18006649 - R07 Interfaces Page 15 of 46
C1 - Public
• Enter command mode
• Disconnect and/or toggle connectable status
• Enable/disable the rest of the UART interface
• Enter/leave Stop mode
2.5 Data and command interfaces
There are two data interfaces available on a NINA-B2 module: UART and SPI. Both interfaces cannot
be used at the same time. After the module has booted, the module will check for activity on both
interfaces to determine which of the interfaces should be used. AT commands can always be used to
enable or disable interfaces manually. Figure 2 shows the startup and interface selection procedure.
Figure 2: Interface detection flow chart
☞ +STARTUP will always be printed on the UART TXD line.
When the SPI detection is started, the NINA-B2 module will start toggling the SPI_DRDY signal
periodically. Once the SPI master has sent 8 clock signals on the SPI_SCLK line, the SPI interface is
considered to be active and the UART interface is disabled.
If an AT command is sent to the NINA-B2 module over the UART interface, the UART interface will be
considered “detected”, and the SPI_DRDY signal will stop toggling and the SPI interface will be
disabled.
☞ See the u-connectXpress Software User Guide [7] for more information on how to use these data
and command interfaces.
2.5.1 UART
The NINA-B2 modules include a 6-wire UART for communication with an application host processor
(AT commands, Data communication and software upgrades).
The following UART signals are available:
• Data lines (RXD as input, TXD as output)
• Hardware flow control lines (CTS as input, RTS as output)
• Link status (DSR as input, DTR as output). The DSR/DTR signals behavior is adapted to the u-
connectXpress software functionality and differs from the UART standard, see section 2.4.3 for
additional information.
• Programmable baud-rate generator allows most industry standard rates, as well as non-standard
rates up to 3 Mbaud.
Enable UART
interface
Start SPI detection
Start UART detection
UART
detected?
Stop UART detection
Disable UART interface
Stop SPI detection
Disable SPI interface
SPI
detected?
SPI
UART
Enabled
Interfaces
no
no
yes
yes
Send +STARTUP
on
UART interface
blox
NINA-B2 series - Data sheet
UBX-18006649 - R07 Interfaces Page 16 of 46
C1 - Public
• Frame format configuration:
• 8 data bits
• Even or no-parity bit
• 1 stop bit
• Default frame configuration is 8N1, meaning eight (8) data bits, no (N) parity bit, and one (1) stop
bit.
2.5.2 SPI
The serial peripheral interface of NINA-B2 only runs in “SPI slave mode”, meaning a host controller
running in “SPI master mode” is intended to send commands to the NINA module.
The following signals are used:
• SPI_SCLK – Serial clock input signal
• SPI_MOSI – Serial data input signal
• SPI_MISO – Serial data output signal
• SPI_CS – Chip Select input, enable control signal
• SPI_DRDY – (optional) Additional “Data Ready” output signal, used to indicate to the controller
when data is available. This signal can be disabled, but is enabled by default.
• SPI_NORX – (optional) Additional flow control output signal used to indicate when the NINA module
cannot receive any more data. This signal is not enabled by default.
An SPI master must comply with the following:
• 10 MHz maximum clock speed
• SPI mode 1 or 3
• The SPI master must clock at least 8 bytes minimum and 4096 bytes maximum per transaction,
and transaction lengths must be on 4 byte boundary
☞ See the following application note for more information on how to use the SPI interface [6].
NINA-B2 series - Data sheet
UBX-18006649 - R07 Pin definition Page 17 of 46
C1 - Public
3 Pin definition
3.1 Pin assignment
Figure 3 describes the pin configuration used in the NINA-B2 u-connectXpress software modules.
Figure 3: NINA-B22x pin assignment (top view)
☞ The grey pins in the center of the modules are GND pins. The lower part below the dotted line is
the antenna part of NINA-B222 and the outline of the NINA-B221 module ends at this line.
☞ Some of the signals are boot strap signals (see Table 6). It is important that these signals are in
the correct state during startup (see section 2.2.8).
Pin Name I/O Description Alt.
function
Remarks
1 RED O Logic Red LED signal GPIO_1 See section 2.4 for more info about IO functionality
2 GPI_2 I General Purpose Input WKUP_2 Can control Stop mode
3 GPI_3 I General Purpose Input WKUP_3 Can control Stop mode
4 GPI_4 I General Purpose Input WKUP_4 Can control Stop mode
5 GPIO_5 I/O General Purpose Input /Output
6 GND Ground
7 GREEN/
SWITCH_1
I/O GREEN: System status signal /
SWITCH_1: Multiple functions
GPIO_7 Active low.
See section 2.4 for more info about IO functionality
36
Top view
NINA-B22
16
17
18
19
20
21
22
23
24
25
26
27
2829
30
36
3534
3332
31
1
2
3
4
5
6
7
8
9
10 15
1413
12
11
RED
GPI_2
GPI_3
GPI_4
GND
GREEN/SWITCH_1
GPIO_24
SPI_DRDY
UART_RTS
UART_CTS
UART_TXD
UART_RXD
SYS_BOOT
GPIO_28
GPIO_29
GND
GND
GPIO_5
SWITCH_2
UART_DTR
VCC_IO
VCC
UART_DSR
RESET_N
GND
ANT
GND
RSVD
RSVD
BLUE
GPI_34
RSVD
LOG_BOOT/SPI_CS
SPI_SCLK
SPI_MOSI
SPI_MISO
OT/
NINA-B2 series - Data sheet
UBX-18006649 - R07 Pin definition Page 18 of 46
C1 - Public
Pin Name I/O Description Alt.
function
Remarks
8 BLUE O Logic Blue LED Signal GPIO_8 See section 2.4 for more info about IO functionality
9 VCC_IO I Module I/O level voltage input IO voltage supply
10 VCC I Module supply voltage input Module voltage supply
11 RSVD Reserved for future use Do not connect
12 GND Ground
13 ANT I/O Antenna Tx/Rx interface 50 Ω nominal characteristic impedance
14 GND Ground
15 RSVD Reserved for future use Do not connect
16 UART_DTR O UART Data Terminal Ready GPIO_16 The DTR signaling is not according to UART
standard (see section 2.4.3)
17 UART_DSR I UART Data Set Ready GPIO_17 The DSR signaling is not according to UART
standard (see section 2.4.3)
18 SWITCH_2 I Multiple functions GPIO_18
WKUP_18
Active low.
See section 2.4 for more info about IO functionality.
Can control Stop mode.
19 RESET_N I External system reset input Active low
20 UART_RTS O UART request to send GPIO_20 Hardware flow control signal.
Active low.
21 UART_CTS I UART clear to send GPIO_21 Hardware flow control signal. Active low.
22 UART_TXD O UART data output GPIO_22
23 UART_RXD I UART data input GPIO_23
24 GPIO_24 I/O General Purpose Input /Output
25 SPI_DRDY O SPI data ready output
26 GND Ground
27 SYS_BOOT I Software download GPIO_27 Bootstrap pin, see section 2.2.8
28 GPIO_28 I/O General Purpose Input /Output
29 GPIO_29 I/O General Purpose Input /Output
30 GND Ground
31 SPI_SCLK I SPI clock input signal GPIO_31
WKUP_31
Can control Stop mode
32
LOG_BOOT/
SPI_CS
I
Debug printout on UART enable/
SPI chip select signal
Bootstrap pin, see section 2.2.8
33 RSVD Reserved for future use Do not connect
34 GPI_34 I General Purpose Input WKUP_34 Can control Stop mode
35 SPI_MOSI I SPI serial data in signal GPIO_35
WKUP_34
Can control Stop mode
36 SPI_MISO O SPI serial data out signal Bootstrap pin, see section 2.2.8
Table 6: NINA-B2 pinout

NINA-B2 series - Data sheet
UBX-18006649 - R07 Electrical specifications Page 19 of 46
C1 - Public
4 Electrical specifications
⚠ Stressing the device above one or more of the ratings listed in the Absolute maximum rating
section may cause permanent damage. These are stress ratings only. Operating the module at
these or at any conditions other than those specified in the Operating conditions section of this
document should be avoided. Exposure to absolute maximum rating conditions for extended
periods may affect device reliability.
☞ Operating condition ranges define those limits within which the functionality of the device is
guaranteed. Where application information is given, it is advisory only and does not form part of
the specification.
4.1 Absolute maximum ratings
Symbol Description Condition Min Max Unit
VCC/ VCC_IO Module supply voltage Input DC voltage at VCC and VCC_IO pins -0.3 3.6 V
IVCC MAX +
IVCC_IO MAX
Absolute maximum power
consumption
500 mA
DPV Digital pin voltage Input DC voltage at any digital I/O pin -0.3 3.6 V
P_ANT Maximum power at receiver Input RF power at antenna pin 0 dBm
Tstr Storage temperature -40 +85 ºC
Table 7: Absolute maximum ratings
⚠ The product is not protected against overvoltage or reversed voltages. If necessary, voltage spikes
exceeding the power supply voltage specification, given in table above, must be limited to values
within the specified boundaries by using appropriate protection devices.
4.1.1 Maximum ESD ratings
Parameter Min Typ Max Unit Remarks
ESD immunity ±8* kV Indirect discharge according to IEC 61000-4-2
ESD sensitivity, tested for all pins except
ANT and RSVD pins #11, #15, #33
2.5 kV Human body model according to JEDEC JS001
*Tested on EVK-NINA-B2 evaluation board.
Table 8: Maximum ESD ratings
⚠ NINA-B2 series modules are Electrostatic Sensitive Devices and require special precautions while
handling. See section 8.4 for ESD handling instructions.
4.2 Operating conditions
⚠ Operation beyond the specified operating conditions is not recommended and extended exposure
beyond them may affect device reliability.
☞ Unless otherwise specified, all operating condition specifications are at an ambient temperature
of 25 °C and at a supply voltage of 3.3 V.

NINA-B2 series - Data sheet
UBX-18006649 - R07 Electrical specifications Page 20 of 46
C1 - Public
4.2.1 Operating temperature range
Parameter Min Max Unit
Operating temperature -40* +85 °C
* See voltage supply condition for lowest temperature range in section 4.2.2.
Table 9: Temperature range
4.2.2 Supply/Power pins
Symbol Parameter Condition Min Typ Max Unit
VCC Input supply voltage Ambient temperature -20 °C to +85 °C 3.00 3.30 3.60 V
Ambient temperature -40 °C to +85 °C 3.00 3.30 3.45 V
VCC_IO I/O reference voltage Ambient temperature -20 °C to +85 °C 3.00 3.30 3.60 V
Ambient temperature -40 °C to +85 °C 3.00 3.30 3.45 V
Table 10: Input characteristics of voltage supply pins
4.2.3 RESET_N pin
Pin name Parameter Min Typ Max Unit
RESET_N Low-level input 0 0.3*VCC V
Internal pull-up resistance 100 kΩ
Internal capacitance 10 nF
t_Startup Startup time after release of reset 2.6 s
Table 11: RESET_N pin characteristics
4.2.4 Digital pins
Pin name Parameter Min Typ Max Unit Remarks
Any digital pin Input characteristic:
Low-level input
0 0.3*VCC_IO V
Input characteristic:
high-level input
0.7*VCC_IO VCC_IO V
Output characteristic:
Low-level output
0 0.4 V
Output characteristic:
High-level output
VCC_IO-0.4 VCC_IO V
Drive strength 12 mA Push and pull
Pull-up/pull-down
resistance
30 kΩ
Signals rerouted
through the IO MUX
Output signal speed 20 MHz
Input signal speed 10 MHz The GPIO matrix
delays the input
signals by two cycles
of the (typically 80
MHz) AHB clock,
which equates to a 25
ns delay.
Table 12: Digital pin characteristics

NINA-B2 series - Data sheet
UBX-18006649 - R07 Electrical specifications Page 21 of 46
C1 - Public
4.2.5 Current consumption
Table 13 shows the typical and peak current consumption for NINA-B2 modules using
u-connectXpress v3.0.0 software. Unless stated otherwise, the module is powered at 3.3 V and uses
factory default configurations.
Radio mode Activity Power mode Role Typ Peak Unit Remarks
Bluetooth
BR/EDR
(Bluetooth LE
disabled)
Transmitting Active Slave/Master 150 250 mA UART running @ 3 Mbaud
Data throughput 1.25 Mbit/s
Receiving Active Slave/Master 110 250 mA UART running @ 3 Mbaud
Data throughput 1.25 Mbit/s
Connected Standby* Slave/Master 100 250 mA
Inquiry Standby* - 100 250 mA
Bluetooth LE
Transmitting Active Peripheral/Central 60 250 mA UART running @ 3 Mbaud
Data throughput 30 kbit/s
80 250 mA UART running @ 3 Mbaud
Data throughput 180 kbit/s
Receiving Active Peripheral/Central 50 250 mA UART running @ 3 Mbaud
Data throughput 30 kbit/s
60 250 mA UART running @ 3 Mbaud
Data throughput 180 kbit/s
Connected Standby* Peripheral 35 250 mA
Central 35 250 mA
Advertising Standby* Peripheral 30 250 mA
Discovery Standby* Central 100 250 mA
Idle Standby* Central 60 140 mA
Disabled None Standby* - 30 130 mA
Sleep - N/A N/A - Not available in NINA-B2
Stop - 5 70 uA
Reset Reset - 35 70 uA Module held in reset
Table 13: Current consumption of a NINA-B2 during typical use cases
*AFA enabled, minimum allowed clock speed set to 80 MHz.
4.2.6 Bluetooth radio characteristics
VCC = 3.3 V, Tamb = 25 °C
Parameter Operation Mode Specification / Typ Unit
RF Frequency Range 2.400 – 2.4835 GHz
Supported Modes Bluetooth v4.2+EDR
Number of channels 79
Modulation 1 Mbps GFSK (BDR)
2 Mbps
π
/4-DQPSK (EDR)
3 Mbps 8-DPSK (EDR)
Conducted Transmit Power 1 Mbps 5 ± 1 dBm
2/3 Mbps 5 ± 1 dBm
Conducted Receiver Sensitivity 1 Mbps -88 ± 2 dBm
NINA-B2 series - Data sheet
UBX-18006649 - R07 Electrical specifications Page 22 of 46
C1 - Public
Parameter Operation Mode Specification / Typ Unit
2 Mbps -86 ± 2 dBm
3 Mbps -80 ± 2 dBm
Table 14: Bluetooth radio characteristics
4.2.7 Bluetooth Low Energy characteristics
VCC = 3.3 V, Tamb = 25 °C
Parameter Specification / Typ Unit
RF Frequency Range 2.400 – 2.4835 GHz
Supported Modes Bluetooth v4.2
Number of channels 40
Modulation GFSK
Conducted Transmit Power 5 ± 1 dBm
Conducted Receiver Sensitivity -88 ± 2 dBm
Table 15: Bluetooth Low Energy characteristics
4.2.8 Antenna radiation patterns
Figure 4 provides an overview of the measurement procedure for determining radiation patterns, and
shows how the NINA-B222 module is aligned to the XYZ-coordinate system.
A measurement is taken at every dot in the figure to the left, and is represented as a grid point in the
radiation pattern to the right.
Figure 4: Measurement procedure for determining radiation patterns
oblox
Theta = 0, Phi = 0 Theta = 180, Phi = O
5‘
5.
z
Theta = 90, Phi = 0 Theta = 90, Phi = 180
Theta = 90, Phi = 270 Theta = 90, Phi = 90
z
NINA-B2 series - Data sheet
UBX-18006649 - R07 Electrical specifications Page 23 of 46
C1 - Public
Table 16 shows the radiation patterns of the internal PIFA antenna in NINA-B222.
Table 16: NINA-B222 antenna radiation patterns
Wei: »9
R
7 .
adnorn View
Top View
.dDDDDDDDDD;
,D.
i. .4. ieeun nin 6@
i. ‘u‘cm‘A
A
Parameter Description Typical Tolerance
A Module PCB length [mm] 10.6 (417.3 mil) +0.20/70.10 ins/V3.9 mil)
B Module PCB width [mm] 10.0 (393.7 mil) +0.20/70.10 ins/V3.9 mil)
0 Module thickness [mm] 2.2 (36.5 mil) +0.40/70.20 1+1 5.3/4.9
ccc Seating plane coplanarity [mm] 0.10 (3.9 mil) +0.02/70.10 Hos/V3.9 mil)
D Horizontal edge to lateral pin 1 edge [mm] 0.45 (17.7 mil) +0.10/70.10 Has/V3.9 mil)
E Vertical and horizontal edge to lateral pin 1 edge [mm] 0.30 (11.8 mil) +0.10/70.10 Has/V3.9 mil)
F Vertical pin 1 edge to lateral pin edge [mm] 2.35 (92.5 mil) +0.05/70.05 “2-0/72-0 mil)
G Depanalizing residual [mm] 0.10 (3.9 mil) +0.25/70.10 Has/V3.9 mil)
H Lateral and antenna row pin to pin pitch [mm] 1.0 (39.4 mil) +0.05/70.05 “2-0/72-0 mil)
l Lateral and antenna row pinWidtn [mm] 0.70 (27.5 mil) +0.05/a .05 “2-0/72-0 mil)
J Lateral and antenna row pin height [mm] 1.15 (45.3 mil) +0.05/70.05 “2-0/72-0 mil)
K Horizontal pin1 edgeto central pin edge [mm] 2.73 (109.4 mil) +0.05/70.05 HEB/72.0fm”
L Vertical pin 1 edgeto central pin edge [mm] 2.63 (103.5 mil) +0.05/70 05 HEB/72.0fm”
M Horizontal pin 1 edge to inner row pin edge [mm] 1.45 (57.1 mil) +0.05/a .05 “2-0/72-0 mil)
N Vertical pin 1 edgetolnner row pin edge [mm] 1.6 (63.0 mil) +0.05/70.05 HEB/72.0fm”
0 Central p'lri and inner row Width and height [mm] 0.70 (27.5 mil) +0.05/70.05 “2-0/72-0 mil)
P Central p'lri to centralpin pitch [mm] 1.15 (45.3 mil) +0.05/70 05 HEB/72.0fm”
0 lnner row pin to pin pitch [mm] 1.1 (43.3 mil) +0.05/a .05 “2-0/72-0 mil)
R Horizontal pin 1 edge to antenna rcw p'ln edge [mm] 8.7 (342.5 mil) +0.05/70.05 “2-0/72-0 mil)
Module Weight [g] <1.0>1.0> NINA-B2 series - Data sheet
UBX-18006649 - R07 Mechanical specifications Page 24 of 46
C1 - Public
5 Mechanical specifications
5.1 NINA-B221 mechanical specification
Figure 5: NINA-B221 mechanical outline
Parameter
Description
Typical
Tolerance
A
Module PCB length [mm]
10.6
(417.3 mil)
+0.20/-0.10
(+7.9/-3.9 mil)
B
Module PCB width [mm]
10.0
(393.7 mil)
+0.20/-0.10
(+7.9/-3.9 mil)
C
Module thickness [mm]
2.2
(86.6 mil)
+0.40/-0.20
(+15.8/-7.9
ccc
Seating plane coplanarity [mm]
0.10
(3.9 mil)
+0.02/-0.10
(+0.8/-3.9 mil)
D
Horizontal edge to lateral pin 1 edge [mm]
0.45
(17.7 mil)
+0.10/-0.10
(+3.9/-3.9 mil)
E
Vertical and horizontal edge to lateral pin 1 edge [mm]
0.30
(11.8 mil)
+0.10/-0.10
(+3.9/-3.9 mil)
F
Vertical pin 1 edge to lateral pin edge [mm]
2.35
(92.5 mil)
+0.05/-0.05
(+2.0/-2.0 mil)
G
Depanalizing residual [mm]
0.10
(3.9 mil)
+0.25/-0.10
(+9.8/-3.9 mil)
H
Lateral and antenna row pin to pin pitch [mm]
1.0
(39.4 mil)
+0.05/-0.05
(+2.0/-2.0 mil)
I
Lateral and antenna row pin width [mm]
0.70
(27.6 mil)
+0.05/-0.05
(+2.0/-2.0 mil)
J
Lateral and antenna row pin height [mm]
1.15
(45.3 mil)
+0.05/-0.05
(+2.0/-2.0 mil)
K
Horizontal pin 1 edge to central pin edge [mm]
2.78
(109.4 mil)
+0.05/-0.05
(+2.0/-2.0 mil)
L
Vertical pin 1 edge to central pin edge [mm]
2.63
(103.5 mil)
+0.05/-0.05
(+2.0/-2.0 mil)
M
Horizontal pin 1 edge to inner row pin edge [mm]
1.45
(57.1 mil)
+0.05/-0.05
(+2.0/-2.0 mil)
N
Vertical pin 1 edge to Inner row pin edge [mm]
1.6
(63.0 mil)
+0.05/-0.05
(+2.0/-2.0 mil)
O
Central pin and inner row width and height [mm]
0.70
(27.6 mil)
+0.05/-0.05
(+2.0/-2.0 mil)
P
Central pin to central pin pitch [mm]
1.15
(45.3 mil)
+0.05/-0.05
(+2.0/-2.0 mil)
Q
Inner row pin to pin pitch [mm]
1.1
(43.3 mil)
+0.05/-0.05
(+2.0/-2.0 mil)
R
Horizontal pin 1 edge to antenna row pin edge [mm]
8.7
(342.5 mil)
+0.05/-0.05
(+2.0/-2.0 mil)
Module Weight [g]
<1.0
Table 17: NINA-B221 mechanical outline data
9
E
g
.
. .( MW . W.
J EDDDDDE .
o/ l
TE a a l: 9 3
LE D D a a III E“
, l—l , , l—l
M E! D D D Eh M
. m p m
i m D a D Q m
. J _ (j 22 9 ~ 1 -
””3ij l i l ¥ #
.
6%
‘4
Parameter Description Typical Tolerance
A Module PCS length [mm] 14.0 (551.2 mil) +0.20/ao.10 (+7.9/a3.9 mil)
B Module PCS width [mm] 10.0 (393.7 mil) +0.20/ao.10 (+7.9/a3.9 mil)
0 Module thickness [min] 3.8 (149.6 mil) +0.40/ao.20 (+15.8/a7.9
ccc Seating plane coplanarity [mm] 0.10 (3.9 mil) +0.02/ao.10 (+0.6/a3.9 mil)
D Horizontal edge to lateral pin 1 edge [mm] 0.45 (17.7 mil) +0.10/ao.10 (+3.9/a3.9 mil)
E Vertical and horizontal edge to lateral pin 1 edge [mm] 0.30 (11.8 mil) +0.10/ao.10 (+3.9/a3.9 mil)
F Vertical pin 1 edge to lateral pin edge [mm] 2.35 (92.5 mil) +0.05/ao.05 (+2.0/72.0 mil)
G Depanalizing residual [mm] 0.10 (3.9 mil) +0.25/ao.10 (+9.6/a3.9 mil)
H Lateral and antenna row pin to pin pitch [mm] 1.0 (39.4 mil) +0.05/ao.05 (+2.0/72.0 mil)
| Lateral and antenna row pin width [mm] 0.70 (27.6 mil) +0.05/ao.05 (+2.0/72.0 mil)
J Lateral and antenna row pin height [mm] 1.15 (45.3 mil) +0.05/ao.05 (+2.0/72.0 mil)
K Horizontal pin 1 edge to central pin edge [mm] 2.76 (109.4 mil) +0.05/ao.05 (+2.0/72.0 mil)
L Vertical pin 1 edge to central pin edge [mm] 2.63 (103.5 mil) +0.05/ao.05 (+2.0/72.0 mil)
M Horizontal pin 1 edgetoinner row pin edge [mm] 1.45 (57.1 mil) +0.05/ao.05 HEB/72.0fm”
N Vertical pin 1 edge to inner row pin edge [mm] 1.6 (63.0 mil) +0.05/ao.05 (+2.0/72.0 mil)
0 Central pin and inner row Width and height [min] 0.70 (27.6 mil) +0.05/a 05 (+2.0/72.0 mil)
P Central pin to central pin pitch [min] 1.15 (45.3 mil) +0.05/a .05 (+2.0/72.0 mil)
0 lnner row pin to pin pitch [mm] 1.1 (43.3 mil) +0.05/ao.05 (+2.0/72.0 mil)
R Horizontal pin 1 edge to antenna row pin edge [min] 6.7 (342.5 mil) +0.05/ao.05 (+2.0/72.0 mil)
6 PCB and shield cover thickness [min] 2.2 (66.6 mil) +0.40/a 20 (+15.8/a7.9
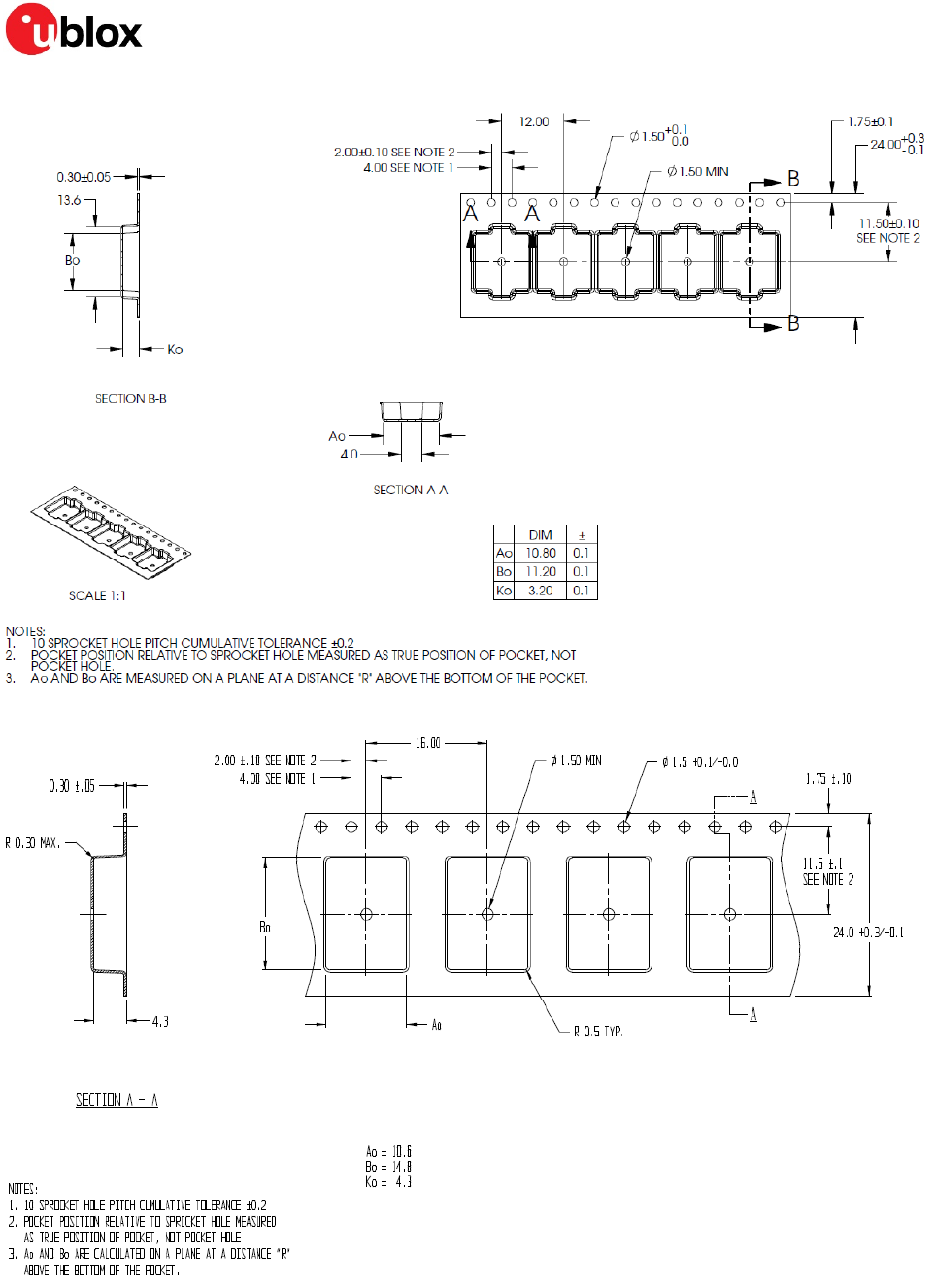
T Module antenna Width [mm] 3.8 (149.6 mil) +0.20/a .20 (+7.9/a7.9 mil)
u Antenna overhang outside module outline on any side 0.0 (0.0 mil) +0.60 (+236 mil)
Module weight [g] <1.0>1.0> NINA-B2 series - Data sheet
UBX-18006649 - R07 Mechanical specifications Page 25 of 46
C1 - Public
5.2 NINA-B222 mechanical specification
Figure 6: NINA-B222 mechanical outline
Parameter
Description
Typical
Tolerance
A
Module PCB length [mm]
14.0
(551.2 mil)
+0.20/-0.10
(+7.9/-3.9 mil)
B
Module PCB width [mm]
10.0
(393.7 mil)
+0.20/-0.10
(+7.9/-3.9 mil)
C
Module thickness [mm]
3.8
(149.6 mil)
+0.40/-0.20
(+15.8/-7.9
ccc
Seating plane coplanarity [mm]
0.10
(3.9 mil)
+0.02/-0.10
(+0.8/-3.9 mil)
D
Horizontal edge to lateral pin 1 edge [mm]
0.45
(17.7 mil)
+0.10/-0.10
(+3.9/-3.9 mil)
E
Vertical and horizontal edge to lateral pin 1 edge [mm]
0.30
(11.8 mil)
+0.10/-0.10
(+3.9/-3.9 mil)
F
Vertical pin 1 edge to lateral pin edge [mm]
2.35
(92.5 mil)
+0.05/-0.05
(+2.0/-2.0 mil)
G
Depanalizing residual [mm]
0.10
(3.9 mil)
+0.25/-0.10
(+9.8/-3.9 mil)
H
Lateral and antenna row pin to pin pitch [mm]
1.0
(39.4 mil)
+0.05/-0.05
(+2.0/-2.0 mil)
I
Lateral and antenna row pin width [mm]
0.70
(27.6 mil)
+0.05/-0.05
(+2.0/-2.0 mil)
J
Lateral and antenna row pin height [mm]
1.15
(45.3 mil)
+0.05/-0.05
(+2.0/-2.0 mil)
K
Horizontal pin 1 edge to central pin edge [mm]
2.78
(109.4 mil)
+0.05/-0.05
(+2.0/-2.0 mil)
L
Vertical pin 1 edge to central pin edge [mm]
2.63
(103.5 mil)
+0.05/-0.05
(+2.0/-2.0 mil)
M
Horizontal pin 1 edge to inner row pin edge [mm]
1.45
(57.1 mil)
+0.05/-0.05
(+2.0/-2.0 mil)
N
Vertical pin 1 edge to inner row pin edge [mm]
1.6
(63.0 mil)
+0.05/-0.05
(+2.0/-2.0 mil)
O
Central pin and inner row width and height [mm]
0.70
(27.6 mil)
+0.05/-0.05
(+2.0/-2.0 mil)
P
Central pin to central pin pitch [mm]
1.15
(45.3 mil)
+0.05/-0.05
(+2.0/-2.0 mil)
Q
Inner row pin to pin pitch [mm]
1.1
(43.3 mil)
+0.05/-0.05
(+2.0/-2.0 mil)
R
Horizontal pin 1 edge to antenna row pin edge [mm]
8.7
(342.5 mil)
+0.05/-0.05
(+2.0/-2.0 mil)
S
PCB and shield cover thickness [mm]
2.2
(86.6 mil)
+0.40/-0.20
(+15.8/-7.9
T
Module antenna width [mm]
3.8
(149.6 mil)
+0.20/-0.20
(+7.9/-7.9 mil)
U
Antenna overhang outside module outline on any side
0.0
(0.0 mil)
+0.60
(+23.6 mil)
Module weight [g]
<1.0
Table 18: NINA-B222 mechanical outline data
blox
NINA-B2 series - Data sheet
UBX-18006649 - R07 Qualification and approvals Page 26 of 46
C1 - Public
6 Qualification and approvals
6.1 Country approvals
The NINA-B2 module series is certified for use in the following countries/regions:
• Europe (RED)
• Canada (IC)
• USA (FCC)
• Taiwan (NCC)
• Japan (MIC)
• South Korea (KCC)
• Brazil (ANATEL)
• Australia and New Zeeland (ACMA)
• South Africa (ICASA)
See the following sections for additional information.
6.2 European Union regulatory compliance
Information about regulatory compliance of the European Union for NINA-B2 series modules is
available in the NINA-B2 declaration of conformity [4].
6.2.1 Radio Equipment Directive (RED) 2014/53/EU
The NINA-B2 series modules comply with the essential requirements and other relevant provisions of
Radio Equipment Directive (RED) 2014/53/EU.
6.2.2 Compliance with the RoHS directive
The NINA-B2 series modules complies with the Directive 2011/65/EU (EU RoHS 2) and its amendment
Directive (EU) 2015/863 (EU RoHS 3).
6.3 FCC/IC compliance
This device complies with Part 15 of the FCC Rules and with Industry Canada license-exempt RSS
standard(s).
⚠ Any changes or modifications NOT explicitly APPROVED by u-blox AG may cause the module to
not comply with the FCC rules part 15 thus void the user's authority to operate the equipment.
6.3.1 FCC compliance
The NINA-B2 modules are for OEM integrations only. The end product will be professionally installed
in such manner that only the authorized antennas can be used.
For NINA-B221, an external antenna connector (U.FL. connector) reference design is available and
must be followed to comply with the NINA-B2 FCC/IC modular approval. See the NINA-B2 series
system integration manual [1] for detailed information.
6.3.2 FCC statement
This device complies with Part 15 of the FCC Rules. Operation is subject to the following two
conditions:
1. This device may not cause harmful interference, and
blox
NINA-B2 series - Data sheet
UBX-18006649 - R07 Qualification and approvals Page 27 of 46
C1 - Public
2. This device must accept any interference received, including interference that may cause
undesired operation.
This equipment has been tested and found to comply with the limits for a Class B digital device,
pursuant to Part 15 of the FCC Rules. These limits are designed to provide reasonable protection
against harmful interference in a residential installation. This equipment generates, uses and can
radiate radio frequency energy and, if not installed and used in accordance with the instructions, may
cause harmful interference to radio communications. However, there is no guarantee that the
interference will not occur in a particular installation. If this equipment does cause harmful
interference to radio or television reception, which can be determined by turning the equipment off
and on, the user is encouraged to try to correct the interference by one or more of the following
measures:
• Reorient or relocate the receiving antenna
• Increase the separation between the equipment and receiver
• Connect the equipment into an outlet on a circuit different from that to which the receiver is
connected.
• Consult the dealer or an experienced radio/TV technician for help.
6.3.3 RF-exposure statement
6.3.3.1 IC compliance
This equipment complies with the requirements of IC RSS-102 issue 5 radiation exposure limits set
forth for an uncontrolled environment.
Having a separation distance of minimum 30 mm between the user and/or bystander and the antenna
and /or radiating element ensures that the output power (e.i.r.p.) of NINA-B221 and NINA-B222 is
below the SAR evaluation Exemption limits defined in RSS-102 issue 5.
6.3.3.2 FCC compliance
This device complies with the FCC radiation exposure limits set forth for an uncontrolled environment.
Having a separation distance of minimum 25 mm between the user and/or bystander and the antenna
and /or radiating element ensures that maximum output power of NINA-B221 and NINA-B222 is below
the SAR test exclusion limits presented in KDB 447498 D01v06.
6.3.4 End product user manual instructions
6.3.4.1 IC compliance
☞ User manuals for license-exempt radio apparatus shall contain the following text, or an equivalent
notice that shall be displayed in a conspicuous location, either in the user manual or on the device,
or both:
This device complies with Industry Canada’s license-exempt RSSs. Operation is subject to the
following two conditions:
1.
This device may not cause interference; and
2.
This device must accept any interference, including interference that may cause undesired
operation of the device.
Under Industry Canada regulations, this radio transmitter can only operate using an antenna of a type
and maximum (or lesser) gain approved for the transmitter by Industry Canada. To reduce potential
radio interference to other users, the antenna type and its gain should be chosen in such a way that
the equivalent isotropically radiated power (e.i.r.p.) is not more than that is necessary for successful
communication.

NINA-B2 series - Data sheet
UBX-18006649 - R07 Qualification and approvals Page 28 of 46
C1 - Public
☞ Le manuel d’utilisation des appareils radio exempts de licence doit contenir l’énoncé qui suit, ou
l’équivalent, à un endroit bien en vue dans le manuel d’utilisation ou sur l’appareil, ou encore aux
deux endroits.
Le présent appareil est conforme aux CNR d’Industrie Canada applicables aux appareils radio
exempts de licence. L’exploitation est autorisée aux deux conditions suivantes:
1.
l’appareil ne doit pas produire de brouillage;
2.
l’utilisateur de l’appareil doit accepter tout brouillage radioélectrique subi, même si le brouillage
est susceptible d’en compromettre le fonctionnement.
Conformément aux réglementations d’Industry Canada, cet émetteur radio ne peut fonctionner qu’à
l’aide d’une antenne dont le type et le gain maximal (ou minimal) ont été approuvés pour cet émetteur
par Industry Canada. Pour réduire le risque d’interférences avec d’autres utilisateurs, il faut choisir le
type d’antenne et son gain de telle sorte que la puissance isotrope rayonnée équivalente (p.i.r.e) ne
soit pas supérieure à celle requise pour obtenir une communication satisfaisante.
6.3.5 End product labeling requirements
6.3.5.1 IC compliance
The host product shall be properly labelled to identify the modules within the host product.
The Innovation, Science and Economic Development Canada certification label of a module shall be
clearly visible at all times when installed in the host product; otherwise, the host product must be
labelled to display the Innovation, Science and Economic Development Canada certification number
for the module, preceded by the word “Contains” or similar wording expressing the same meaning, as
shown in Figure 7.
Le produit hôte devra être correctement étiqueté, de façon à permettre l’identification des modules
qui s’y trouvent.
L’étiquette d’homologation d’un module d’Innovation, Sciences et Développement économique
Canada devra être posée sur le produit hôte à un endroit bien en vue, en tout temps. En l’absence
d’étiquette, le produit hôte doit porter une étiquette sur laquelle figure le numéro d’homologation du
module d’Innovation, Sciences et Développement économique Canada, précédé du mot « contient »,
ou d’une formulation similaire allant dans le même sens et qui va comme suit:
This device contains
FCC ID: XPYNINAB22
IC: 8595A-NINAB22
Figure 7 Example of an end product label
6.3.5.2 FCC compliance
For an end product that uses the NINA-B221 or NINA-B222 modules, there must be a label containing,
at least, the information shown in Figure 7:
The label must be affixed on an exterior surface of the end product such that it will be visible upon
inspection in compliance with the modular approval guidelines developed by the FCC.
☞ In accordance with 47 CFR § 15.19, the end product shall bear the following statement in a
conspicuous location on the device:
"This device complies with Part 15 of the FCC Rules. Operation is subject to the following two
conditions;
1. this device may not cause harmful interference, and
2. this device must accept any interference received, including interference that may cause
undesired operation."

NINA-B2 series - Data sheet
UBX-18006649 - R07 Qualification and approvals Page 29 of 46
C1 - Public
When the device is so small or for such use that it is not practicable to place the statement above on
it, the information shall be placed in a prominent location in the instruction manual or pamphlet
supplied to the user or, alternatively, shall be placed on the container in which the device is marketed.
In case, where the final product will be installed in locations where the end-user is not able to see the
FCC ID and/or this statement, the FCC ID and the statement shall also be included in the end product
manual.
Model FCC ID IC Certification Number
NINA-B221 XPYNINAB22 8595A-NINAB22
NINA-B222 XPYNINAB22 8595A-NINAB22
Table 19: FCC and IC IDs for the NINA-B2 series modules
6.3.6 End product compliance
6.3.6.1 General requirements
• Any changes to hardware, hosts or co-location configuration may require new radiated emission
and SAR evaluation and/or testing.
• The regulatory compliance of NINA-B221 and NINA-B222 does not exempt the end product from
being evaluated against applicable regulatory demands; for example, FCC Part 15B criteria for
unintentional radiators.
• Only authorized antenna(s) may be used.
• Any notification to the end user about how to install or remove the integrated radio module is NOT
allowed.
6.3.6.2 Co-location (simultaneous transmission)
If the module is to be co-located with another transmitter, additional measurements for simultaneous
transmission are required.
6.4 Japan radio equipment compliance
204-810001
Figure 8: Giteki mark, R and the NINA-B221/ NINA-B222 MIC certification number
For information about compliance of the NINA-B221/ NINA-B222 modules with the Giteki
certification, see the NINA-B2 series system integration manual [1].

NINA-B2 series - Data sheet
UBX-18006649 - R07 Qualification and approvals Page 30 of 46
C1 - Public
6.5 NCC Taiwan compliance
6.5.1 Taiwan NCC Warning Statement
• 經型式認證合格之低功率射頻電機,非經許可,公司、商號或使用者均不得擅自變更頻率、 加大功率或變
更原設計之特性及功能。
• 低功率射頻電機之使用不得影響飛航安全及干擾合法通信;經發現有干擾現象時,應立即停用,並改善至無
干擾時方得繼續使用。前項合法通信,指依電信法規定作業之無線電通信。低功率射頻電機須忍受合法通信
或工業、科學及醫療用電波輻射性電機設備之干擾。
Statement translation:
• Without permission granted by the NCC, any company, enterprise, or user is not allowed to change
frequency, enhance transmitting power or alter original characteristic as well as performance to
an approved low power radio-frequency devices.
• The low power radio-frequency devices shall not influence aircraft security and interfere legal
communications; If found, the user shall cease operating immediately until no interference is
achieved. The said legal communications means radio communications is operated in compliance
with the Telecommunications Act. The low power radio-frequency devices must be susceptible
with the interference from legal communications or ISM radio wave radiated devices.
6.5.2 NINA-B221 labeling requirements for end product
When a product integrated with an NINA-B221 module is placed on the Taiwan market, the product
must be affixed with a label marking as shown below. The label can use wording such as the following:
Contains Transmitter Module
內
含發射器模組
::
CCAJ18LP0B41T0
or any similar wording that expresses the same meaning may be used. The marking must be visible
for inspection.
6.5.3 NINA-B222 labeling requirements for end product
When a product integrated with an NINA-B222 module is placed on the Taiwan market, the product
must be affixed with a label marking as shown below. The label can use wording such as the following:
Contains Transmitter Module
內
含發射器模組
::
CCAJ18LP0B51T3
or any similar wording that expresses the same meaning may be used. The marking must be visible
for inspection.
6.6 KCC South Korea compliance
The NINA-B2 series modules are certified by the Korea Communications Commission (KCC).
When a product containing a NINA-B2 module is placed on the South Korean market, the product
must be affixed with a label or marking containing the KCC logo and certification number as shown in
the following figure. NINA-B221 and NINA-B222 has the same certification number as the
NINA-W151 and NINA-W152 modules. This information must also be included in the product user
manuals.
0A NA TEL
NINA-B2 series - Data sheet
UBX-18006649 - R07 Qualification and approvals Page 31 of 46
C1 - Public
R-C-ULX-NINA-W151
The height of the KCC logo must be at least 5 mm.
6.7 Brazil compliance
When a product containing NINA-B221 or NINA-B222 modules is placed on the Brazilian market, the
product must be affixed with a label or marking containing the Anatel logo, NINA-B221/NINA-B222
Homologation number: 06870-18-05903 and a statement claiming that the device may not cause
harmful interference but must accept it (Resolution No 506).
Statement translation:
“This equipment operates on a secondary basis and, consequently, must accept harmful interference,
including from stations of the same kind, and may not cause harmful interference to systems
operating on a primary basis.”
When the device is so small or for such use that it is not practicable to place the statement above on
it, the information shall be placed in a prominent location in the instruction manual or pamphlet
supplied to the user or, alternatively, shall be placed on the container in which the device is marketed.
In case, where the final product will be installed in locations where the end user is unable to see the
Anatel logo, NINA-B221/NINA-B222 Homologation number and/or this statement, the Anatel logo,
NINA-B221/NINA-B222 Homologation number, and the statement shall also be included in the end
product manual.
6.8 Australia and New Zealand regulatory compliance
The NINA-B221 and NINA-B222 modules are compliant with the standards made by the
Australian Communications and Media Authority (ACMA).
The modules are compliant with AS/NZS 4268:2012 standard – Radio equipment and systems – Short
range devices – Limits and methods of standard measurement. The test reports of NINA-B221/NINA-
B222 modules can be used as part of the product certification and compliance folder. For more
information on the test reports, send an email to the respective support team mail address as
mentioned in the Contact section based on your location.
To meet overall Australian and/or New Zealand end product compliance, the integrator must create a
compliance folder containing all the relevant compliance test reports such as RF, EMC, electrical
safety and DoC (Declaration of Conformity) and so on. It is the responsibility of the integrator to know
what is required in the compliance folder for ACMA compliance.
06870-18-05903
“Este equipamento opera em caráter secundário, isto é,
não tem direito a proteção contra interferência prejudicial,
mesmo de estações do mesmo tipo, e não pode causar
interferência a sistemas operando em caráter primário.”

NINA-B2 series - Data sheet
UBX-18006649 - R07 Qualification and approvals Page 32 of 46
C1 - Public
For more information on Australia compliance, refer to the Australian Communications and Media
Authority web site http://www.acma.gov.au/.
For more information on New Zealand compliance, refer to the New Zealand Radio Spectrum
Management Group web site www.rsm.govt.nz.
6.9 South Africa regulatory compliance
The NINA-B221 and NINA-B222 modules are compliant and certified by the Independent
Communications Authority of South Africa (ICASA). End products that are made available for sale or
lease or is supplied in any other manner in South Africa shall have a legible label permanently affixed
to its exterior surface. The label shall have the ICASA logo and the ICASA issued license number as
shown in the figure below. The minimum width and height of the ICASA logo shall be
3 mm. The approval labels must be purchased by the customer’s local representative directly from
the approval authority ICASA. A sample of an NINA-B221/NINA-B222 ICASA label is included below:
More information on registration as a Responsible Integrator and labeling requirements can be found
at the following website:
Independent Communications Authority of South Africa (ICASA) web site - https://www.icasa.org.za
6.10 Safety compliance
In order to fulfill the safety standard EN 60950-1, the NINA-B2 series modules must be supplied with
a Class-2 Limited Power Source.
6.11 Bluetooth qualification information
The NINA-B221/NINA-B222 modules have been qualified as a controller subsystem
according to the Bluetooth 4.2 specification.
Product type QD ID Listing date
Controller Subsystem 107058 14-Mar-2018
Host Subsystem 110883 30-Apr-2018
Table 20: NINA-B221/NINA-B222 Bluetooth QD ID
☞ For information on how to list and declare your product, see the NINA-B2 series system integration
manual [1].
APPROVED
TA-2018/2696
blox
NINA-B2 series - Data sheet
UBX-18006649 - R07 Antennas Page 33 of 46
C1 - Public
7 Antennas
This chapter gives an overview of the different external antennas that can be used together with the
module.
⚠ This radio transmitter IC: 8595A-NINAB22 has been approved by Industry Canada to operate with
the antenna types listed below with the maximum permissible gain and required antenna
impedance for each antenna type indicated. Antenna types not included in this list, having a gain
greater than the maximum gain indicated for that type, are strictly prohibited for use with this
device.
⚠ Cet émetteur radio IC: 8595A-NINAB22 été approuvé par Industry Canada pour fonctionner avec
les types d’antenne énumérés ci-dessous avec le gain maximum autorisé et l’impédance
nécessaire pour chaque type d’antenne indiqué. Les types d’antenne ne figurant pas dans cette
liste et ayant un gain supérieur au gain maximum indiqué pour ce type-là sont strictement
interdits d’utilisation avec cet appareil.
For each antenna, the "Approvals" field defines in which test reports the antenna is included.
Definitions of the «Approvals» field are:
• FCC - The antenna is included in the FCC test reports and thus approved for use in countries that
accept the FCC radio approvals, primarily US.
• IC - The antenna is included in the IC (Industrie Canada) test reports and thus approved for use in
countries that accept the IC radio approvals, primarily Canada.
• RED - The antenna is included in the ETSI test reports and thus approved for use in countries that
accept the Radio Equipment Directive, primarily the European countries.
• MIC - The antenna is included in the Japanese government affiliated MIC test reports and thus
approved for use in the Japanese market.
• NCC - The antenna is included in the Taiwan NCC test reports and thus approved for use in Taiwan.
• KCC - The antenna is included in the Korea KCC test reports and thus approved for use in Korea.
• ANATEL – The antenna is included in the Brazil ANATEL test reports and thus approved for use in
Brazil.
• ACMA – The antenna is included in the Australia and New Zealand test reports and thus approved
for use in Australia and New Zealand.
• ICASA – The antenna is included in the South Africa ICASA test reports and thus approved for use
in South Africa.
In general, antennas with SMD connection, Reverse Polarity SMA connector or U.FL connector are
included in FCC, IC, RED, MIC, NCC, KCC, ANATEL, ACMA and ICASA radio tests. The antennas with
SMA connector are included in RED, MIC, NCC, KCC, ANATEL, ACMA and ICASA radio tests but not in
the FCC or IC due to FCC/IC regulations.
The external antennas are connected to the board through U.FL connectors. Some antennas are
connected directly to the U.FL connector of the board while some are connected using an SMA or
reversed polarity SMA connector through a short U.FL to SMA or reversed polarity SMA adapter cable.
NINA-B2 series - Data sheet
UBX-18006649 - R07 Antennas Page 34 of 46
C1 - Public
7.1 Antenna accessories
Name U.FL to SMA adapter cable
Connector U.FL and SMA jack (outer thread and pin receptacle)
Impedance 50
Ω
Minimum cable loss 0.5 dB, The cable loss must be above the minimum
cable loss to meet the regulatory requirements.
Minimum cable length 100 mm.
Comment The SMA connector can be mounted in a panel.
See NINA-B2 series system integration manual [1] for
information how to integrate the U.FL connector.
Approval RED, MIC, NCC, KCC, ANATEL, ACMA and ICASA
Name U.FL to Reverse Polarity SMA adapter cable
Connector U.FL and Reverse Polarity SMA jack (outer thread and
pin)
Impedance 50
Ω
Minimum cable loss 0.5 dB, The cable loss must be above the minimum
cable loss to meet the regulatory requirements.
Minimum cable length 100 mm.
Comment The Reverse Polarity SMA connector can be mounted
in a panel.
See NINA-B2 series system integration manual [1]
for
information how to integrate the U.FL connector. It is
required to followed this reference design to comply
with the NINA-B2 FCC/IC modular approvals.
Approval FCC, IC, RED, MIC, NCC, KCC, ANATEL, ACMA and
ICASA
7.2 Approved antennas
7.2.1 Single band antennas
NINA-B222
Manufacturer ProAnt
Gain +3 dBi
Impedance 50 Ω
Size (HxWxL) 3.0 x 3.8 x 9.9 mm
Type PIFA
Comment SMD PIFA antenna on NINA-B222. Should not be mounted inside a metal
enclosure. For more information, see section 2.3.1.
Approval FCC, IC, RED, MIC, NCC, KCC, ANATEL, ACMA and ICASA

NINA-B2 series - Data sheet
UBX-18006649 - R07 Antennas Page 35 of 46
C1 - Public
GW.26.0111
Manufacturer Taoglas
Polarization Vertical
Gain +2.0 dBi
Impedance 50
Ω
Size Ø 7.9 x 30.0 mm
Type Monopole
Connector SMA (M) .
Comment To be mounted on the U.FL to SMA adapter cable.
Approval RED, MIC, NCC, KCC, ANATEL, ACMA and ICASA
ANT-2.4-CW-RH-RPS
Manufacturer Linx
Polarization Vertical
Gain -1.0 dBi
Impedance 50
Ω
Size Ø 7.4 x 27.0 mm
Type Monopole
Connector Reverse Polarity SMA plug (inner thread and pin receptacle).
Comment To be mounted on the U.FL to Reverse Polarity SMA adapter cable.
An SMA version antenna is also available but not recommended for use (ANT-
2.4-CW-RH-SMA).
Approval FCC, IC, RED, MIC, NCC, KCC, ANATEL, ACMA and ICASA
Ex-IT 2400 RP-SMA 28-001
Manufacturer ProAnt
Polarization Vertical
Gain +3.0 dBi
Impedance 50 Ω
Size Ø 12.0 x 28.0 mm
Type Monopole
Connector Reverse Polarity SMA plug (inner thread and pin receptacle).
Comment The antenna needs a metal ground plane surrounding for best performance.
It is mounted on the U.FL to Reverse Polarity SMA adapter cable.
An SMA antenna version is also available, but is not recommended for use
(Ex-IT 2400 SMA 28-001).
Approval FCC, IC, RED, MIC, NCC, KCC, ANATEL, ACMA and ICASA

NINA-B2 series - Data sheet
UBX-18006649 - R07 Antennas Page 36 of 46
C1 - Public
Ex-IT 2400 MHF 28
Manufacturer ProAnt
Polarization Vertical
Gain +2.0 dBi
Impedance 50
Ω
Size Ø 12.0 x 28.0 mm
Type Monopole
Cable length 100 mm
Connector U.FL. connector
Comment The antenna needs a metal ground plane surrounding for best
performance. It is mounted on the U.FL to Reverse Polarity
SMA adapter cable.
For information on how to integrate the U.FL connector, see
the NINA-B2 series system integration manual [1]. This
reference design must be followed to comply with NINA-B2
FCC/IC modular approvals.
Approval FCC, IC, RED, MIC, NCC, KCC, ANATEL, ACMA and ICASA
Ex-IT 2400 RP-SMA 70-002
Manufacturer ProAnt
Polarization Vertical
Gain +3.0 dBi
Impedance 50 Ω
Size Ø 10 x 83 mm
Type Monopole
Connector Reverse Polarity SMA plug (inner thread and pin receptacle)
Comment To be mounted on the U.FL to Reverse Polarity SMA adapter
cable.
An SMA version antenna is also available but is not recommended
for use (Ex-IT 2400 SMA 70-002).
Approval FCC, IC, RED, MIC, NCC, KCC, ANATEL, ACMA and ICASA
Ex-IT 2400 MHF 70-001
Manufacturer ProAnt
Polarization Vertical
Gain +3.0 dBi
Impedance 50 Ω
Size Ø 9.4 x 70.5 mm
Type Monopole
Cable length 100 mm
Connector U.FL. connector
Comment To be mounted on a U.FL connector.
For information on how to integrate the U.FL connector, see the
NINA-B2 series system integration manual [1]. This reference
design must be followed to comply with NINA-B2 FCC/IC modular
approvals.
Approval FCC, IC, RED, MIC, NCC, KCC, ANATEL, ACMA and ICASA

NINA-B2 series - Data sheet
UBX-18006649 - R07 Antennas Page 37 of 46
C1 - Public
InSide-2400
Manufacturer ProAnt
Gain +3.0 dBi
Impedance 50
Ω
Size 27 x 12 mm (triangular)
Type Patch
Cable length 100 mm
Connector U.FL. connector
Comment Should be attached to a plastic enclosure or part for best
performance.
To be mounted on a U.FL connector.
See NINA-B2 series system integration manual [1] for information
how to integrate the U.FL connector. This reference design must
be
followed to comply with NINA-B2 FCC/IC modular approvals.
Approval FCC, IC, RED, MIC, NCC, KCC, ANATEL, ACMA and ICASA
FlatWhip-2400
Manufacturer ProAnt
Gain +3.0 dBi
Impedance 50
Ω
Size Ø 50.0 x 30.0 mm
Type Monopole
Connector SMA plug (inner thread and pin)
Comment To be mounted on the U.FL to SMA adapter cable.
Approval RED, MIC, NCC, KCC, ANATEL, ACMA and ICASA
Outside-2400
Manufacturer ProAnt
Gain +3.0 dBi
Impedance 50 Ω
Size 36.0 x 18.0 x 16.0 mm
Type Patch
Cable length 70 mm
Connector U.FL. connector
Comment To be mounted on a U.FL connector.
For information on how to integrate the U.FL connector, see the
NINA-B2 series system integration manual [1]. This reference
design must be followed to comply with NINA-B2 FCC/IC modular
approvals.
Approval FCC, IC, RED, MIC, NCC, KCC, ANATEL, ACMA and ICASA

NINA-B2 series - Data sheet
UBX-18006649 - R07 Antennas Page 38 of 46
C1 - Public
7.2.2 Dual-band antennas
InSide-WLAN
Manufacturer ProAnt
Gain +3.0 dBi
Impedance 50
Ω
Size 27 x 12 mm (triangular)
Type Patch
Cable length 100 mm
Connector U.FL. connector
Comment Should be attached to a plastic enclosure or part for best
performance.
Dual-band (2.4 GHz / 5 GHz) antenna to be mounted on a U.FL
connector.
For information on how to integrate the U.FL connector, see the
NINA-B2 series system integration manual [1]. This reference
design must be followed to comply with NINA-B2 FCC/IC modular
approvals.
Approval FCC, IC, RED, MIC, NCC, KCC, ANATEL, ACMA and ICASA
InSide-WLAN Square
Manufacturer ProAnt
Gain +3.0 dBi
Impedance 50 Ω
Size 24x22x1 mm with mounting hole
Type Patch
Cable length 100 mm
Connector U.FL. connector
Comment Should be attached to a plastic enclosure or part for best
performance.
Dual-band (2.4 GHz / 5 GHz) antenna to be mounted on a U.FL
connector.
For information on how to integrate the U.FL connector, see
the NINA-B2 series system integration manual [1]. This
reference design must be followed to comply with NINA-B2
FCC/IC modular approvals.
Approval FCC, IC, RED, MIC, NCC, KCC, ANATEL, ACMA and ICASA
Ex-IT WLAN RPSMA
Manufacturer ProAnt
Type ½ wave dipole dual-band antenna
Polarization Vertical
Gain +3 dBi
Impedance 50
Ω
Size 107 mm (Straight)
Type Monopole
Connector Reverse Polarity SMA plug (inner thread and pin receptacle)
Comment To be mounted on the U.FL to Reverse Polarity SMA adapter
cable.
Approval FCC, IC, RED, MIC, NCC, KCC, ANATEL, ACMA and ICASA
NINA-B2 series - Data sheet
UBX-18006649 - R07 Product handling Page 39 of 46
C1 - Public
8 Product handling
8.1 Packaging
⚠ The NINA-B2 series modules are in development status as mentioned in the table on page 2.
Hence, the information in this section will be applicable only when the module is fully tested and
approved in the Initial Production stage.
8.1.1 Reels
The NINA-B2 series modules are delivered as hermetically sealed, reeled tapes to enable efficient
production, production lot set-up and tear-down. For more information about packaging, see the
u-blox package information guide [2].
NINA-B2 modules are deliverable in quantities of 500 pieces on a reel. The reel types for the NINA-B2
modules are provided in Table 21 and detailed information about the reel types are described in
u-blox package information guide [2]
.
Model Reel Type
NINA-B221 B
NINA-B222 A
Table 21: Reel types for the different NINA-B2 series models
8.1.2 Tapes
Figure 9 and Figure 10 shows the position and orientation of the NINA-B2 modules as they are
delivered on tape. The dimensions of the tapes are specified in Figure 11 and Figure 12.
Figure 9: Orientation of NINA-B221 module on tape
Figure 10: Orientation of NINA-B222 module on tape
Feed
Feed
1
sEc11oN H
NorEa
2mmmsEENolE24»
AmsEENorEua
1.75301
mum
1-> B 1
(r
11505310
T .
1144 ”Eik
AD!»
sEcmN Mx
SEEN01E2
1
+07 4” , al
D1M E
An 10130 0.1
B0 1120 01
KO 320 0.1
1. 10 SPROCKH HOLE 1711511 CUMULAWE TOLERANCE 41.2
2.
POCKET HOLE
POCKET POS1T10N RELATIVE 10 SPROCKEI HOLE MEASURED MTRUE POS1T10N 0E POCKEI, No1
a. AoAND Bo ARE MEASURED ONA PlANE AIA DISTANCE 'WABOVE THE BOITOM OF THE POCKFL
2101 11 :EEMJTEZ
1.011 E 11m 1
NJ 115%”,
16 111
1
/
rmww [11.5111
HID
r771
1.31.11
1
111m 111'.
+1}? 7*‘Lri;\1—17M«13H11
L43
XEUIIJN A , 1
1111161
1. 11 1111?an H1LEP11EHELMLL1114E 11mm 102
2. WEKU 1111111111 EEUTL‘E 111 SPRIIEKET 11111 11E131112E11
A; TRUE PIIITIEIN IIIF PIJEKE1. 1111 PnEKE1 1111.E
3. 11 11111 Bu 1EEE11E1111151 1111 1 P1111E A1 1 DIEWEE ‘E‘
1111M 11E 111111111 IIIF 111E P11EKE1.
1
1
L1
NINA-B2 series - Data sheet
UBX-18006649 - R07 Product handling Page 40 of 46
C1 - Public
Figure 11: NINA-B221 tape dimension
Figure 12: NINA-B222 tape dimension
blox
NINA-B2 series - Data sheet
UBX-18006649 - R07 Product handling Page 41 of 46
C1 - Public
8.2 Moisture sensitivity levels
⚠ The NINA-B2 series modules are Moisture Sensitive Devices (MSD) in accordance with the
IPC/JEDEC specification.
The Moisture Sensitivity Level (MSL) relates to the required packaging and handling precautions. The
NINA-B2 series modules are rated at MSL level 4. For more information regarding moisture sensitivity
levels, labeling and storage, see the u-blox package information guide [2]
.
☞ For MSL standards, see IPC/JEDEC J-STD-020, which can be downloaded from www.jedec.org.
8.3 Reflow soldering
Reflow profiles are to be selected according to u-blox recommendations. See NINA-B2 series system
integration manual [1] for more information.
⚠ Failure to observe these recommendations can result in severe damage to the device.
8.4 ESD precautions
⚠ The NINA-B2 series modules contain highly sensitive electronic circuitry and are Electrostatic
Sensitive Devices (ESD). Handling the NINA-B2 series modules without proper ESD protection may
destroy or damage them permanently.
The NINA-B2 series modules are electrostatic sensitive devices (ESD) and require special ESD
precautions typically applied to ESD sensitive components. Section 4.1.1 provides the maximum ESD
ratings of the NINA-B2 series modules.
Proper ESD handling and packaging procedures must be applied throughout the processing, handling
and operation of any application that incorporates the NINA-B2 series module. The ESD precautions
should be implemented on the application board where the module is mounted as described in the
NINA-B2 series system integration manual [1].
⚠ Failure to observe these recommendations can result in severe damage to the device.
W
X YY WW
L: NIN -TG
TTQ-
“"%E
NINA-B2 series - Data sheet
UBX-18006649 - R07 Labeling and ordering information Page 42 of 46
C1 - Public
9 Labeling and ordering information
9.1 Product labeling
The labels (7.5x7.5mm) of the NINA-B2 series modules include important product information as
described in this section.
Figure 13 shows the label of all the NINA-B2 series modules, which includes product type number and
revision, production date, data matrix with unique serial number (MAC address) and the u-blox logo.
Figure 13: Location of product type number on the NINA-B2 series module label
Reference Description
1 Date of unit production encoded YY/WW (year, week)
2 Major and minor product version info
3 Product model name (NINA-B221 or NINA-B222)
4 Data matrix with unique serial number of 19 alphanumeric symbols. The first 3 symbols represent a
unique module type number. The next 12 symbols represent the unique hexadecimal Bluetooth
address of the module AABBCCDDEEFF, and the last 4 symbols represent the hardware and
software version encoded HHFF.
See section 1.8 for more information about addresses.
5 u-blox logo. The red dot is also indicating pin 1.
Table 22: NINA-B2 series label description
3
1
2
4
5

NINA-B2 series - Data sheet
UBX-18006649 - R07 Labeling and ordering information Page 43 of 46
C1 - Public
9.2 Explanation of codes
Three different product code formats are used. The Product Name is used in documentation such as
this data sheet and identifies all u-blox products, independent of packaging and quality grade. The
Ordering Code includes options and quality, while the Type Number includes the hardware and
software versions. Table 23 below details these three different formats:
Format Structure
Product name PPPP-TGVV
Ordering code PPPP -TGVV-TTQ
Type number PPPP -TGVV-TTQ-XX
Table 23: Product code formats
Table 24 describes the parts of the product code.
Code Meaning Example
PPPP Form factor NINA
TG Platform (Technology and Generation)
T – Dominant technology, For example, W: Wi-Fi, B:
Bluetooth
G - Generation
B2: Bluetooth Generation 2
VV Variant based on the same platform; range [00…99] 21: u-connectXpress software product with antenna
pin
TT Major Product Version 00: first revision
Q Quality grade
A: Automotive
B: Professional
C: Standard
B: professional grade
XX Minor product version (not relevant for certification) Default value is 00
Table 24: Part identification code
9.3 Ordering information
Ordering Code Product
NINA-B221-00B Bluetooth dual-mode module with antenna pin. With u-connectXpress software including secure
boot. Using ESP32-D0WDQ6.
NINA-B221-02B Bluetooth dual-mode module with antenna pin. With u-connectXpress software including secure
boot. Using ESP32-D0WDQ6-V3.
NINA-B222-00B Bluetooth dual-mode module with internal onboard antenna. With u-connectXpress software
including secure boot. Using ESP32-D0WDQ6.
NINA-B222-02B Bluetooth dual-mode module with internal onboard antenna. With u-connectXpress software
including secure boot. Using ESP32-D0WDQ6-V3.
Table 25: Product ordering codes

NINA-B2 series - Data sheet
UBX-18006649 - R07 Appendix Page 44 of 46
C1 - Public
Appendix
A Glossary
Abbreviation Definition
ADC Analog to Digital Converter
AFA Automatic Frequency Adaption
BR Basic Rate
BDR Basic Data Rate
BPF Band Pass Filter
BT Bluetooth
CTS Clear To Send
DAC Digital to Analog Converter
DC Direct Current
DSR Data Set Ready
DTR Data Terminal Ready
EDR Enhanced Data Rate
ESD Electro Static Discharge
FCC Federal Communications Commission
GND Ground
GPIO General Purpose Input/Output
IC Industry Canada
IEEE Institute of Electrical and Electronics Engineers
IoT Internet of Things
LPO Low Power Oscillator
MCU Micro Controller Unit
MDIO Management Data Input / Output
MII Media-Independent Interface
MISO Master In Slave Out (data output from slave)
MOSI Master Out Slave In (data output from master)
MRD Market Requirement Document
MSD Moisture Sensitive Device
N/A Not Applicable
PCN Product Change Notification
PIFA Planar Inverted F Antenna
PD Pull-Down
PU Pull-Up
QSPI Quad Serial Peripheral Interface
RTS Request To Send
RXD Receive Data
SDIO Secure Digital Input Output
SDK Software Development Kit
SPI Serial Peripheral Interface
TXD Transmit Data
UART Universal Asynchronous Receiver/Transmitter
Table 26: Explanation of the abbreviations and terms used

NINA-B2 series - Data sheet
UBX-18006649 - R07 Related documents Page 45 of 46
C1 - Public
Related documents
[1] NINA-B2 series system integration manual, UBX-18011096
[2] u-blox package information guide, UBX-14001652
[3] u-connect AT commands manual, UBX-14044127
[4] NINA-B2 declaration of conformity, UBX-18007187
[5] NINA-B2 series product summary, UBX-17062096
[6] Communicating with a u-blox module over SPI bus, UBX-20028725
[7] u-connectXpress software user guide, UBX-16024251
☞ For product change notifications and regular updates of u-blox documentation, register on our
website, www.u-blox.com.
Revision history
Revision Date Name Comments
R01 16-Mar-2018 mwej, kgom Initial release.
R02 6-Jul-2018 mwej, kgom Updated the software version to version 1.0.0 and modified the corresponding
content status to Advance Information. Modified the values for Bluetooth
output power (chapter 4
). Removed "pending" status for the following country
approvals in section 6 - USA (FCC), Canada (IC) and Japan (MIC).
R03 14-Dec-2018 mwej Updated label description (Table 22). Removed LPO functionality. Updated RF
characteristics and current consumption in chapter 4.
R04 28-Jan-2019 mwej Modified the product status to I
nitial Production. Updated description of
usage of the DSR signal in section 2.4.3.
R05 13-Aug-2019 fbro, mwej Updated pinout due to typo regarding switch 1 and 2.
Added certification
information for Brazil, Australia, New Zealand and South Africa (sections 6.7-
6.9). Updated information about approved antennas (chapter 7
). Updated
with RoHS 3 compliance (section 6.2.2
). Updated voltage supply range
(section 4.2.2
) and absolute maximum module supply voltage and maximum
RF input ratings (section 4.1).
Updated maximum ESD ratings (section 4.1.1
). Corrected information about
restoring UART setting to default settings (section 2.4.2
). Updated Bluetooth
output power and sensitivity (sections 1.6, 4.2.6 and 4.2.7
). Corrected
information about blue LED signal in connected mode (Table 5).
R06 27-Jan-2020 mlju Updated type numbers in the second table on page 2 with NINA-B22x-00B-
01.
R07 18-Sep-2020 hekf, ajoh Added antenna radiation patterns in section 4.2.8
and GPIO drive strength in
section 4.2.4
. Changed boot strap information in section 2.3 and ESD ratings
in section 4.1.1. Added new NINA-B221 and B222 product variants.
Updated
Table 1, Figure 3 and Table 6
to reflect the revised number of available GPIOs.
Changed software name to u-connectXpress, and a
dded SPI support in
sections 2.5.2, 2.2.8 and 3.1
. Added descriptions of the new power modes in
section 2.2. Updated current consumption data in electrical specifications
,
section 4.2.5. Added GPI and SPI functionality to pins in chapter 3.1.
blox
NINA-B2 series - Data sheet
UBX-18006649 - R07 Contact Page 46 of 46
C1 - Public
Contact
For complete contact information, visit us at www.u-blox.com.
u-blox Offices
North, Central and South America
u-blox America, Inc.
Phone: +1 703 483 3180
E-mail: info_us@u-blox.com
Regional Office West Coast:
Phone: +1 408 573 3640
E-mail: info_us@u-blox.com
Technical Support:
Phone: +1 703 483 3185
E-mail: support@u-blox.com
Headquarters
Europe, Middle East, Africa
u-blox AG
Phone: +41 44 722 74 44
E-mail: info@u-blox.com
Support: support@u-blox.com
Asia, Australia, Pacific
u-blox Singapore Pte. Ltd.
Phone: +65 6734 3811
E-mail: info_ap@u-blox.com
Support: support_ap@u-blox.com
Regional Office Australia:
Phone: +61 2 8448 2016
E-mail: info_anz@u-blox.com
Support: support_ap@u-blox.com
Regional Office China (Beijing):
Phone: +86 10 68 133 545
E-mail: info_cn@u-blox.com
Support: support_cn@u-blox.com
Regional Office China (Chongqing):
Phone: +86 23 6815 1588
E-mail: info_cn@u-blox.com
Support: support_cn@u-blox.com
Regional Office China (Shanghai):
Phone: +86 21 6090 4832
E-mail: info_cn@u-blox.com
Support: support_cn@u-blox.com
Regional Office China (Shenzhen):
Phone: +86 755 8627 1083
E-mail: info_cn@u-blox.com
Support: support_cn@u-blox.com
Regional Office India:
Phone: +91 80 405 092 00
E-mail: info_in@u-blox.com
Support: support_in@u-blox.com
Regional Office Japan (Osaka):
Phone: +81 6 6941 3660
E-mail: info_jp@u-blox.com
Support: support_jp@u-blox.com
Regional Office Japan (Tokyo):
Phone: +81 3 5775 3850
E-mail: info_jp@u-blox.com
Support: support_jp@u-blox.com
Regional Office Korea:
Phone: +82 2 542 0861
E-mail: info_kr@u-blox.com
Support: support_kr@u-blox.com
Regional Office Taiwan:
Phone: +886 2 2657 1090
E-mail: info_tw@u-blox.com
Support: support_tw@u-blox.com
Products related to this Datasheet
RX TXRX MODULE BLUETOOTH SMD
RX TXRX MODULE BLUETOOTH SMD
RX TXRX MOD BLUETOOTH CHIP SMD
RX TXRX MOD BLUETOOTH CHIP SMD
RX TXRX MODULE BLUETOOTH SMD
RX TXRX MOD BLUETOOTH CHIP SMD