antenova®
m2m
An’rennos for Wireless M2M Applications
Product Specification Inversa - SR4L034-PS-1.0 Page 1
Antennas for Wireless M2M Applications
1. Features
•Antenna for 4G and 3G applications
•LTE, GSM, CDMA, DCS, PCS, WCDMA, UMTS, HSPDA, GPRS, EDGE, IMT
•Frequencies: 698-960MHz; 1710-2170MHz; 2300-2400MHz; 2500-2690MHz
•Corner placement for ergonomic design-in
•SMD mounted device
•Supplied on Tape and Reel
•Automotive temperature rating.
•Compact 28 x 8 x 3.3 (mm)
•Ideal for MIMO systems
2. Description
Inversa is intended for use with 4G/3G applications. As a single antenna or in MIMO
systems, this antenna was specifically designed for coexistence and minimal space
requirements by being corner placed on the host PCB. This product specification shows
the performance of the antenna over all stated frequency ranges.
3. Applications
•4G Mi-Fi Routers
•Medical equipment
•Tablets
•OBD++ systems
•MIMO Systems
•Femtocell / Pico stations
•Remote monitoring
Inversa LTE Antenna
Part No. SR4L034-L / SR4L034-R lamiiANT ® Product Specification
®
, SR4LO34-L WWW
®
WWW SR4L034-R .
An’rennos for Wireless M2M Applications
Inversa
Part No. SR4L034
Antennas for Wireless M2M Applications
Product Specification Inversa-SR4L034-PS-1.0 Page 2
4. Part Number
Inversa: SR4L034-L
Inversa: SR4L034-R
5. General Data
Product name
Inversa
Part Number
SR4L034-L / SR4L034-R
Frequency
698-960MHz
1710-2170MHz
2300-2400MHz
2500-2690MHz
Polarization
Linear
Operating temperature
-40°C to140°C
Environmental Condition Test
ISO16750-4 5.1.1.1/5.1.2.1/5.3.2
Impedance with matching
50 Ω
Weight
<2.5g
Antenna type
SMD
Dimensions
28.0 x 8.0 x 3.3 (mm)
An’rennos for Wireless M2M Applications
0
Inversa
Part No. SR4L034
Antennas for Wireless M2M Applications
Product Specification Inversa-SR4L034-PS-1.0 Page 3
6. RF Characteristics
All data measured on Antenova’s evaluation PCB
Part No. SR4L034-EVB-1
698 - 798 MHz
Peak gain
0.40dBi
Average gain (Linear)
-2.0dBi
Average efficiency
>55%
Maximum return loss
-6.0dB
Maximum VSWR
2.8:1
824 - 960 MHz
Peak gain
1.60dBi
Average gain (Linear)
-1.10dBi
Average efficiency
>70%
Maximum return loss
-6.6dB
Maximum VSWR
2.8:1
1710 - 2170 MHz
Peak gain
3.50dBi
Average gain (Linear)
-2.00dBi
Average efficiency
>60%
Maximum return loss
-5.1dB
Maximum VSWR
3.5:1
2300 - 2400 MHz
Peak gain
3.60dBi
Average gain (Linear)
-1.60dBi
Average efficiency
>60%
Maximum return loss
-7.0dB
Maximum VSWR
2.5:1
2500 - 2690 MHz
Peak gain
2.10dBi
Average gain (Linear)
-2.30dBi
Average efficiency
>55%
Maximum return loss
-4.9dB
Maximum VSWR
3.7:1
[as] Mm
720 [will
my 590 790 m Ban JDEDJNOJZEOIEZDMIDIEDD)59fi16301770JEEUJEEDZKNDZJJDHZU210140014902590167DZ7fifl
m n Alyun:
1N
1 i i i i i i i i i i i i i [Ml]
5m) sen m 570 Dsu msunmuaonzu NlDlSm1590lsBu1770156019502m021302220231u2wn2490255u2§7u2760
An’rennos for Wireless M2M Applications
Inversa
Part No. SR4L034
Antennas for Wireless M2M Applications
Product Specification Inversa-SR4L034-PS-1.0 Page 4
7. RF Performance
7.1 Return Loss
7.2 VSWR
—mMHz —754MH1 —mMHz
An’rennos for Wireless M2M Applications
25
Inversa
Part No. SR4L034
Antennas for Wireless M2M Applications
Product Specification Inversa-SR4L034-PS-1.0 Page 5
7.3.0 Antenna Pattern
698 MHz – 798 MHz
3D pattern at 746 MHz
Drag to rotate pattern and PCB by using Adobe Reader
(Click to Activate)
— EZ‘MHI — mum: — 960MHz
An’rennos for Wireless M2M Applications
Inversa
Part No. SR4L034
Antennas for Wireless M2M Applications
Product Specification Inversa-SR4L034-PS-1.0 Page 6
7.3.1 Antenna Pattern
824 MHz – 960 MHz
3D pattern at 880 MHz
Drag to rotate pattern and PCB by using Adobe Reader
(Click to Activate)
— 1 new — imHz — 2i7GHz
An’rennos for Wireless M2M Applications
Inversa
Part No. SR4L034
Antennas for Wireless M2M Applications
Product Specification Inversa-SR4L034-PS-1.0 Page 7
7.3.2 Antenna Pattern
1710 MHz – 2170 MHz
3D pattern at 1990 MHz
Drag to rotate pattern and PCB by using Adobe Reader
(Click to Activate)
—23GHz —23GGH1 —2lGHz
An’rennos for Wireless M2M Applications
Inversa
Part No. SR4L034
Antennas for Wireless M2M Applications
Product Specification Inversa-SR4L034-PS-1.0 Page 8
7.3.3 Antenna Pattern
2300 MHz – 2400 MHz
3D pattern at 2.35 GHz
Drag to rotate pattern and PCB by using Adobe Reader
(Click to Activate)
S
n
b
T
o
a .m
d.
m p
m A
_ M
2
a _2 M
m $
m e
_ m
u w
W N r
w w x. m
X \i S
, K 0
¥ \\ w m
/ g m
X4?» n
//\//M \ \ w A
m z
Inversa
Part No. SR4L034
Antennas for Wireless M2M Applications
Product Specification Inversa-SR4L034-PS-1.0 Page 9
7.3.3 Antenna Pattern
2500 MHz – 2690 MHz
3D pattern at 2.6 GHz
Drag to rotate pattern and PCB by using Adobe Reader
(Click to Activate)
Emaency s
Di
i
\
\
An’rennos for Wireless M2M Applications
Inversa
Part No. SR4L034
Antennas for Wireless M2M Applications
Product Specification Inversa-SR4L034-PS-1.0 Page 10
7.4 Host PCB Length Vs. Efficiency
The efficiency of Inversa is shown here over varying GND plane lengths.
®
enfieneve o
SR4L©34=L WW
An’rennos for Wireless M2M Applications
Inversa
Part No. SR4L034
Antennas for Wireless M2M Applications
Product Specification Inversa-SR4L034-PS-1.0 Page 11
8. Antenna Dimensions
L
W
H
Length
Width
Height
28.0 ±0.1
8.0 ±0.1
3.3 +0.1 -0.0
All Dimensions in (mm)
-L and -R Dimensions are the same
An’rennos for Wireless M2M Applications
Inversa
Part No. SR4L034
Antennas for Wireless M2M Applications
Product Specification Inversa-SR4L034-PS-1.0 Page 12
Bottom Side SR4L034-L
Bottom Side SR4L034-R
- All Dimensions in (mm)
- View from underneath each antenna
U U SR4L034-R
UL)
ZZ
U SR4L034—L
Z
*1 NH
DZ
flow
NUm
Bum
E
;
Bum
NUm
HUm
DZ
S
n
.nlu
.T
0
.nl»
d.
p
A
M
2
M
S
S
E
e
.W
W
r
b
S
O
n
n
e
.T
n
A
Inversa
Part No. SR4L034
Antennas for Wireless M2M Applications
Product Specification Inversa-SR4L034-PS-1.0 Page 13
9.1 Schematic symbol and Pin definition
The circuit symbol for the antenna is shown below.
Pin
Name
Description
4
Feed
Transceiver port
5
T1
Return/Tuning
1,6,7,8,9
NC
Not used (Mechanical only)
2,3
SC
Pins 2 and 3 short circuit on host PCB
Inversa Schematic Symbol
\ 5.0 A 18.3 18.3 5.0
SR4LO34-L 5.4 SR4L034-R
1.7 16.6 3.0 3.0 16.6 1.7
ALL DIMENSIONS IN MM
PADS 1,2,3.5.6,8,9 = 2.0 X 1.0 (MM)
PADS 4,7 = 2.0 x 1.5 (MM)
. 28.0 28.0
< 15.7=""> 15.7 s
o o
a o
11.5
o 14.5 a
00 0°
0 00 O 0 d O O 0 00 D
°g go o o a o o o o o o o 0: 3°
0 O O O 0 D
o o a 0
Copper I:I Clearance ° Via
ALL DIMENSIONS IN MM
An’rennos for Wireless M2M Applico’rions
Inversa
Part No. SR4L034
Antennas for Wireless M2M Applications
Product Specification Inversa-SR4L034-PS-1.0 Page 14
10.0 Antenna footprint
10.1 Host PCB Layout
The footprint and clearance of the host PCB must be designed-in as below.
Copper
Clearance
Via
An’rennos for Wireless M2M Applications
Inversa
Part No. SR4L034
Antennas for Wireless M2M Applications
Product Specification Inversa-SR4L034-PS-1.0 Page 15
11. Electrical Interface
11.1 Transmission Line
All transmission lines should be designed to have a characteristic impedance of 50Ω.
• The length of the transmission lines should be kept to a minimum.
• Any other parts of the RF system like transceivers, power amplifiers, etc, should also
be designed to have an impedance of 50 Ω.
Once the material for the PCB has been chosen (PCB thickness and dielectric constant), a
coplanar transmission line can easily be designed using any of the commercial software
packages for transmission line design. For the chosen PCB thickness, copper thickness
and substrate dielectric constant, the program will calculate the appropriate transmission
line width and gaps on either side of the track, so the characteristic impedance of the co-
planar transmission is 50 Ω.
11.2 Matching Circuit
The antenna requires a matching circuit that must be optimized for each product. The
matching circuit will require up to six components, the following circuit should be designed
into the host PCB. Not all of the components may be required, but they should be included
as a precaution. The matching network must be placed close to the antenna feed to ensure
it is more effective in tuning the antenna.
inverse to be placed antenova‘f‘
along the shanest ' - 4L 4 R
edge in [he comer.
Inversa can be placed along
(he longest edge in the corner
forthe verricai configuration.
runs
EAOUGlUE
‘it'i‘
An’rennos for Wireless M2M Applico’rions
Inversa
Part No. SR4L034
Antennas for Wireless M2M Applications
Product Specification Inversa-SR4L034-PS-1.0 Page 16
12.0 Antenna Integration Guide
12.1 Antenna Placement
The antenna should ideally be placed on the host PCB using one of the two configurations
below.
1) Horizontal placement
2) Vertical placement
Note: Vertical placement optimal minimum GND length required is ≥100mm
antenova
mm“
20mm 20mm
antenova‘
An’rennos for Wireless M2M Applico’rions
on
Inversa
Part No. SR4L034
Antennas for Wireless M2M Applications
Product Specification Inversa-SR4L034-PS-1.0 Page 17
12.2 Diversity Placement
For a Diversity solution, use 2 x Inversa antennas on the same host PCB. For all
configurations the distance between them should be ≥15mm
Please note: It is still advisable to consult Antenova before building the PCB for
additional checking of the layout and device.
Proximity configurations
L - R R - L
L - L R - R
AnTennos for Wireless M2M Applicofions
On
Inversa
Part No. SR4L034
Antennas for Wireless M2M Applications
Product Specification Inversa-SR4L034-PS-1.0 Page 18
Opposed configurations
L - R L - L
[55] n we
r157 ,
.15,
725 ,
725 ,
.3“ ,
o 455 555 1255 1555 2555 2455 2555 3255 3555 4mm
MARKERS. m 55 MHl 55 m 55
IsomnoN anM 525 . 521
1: 595 725.22 3 524 .15 77 725.45
2. 745 719.75 4 594 .1554 715.50
1555mm 25mm 525 . 521
1: 595 723.45 3 524 72245 5: 1715 719.45
2. 745 724.57 4 594 .179, 5.2155 715.42
1555mm 4an 525 . 521
1: 595 715.35 3 524 72155 725.92
2.745 715.55 4 594 .1955 5.2155 722.75
An’rennos for Wireless M2M Applications
Inversa
Part No. SR4L034
Antennas for Wireless M2M Applications
Product Specification Inversa-SR4L034-PS-1.0 Page 19
12.3 Isolation
The Isolation vs. Distance from Main to Diversity. 40mm, 25mm and 20mm are shown for
comparison.
034
An’rennos for Wireless M2M Applications
Inversa
Part No. SR4L034
Antennas for Wireless M2M Applications
Product Specification Inversa-SR4L034-PS-1.0 Page 20
12.4 Radiation Pattern Diversity
The radiation pattern for SR4L034-EVB-2 Diversity example is shown below for each
antenna on two different bands.
698 MHz – 960 MHz (3D pattern at 880 MHz)
-L -R
1710 MHz – 2170 MHz (3D pattern at 1990 MHz)
-L -R
Drag to rotate pattern and PCB by using Adobe Reader
(Click to Activate)
Component breaks 8°
projection boundary.
Component moved to be
below the projection
Antennas for Wireless M2M Applications
on
Inversa
Part No. SR4L034
Antennas for Wireless M2M Applications
Product Specification Inversa-SR4L034-PS-1.0 Page 21
12.5 Component Distance Rule
While it is ideal to keep the antenna away from metal objects and other PCB components,
it is possible to have components around the antenna. No set distance is set and it varies
depending on the height of the component. So rather than setting a defined distance a
rule can be given. An 8° projection line can be drawn from the base of the antenna. This
can then be used to decide the distance a component can be.
The example below shows a USB connector placed using this rule. Once it is within
the 8° limit the distance is known.
.
SMA connector
Selective Tuning Circuit
USB connection for Power
An’rennos for Wireless M2M Applications
Inversa
Part No. SR4L034
Antennas for Wireless M2M Applications
Product Specification Inversa-SR4L034-PS-1.0 Page 22
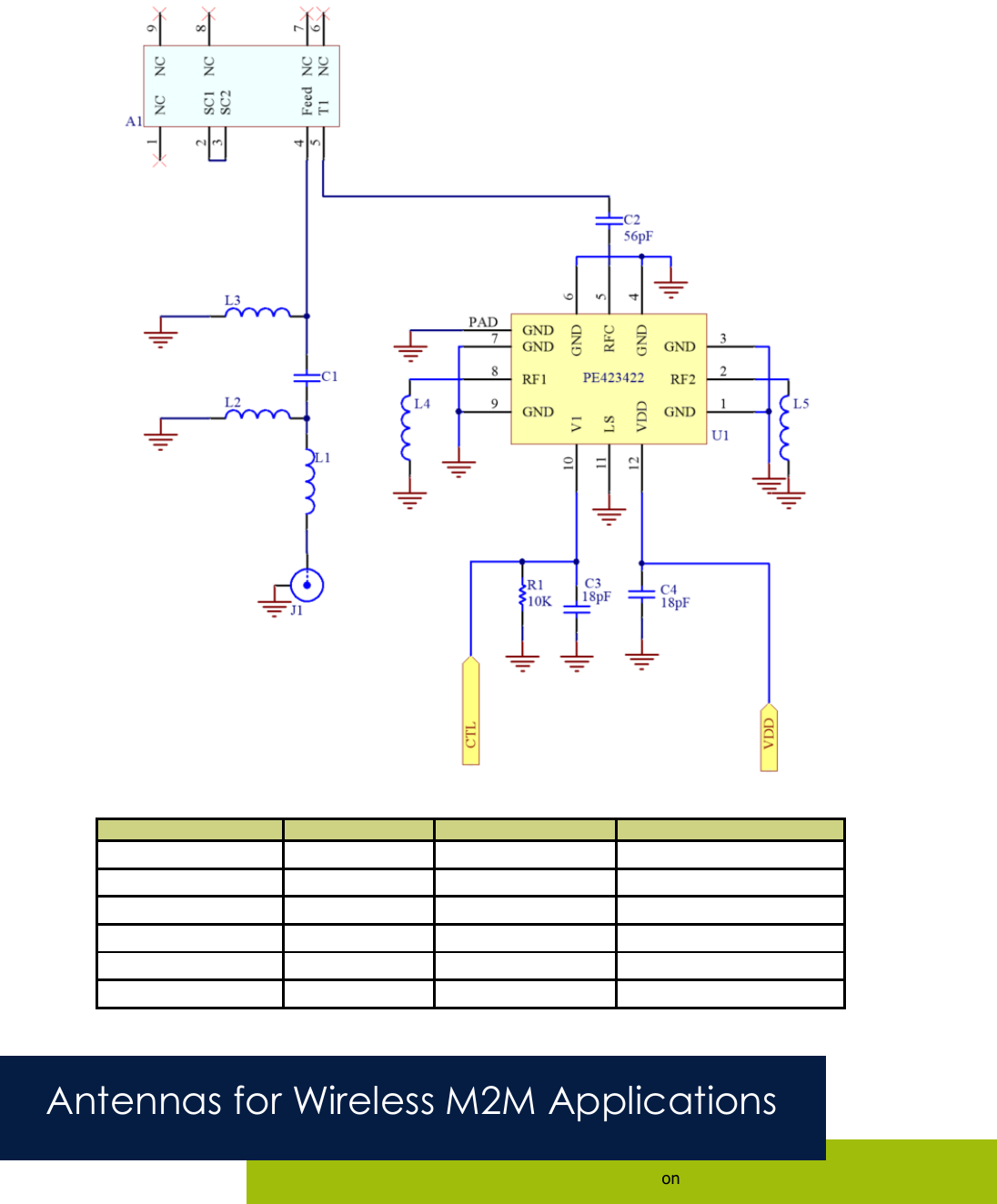
13.0 Antenna Active Tuning for Smaller GND planes
For a host PCB with a length less than 75mm is it suggested to use an active tuning circuit
to overcome the BW reduction seen with smaller GND. This can be implemented on a
single antenna or diversity solution. An Antenova EVB kit is available with this circuit
(SR4L034-EVB-3).
The SR4L034-EVB-3 evaluation PCB uses a simple RF switching circuit to select
between two component values on the RTN (Pin5). In this kit the RF switch used is a
Peregrine PE423422.
SR4L034-EVB-3 = 65 x 40 (mm)
L; c -. T
PAD
J: GND 0 a
=
- = 7 6ND % 2 g 6ND ‘
::Ll an PEJEJJS: m 3
An’rennos for Wireless M2M Applications
Inversa
Part No. SR4L034
Antennas for Wireless M2M Applications
Product Specification Inversa-SR4L034-PS-1.0 Page 23
13.1 Antenna Active Tuning Circuit
Reference circuit using the Peregrine PE423422. The input matching circuit and L4
and L5 values are dependent on the host PCB/Device.
Designator
Type
Value
Description
U1
RF Switch
PE423422
Peregrine RF SPDT
R1
Resistor
10K
Pull Down
C3, C4
Capacitor
18pF
De-coupler
C2
Capacitor
56pF
DC-Block
L4,L5
Tuning Cap / Ind
-
Dependant on Device
L1,L2,C1,L3
Matching
-
Dependant on Device
MB]
‘ 2
a
,5,
s
5
5 s
\\
,m,
15,
in i i in“?!
600 m 7w m m mso um um um mm 1500 1590 use we mac 1950 20402130 2220 23m mm 2490 2530 257:: mu
An’rennos for Wireless M2M Applications
Inversa
Part No. SR4L034
Antennas for Wireless M2M Applications
Product Specification Inversa-SR4L034-PS-1.0 Page 24
13.2 Antenna Active Tuning Circuit Performance
The SR4L034-EVB-3 was tested in the following configuration:
1 = 698-746MHz; 1710-2155MHz
2 = 824-960MHz; 1710-2155MHz
13.3 Return Loss
698 - 746 MHz
824 - 960 MHz
Peak gain
-2.5dBi
-1.0dBi
Average gain (Linear)
-4.2dBi
-2.8dBi
Average efficiency
>30%
>35%
Maximum return loss
<-4.2dB
<-4.1dB
Maximum VSWR
4.0:1
3.9:1
antenovéirM o
SR4L034-L V V
15>:
IamiiANT - Inversa
SR4L034-EVB-1 125mm
n
i » AN 2:1,:4
®
a nte nova
0.000...
36mm
salengantenova—mmeom.
An’rennos for Wireless M2M Applications
Inversa
Part No. SR4L034
Antennas for Wireless M2M Applications
Product Specification Inversa-SR4L034-PS-1.0 Page 25
14.0 Reference Board
The reference board has been designed for evaluating the SR4L034-L antenna. It includes
an SMA female connector.
SR4L034-EVB-1 Evaluation Board
To order a reference board contact sales@antenova-m2m.com.
Please state if a single antenna or two antenna EVB is required.
we
L
L
SRJI (i 4- I
NC
NC NC
N(
T] NC
ccd
-— SCI
N
U
v:
er.
L3
gm.
C1 :: L4
L2
gm.
3
An’rennos for Wireless M2M Applications
Inversa
Part No. SR4L034
Antennas for Wireless M2M Applications
Product Specification Inversa-SR4L034-PS-1.0 Page 26
14.1 SR4L034-EVB-1 Matching Circuit
The reference board has been designed for evaluating SR4L034 and includes an SMA female
connector.
Designator
Type
Value
Description
L1
Resistor
0R
Non - Specific
L2
Inductor
22nH
Murata LQG15HN
C1
Capacitor
1.8pF
Murata GJM15
L3
Inductor
39nH
Murata LQG15HN
L4
Inductor
6.8nH
Murata LQG15HN
anlenové .
mm L
ANT — inverse
SR4L347EVBVZ
105mm
55mm
65mm
40mm
salesgflantenova—mlmxom.
An’rennos for Wireless M2M Applications
Inversa
Part No. SR4L034
Antennas for Wireless M2M Applications
Product Specification Inversa-SR4L034-PS-1.0 Page 27
14.2 Diversity EVB Active Tuning EVB
Two more versions of the Inversa evaluation board are available. Please contact Antenova
for more information.
SR4L034-EVB-2 (Diversity Example)
SR4L034-EVB-3 (Active Tuning Solution)
To order a reference board contact sales@antenova-m2m.com.
Please state if a single antenna or two antenna EVB is required.
manufacturer's plastic packaging.
An’rennos for Wireless M2M Applications
Inversa
Part No. SR4L034
Antennas for Wireless M2M Applications
Product Specification Inversa-SR4L034-PS-1.0 Page 28
15. Soldering
This antenna is suitable for lead free soldering.
The reflow profile should be adjusted to suit the device, oven and solder paste, while
observing the following conditions:
• The maximum temperature should not exceed 240 ºC.
• However, for lead free soldering, a maximum temperature of 255 ºC for no more
than 20 seconds is permitted.
• The antenna should not be exposed to temperatures exceeding 120 ºC more
than 3 times during the soldering process.
16. Hazardous Material Regulation Conformance
The antenna has been tested to conform to RoHS requirements. A certificate of
conformance is available from Antenova M2M’s website.
17. Packaging
17.1 Optimal Storage Conditions
Temperature
-10ºC to 40ºC
Humidity
Less than 75% RH
Shelf life
24 Months
Storage place
Away from corrosive gas and direct sunlight
Packaging
Reels should be stored in unopened sealed
manufacturer’s plastic packaging.
Note: Storage of open reels of antennas is not recommended due to possible oxidization of
pads on antennas. If short term storage is necessary, then it is highly recommended that
the bag containing the antenna reel is re-sealed and stored in like storage conditions as in
above table.
P0 b.0030“) 4 P 0‘0] DO 155:005
4W T—Z—ZL—Q /— i
$$$$$$$$$$$$$$$7fi
(3 EB 99 63 GAY 3
eeeeeeeeeeeeeeflgfle/
Pi 12 001010
AD MAX S°O|§i
o
x
MAX s-me‘
BO
USER FEEDiNG
DIREETiON
An’rennos for Wireless M2M Applications
Inversa
Part No. SR4L034
Antennas for Wireless M2M Applications
Product Specification Inversa-SR4L034-PS-1.0 Page 29
17.2 Tape Characteristics
Ko
Ao
Bo
P0
P1
P2
4.10 ± 0.1
8.50 ± 0.1
28.50 ± 0.1
4.00 ± 0.1
12.00 ± 0.1
2.00 ± 0.1
E
F
W
t
1.75 ± 0.1
20.20 ± 0.15
44.00 ± 0.3
0.30 ± 0.05
Dimensions in mm
Notes:
1) 10 sprocket hole pitch cumulative tolerance ±0.2
2) Camber not to exceed 1mm in 100mm
3) Ao and Bo measured on a plane 0.1mm above the bottom of the pocket
4) Ko measured from a plane on the inside bottom of the pocket to the top surface of the carrier
An’rennos for Wireless M2M Applications
Inversa
Part No. SR4L034
Antennas for Wireless M2M Applications
Product Specification Inversa-SR4L034-PS-1.0 Page 30
17.3 Reel Dimensions
A
C
N
W1
330.0 ± 2.0
13.0 ± 0.5
178.0 ± 0.2
45 ± 0.3
All dimensions in mm
inquanIenova-mchom
Length Width Thickness
(L) (W) (T)
gqtenovq ANTENOVA Lid
T
a n te n ova”
0 O O 02. O O 0
60mm
90mm
An’rennos for Wireless M2M Applications
Inversa
Part No. SR4L034
Antennas for Wireless M2M Applications
Product Specification Inversa-SR4L034-PS-1.0 Page 31
17.4 Box Dimensions
17.5 Bag Properties
Reels are supplied in protective plastic packaging.
17.6 Reel Label Information
Length
(L)
Width
(W)
Thickness
(T)
350mm
340mm
65mm
Antenova Limited
4F, No 324, Sec 1, Nei-Hu Road
Nei-Hu District, Taipei 11493, Taiwan, ROC
info@antenova-m2m.com / www.antenova-m2m.com
Description: Inversa
Part number: SR4L034
Quantity: 1,000
Date Code: YYWW
Manufacturer’s code number: lamiiANT®
60mm
90mm
www.antenova-m2m .com
sales@antenova-m2m.cnm sales@antenova-m2m.com sales@anlennva-m2m.com
An’rennos for Wireless M2M Applications
Inversa
Part No. SR4L034
Antennas for Wireless M2M Applications
Product Specification Inversa-SR4L034-PS-1.0 Release date January 2018 Page 32
www.antenova-m2m.com
Corporate Headquarters
Antenova Limited
2nd Floor Titan Court
3 Bishop Square
Hatfield
AL10 9NA
UK
Tel: +44 1223 810600
Email: sales@antenova-m2m.com
North America Headquarters
Antenova Limited
100 Brush Creek Road
Suite 103, Santa Rosa
California 95404,
USA
Tel: +1 707 890 5202
Email: sales@antenova-m2m.com
Asia Headquarters
Antenova Asia Limited
4F, No. 324, Sec. 1, Nei-Hu Road
Nei-Hu District
Taipei 11493
Taiwan, ROC
Tel: +886 (0) 2 8797 8630
Fax: +886 (0) 2 8797 6890
Email: sales@antenova-m2m.com
Copyright® Antenova Ltd. All Rights Reserved. Antenova ®, Antenova M2M ®, gigaNOVA ®, the Antenova
product family names, and the Antenova and Antenova M2M logos are trademarks and/or registered trademarks
of Antenova Ltd. Any other names and/or trademarks belong to their respective companies.
The materials provided herein are believed to be reliable and correct at the time of printing. Antenova does not
warrant the accuracy or completeness of the information, text, graphics or other items contained within this
information. Antenova further assumes no responsibility for the use of this information, and all such information
shall be entirely at the user’s risk.
Products related to this Datasheet
RF ANT 829MHZ/1.94GHZ PCB TRACE
RF ANT 829MHZ/1.94GHZ PCB TRACE
RF ANT 829MHZ/1.94GHZ PCB TRACE
INVERSA LEFT EVALUATION BOARD
RF ANT 829MHZ/1.94GHZ PCB TRACE
RF ANT 829MHZ/1.94GHZ PCB TRACE
RF ANT 829MHZ/1.94GHZ PCB TRACE