HIH-4030,31 Series Datasheet by Honeywell Sensing and Productivity Solutions
View All Related Products | Download PDF Datasheet
HIH-4030/31 Series
Humidity Sensors
DESCRIPTION
Honeywell has expanded our HIH Series to include an SMD
(Surface Mount Device) product line: the new HIH 4030/4031.
The HIH 4030/4031 complements our existing line of non-SMD
humidity sensors. SMD packaging on tape and reel allows for
use in high volume, automated pick and place manufacturing,
eliminating lead misalignment to printed circuit board through-
hole.
The HIH-4030/4031 Series Humidity Sensors are designed
specifically for high volume OEM (Original Equipment
Manufacturer) users.
Direct input to a controller or other device is made possible by
this sensor’s near linear voltage output. With a typical current
draw of only 200 μA, the HIH-4030/4031 Series is often ideally
suited for low drain, battery operated systems.
Tight sensor interchangeability reduces or eliminates OEM
production calibration costs. Individual sensor calibration data
is available.
The HIH-4030/4031 Series delivers instrumentation-quality RH
(Relative Humidity) sensing performance in a competitively
priced, solderable SMD.
The HIH-4030 is a covered integrated circuit humidity sensor.
The HIH-4031 is a covered, condensation-resistant, integrated
circuit humidity sensor that is factory-fitted with a hydrophobic
filter allowing it to be used in condensing environments
including industrial, medical and commercial applications.
The RH sensor uses a laser trimmed, thermoset polymer
capacitive sensing element with on-chip integrated signal
conditioning.
The sensing element's multilayer construction provides
excellent resistance to most application hazards such as
condensation, dust, dirt, oils and common environmental
chemicals.
Sample packs are available. See order guide.
FEATURES
• Tape and reel packaging allows for use in high volume pick
and place manufacturing (1,000 units per tape and reel)
• Molded thermoset plastic housing
• Near linear voltage output vs %RH
• Laser trimmed interchangeability
• Low power design
• Enhanced accuracy
• Fast response time
• Stable, low drift performance
• Chemically resistant
POTENTIAL APPLICATIONS
• Refrigeration equipment
• HVAC (Heating, Ventilation and Air Conditioning)
equipment
• Medical equipment
• Drying
• Metrology
• Battery-powered systems
• OEM assemblies

HIH-4030/31 Series
2 www.honeywell.com/sensing
TABLE 1. PERFORMANCE SPECIFICATIONS (At 5 Vdc supply and 25 ºC [77 ºF] unless otherwise noted.)
Parameter Minimum Typical Maximum Unit Specific
Note
Interchangeability (first order curve) – – – – –
0% RH to 59% RH -5 – 5 % RH –
60% RH to 100% RH -8 – 8 % RH –
Accuracy (best fit straight line) -3.5 – +3.5 % RH 1
Hysterisis – 3 – % RH –
Repeatability – ±0.5 – % RH –
Settling time – – 70 ms –
Response time (1/e in slow moving air) – 5 – s –
Stability (at 50% RH in a year) – ±1.2 – % RH 2
Stability (at 50% RH in a year) – ±0.5 – % RH 3
Voltage supply 4 – 5.8 Vdc 4
Current supply – 200 500 μA –
Voltage output (1st order curve fit) VOUT=(VSUPPLY)(0.0062(sensor RH) + 0.16), typical at 25 ºC
Temperature compensation True RH = (Sensor RH)/(1.0546 – 0.00216T), T in ºC
Output voltage temp. coefficient at 50% RH, 5 V – -4 – mV/ºC –
Operating temperature -40[-40] See Figure 1. 85[185] ºC[ºF] –
Operating humidity (HIH-4030) 0 See Figure 1. 100 % RH 5
Operating humidity (HIH-4031) 0 See Figure 1. 100 % RH –
Storage temperature -50[-58] – 125[257] ºC[ºF] –
Storage humidity See Figure 2. % RH 5
Specific Notes:
1. Can only be achieved with the supplied slope and offset. For
HIH-4030/31-003 catalog listings only.
2. Includes testing outside of recommended operating zone.
3. Includes testing for recommended operating zone only.
4. Device is calibrated at 5 Vdc and 25 ºC.
5. Non-condensing environment. When liquid water falls on the
humidity sensor die, output goes to a low rail condition
indicating no humidity.
General Notes:
• Sensor is ratiometric to supply voltage.
• Extended exposure to >90% RH causes a reversible
shift of 3% RH.
• Sensor is light sensitive. For best performance, shield
sensor from bright light.
FACTORY CALIBRATION DATA
HIH-4030/31 Sensors may be ordered with a calibration and
data printout. See Table 2 and the order guide on the back
page.
TABLE 2. EXAMPLE DATA PRINTOUT
Model HIH-4030-003
Channel 92
Wafer 030996M
MRP 337313
Calculated values at 5 V
VOUT at 0% RH
VOUT at 75.3% RH
0.958 V
3.268 V
Linear output for 3.5% RH
accuracy at 25 °C
Zero offset
Slope
Sensor RH
0.958 V
30.680 mV/%RH
(VOUT - zero offset)/slope
(VOUT - 0.958)/0.0307
Ratiometric response for
0% RH to 100% RH
VOUT
VSUPPLY (0.1915 to 0.8130)

Humidity Sensors
Honeywell Sensing and Control 3
FIGURE 1. OPERATING ENVIRONMENT (Non-condensing environment for HIH-4030 catalog listings only.)
FIGURE 2. STORAGE ENVIRONMENT (Non-condensing environment for HIH-4030 catalog listings only.)
0%
10%
20%
30%
50%
40%
60%
70%
80%
90%
100%
-40 20-20 0 40 60 80 100 120 140
Temperature ºC
Recommended storage zone

HIH-4030/31 Series
4 www.honeywell.com/sensing
FIGURE 3. TYPICAL OUTPUT VOLTAGE VS RELATIVE HUMIDITY (At 25 ºC and 5 V.)
0.5
1
1.5
2
2.5
3
3.5
4
0 20406080100
Relative Humidity (%RH)
Output Voltage (Vdc)
Sensor Response
Sensor Response
Best Linear Fit
FIGURE 4. TYPICAL OUTPUT VOLTAGE (BFSL) VS RELATIVE HUMIDITY (At 0 ºC, 70 ºC and 5 V.)
0
0.5
1
1.5
2
2.5
3
3.5
4
4.5
0 102030405060708090100
Relative Humidity (%)
Output Voltage (Vdc)
0 C
70 C

Humidity Sensors
Honeywell Sensing and Control 5
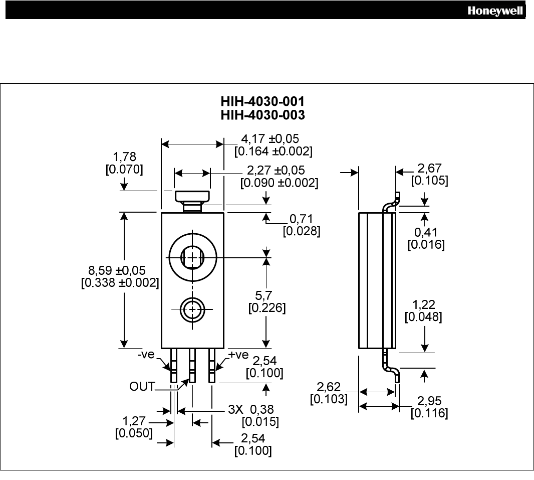
FIGURE 5. HIH-4030 MOUNTING DIMENSIONS (For reference only. mm/[in])

HIH-4030/31 Series
6 www.honeywell.com/sensing
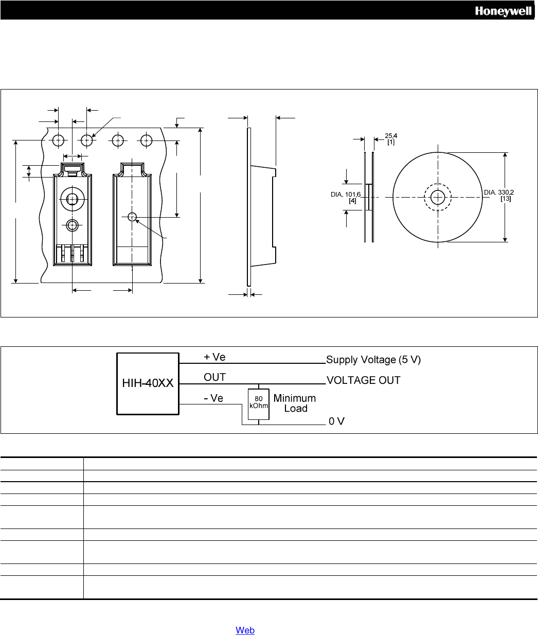
FIGURE 6. HIH-4031 MOUNTING DIMENSIONS (For reference only. mm/[in])
FIGURE 7. HIH-4031 PCB LANDING PATTERN (For reference only. mm/[in])

Humidity Sensors
Honeywell Sensing and Control 7
FIGURE 8. TAPE AND REEL DIMENSIONS (For reference only. mm/[in])
8,00
[0.315]
11,51
[0.453]
2,64
[0.104]
22,25
[0.876]
1,75
[0.069]
24,00
[0.945]
2,64
[0.076]
DIA. 1,50
[0.059]
2,01
[0.079]
3,99
[0.157]
DIA. 1,50
[0.059]
3,91
[0.154]
0,343
[0.0135]
FIGURE 9. TYPICAL APPLICATION CIRCUIT
ORDER GUIDE
Catalog Listing Description
HIH-4030-001 Covered integrated circuit humidity sensor, SMD, 1000 units on tape and reel
HIH-4030-003 Covered integrated circuit humidity sensor, SMD, calibration and data printout, 1000 units on tape and reel
HIH-4031-001 Covered, filtered integrated circuit humidity sensor, SMD, 1000 units on tape and reel
HIH-4031-003 Covered, filtered integrated circuit humidity sensor, SMD, calibration and data printout, 1000 units on tape
and reel
HIH-4030-001S Sample pack: covered integrated circuit humidity sensor, SMD, five units on tape
HIH-4030-003S Sample pack: covered integrated circuit humidity sensor, SMD, calibration and data printout, five units on
tape
HIH-4031-001S Sample pack: covered, filtered integrated circuit humidity sensor, SMD, sample pack, five units on tape
HIH-4031-003S Sample pack: covered, filtered integrated circuit humidity sensor, SMD, calibration and data printout, five
units on tape
FURTHER HUMIDITY SENSOR INFORMATION
See the following associated literature is available on the Web:
• Product installation instructions
• Application sheets:
– Humidity Sensor Performance Characteristics
– Humidity Sensor Theory and Behavior
– Humidity Sensor Moisture and Psychrometrics
– Thermoset Polymer-based Capacitive Sensors

Sensing and Control
Honeywell
1985 Douglas Drive North
Minneapolis, MN 55422
www.honeywell.com/sensing
009021-4-EN IL50 GLO Printed in USA
March 2008
© 2008 Honeywell International Inc. All rights reserved.
WARNING
MISUSE OF DOCUMENTATION
• The information presented in this product sheet is for
reference only. Do not use this document as a product
installation guide.
• Complete installation, operation, and maintenance
information is provided in the instructions supplied with
each product.
Failure to comply with these instructions could result
in death or serious injury.
WARRANTY/REMEDY
Honeywell warrants goods of its manufacture as being free of
defective materials and faulty workmanship. Honeywell’s
standard product warranty applies unless agreed to otherwise
by Honeywell in writing; please refer to your order
acknowledgement or consult your local sales office for specific
warranty details. If warranted goods are returned to Honeywell
during the period of coverage, Honeywell will repair or replace,
at its option, without charge those items it finds defective. The
foregoing is buyer’s sole remedy and is in lieu of all other
warranties, expressed or implied, including those of
merchantability and fitness for a particular purpose. In no
event shall Honeywell be liable for consequential, special,
or indirect damages.
While we provide application assistance personally, through
our literature and the Honeywell web site, it is up to the
customer to determine the suitability of the product in the
application.
Specifications may change without notice. The information we
supply is believed to be accurate and reliable as of this
printing. However, we assume no responsibility for its use.
WARNING
PERSONAL INJURY
DO NOT USE these products as safety or emergency stop
devices or in any other application where failure of the
product could result in personal injury.
Failure to comply with these instructions could result
in death or serious injury.
SALES AND SERVICE
Honeywell serves its customers through a worldwide network
of sales offices, representatives and distributors. For
application assistance, current specifications, pricing or name
of the nearest Authorized Distributor, contact your local sales
office or:
E-mail: info.sc@honeywell.com
Internet: www.honeywell.com/sensing
Phone and Fax:
Asia Pacific +65 6355-2828
+65 6445-3033 Fax
Europe +44 (0) 1698 481481
+44 (0) 1698 481676 Fax
Latin America +1-305-805-8188
+1-305-883-8257 Fax
USA/Canada +1-800-537-6945
+1-815-235-6847
+1-815-235-6545 Fax
Products related to this Datasheet
SENSOR HUMIDITY 5V ANLG 3.5% SMD
SENSOR HUMIDITY 5V ANLG 3.5% SMD
SENSOR HUMIDITY 5V ANLG 3.5% SMD
HUMIDITY SENSOR BREAKOUT
SENSOR HUMIDITY 5V ANLG 3.5% SMD
SENSOR HUMIDITY 5V ANLG 3.5% SMD
SENSOR HUMIDITY 5V ANLG 3.5% SMD