I TEXAS
INSTRUMENTS
\J 3 1 V 5
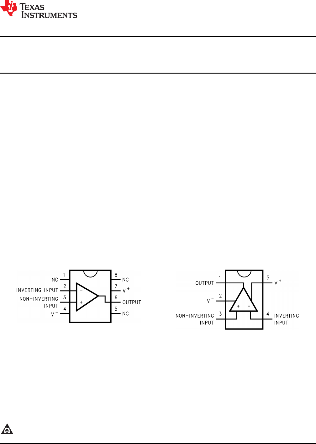
NC _NC OUTPUT v*
2 7 +
mvwwe \NPUT _ _v 2
_ 3 6 ,
NON \NVERTING + —ouwm v _
\NPUT A 5
V'— —N° NON»|NVERTING 3 4 \NVERT‘NG
\NPUT \NPUT
LM7301
www.ti.com
SNOS879H –AUGUST 1999–REVISED MARCH 2013
Low Power, 4 MHz GBW, Rail-to-Rail Input-Output Operational Amplifier in SOT-23
Package
Check for Samples: LM7301
1FEATURES DESCRIPTION
The LM7301 provides high performance in a wide
2• At VS= 5V (Typ Unless Otherwise Noted) range of applications. The LM7301 offers greater than
• Tiny 5-Pin SOT-23 Package Saves Space rail-to-rail input range, full rail-to-rail output swing,
• Greater than Rail-to-Rail Input CMVR −0.25V large capacitive load driving ability and low distortion.
to 5.25V With only 0.6 mA supply current, the 4 MHz gain-
• Rail-to-Rail Output Swing 0.07V to 4.93V bandwidth of this device supports new portable
applications where higher power devices
• Wide Gain-Bandwidth 4 MHz unacceptably drain battery life.
• Low Supply Current 0.60 mA
The LM7301 can be driven by voltages that exceed
• Wide Supply Range 1.8V to 32V both power supply rails, thus eliminating concerns
• High PSRR 104 dB over exceeding the common-mode voltage range.
• High CMRR 93 dB The rail-to-rail output swing capability provides the
maximum possible dynamic range at the output. This
• Excellent Gain 97 dB is particularly important when operating on low supply
voltages.
APPLICATIONS
Operating on supplies of 1.8V–32V, the LM7301 is
• Portable Instrumentation excellent for a very wide range of applications in low
• Signal Conditioning Amplifiers/ADC Buffers power systems.
• Active Filters Placing the amplifier right at the signal source
• Modems reduces board size and simplifies signal routing. The
• PCMCIA Cards LM7301 fits easily on low profile PCMCIA cards.
Connection Diagrams
Figure 1. 8-Pin SOIC (Top View) Figure 2. 5-Pin SOT-23 (Top View)
See Package Number D See Package Number DBV
1
Please be aware that an important notice concerning availability, standard warranty, and use in critical applications of
Texas Instruments semiconductor products and disclaimers thereto appears at the end of this data sheet.
2All trademarks are the property of their respective owners.
PRODUCTION DATA information is current as of publication date. Copyright © 1999–2013, Texas Instruments Incorporated
Products conform to specifications per the terms of the Texas
Instruments standard warranty. Production processing does not
necessarily include testing of all parameters.
l TEXAS
INSTRUMENTS
MO ‘ ‘ NO ‘40 HO
iv: = 2 7v ‘
‘20 V21] ‘20 ‘ CL fl ‘21]
3‘0“ 1 1 ‘00? gm 1 1 I mo?
2 an an 2 2 an t \ 50 g
z; 60 60 E Z; 50 60 E
g i g CL : meow i
4 40 40 g 4 40 40 g
E 20 1 1 20 E E 20 1 1 20 E
0 v5 2.7V ’ 0 CL 0 x
U U U U
‘ CL = weepr
120 -20 120 -20
I ‘0 I00 Vk VOk mm W VOM I ‘0 I00 Vk VOk mm W VOM
FREQUENCY (HI) FREQUENCY (Hz)
LM7301
SNOS879H –AUGUST 1999–REVISED MARCH 2013
www.ti.com
Gain and Phase,
Gain and Phase 2.7V Supply
Figure 3. Figure 4.
These devices have limited built-in ESD protection. The leads should be shorted together or the device placed in conductive foam
during storage or handling to prevent electrostatic damage to the MOS gates.
Absolute Maximum Ratings(1)(2)
Value Unit
ESD Tolerance(3) Human Body Model 2500 V
Differential Input Voltage 15 V
Voltage at Input/Output Pin (V+) + 0.3V, (V−)−0.3 V
Supply Voltage (V+−V−) 35 V
Current at Input Pin ±10 mA
Current at Output Pin(4) ±20 mA
Current at Power Supply Pin 25 mA
Soldering Information: http://www.ti.com/lit/an/snoa549c/snoa549c.pdf
Storage Temperature Range −65°C to +150 °C
Junction Temperature(5) 150 °C
(1) Absolute Maximum Ratings indicate limits beyond which damage to the device may occur. Operating Ratings indicate conditions for
which the device is intended to be functional, but specific performance is not guaranteed. For guaranteed specifications and the test
conditions, see the Electrical Characteristics.
(2) If Military/Aerospace specified devices are required, please contact the Texas Instruments Sales Office/Distributors for availability and
specifications.
(3) Human Body Model, applicable std. MIL-STD-883, Method 3015.7.
(4) Applies to both single-supply and split-supply operation. Continuous short circuit operation at elevated ambient temperature can result in
exceeding the maximum allowed junction temperature of 150°C.
(5) The maximum power dissipation is a function of TJ(MAX),θJA, and TA. The maximum allowable power dissipation at any ambient
temperature is PD= (TJ(MAX) −TA)/θJA. All numbers apply for packages soldered directly into a PC board.
Operating Ratings(1)
Value Unit
Supply Voltage 1.8 ≤VS≤32 V
Operating Temperature Range(2) −40 to +85 °C
Package Thermal Resistance (θJA)(2) 5-Pin SOT-23 325 °C/W
8-Pin SOIC 165 °C/W
(1) Absolute Maximum Ratings indicate limits beyond which damage to the device may occur. Operating Ratings indicate conditions for
which the device is intended to be functional, but specific performance is not guaranteed. For guaranteed specifications and the test
conditions, see the Electrical Characteristics.
(2) The maximum power dissipation is a function of TJ(MAX),θJA, and TA. The maximum allowable power dissipation at any ambient
temperature is PD= (TJ(MAX) −TA)/θJA. All numbers apply for packages soldered directly into a PC board.
2Submit Documentation Feedback Copyright © 1999–2013, Texas Instruments Incorporated
Product Folder Links: LM7301
l TEXAS
INSTRUMENTS
LM7301
www.ti.com
SNOS879H –AUGUST 1999–REVISED MARCH 2013
5.0V DC Electrical Characteristics(1)
Unless otherwise specified, all limits guaranteed for TA= 25°C, V+= 5V, V−= 0V, VCM = VO= V+/2 and RL> 1MΩto V+/2.
Boldface limits apply at the temperature extremes.
LM7301
Symbol Parameter Conditions Units
Typ Limit
(2) (3)
0.03 6 mV
VOS Input Offset Voltage 8max
TCVOS Input Offset Voltage Average Drift 2μV/°C
IBInput Bias Current VCM = 0V 90 200 nA
250 max
VCM = 5V −40 −75 nA
−85 min
IOS Input Offset Current VCM = 0V 0.7 70 nA
80 max
VCM = 5V 0.7 55
65
RIN Input Resistance, CM 0V ≤VCM ≤5V 39 MΩ
CMRR Common Mode Rejection Ratio 0V ≤VCM ≤5V 88 70 dB
67 min
0V ≤VCM ≤3.5V 93
PSRR Power Supply Rejection Ratio 2.2V ≤V+≤30V 104 87
84
VCM Input Common-Mode Voltage Range CMRR ≥65 dB 5.1 V
−0.1 V
AVLarge Signal Voltage Gain RL= 10 kΩ71 14 V/mV
VO= 4.0VPP 10 min
VOOutput Swing RL= 10 kΩ0.07 0.12 V
0.15 max
4.93 4.88 V
4.85 min
RL= 2 kΩ0.14 0.20 V
0.22 max
4.87 4.80 V
4.78 min
ISC Output Short Circuit Current Sourcing 11.0 8.0 mA
5.5 min
Sinking 9.5 6.0 mA
5.0 min
ISSupply Current 0.60 1.10 mA
1.24 max
(1) Electrical Table values apply only for factory testing conditions at the temperature indicated. Factory testing conditions result in very
limited self-heating of the devices such that TJ= TA. No guarantee of parametric performance is indicated in the electrical tables under
conditions of internal self-heating where TJ> TA.
(2) Typical values represent the most likely parametric norm as determined at the time of characterization. Actual typical values may vary
over time and will also depend on the application and configuration. The typical values are not tested and are not guaranteed on
shipped production material.
(3) All limits are guaranteed by testing or statistical analysis.
Copyright © 1999–2013, Texas Instruments Incorporated Submit Documentation Feedback 3
Product Folder Links: LM7301
l TEXAS
INSTRUMENTS
LM7301
SNOS879H –AUGUST 1999–REVISED MARCH 2013
www.ti.com
AC Electrical Characteristics(1)
TA= 25°C, V+= 2.2V to 30V, V−= 0V, VCM = VO= V+/2 and RL> 1MΩto V+/2
Typ
Symbol Parameter Conditions Units
(2)
SR Slew Rate ±4V Step @ VS±6V 1.25 V/μs
GBW Gain-Bandwidth Product f = 100 kHz, RL= 10 kΩ4 MHz
enInput-Referred Voltage Noise f = 1 kHz 36 nV/√Hz
inInput-Referred Current Noise f = 1 kHz 0.24 pA/√Hz
T.H.D. Total Harmonic Distortion f = 10 kHz 0.006 %
(1) Electrical Table values apply only for factory testing conditions at the temperature indicated. Factory testing conditions result in very
limited self-heating of the devices such that TJ= TA. No guarantee of parametric performance is indicated in the electrical tables under
conditions of internal self-heating where TJ> TA.
(2) Typical values represent the most likely parametric norm as determined at the time of characterization. Actual typical values may vary
over time and will also depend on the application and configuration. The typical values are not tested and are not guaranteed on
shipped production material.
2.2V DC Electrical Characteristics(1)
Unless otherwise specified, all limits guaranteed for TA= 25°C, V+= 2.2V, V−= 0V, VCM = VO= V+/2 and RL> 1MΩto V+/2.
Boldface limits apply at the temperature extremes.
LM7301
Symbol Parameter Conditions Units
Typ Limit
(2) (3)
0.04 6
VOS Input Offset Voltage mV max
8
TCVOS Input Offset Voltage Average Drift 2μV/°C
IBInput Bias Current VCM = 0V 89 200 nA
250 max
VCM = 2.2V −35 −75 nA
−85 min
IOS Input Offset Current VCM = 0V 0.8 70 nA
80 max
VCM = 2.2V 0.4 55
65
RIN Input Resistance 0V ≤VCM ≤2.2V 18 MΩ
CMRR Common Mode Rejection Ratio 0V ≤VCM ≤2.2V 82 60 dB
56 min
PSRR Power Supply Rejection Ratio 2.2V ≤V+≤30V 104 87
84
VCM Input Common-Mode Voltage Range CMRR > 60 dB 2.3 V
−0.1 V
AVLarge Signal Voltage Gain RL= 10 kΩ46 6.5 V/mV
VO= 1.6VPP 5.4 min
VOOutput Swing RL= 10 kΩ0.05 0.08 V
0.10 max
2.15 2.10 V
2.00 min
RL= 2 kΩ0.09 0.13 V
0.14 max
2.10 2.07 V
2.00 min
(1) Electrical Table values apply only for factory testing conditions at the temperature indicated. Factory testing conditions result in very
limited self-heating of the devices such that TJ= TA. No guarantee of parametric performance is indicated in the electrical tables under
conditions of internal self-heating where TJ> TA.
(2) Typical values represent the most likely parametric norm as determined at the time of characterization. Actual typical values may vary
over time and will also depend on the application and configuration. The typical values are not tested and are not guaranteed on
shipped production material.
(3) All limits are guaranteed by testing or statistical analysis.
4Submit Documentation Feedback Copyright © 1999–2013, Texas Instruments Incorporated
Product Folder Links: LM7301
l TEXAS
INSTRUMENTS
LM7301
www.ti.com
SNOS879H –AUGUST 1999–REVISED MARCH 2013
2.2V DC Electrical Characteristics(1) (continued)
Unless otherwise specified, all limits guaranteed for TA= 25°C, V+= 2.2V, V−= 0V, VCM = VO= V+/2 and RL> 1MΩto V+/2.
Boldface limits apply at the temperature extremes.
LM7301
Symbol Parameter Conditions Units
Typ Limit
(2) (3)
ISC Output Short Circuit Current Sourcing 10.9 8.0 mA
5.5 min
Sinking 7.7 6.0 mA
5.0 min
ISSupply Current 0.57 0.97 mA
1.24 max
30V DC Electrical Characteristics(1)
Unless otherwise specified, all limits guaranteed for TA= 25°C, V+= 30V, V−= 0V, VCM = VO= V+/2 and RL> 1MΩto V+/2.
Boldface limits apply at the temperature extremes.
LM7301
Symbol Parameter Conditions Units
Typ Limit
(2) (3)
0.04 6 mV
VOS Input Offset Voltage 8 max
TCVOS Input Offset Voltage Average Drift 2μV/°C
IBInput Bias Current VCM = 0V 103 300 nA
500 max
VCM = 30V −50 −100 nA
−200 min
IOS Input Offset Current VCM = 0V 1.2 90 nA
190 max
VCM = 30V 0.5 65 nA
135 max
RIN Input Resistance 0V ≤VCM ≤30V 200 MΩ
CMRR Common Mode Rejection Ratio 0V ≤VCM ≤30V 104 80 dB
78 min
0V ≤VCM ≤27V 115 90
88
PSRR Power Supply Rejection Ratio 2.2V ≤V+≤30V 104 87
84
VCM Input Common-Mode Voltage Range CMRR > 80 dB 30.1 V
−0.1 V
AVLarge Signal Voltage Gain RL= 10 kΩ105 30 V/mV
VO= 28VPP 20 min
VOOutput Swing RL= 10 kΩ0.16 0.275 V max
0.375
29.8 29.75 V min
28.65
ISC Output Short Circuit Current Sourcing(4) 11.7 8.8 mA
6.5 min
Sinking(4) 11.5 8.2 mA
6.0 min
(1) Electrical Table values apply only for factory testing conditions at the temperature indicated. Factory testing conditions result in very
limited self-heating of the devices such that TJ= TA. No guarantee of parametric performance is indicated in the electrical tables under
conditions of internal self-heating where TJ> TA.
(2) Typical values represent the most likely parametric norm as determined at the time of characterization. Actual typical values may vary
over time and will also depend on the application and configuration. The typical values are not tested and are not guaranteed on
shipped production material.
(3) All limits are guaranteed by testing or statistical analysis.
(4) The maximum power dissipation is a function of TJ(MAX),θJA, and TA. The maximum allowable power dissipation at any ambient
temperature is PD= (TJ(MAX) −TA)/θJA. All numbers apply for packages soldered directly into a PC board.
Copyright © 1999–2013, Texas Instruments Incorporated Submit Documentation Feedback 5
Product Folder Links: LM7301
l TEXAS
INSTRUMENTS
Suw‘y cunem (m)
Vns (mV)
075
0.7
ass
0.5
ass
was LM7301
SNOS879H –AUGUST 1999–REVISED MARCH 2013
www.ti.com
30V DC Electrical Characteristics(1) (continued)
Unless otherwise specified, all limits guaranteed for TA= 25°C, V+= 30V, V−= 0V, VCM = VO= V+/2 and RL> 1MΩto V+/2.
Boldface limits apply at the temperature extremes.
LM7301
Symbol Parameter Conditions Units
Typ Limit
(2) (3)
ISSupply Current 0.72 1.35 mA
1.30 max
Typical Performance Characteristics
TA= 25°C, RL= 1 MΩunless otherwise specified
Supply Current VOS
vs. vs.
Supply Voltage Supply Voltage
Figure 5. Figure 6.
VOS VOS
vs. vs.
VCM VCM
VS= ± 1.1V VS= ± 2.5V
Figure 7. Figure 8.
6Submit Documentation Feedback Copyright © 1999–2013, Texas Instruments Incorporated
Product Folder Links: LM7301
l TEXAS
INSTRUMENTS
mas CurveM (M)
was CurveM (M)
’45 40 is o 5 m ‘5
mm
‘ 20
we
as
4.2 70.5 7m on 0.: on L2
vww)
120
mu
an
an
m
in
izn
an
,5“
(M)
was Curvev
mas CurveM (M)
was eumm (M)
‘20
mo
4.2 70.5 m on m m L2
vow
120
mu
an
an
m
in
izn
an
,5“
1w
IZD
mu
an
an
m
20
~20
an
,3“
-‘5
LM7301
www.ti.com
SNOS879H –AUGUST 1999–REVISED MARCH 2013
Typical Performance Characteristics (continued)
TA= 25°C, RL= 1 MΩunless otherwise specified
VOS Inverting Input Bias Current
vs. vs.
VCM Common Mode Voltage
VS= ± 15V VS= ± 1.1V
Figure 9. Figure 10.
Non-Inverting Input Bias Current Inverting Input Bias Current
vs. vs.
Common Mode Voltage Common Mode Voltage
VS= ± 1.1V VS= ± 2.5V
Figure 11. Figure 12.
Non-Inverting Input Bias Current
Non-Inverting Input Bias Current vs. vs.
Common Mode Voltage Common Mode Voltage
VS= ± 2.5V VS= ± 15V
Figure 13. Figure 14.
Copyright © 1999–2013, Texas Instruments Incorporated Submit Documentation Feedback 7
Product Folder Links: LM7301
l TEXAS
INSTRUMENTS
“0 I2 ‘
IZU 25°C
-Ao°c
"’0 A ‘0 souRcwc
’2 3“ g b 1 a
5 50 V a 35 C
E z /
3 m 3 p éfifi:
; 20 3 5
° 0 ° ? f I
g s 85°C-
,5 _ a. 4
i: g / swxmc/ I
-su Z / 1 J J
730 [woof 25°C
715 7m is n 5 m 15 0 ‘ ‘
0 (1102mm 05050.70}: 0.9 1
VCM (V)
Voltage Drop from vs (V)
I2
A 25°C/ A
5 ‘“ SOURC‘NG E SW“
- 55°C -
S E 7 «:1
é 2
3 5 [asTcJ I g
3 ‘ swch \ J 3 souacwc
2 ‘ ZS°E
”0ch
n \ w
u 0.5 I 1.5 2 2.5 u 2 A 5 a m <2 u="" \s="" vahage="" amp="" «mm="" vs="" supp‘y="" vnhag:="" (w)="" 1000="" mo="" "wm="" ‘0="" ‘="" m="" we="" w="" wk="" frequency="" (hz)="" ppm="" ‘="" m="" mo="" w="" wk="" frequency="" (hz)="">2>LM7301
SNOS879H –AUGUST 1999–REVISED MARCH 2013
www.ti.com
Typical Performance Characteristics (continued)
TA= 25°C, RL= 1 MΩunless otherwise specified
Inverting Input Bias Current VO
vs. vs.
Common Mode Voltage IO
VS= ± 15V VS= ± 1.1V
Figure 15. Figure 16.
VO
vs. Short Circuit Current
IOvs.
VS= ± 2.5V Supply Voltage
Figure 17. Figure 18.
Voltage Noise Current Noise
vs. vs.
Frequency Frequency
Figure 19. Figure 20.
8Submit Documentation Feedback Copyright © 1999–2013, Texas Instruments Incorporated
Product Folder Links: LM7301
l TEXAS
INSTRUMENTS
Ha Ha Ha Ha
no no no no
’gVOfl may ’gVOfl may
3 an ea 2 3 an ea 2
3 so 50 g i so 50 3
§ m § m
5 w .o 3 5 w .o 3
‘5 20 Zn ‘1 ‘5 20 Zn ‘1
v5 : 2 7v/
0 - 0 0 w - 0
CL : manor
’20 720 ’20 720
‘ m mu m mkmnk w mm m mu m mkmnk w mm
FREQUENCY (Hz)
FREQUENCY (Hz)
LM7301
www.ti.com
SNOS879H –AUGUST 1999–REVISED MARCH 2013
Typical Performance Characteristics (continued)
TA= 25°C, RL= 1 MΩunless otherwise specified
Gain and Phase Gain and Phase, 2.7V Supply
Figure 21. Figure 22.
APPLICATIONS INFORMATION
GENERAL INFORMATION
Low supply current, wide bandwidth, input common mode voltage range that includes both rails, “rail-to-rail”
output, good capacitive load driving ability, wide supply voltage (1.8V to 32V) and low distortion all make the
LM7301 ideal for many diverse applications.
The high common-mode rejection ratio and full rail-to-rail input range provides precision performance when
operated in non-inverting applications where the common-mode error is added directly to the other system
errors.
CAPACITIVE LOAD DRIVING
The LM7301 has the ability to drive large capacitive loads. For example, 1000 pF only reduces the phase margin
to about 25 degrees.
TRANSIENT RESPONSE
The LM7301 offers a very clean, well-behaved transient response. Figure 23,Figure 24,Figure 25,Figure 26,
Figure 27,Figure 28 show the response when operated at gains of +1 and −1 when handling both small and
large signals. The large phase margin, typically 70 to 80 degrees, assures clean and symmetrical response. In
the large signal scope photos, Figure 23 and Figure 26, the input signal is set to 4.8V. Note that the output goes
to within 100 mV of the supplies cleanly and without overshoot. In the small signal samples, the response is
clean, with only slight overshoot when used as a follower. Figure 25 and Figure 28 are the circuits used to make
these photos.
Figure 23.
Copyright © 1999–2013, Texas Instruments Incorporated Submit Documentation Feedback 9
Product Folder Links: LM7301
Rc
100:
Cc
100 pF
Output
Snubber
Network
LM7301
V+
OUT
VHZ Ccomp
V-
-
+
-
+
LM7301
www.ti.com
SNOS879H –AUGUST 1999–REVISED MARCH 2013
STABILITY CONSIDERATIONS
Rail-to-rail output amplifiers like the LM7301 use the collector of the drive transistor(s) at the output pin, as
shown in Figure 29. This allows the load to be driven as close as possible towards either supply rail.
Figure 29. Simplified Output Stage Block Diagram
While this architecture maximizes the load voltage swing range, it increases the dependence of loop gain and
subsequently stability, on load impedance and DC load current, compared to a non-rail-to-rail architecture. Thus,
with this type of output stage, it is even more crucial to ensure stability by meticulous bench verification under all
load conditions, and to apply the necessary compensation or circuit modifications to overcome any instability, if
necessary. Any such bench verification should also include temperature, supply voltage, input common mode
and output bias point variations as well as capacitive loading.
For example, one set of conditions for which stability of the LM7301 amplifier may be compromised is when the
DC output load is larger than +/-0.5 mA, with input and output biased to mid-rail. Under such conditions, it may
be possible to observe open-loop gain response peaking at a high frequency (e.g. 200 MHz), which is beyond
the expected frequency range of the LM7301 (4 MHz GBW). Without taking any precautions against gain
peaking, it is possible to see increased settling time or even oscillations, especially with low closed loop gain and
/ or light AC loading. It is possible to reduce or eliminate this gain peaking by using external compensation
components. One possible scheme that can be applied to reduce or eliminate this gain peaking is shown in
Figure 30.
Figure 30. Non-dissipating Snubber Network to Reduce Gain Peaking
The non-dissipating snubber, consisting of Rcand Cc, acts as AC load to reduce high frequency gain peaking
with no DC loading so that total power dissipation is not increased. The increased AC load effectively reduces
loop gain at higher frequencies thereby reducing gain peaking due to the possible causes stated above. For the
particular set of Rcand Ccvalues shown in Figure 30, loop gain peaking is reduced by about 25dB under worst
case peaking conditions (I_source= 2mA DC @ around 180MHz) thus confining loop gain below 0dB and
eliminating any possible instability. For best results, it may be necessary to “tune” the values of Rcand Ccin a
particular application to take into account other subtleties and tolerances.
Copyright © 1999–2013, Texas Instruments Incorporated Submit Documentation Feedback 11
Product Folder Links: LM7301
l TEXAS
INSTRUMENTS
LM7301
SNOS879H –AUGUST 1999–REVISED MARCH 2013
www.ti.com
POWER DISSIPATION
Although the LM7301 has internal output current limiting, shorting the output to ground when operating on a
+30V power supply will cause the op amp to dissipate about 350 mW. This is a worst-case example. In the 8-pin
SOIC package, this will cause a temperature rise of 58°C. In the 5-pin SOT-23 package, the higher thermal
resistance will cause a calculated rise of 113°C. This can raise the junction temperature to above the absolute
maximum temperature of 150°C.
Operating from split supplies greatly reduces the power dissipated when the output is shorted. Operating on
±15V supplies can only cause a temperature rise of 29°C in the 8-pin SOIC and 57°C in the 5-pin SOT-23
package, assuming the short is to ground.
WIDE SUPPLY RANGE
The high power-supply rejection ratio (PSRR) and common-mode rejection ratio (CMRR) provide precision
performance when operated on battery or other unregulated supplies. This advantage is further enhanced by the
very wide supply range (2.2V–30V, guaranteed) offered by the LM7301. In situations where highly variable or
unregulated supplies are present, the excellent PSRR and wide supply range of the LM7301 benefit the system
designer with continued precision performance, even in such adverse supply conditions.
SPECIFIC ADVANTAGES OF 5-Pin SOT-23 (TinyPak)
The obvious advantage of the 5-pin SOT-23, TinyPak, is that it can save board space, a critical aspect of any
portable or miniaturized system design. The need to decrease overall system size is inherent in any handheld,
portable, or lightweight system application.
Furthermore, the low profile can help in height limited designs, such as consumer hand-held remote controls,
sub-notebook computers, and PCMCIA cards.
An additional advantage of the tiny package is that it allows better system performance due to ease of package
placement. Because the tiny package is so small, it can fit on the board right where the op amp needs to be
placed for optimal performance, unconstrained by the usual space limitations. This optimal placement of the tiny
package allows for many system enhancements, not easily achieved with the constraints of a larger package.
For example, problems such as system noise due to undesired pickup of digital signals can be easily reduced or
mitigated. This pick-up problem is often caused by long wires in the board layout going to or from an op amp. By
placing the tiny package closer to the signal source and allowing the LM7301 output to drive the long wire, the
signal becomes less sensitive to such pick-up. An overall reduction of system noise results.
Often times system designers try to save space by using dual or quad op amps in their board layouts. This
causes a complicated board layout due to the requirement of routing several signals to and from the same place
on the board. Using the tiny op amp eliminates this problem.
Additional space savings parts are available in tiny packages from Texas Instruments, including low power
amplifiers, precision voltage references, and voltage regulators.
LOW DISTORTION, HIGH OUTPUT
DRIVE CAPABILITY
The LM7301 offers superior low-distortion performance, with a total-harmonic-distortion-plus-noise of 0.06% at f
= 10 kHz. The advantage offered by the LM7301 is its low distortion levels, even at high output current and low
load resistance. Please refer to STABILITY CONSIDERATIONS for methods used to ensure stability under all
load conditions.
Typical Applications
HANDHELD REMOTE CONTROLS
The LM7301 offers outstanding specifications for applications requiring good speed/power trade-off. In
applications such as remote control operation, where high bandwidth and low power consumption are needed.
The LM7301 performance can easily meet these requirements.
12 Submit Documentation Feedback Copyright © 1999–2013, Texas Instruments Incorporated
Product Folder Links: LM7301
l TEXAS
INSTRUMENTS
LM7301
www.ti.com
SNOS879H –AUGUST 1999–REVISED MARCH 2013
OPTICAL LINE ISOLATION FOR MODEMS
The combination of the low distortion and good load driving capabilities of the LM7301 make it an excellent
choice for driving opto-coupler circuits to achieve line isolation for modems. This technique prevents telephone
line noise from coupling onto the modem signal. Superior isolation is achieved by coupling the signal optically
from the computer modem to the telephone lines; however, this also requires a low distortion at relatively high
currents. Due to its low distortion at high output drive currents, the LM7301 fulfills this need, in this and in other
telecom applications. Please refer to STABILITY CONSIDERATIONS for methods used to ensure stability under
all load conditions.
REMOTE MICROPHONE IN
PERSONAL COMPUTERS
Remote microphones in Personal Computers often utilize a microphone at the top of the monitor which must
drive a long cable in a high noise environment. One method often used to reduce the nose is to lower the signal
impedance, which reduces the noise pickup. In this configuration, the amplifier usually requires 30 db–40 db of
gain, at bandwidths higher than most low-power CMOS parts can achieve. The LM7301 offers the tiny package,
higher bandwidths, and greater output drive capability than other rail-to-rail input/output parts can provide for this
application.
Copyright © 1999–2013, Texas Instruments Incorporated Submit Documentation Feedback 13
Product Folder Links: LM7301
l TEXAS
INSTRUMENTS
LM7301
SNOS879H –AUGUST 1999–REVISED MARCH 2013
www.ti.com
REVISION HISTORY
Changes from Revision G (March 2013) to Revision H Page
• Changed layout of National Data Sheet to TI format .......................................................................................................... 13
14 Submit Documentation Feedback Copyright © 1999–2013, Texas Instruments Incorporated
Product Folder Links: LM7301
I
TEXAS
INSTRUMENTS
Samples
Samples
Samples
Samples
Samples
Samples
Samples
Samples
PACKAGE OPTION ADDENDUM
www.ti.com 23-Sep-2013
Addendum-Page 1
PACKAGING INFORMATION
Orderable Device Status
(1)
Package Type Package
Drawing Pins Package
Qty Eco Plan
(2)
Lead/Ball Finish MSL Peak Temp
(3)
Op Temp (°C) Device Marking
(4/5)
Samples
LM7301IM ACTIVE SOIC D 8 95 TBD Call TI Call TI -40 to 85 LM73
01IM
LM7301IM/NOPB ACTIVE SOIC D 8 95 Green (RoHS
& no Sb/Br)
CU SN Level-1-260C-UNLIM -40 to 85 LM73
01IM
LM7301IM5 ACTIVE SOT-23 DBV 5 1000 TBD Call TI Call TI -40 to 85 A04A
LM7301IM5/NOPB ACTIVE SOT-23 DBV 5 1000 Green (RoHS
& no Sb/Br)
SN Level-1-260C-UNLIM -40 to 85 A04A
LM7301IM5X ACTIVE SOT-23 DBV 5 3000 TBD Call TI Call TI -40 to 85 A04A
LM7301IM5X/NOPB ACTIVE SOT-23 DBV 5 3000 Green (RoHS
& no Sb/Br)
SN Level-1-260C-UNLIM -40 to 85 A04A
LM7301IMX ACTIVE SOIC D 8 TBD Call TI Call TI -40 to 85 LM73
01IM
LM7301IMX/NOPB ACTIVE SOIC D 8 2500 Green (RoHS
& no Sb/Br)
CU SN Level-1-260C-UNLIM -40 to 85 LM73
01IM
(1) The marketing status values are defined as follows:
ACTIVE: Product device recommended for new designs.
LIFEBUY: TI has announced that the device will be discontinued, and a lifetime-buy period is in effect.
NRND: Not recommended for new designs. Device is in production to support existing customers, but TI does not recommend using this part in a new design.
PREVIEW: Device has been announced but is not in production. Samples may or may not be available.
OBSOLETE: TI has discontinued the production of the device.
(2) Eco Plan - The planned eco-friendly classification: Pb-Free (RoHS), Pb-Free (RoHS Exempt), or Green (RoHS & no Sb/Br) - please check http://www.ti.com/productcontent for the latest availability
information and additional product content details.
TBD: The Pb-Free/Green conversion plan has not been defined.
Pb-Free (RoHS): TI's terms "Lead-Free" or "Pb-Free" mean semiconductor products that are compatible with the current RoHS requirements for all 6 substances, including the requirement that
lead not exceed 0.1% by weight in homogeneous materials. Where designed to be soldered at high temperatures, TI Pb-Free products are suitable for use in specified lead-free processes.
Pb-Free (RoHS Exempt): This component has a RoHS exemption for either 1) lead-based flip-chip solder bumps used between the die and package, or 2) lead-based die adhesive used between
the die and leadframe. The component is otherwise considered Pb-Free (RoHS compatible) as defined above.
Green (RoHS & no Sb/Br): TI defines "Green" to mean Pb-Free (RoHS compatible), and free of Bromine (Br) and Antimony (Sb) based flame retardants (Br or Sb do not exceed 0.1% by weight
in homogeneous material)
(3) MSL, Peak Temp. -- The Moisture Sensitivity Level rating according to the JEDEC industry standard classifications, and peak solder temperature.
(4) There may be additional marking, which relates to the logo, the lot trace code information, or the environmental category on the device.
I TEXAS
INSTRUMENTS
PACKAGE OPTION ADDENDUM
www.ti.com 23-Sep-2013
Addendum-Page 2
(5) Multiple Device Markings will be inside parentheses. Only one Device Marking contained in parentheses and separated by a "~" will appear on a device. If a line is indented then it is a continuation
of the previous line and the two combined represent the entire Device Marking for that device.
Important Information and Disclaimer:The information provided on this page represents TI's knowledge and belief as of the date that it is provided. TI bases its knowledge and belief on information
provided by third parties, and makes no representation or warranty as to the accuracy of such information. Efforts are underway to better integrate information from third parties. TI has taken and
continues to take reasonable steps to provide representative and accurate information but may not have conducted destructive testing or chemical analysis on incoming materials and chemicals.
TI and TI suppliers consider certain information to be proprietary, and thus CAS numbers and other limited information may not be available for release.
In no event shall TI's liability arising out of such information exceed the total purchase price of the TI part(s) at issue in this document sold by TI to Customer on an annual basis.
I TEXAS
INSTRUMENTS
REEL DIMENSIONS TAPE DIMENSIONS
7 “K0 '«Pt»
Reel
Diameter
AD Dimension designed to accommodate the component Width
ED Dimension destgned to accommodate the component tengtti
K0 Dimension designed to accommodate the component thickness
7 W OveraH wtdlh loe earner tape
i P1 Pttch between successwe cavtty centers
f
T Reel Width (W1)
QUADRANT ASSIGNMENTS FOR PIN 1 ORIENTATION IN TAPE
OOODOODD
,,,,,,,,,,, ‘
User Direcllon 0' Feed
Sprocket Hoies
Pockel Quadrants
TAPE AND REEL INFORMATION
*All dimensions are nominal
Device Package
Type Package
Drawing Pins SPQ Reel
Diameter
(mm)
Reel
Width
W1 (mm)
A0
(mm) B0
(mm) K0
(mm) P1
(mm) W
(mm) Pin1
Quadrant
LM7301IM5 SOT-23 DBV 5 1000 178.0 8.4 3.2 3.2 1.4 4.0 8.0 Q3
LM7301IM5/NOPB SOT-23 DBV 5 1000 178.0 8.4 3.2 3.2 1.4 4.0 8.0 Q3
LM7301IM5X SOT-23 DBV 5 3000 178.0 8.4 3.2 3.2 1.4 4.0 8.0 Q3
LM7301IM5X/NOPB SOT-23 DBV 5 3000 178.0 8.4 3.2 3.2 1.4 4.0 8.0 Q3
LM7301IMX/NOPB SOIC D 8 2500 330.0 12.4 6.5 5.4 2.0 8.0 12.0 Q1
PACKAGE MATERIALS INFORMATION
www.ti.com 23-Sep-2013
Pack Materials-Page 1
I TEXAS
INSTRUMENTS
TAPE AND REEL BOX DIMENSIONS
*All dimensions are nominal
Device Package Type Package Drawing Pins SPQ Length (mm) Width (mm) Height (mm)
LM7301IM5 SOT-23 DBV 5 1000 210.0 185.0 35.0
LM7301IM5/NOPB SOT-23 DBV 5 1000 210.0 185.0 35.0
LM7301IM5X SOT-23 DBV 5 3000 210.0 185.0 35.0
LM7301IM5X/NOPB SOT-23 DBV 5 3000 210.0 185.0 35.0
LM7301IMX/NOPB SOIC D 8 2500 367.0 367.0 35.0
PACKAGE MATERIALS INFORMATION
www.ti.com 23-Sep-2013
Pack Materials-Page 2
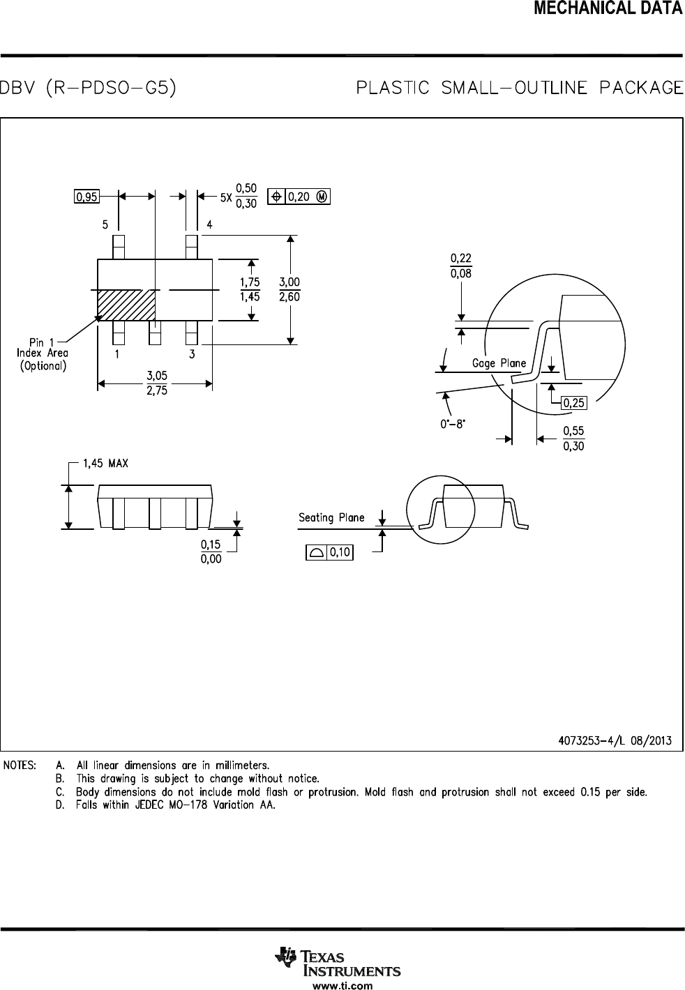
MECHANICAL DATA
DBV (RiPDsoiGE) PLAST‘C SMALLioUTLINE PACKAGE
0.50
0.30
0 22
f -_
_ m w ”'08
1.45 2.60
$
I am"; tj H E
H ex ran
0 mm 4 Sage Ptune
( p ) E i
2,75
7 1.45 MAX
_—(—\
; Seating Ptane $
0.15 j j
0,00
4073253-4/L 08/2013
NOTES: A. NI Hneur dimens'mns are in mileelErS,
B, This drawing 'ts subject to change without not'tce.
c, Body dimensions do not inctude mold flash or pmtmsicn, Mold flash and prolrusion shun not exceed 0,15 per side.
D. FONS within JEDEC M0’178 Variation AA.
{I}! TEXAS
INSTRUMENTS
www.ci.com
LAND PATTERN DATA
C SM "‘L, OJTJV:
C‘
“7
A,‘
\
U
W
m
C)
\
p
L)
Exump‘e 301ml Luyuut (‘crm‘ Opermqs‘
Based on G 5mm :hwckness
o! lz/mm (03mm)
‘ ri’SO‘der Musk sperm;
, Fad Geometry
M New cwne'vsio'vs we in va'vveterS
Tbs druwng wS semen to change Want nohce
Customevs Show pace :1 "me on we 0mm board reencmn druwwg m :o c‘er :he eener sewer mask defined pee
Pubhcchcn ”:54” ‘5 rcccrvmcwdcc var mmm dcswgrs
Loser cuttwg aperzmes wmr vepezmae wc‘s ard a‘sc voLndmg comers wm offer ackcr pasxe moose CLstomcrs shomd
s m new 'ecn'nmenda'mrs Fxclrvp‘e 5mm desxgw based on c 50% vohmeinc
/" Jar oiher 5mm recommendmms
NO’ES
mummy:
comm Mew board assemmy we
metm \ocd sewer pasts Refe' :e P
fl! TEXAS
INSTRUMENTS
www.|i.:um
MECHANICAL DATA
D ( *"ifi 0 Gt?) )LASHC SMALL 0U ¥N¥
4040047 3/M 06/1‘
AH Hnec' dimensmrs c'e m 'mc'ves ['nflhmeter5>
Th5 drawer ‘5 subje», ,0 change mm: Home,
Body \cngth docs rm mac mod Hoar, p'omswons, (xv gmc bms
nm exceed 3005 (0‘15) eam swce
Body mm does 101 meme Manama fish.
Rdererce JEDEC MS 012 mam AA
NO’ES,
Mom mm warmers, or gm buns sha‘
nter‘ec: flash sfu‘ not exceed 0017 (043) each swde
m@ 5“»
{if TEXAS
INSTRUMENTS
www.1i.com

IMPORTANT NOTICE
Texas Instruments Incorporated and its subsidiaries (TI) reserve the right to make corrections, enhancements, improvements and other
changes to its semiconductor products and services per JESD46, latest issue, and to discontinue any product or service per JESD48, latest
issue. Buyers should obtain the latest relevant information before placing orders and should verify that such information is current and
complete. All semiconductor products (also referred to herein as “components”) are sold subject to TI’s terms and conditions of sale
supplied at the time of order acknowledgment.
TI warrants performance of its components to the specifications applicable at the time of sale, in accordance with the warranty in TI’s terms
and conditions of sale of semiconductor products. Testing and other quality control techniques are used to the extent TI deems necessary
to support this warranty. Except where mandated by applicable law, testing of all parameters of each component is not necessarily
performed.
TI assumes no liability for applications assistance or the design of Buyers’ products. Buyers are responsible for their products and
applications using TI components. To minimize the risks associated with Buyers’ products and applications, Buyers should provide
adequate design and operating safeguards.
TI does not warrant or represent that any license, either express or implied, is granted under any patent right, copyright, mask work right, or
other intellectual property right relating to any combination, machine, or process in which TI components or services are used. Information
published by TI regarding third-party products or services does not constitute a license to use such products or services or a warranty or
endorsement thereof. Use of such information may require a license from a third party under the patents or other intellectual property of the
third party, or a license from TI under the patents or other intellectual property of TI.
Reproduction of significant portions of TI information in TI data books or data sheets is permissible only if reproduction is without alteration
and is accompanied by all associated warranties, conditions, limitations, and notices. TI is not responsible or liable for such altered
documentation. Information of third parties may be subject to additional restrictions.
Resale of TI components or services with statements different from or beyond the parameters stated by TI for that component or service
voids all express and any implied warranties for the associated TI component or service and is an unfair and deceptive business practice.
TI is not responsible or liable for any such statements.
Buyer acknowledges and agrees that it is solely responsible for compliance with all legal, regulatory and safety-related requirements
concerning its products, and any use of TI components in its applications, notwithstanding any applications-related information or support
that may be provided by TI. Buyer represents and agrees that it has all the necessary expertise to create and implement safeguards which
anticipate dangerous consequences of failures, monitor failures and their consequences, lessen the likelihood of failures that might cause
harm and take appropriate remedial actions. Buyer will fully indemnify TI and its representatives against any damages arising out of the use
of any TI components in safety-critical applications.
In some cases, TI components may be promoted specifically to facilitate safety-related applications. With such components, TI’s goal is to
help enable customers to design and create their own end-product solutions that meet applicable functional safety standards and
requirements. Nonetheless, such components are subject to these terms.
No TI components are authorized for use in FDA Class III (or similar life-critical medical equipment) unless authorized officers of the parties
have executed a special agreement specifically governing such use.
Only those TI components which TI has specifically designated as military grade or “enhanced plastic” are designed and intended for use in
military/aerospace applications or environments. Buyer acknowledges and agrees that any military or aerospace use of TI components
which have not been so designated is solely at the Buyer's risk, and that Buyer is solely responsible for compliance with all legal and
regulatory requirements in connection with such use.
TI has specifically designated certain components as meeting ISO/TS16949 requirements, mainly for automotive use. In any case of use of
non-designated products, TI will not be responsible for any failure to meet ISO/TS16949.
Products Applications
Audio www.ti.com/audio Automotive and Transportation www.ti.com/automotive
Amplifiers amplifier.ti.com Communications and Telecom www.ti.com/communications
Data Converters dataconverter.ti.com Computers and Peripherals www.ti.com/computers
DLP® Products www.dlp.com Consumer Electronics www.ti.com/consumer-apps
DSP dsp.ti.com Energy and Lighting www.ti.com/energy
Clocks and Timers www.ti.com/clocks Industrial www.ti.com/industrial
Interface interface.ti.com Medical www.ti.com/medical
Logic logic.ti.com Security www.ti.com/security
Power Mgmt power.ti.com Space, Avionics and Defense www.ti.com/space-avionics-defense
Microcontrollers microcontroller.ti.com Video and Imaging www.ti.com/video
RFID www.ti-rfid.com
OMAP Applications Processors www.ti.com/omap TI E2E Community e2e.ti.com
Wireless Connectivity www.ti.com/wirelessconnectivity
Mailing Address: Texas Instruments, Post Office Box 655303, Dallas, Texas 75265
Copyright © 2013, Texas Instruments Incorporated
