
[AK5536]
015099885-E-00 2016/03
- 1 -
1. General Description
The AK553x series is a 32-bit, 768 kHz sampling, differential input A/D converter for digital audio
systems. It achieves 111 dB dynamic range and 103 dB S/(N+D) while maintaining low power
consumption performance.
The AK5536 integrates a 6-channel A/D converter, suitable for mixers and multi-channel recorders. Four
types of digital filters are integrated and selectable according to the sound quality preference. The
AK5536 can be easily connected to a DSP by supporting TDM audio formats. Additionally, it supports
DSD output up to 11.2MHz. The channel summation improves the dynamic range to 114 dB in 6-to-3
mode, to 117 dB in 4-to-1 mode and to 118 dB in 6-to-1 mode.
2. Features
Sampling Rate: 8 kHz-768 kHz
Input: Full Differential Inputs
S/(N+D): 103 dB
DR: 111 dB (6-to-3 mode: 114 dB, 4-to-1 mode: 117 dB, 6-to-1 mode: 118 dB)
S/N: 111 dB (6-to-3 mode: 114 dB, 4-to-1 mode: 117 dB, 6-to-1 mode: 118 dB)
Internal Filter: Four types of LPF, Digital HPF
Power Supply: 3.0-3.6 V (Analog), 1.7-1.98 V or 3.0-3.6 V (Digital)
Output Format:
PCM mode: 24/32-bit MSB justified, I2S or TDM
DSD mode: DSD Native 64, 128, 256
Maximized Slot Efficiency in TDM Mode by Optimal Data Placed Mode
Cascade TDM I/F:
TDM512: fs= 48 kHz
TDM256: fs= 96 kHz or 48 kHz
TDM128: fs= 192 kHz, 96 kHz or 48 kHz
Operation Mode: Master Mode & Slave Mode
Detection Function: Input Overflow Flag
Serial Interface: 3-wire Serial and I2C μP I/F (Pin setting is also available)
Power Consumption: 142 mW (@AVDD= 3.3 V, TVDD= 3.3 V, fs= 48 kHz)
Package: 64-pin QFN
6-Channel Differential 32-bit ADC
AK5536

[AK5536]
015099885-E-00 2016/03
- 2 -
3. Table of Contents
1. General Description ............................................................................................................................ 1
2. Features .............................................................................................................................................. 1
3. Table of Contents ................................................................................................................................ 2
4. Block Diagram ..................................................................................................................................... 3
■ Block Diagram.................................................................................................................................... 3
5. Pin Configurations and Functions ...................................................................................................... 4
■ Pin Configurations ............................................................................................................................. 4
■ Pin Functions ..................................................................................................................................... 5
■ Handling of Unused Pin ..................................................................................................................... 7
6. Absolute Maximum Ratings ................................................................................................................ 8
7. Recommended Operation Conditions ................................................................................................ 8
8. Analog Characteristics ........................................................................................................................ 9
9. Filter Characteristics ......................................................................................................................... 10
■ ADC Filter Characteristics (fs= 48 kHz) .......................................................................................... 10
■ ADC Filter Characteristics (fs= 96 kHz) .......................................................................................... 12
■ ADC Filter Characteristics (fs= 192 kHz) ........................................................................................ 14
■ ADC Filter Characteristics (fs= 384 kHz) ........................................................................................ 16
■ ADC Filter Characteristics (fs= 768 kHz) ........................................................................................ 17
10. DC Characteristics ........................................................................................................................ 18
11. Switching Characteristics .............................................................................................................. 19
■ Timing Diagram ............................................................................................................................... 26
12. Functional Descriptions ................................................................................................................. 31
■ Digital Core Power Supply ............................................................................................................... 31
■ Output Mode .................................................................................................................................... 31
■ Master Mode and Slave Mode ......................................................................................................... 31
■ System Clock ................................................................................................................................... 31
■ Audio Interface Format .................................................................................................................... 34
■ Channel Summation (PCM Mode, DSD Mode) .............................................................................. 46
■ Optimal Data Placement (PCM Mode, DSD Mode) ........................................................................ 46
■ CH Power Down & Channel Summation Setting (PCM Mode, DSD Mode) .................................. 47
■ Digital Filter Setting (PCM Mode) .................................................................................................... 52
■ Digital HPF (PCM Mode) ................................................................................................................. 52
■ Overflow Detection (PCM Mode, DSD Mode) ................................................................................. 52
■ LDO .................................................................................................................................................. 53
■ Reset ................................................................................................................................................ 53
■ Power Up/Down Sequence ............................................................................................................. 54
■ Operation Mode Control .................................................................................................................. 57
■ Register Control Interface ................................................................................................................ 57
■ Register Map .................................................................................................................................... 61
■ Register Definitions .......................................................................................................................... 61
13. Recommended External Circuits .................................................................................................. 64
14. Package......................................................................................................................................... 67
■ Outline Dimensions .......................................................................................................................... 67
■ Material & Lead Finish ..................................................................................................................... 67
■ Marking ............................................................................................................................................ 67
15. Ordering Guide .............................................................................................................................. 68
16. Revision History ............................................................................................................................ 68
IMPORTANT NOTICE ........................................................................................................................... 69

[AK5536]
015099885-E-00 2016/03
- 3 -
4. Block Diagram
■ Block Diagram
Figure 1. Block Diagram
Voltage Reference
Serial Output
Interface
Delta-Sigma
Modulator
Controller
LDO
Decimation
Filter
HPF
AIN1P
AIN1N
DIF0/DSDSEL0
DIF1/DSDSEL1
BICK/DCLK
LRCK/DSDOL1
PSN/CAD0_SPI
CKS0/SDA/CDTI
CKS1/CAD0_I2C/CSN
CKS2/SCL/CCLK
CKS3/CAD1
VDD18
VREFH1
VREFL1
VREFH2
VREFL2
VREFH3
VREFL3
LDOE
TVDD
AVDD1
AVSS1
AVDD2
AVSS2
DVSS
PDN
Delta-Sigma
Modulator
Decimation
Filter
HPF
AIN2P
AIN2N
Delta-Sigma
Modulator
Decimation
Filter
HPF
AIN3P
AIN3N
Delta-Sigma
Modulator
Decimation
Filter
HPF
AIN4P
AIN4N
Delta-Sigma
Modulator
Decimation
Filter
HPF
AIN5P
AIN5N
Delta-Sigma
Modulator
Decimation
Filter
HPF
AIN6P
AIN6N
TDMIN/DSDOR1
SDTO1/DSDOL2
SDTO2/DSDOR2
SDTO3/DSDOL3
DSDOR3
DP
TDM0
TDM1
ODP
MCLK
TEST
SLOW/DCKB
SD/PMOD
PW2
PW1
PW0
MSN
OVF
DCKS/HPFE
I2C

[AK5536]
015099885-E-00 2016/03
- 4 -
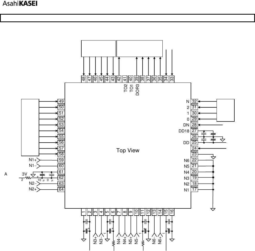
5. Pin Configurations and Functions
■ Pin Configurations
Figure 2. Pin Configurations
DIF0/DSDSEL0
DIF1/DSDSEL1
TDM0
TDM1
PSN/CAD0_SPI
I2C
DP
DCKS/HPFE
LDOE
ODP
AIN1P
AIN1N
VREFL1
VREFH1
AIN2N
AIN2P
MSN
PW2
PW1
PW0
PDN
VDD18
DVSS
TVDD
MCLK
TEST
TESTIN6
TESTIN5
TESTIN4
TESTIN3
TESTIN2
TESTIN1
AVSS1
AVDD1
AIN3P
AIN3N
VREFL2
VREFH2
AIN4N
AIN4P
AIN5P
AIN5N
VREFH3
VREFL3
AIN6N
AIN6P
AVDD2
AVSS2
SD/PMOD
SLOW/DCKB
CKS3/CAD1
CKS2/SCL/CCLK
CKS1/CAD0_I2C/CSN
CKS0/SDA/CDTI
OVF
TESTO2
TESTO1
DSDOR3
SDTO3/DSDOL3
SDTO2/DSDOR2
SDTO1/DSDOL2
TDMIN/DSDOR1
LRCK/DSDOL1
BICK/DCLK
64QFN
TOP VIEW
1
2
3
4
5
6
7
8
9
10
11
12
13
14
15
16
32
31
30
29
28
27
26
25
24
23
22
21
20
19
18
17
48
47
46
45
44
43
42
41
40
39
38
37
36
35
34
33
49
50
51
52
53
54
55
56
57
58
59
60
61
62
63
64
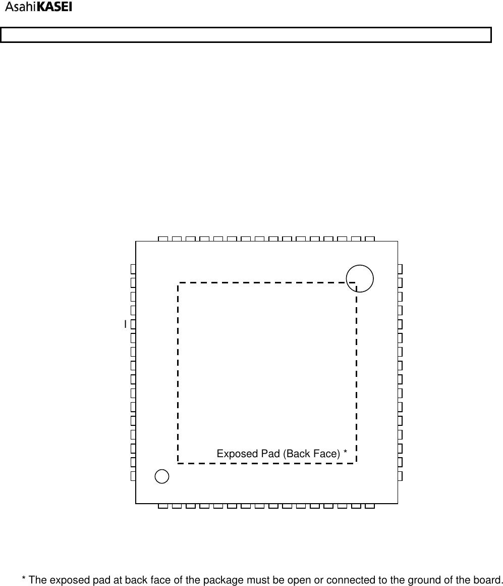
Exposed Pad (Back Face) *
* The exposed pad at back face of the package must be open or connected to the ground of the board.

[AK5536]
015099885-E-00 2016/03
- 5 -
■ Pin Functions
No.
Pin Name
I/O
Function
Power Down
Status
1
AVSS1
-
Analog Ground Pin(AIN1-4)
-
2
AVDD1
-
Analog Power Supply Pin(AIN1-4), 3.0-3.6 V
-
3
AIN3P
I
Channel 3 Positive Input Pin
-
4
AIN3N
I
Channel 3 Negative Input Pin
-
5
VREFL2
I
ADC Low Level Voltage Reference Input Pin
-
6
VREFH2
I
ADC High Level Voltage Reference Input Pin
-
7
AIN4N
I
Channel 4 Negative Input Pin
-
8
AIN4P
I
Channel 4 Positive Input Pin
-
9
AIN5P
I
Channel 5 Positive Input Pin
-
10
AIN5N
I
Channel 5 Negative Input Pin
-
11
VREFH3
I
ADC High Level Voltage Reference Input Pin
-
12
VREFL3
I
ADC Low Level Voltage Reference Input Pin
-
13
AIN6N
I
Channel 6 Negative Input Pin
-
14
AIN6P
I
Channel 6 Positive Input Pin
-
15
AVDD2
-
Analog Power Supply Pin(AIN5-6), 3.0-3.6 V
-
16
AVSS2
-
Analog Ground Pin(AIN5-6)
-
17
TESTIN1
I
Test Input Pin1
-
18
TESTIN2
I
Test Input Pin2
-
19
TESTIN3
I
Test Input Pin3
-
20
TESTIN4
I
Test Input Pin4
-
21
TESTIN5
I
Test Input Pin5
-
22
TESTIN6
I
Test Input Pin6
-
23
TEST
I
TEST Enable Pin. This pin is pull down by 100kΩ internally
-
24
MCLK
I
Master Clock Input Pin
-
25
TVDD
-
Digital I/O Buffers and LDO Power Supply Pin
1.7-1.98 V (LDOE pin= “L”) or 3.0-3.6 V (LDOE pin= “H”).
-
26
DVSS
-
Digital Ground Pin
-
27
VDD18
I
Digital Core Power Supply Pin, 1.7-1.98 V (LDOE pin= “L”)
-
O
LDO Stabilization Capacitor Connect Pin. (LDOE pin= “H”)
Hi-z & Pull
Down with
500 Ω
28
PDN
I
Reset & Power Down Pin
“L”: Reset & Power down, “H” : Normal operation
-
29
PW0
I
Power Management Pin, Channel Summation select Pin
-
30
PW1
I
Power Management Pin, Channel Summation select Pin
-
31
PW2
I
Power Management Pin, Channel Summation select Pin
-
32
MSN
I
Master/Slave Select Pin
“L”: Slave Mode, “H” : Master Mode
-
33
BICK
I
Audio Serial Data Clock Input Pin in PCM & Slave Mode.
This pin is pulled down by 100 kΩ internally
-
O
Audio Serial Data Clock Output Pin in PCM & Master Mode
This pin is pulled down by 100 kΩ internally
Hi-z
DCLK
O
DSD Clock Output Pin in DSD Mode
This pin is pulled down by 100 kΩ internally
Hi-z
34
LRCK
I
Channel Clock Input Pin in PCM & Slave Mode
This pin is pulled down by 100 kΩ internally
-
O
Channel Clock Output Pin in PCM & Master Mode
This pin is pulled down by 100 kΩ internally
Hi-z
DSDOL1
O
Audio Serial Data Output Pin for AIN1 in DSD Mode
This pin is pulled down by 100 kΩ internally
Hi-z

[AK5536]
015099885-E-00 2016/03
- 6 -
No.
Pin Name
I/O
Function
Power Down
Status
35
TDMIN
I
TDM Data Input Pin in PCM Mode
This pin is pulled down by 100 kΩ internally
-
DSDOR1
O
Audio Serial Data Output Pin for AIN2 in DSD Mode
This pin is pulled down by 100 kΩ internally
Hi-z
36
SDTO1
O
Audio Serial Data Output Pin for AIN1 and AIN2 in PCM Mode
L
DSDOL2
O
Audio Serial Data Output Pin for AIN3 in DSD Mode
L
37
SDTO2
O
Audio Serial Data Output Pin for AIN3 and AIN4 in PCM Mode
L
DSDOR2
O
Audio Serial Data Output Pin for AIN4 in DSD Mode
L
38
SDTO3
O
Audio Serial Data Output Pin for AIN5 and AIN6 in PCM Mode
L
DSDOL3
O
Audio Serial Data Output Pin for AIN5 in DSD Mode
L
39
DSDOR3
O
Audio Serial Data Output Pin for AIN6 in DSD Mode
L
40
TESTO1
O
Test Output Pin1
Hi-Z
41
TESTO2
O
Test Output Pin2
Hi-Z
42
OVF
O
Analog Input Over Flow Flag Output Pin
L
43
CKS0
I
Clock Mode Select Pin
-
SDA
I/O
Control Data I/O Pin in I2C Bus Serial Control Mode
Hi-z
CDTI
I
Control Data Input Pin in 3-wire Serial Control Mode
-
44
CKS1
I
Clock Mode Select Pin
-
CAD0_I2C
I
Chip Address 0 Pin in I2C Bus Serial Control Mode
-
CSN
I
Chip Select Pin in 3-wire Serial Control Mode
-
45
CKS2
I
Clock Mode Select Pin
-
SCL
I
Control Data Clock Pin in I2C Bus Serial Control Mode
-
CCLK
I
Control Data Clock Pin in 3-wire Serial Control Mode
-
46
CKS3
I
Clock Mode Select Pin
-
CAD1
I
Chip Address 1 Pin in I2C Bus or 3-wire Serial Control Mode
-
47
SLOW
I
Slow Roll-OFF Digital Filter Select Pin in PCM Mode
-
DCKB
I
Polarity of DCLK Pin in DSD Mode
-
48
SD
I
Short Delay Digital Filter Select Pin in PCM Mode
-
PMOD
I
DSD Phase Modulation Mode Select Pin in DSD Mode
-
49
DIF0
I
Audio Data Format Select Pin in PCM Mode
“L”: MSB justified, “H”: I2S
-
DSDSEL0
I
DSD Sampling Rate Control Pin in DSD Mode
-
50
DIF1
I
Audio Data Format Select Pin in PCM Mode
“L”: 24-bit Mode, “H”: 32-bit Mode
-
DSDSEL1
I
DSD Sampling Rate Control Pin in DSD Mode
-
51
TDM0
I
TDM I/F Format Select Pin
* This pin must be fixed to “L” when using DSD mode.
-
52
TDM1
I
TDM I/F Format Select Pin
* This pin must be fixed to “L” when using DSD mode.
-
53
PSN
I
Control Mode Select Pin (I2C pin = “H”)
“L”:I2C Bus Serial Control Mode, “H” :Parallel Control Mode
-
CAD0_SPI
I
Chip Address 0 Pin in 3-wire Serial Control Mode (I2C pin = “L”)
-
54
I2C
I
Control Mode Select Pin
“L”: 3-wire Serial Control Mode
“H”: I2C Bus Serial Control Mode or Parallel Control Mode
-
55
DP
I
DSD Mode Enable Pin
“L”: PCM Mode, “H”: DSD Mode
-

[AK5536]
015099885-E-00 2016/03
- 7 -
No.
Pin Name
I/O
Function
Power Down
Status
56
HPFE
I
High Pass Filter Enable Pin
“L”: HPF Disable, “H”: HPF Enable
-
DCKS
I
Master Clock Frequency Select at DSD Mode (DSD Only)
57
LDOE
I
LDO Enable Pin
“L”: LDO Disable, “H”: LDO Enable
This pin is pulled down by 100 kΩ internally.
-
58
ODP
I
Optimal Data Placement Mode Select Pin
-
59
AIN1P
I
Channel 1 Positive Input Pin
-
60
AIN1N
I
Channel 1 Negative Input Pin
-
61
VREFL1
I
ADC Low Level Voltage Reference Input Pin
-
62
VREFH1
I
ADC High Level Voltage Reference Input Pin
-
63
AIN2N
I
Channel 2 Negative Input Pin
-
64
AIN2P
I
Channel 2 Positive Input Pin
-
Note 1. All digital input pins must not be allowed to float.
■ Handling of Unused Pin
The unused I/O pins should be connected appropriately.
1. PCM Mode
Classification
Pin Name
Setting
Analog
AIN1-6P, AIN1-6N
Open
VREFH1-3
Connect to AVDD
VREFL1-3, TESTIN1-6
Connect to AVSS
Digital
TDMIN, TEST
Connect to DVSS
SDTO1-3, OVF, TESTO1-2
Open
2. DSD Mode
Classification
Pin Name
Setting
Analog
AIN1-6P, AIN1-6N
Open
VREFH1-3
Connect to AVDD
VREFL1-3, TESTIN1-6
Connect to AVSS
Digital
TDM0, TDM1, TEST
Connect to DVSS
DSDOL1-3, DSDOR1-3, OVF
TESTO1-2
Open
Note 2. Unused channels must be powered down.

[AK5536]
015099885-E-00 2016/03
- 8 -
6. Absolute Maximum Ratings
(VSS= 0 V; Note 3)
Parameter
Symbol
Min.
Max.
Unit
Power
Supplies:
Analog (AVDD pin)
Digital Interface (TVDD pin)
Digital Core (VDD18 pin) (Note 4)
AVDDam
TVDDam
VDD18am
−0.3
−0.3
−0.3
6.0
4.0
2.5
V
V
V
Input Current (Any Pin Except Supplies)
IIN
-
10
mA
Analog Input Voltage (AIN1-6P, AIN1-6N pins)
VINA
−0.3
AVDD+0.3
V
Digital Input Voltage
VIND
−0.3
TVDD+0.3
V
Ambient Temperature (Power applied)
When the back tab is connected to VSS
When the back tab is open
Ta
Ta
−40
−40
105
70
°C
°C
Storage Temperature
Tstg
−65
150
°C
Note 3. All voltages with respect to ground.
Note 4. The 1.8 V LDO is off (LDOE pin = “L”) and an external power is supplied to the VDD18 pin.
WARNING: Operation at or beyond these limits may result in permanent damage to the device.
Normal operation is not guaranteed at these extremes.
7. Recommended Operation Conditions
(VSS= 0 V; Note 3)
Parameter
Symbol
Min.
Typ.
Max.
Unit
Power
Supplies
Analog (AVDD pin)
AVDD
3.0
3.3
3.6
V
(LDOE pin= “L”) (Note 5)
Digital Interface (TVDD pin) (Note 6)
Digital Core (VDD18 pin)
TVDD
VDD18
1.7
1.7
1.8
1.8
1.98
1.98
V
V
(LDOE pin= “H”) (Note 7)
Digital Interface (TVDD pin)
TVDD
3.0
3.3
3.6
V
Voltage
Reference
“H” voltage Reference (Note 8)
VREFH1-3
3.0
3.3
3.6
V
“L” voltage reference (Note 9)
VREFL1-3
-
AVSS
-
V
Note 3. All voltages with respect to ground.
Note 5. TVDD pin must be powered up before or at the same time with the VDD18 pin when the LDOE
pin = “L”. The power up sequence between AVDD pin and TVDD pin or between AVDD pin and
VDD18 pin is not critical.
Note 6. TVDD must not exceed VDD18±0.1 V when LDOE pin= “L”.
Note 7. When LDOE pin = “H”, the internal LDO supplies 1.8 V (typ). The power up sequences between
AVDD pin and TVDD pin is not critical.
Note 8. VREFH1-3 must not exceed AVDD+0.1 V.
Note 9. VREFL1-3 must be connected to AVSS.
Analog Input Voltage is proportional to {(VREFH) – (VREFL)}.
Vin (typ, @ 0dB) = 1.85 {(VREFH) – (VREFL)} / 3.3 [V].
* AKM assumes no responsibility for the usage beyond the conditions in this data sheet.

[AK5536]
015099885-E-00 2016/03
- 9 -
8. Analog Characteristics
(Ta= 25 C; AVDD= 3.3 V; TVDD= 3.3 V, fs= 48 kHz, BICK= 64fs;
Signal Frequency= 1 kHz; 24-bit Data; Measurement frequency= 20 Hz-20 kHz at fs= 48 kHz,
40 Hz-40 kHz at fs= 96 kHz, 40 Hz-40 kHz at fs= 192 kHz, unless otherwise specified.)
Parameter
Min.
Typ.
Max.
Unit
Analog Input Characteristics:
Resolution
-
-
32
bit
Input Voltage (Note 10)
1.75
1.85
1.95
Vpp
S/(N+D)
fs= 48 kHz
BW=20 kHz
1 dBFS
20 dBFS
60 dBFS
97
-
-
103
89
49
-
-
-
dB
dB
dB
fs= 96 kHz
BW= 40 kHz
1 dBFS
20 dBFS
60 dBFS
-
-
-
103
86
46
-
-
-
dB
dB
dB
fs= 192 kHz
BW= 40 kHz
1 dBFS
20 dBFS
60 dBFS
-
-
-
103
86
46
-
-
-
dB
dB
dB
Dynamic Range
(60 dBFS with A-weighted)
Not-Sum. mode
6-to-3 mode
4-to-1 mode
6-to-1 mode
106
-
-
-
111
114
117
118
-
-
-
-
dB
dB
dB
dB
S/N
(A-weighted)
Not-Sum. mode
6-to-3 mode
4-to-1 mode
6-to-1 mode
106
-
-
-
111
114
117
118
-
-
-
-
dB
dB
dB
dB
Input Resistance
These values will be doubled in DSD 64fs mode.
(Values in DSD128 or DSD256 modes are as shown
here)
8.8
10.4
12.0
k
Interchannel Isolation
(AIN1↔AIN2, AIN3↔AIN4, AIN5↔AIN6)
110
120
-
dB
Interchannel Gain Mismatch
-
0
0.5
dB
Power Supply Rejection (Note 11)
-
60
-
dB
Power Supplies
Power Supply Current
Normal Operation (PDN pin = “H”, LDOE pin = “H”)
AVDD + VREFHm (m=1-3)
TVDD (fs= 48 kHz)
TVDD (fs= 96 kHz)
TVDD (fs= 192 kHz)
Power Down mode (PDN pin = “L”) (Note 12)
AVDD+TVDD
-
-
-
-
-
29
14
24
21
10
38
19
32
28
100
mA
mA
mA
mA
A
Note 10. This value is (AINnP)(AINnN) that the ADC output becomes full-scale (n=1-6).
Vin = 0.56 (VREFHmVREFLm) [Vpp]. (m=1-3)
Note 11. PSRR is applied to AVDD, TVDD with 1 kHz, 20 mVpp sine wave. The VREFH1-3 are held to
the fixed voltage.
Note 12. All digital inputs are fixed to TVDD or TVSS.

[AK5536]
015099885-E-00 2016/03
- 10 -
9. Filter Characteristics
■ ADC Filter Characteristics (fs= 48 kHz)
(Ta= 40 - +105C; AVDD= 3.0-3.6 V, TVDD=1.7-1.98 V (LDOE pin=“L”) or 3.0-3.6 V (LDOE pin=“H”),
VDD18= 1.7-1.98 V (LDOE pin= “L”))
Parameter
Symbol
Min.
Typ.
Max.
Unit
Digital Filter (Decimation LPF): SHARP ROLL-OFF (Figure 3)
(SD pin= “L”, SLOW pin= “L”)
Passband (Note 13)
+0.001/0.06 dB
PB
0
-
22.0
kHz
6.0 dB
-
24.4
-
kHz
Stopband (Note 13)
SB
27.9
-
-
kHz
Stopband Attenuation
SA
85
-
-
dB
Group Delay Distortion 0 - 20.0 kHz
GD
-
0
-
1/fs
Group Delay (Note 14)
GD
-
19
-
1/fs
Digital Filter (Decimation LPF): SLOW ROLL-OFF (Figure 4)
(SD pin= “L”, SLOW pin= “H”)
Passband (Note 13)
+0.001/0.076 dB
6.0 dB
PB
0
-
-
21.9
12.5
-
kHz
kHz
Stopband (Note 13)
SB
36.5
-
-
kHz
Stopband Attenuation
SA
85
-
-
dB
Group Delay Distortion 0 - 20.0 kHz
GD
-
0
-
1/fs
Group Delay (Note 14)
GD
-
7
-
1/fs
Digital Filter (Decimation LPF): SHORT DELAY SHARP ROLL-OFF FILTER (Figure 5)
(SD pin= “H”, SLOW pin= “L”)
Passband (Note 13)
+0.001/0.06 dB
PB
0
-
22.0
kHz
6.0 dB
-
24.4
-
kHz
Stopband (Note 13)
SB
27.9
-
-
kHz
Stopband Attenuation
SA
85
-
-
dB
Group Delay Distortion 0 - 20.0 kHz
GD
-
-
2.8
1/fs
Group Delay (Note 14)
GD
-
5
-
1/fs
Digital Filter (Decimation LPF): SHORT DELAY SLOW ROLL-OFF (Figure 6)
(SD pin= “H”,SLOW pin= “H”)
Passband (Note 13)
+0.001/0.076 dB
6.0 dB
PB
0
-
-
21.9
12.5
-
kHz
kHz
Stopband (Note 13)
SB
36.5
-
-
kHz
Stopband Attenuation
SA
85
-
-
dB
Group Delay Distortion 0 - 20.0 kHz
GD
-
-
1.2
1/fs
Group Delay (Note 14)
GD
-
5
-
1/fs
Digital Filter (HPF):
Frequency Response
3.0 dB
FR
-
1.0
-
Hz
0.5 dB
-
2.5
-
Hz
(Note 13)
0.1 dB
-
6.5
-
Hz
Note 13. The Passband and Stopband Frequencies scale with fs.
For Example, PB (+0.001 dB/0.06 dB) = 0.46 fs (SHARP ROLL-OFF).
For Example, PB (+0.001 dB/0.076 dB) = 0.26 fs (SLOW ROLL-OFF).
Note 14. The calculated delay time induced by digital filtering. This time is from the input of an analog
signal to the L channel MSB output timing of the SDTO. It may have an error of +1[1/fs] at
maximum when outputting data via audio interfaces.

[AK5536]
015099885-E-00 2016/03
- 11 -
Figure 3. SHARP ROLL-OFF (fs= 48 kHz)
Figure 4. SLOW ROLL-OFF (fs= 48 kHz)
Figure 5. SHORT DELAY SHARP ROLL-OFF (fs= 48 kHz)
Figure 6. SHORT DELAY SLOW ROLL-OFF (fs= 48 kHz)

[AK5536]
015099885-E-00 2016/03
- 12 -
■ ADC Filter Characteristics (fs= 96 kHz)
(Ta= 40 - +105 C; AVDD= 3.0-3.6 V, TVDD=1.7-1.98 V (LDOE pin=“L”) or 3.0-3.6 V (LDOE pin=“H”),
VDD18= 1.7-1.98 V (LDOE pin= “L”))
Parameter
Symbol
Min.
Typ.
Max.
Unit
Digital Filter (Decimation LPF): SHARP ROLL-OFF (Figure 7)
(SD pin= “L”, SLOW pin= “L”)
Passband (Note 13)
+0.001/0.06 dB
6.0 dB
PB
0
-
-
48.8
44.1
-
kHz
kHz
Stopband (Note 13)
SB
55.7
-
-
kHz
Stopband Attenuation
SA
85
-
-
dB
Group Delay Distortion 0 - 40.0 kHz
GD
-
0
-
1/fs
Group Delay (Note 14)
GD
-
19
-
1/fs
Digital Filter (Decimation LPF): SLOW ROLL-OFF (Figure 8)
(SD pin= “L”, SLOW pin= “H”)
Passband (Note 13)
+0.001/0.076 dB
6.0 dB
PB
0
-
-
43.8
25
kHz
kHz
Stopband (Note 13)
SB
73
-
-
kHz
Stopband Attenuation
SA
85
-
-
dB
Group Delay Distortion 0 - 40.0 kHz
GD
-
0
-
1/fs
Group Delay (Note 14)
GD
-
7
-
1/fs
Digital Filter (Decimation LPF): SHORT DELAY SHARP ROLL-OFF (Figure 9)
(SD pin= “H”,SLOW pin= “L”)
Passband (Note 13)
+0.001/0.06 dB
PB
0
-
44.1
kHz
6.0 dB
-
48.8
-
kHz
Stopband (Note 13)
SB
55.7
-
-
kHz
Stopband Attenuation
SA
85
-
-
dB
Group Delay Distortion 0 - 40.0 kHz
GD
-
-
2.8
1/fs
Group Delay (Note 14)
GD
-
5
-
1/fs
Digital Filter (Decimation LPF): SHORT DELAY SLOW ROLL-OFF (Figure 10)
(SD pin=“H”, SLOW pin= “H”)
Passband (Note 13)
+0.001/0.076 dB
PB
0
-
25
kHz
6.0dB
-
43.8
-
kHz
Stopband (Note 13)
SB
73
-
-
kHz
Stopband Attenuation
SA
85
-
-
dB
Group Delay Distortion 0 - 40.0 kHz
GD
-
-
1.2
1/fs
Group Delay (Note 14)
GD
-
5
-
1/fs
Digital Filter (HPF):
Frequency Response
3.0 dB
FR
-
1.0
-
Hz
0.5 dB
-
2.5
-
Hz
(Note 13)
0.1 dB
-
6.5
-
Hz
Note 13. The Passband and Stopband Frequencies scale with fs.
For example, PB (+0.001 dB/0.06 dB) = 0.46 fs (SHARP ROLL-OFF).
For example, PB (+0.001 dB/0.076 dB) = 0.26 fs (SLOW ROLL-OFF).
Note 14. The calculated delay time induced by digital filtering. This time is from the input of an analog
signal to the L channel MSB output timing of the SDTO. It may have an error of +1[1/fs] at
maximum when outputting data via audio interfaces.

[AK5536]
015099885-E-00 2016/03
- 13 -
Figure 7. SHARP ROLL-OFF (fs= 96 kHz)
Figure 8. SLOW ROLL-OFF (fs= 96 kHz)
Figure 9. SHORT DELAY SHARP ROLL-OFF (fs= 96 kHz)
Figure 10. SHORT DELAY SLOW ROLL-OFF (fs= 96 kHz)

[AK5536]
015099885-E-00 2016/03
- 14 -
■ ADC Filter Characteristics (fs= 192 kHz)
(Ta= 40 - +105 C; AVDD= 3.0-3.6 V, TVDD=1.7-1.98 V (LDOE pin=“L”) or 3.0-3.6 V (LDOE pin=“H”),
VDD18= 1.7-1.98 V (LDOE pin= “L”))
Parameter
Symbol
Min.
Typ.
Max.
Unit
Digital Filter (Decimation LPF): SHARP ROLL-OFF (Figure 11)
(SD pin=“L”, SLOW pin= “L”)
Passband (Note 13)
+0.001/0.037 dB
6.0 dB
PB
0
-
-
100.2
83.7
-
kHz
kHz
Stopband (Note 13)
SB
122.9
-
-
kHz
Stopband Attenuation
SA
85
-
-
dB
Group Delay Distortion 0 - 40.0 kHz
GD
-
0
-
1/fs
Group Delay (Note 14)
GD
-
15
-
1/fs
Digital Filter (Decimation LPF): SLOW ROLL-OFF (Figure 12)
(SD pin=“L”, SLOW pin= “H”)
Passband (Note 13)
+0.001/0.1 dB
6.0 dB
PB
0
-
-
75.2
31.5
-
kHz
kHz
Stopband (Note 13)
SB
146
-
-
kHz
Stopband Attenuation
SA
85
-
-
dB
Group Delay Distortion 0 - 40.0 kHz
GD
-
0
-
1/fs
Group Delay (Note 14)
GD
-
8
-
1/fs
Digital Filter (Decimation LPF): SHORT DELAY SHARP ROLL-OFF FILTER (Figure 13)
(SD pin=“H”, SLOW pin= “L”)
Passband (Note 13)
+0.001/0.037 dB
PB
0
-
83.7
kHz
6.0 dB
-
100.2
-
kHz
Stopband (Note 13)
SB
122.9
-
-
kHz
Stopband Attenuation
SA
85
-
-
dB
Group Delay Distortion 0 - 40.0 kHz
GD
-
-
0.3
1/fs
Group Delay (Note 14)
GD
-
6
-
1/fs
Digital Filter (Decimation LPF): SHORT DELAY SLOW ROLL-OFF FILTER (Figure 14)
(SD pin=“H”, SLOW pin= “H”)
Passband (Note 13)
+0.001/0.1 dB
PB
0
-
31.5
kHz
6.0 dB
-
75.2
-
kHz
Stopband (Note 13)
SB
146
-
-
kHz
Stopband Attenuation
SA
85
-
-
dB
Group Delay Distortion 0 - 40.0 kHz
GD
-
-
0.4
1/fs
Group Delay (Note 14)
GD
-
6
-
1/fs
Digital Filter (HPF):
Frequency Response
3.0 dB
FR
-
1.0
-
Hz
0.5 dB
-
2.5
-
Hz
(Note 13)
0.1 dB
-
6.5
-
Hz
Note 13. The Passband and Stopband Frequencies scale with fs.
For Example, PB (+0.001 dB/0.037 dB) = 0.436 fs (SHARP ROLL-OFF).
For Example, PB (+0.001 dB/0.1 dB) = 0.164 fs (SLOW ROLL-OFF).
Note 14. The calculated delay time induced by digital filtering. This time is from the input of an analog
signal to the L channel MSB output timing of the SDTO. It may have an error of +1[1/fs] at
maximum when outputting data via audio interfaces.

[AK5536]
015099885-E-00 2016/03
- 15 -
Figure 11. SHARP ROLL-OFF (fs= 192 kHz)
Figure 12. SLOW ROLL-OFF (fs= 192 kHz)
Figure 13. SHORT DELAY SHARP ROLL-OFF (fs= 192 kHz)
Figure 14. SHORT DELAY SLOW ROLL-OFF (fs= 192 kHz)

[AK5536]
015099885-E-00 2016/03
- 16 -
■ ADC Filter Characteristics (fs= 384 kHz)
(Ta= 40 - +105 C; AVDD= 3.0-3.6 V, TVDD=1.7-1.98 V (LDOE pin=“L”) or 3.0-3.6 V (LDOE pin=“H”),
VDD18= 1.7-1.98 V (LDOE pin= “L”))
Parameter
Symbol
Min.
Typ.
Max.
Unit
Digital Filter (Decimation LPF) (Figure 15)
(SD pin = “X”, SLOW pin = “X”) * It does not depend on the SD pin and Slow pin.
Frequency Response
(Note 13)
0.1 dB
1.0 dB
3.0 dB
6.0 dB
FR
-
-
-
-
81.75
114
137.63
157.2
-
-
-
-
kHz
kHz
kHz
kHz
Stopband (Note 13)
SB
277.4
-
-
kHz
Stopband Attenuation
SA
85
-
-
dB
Group Delay Distortion 0 - 40.0 kHz
ΔGD
-
0
-
1/fs
Group Delay (Note 14)
GD
-
7
-
1/fs
Note 13. The Passband and Stopband Frequencies scale with fs.
Note 14. The calculated delay time induced by digital filtering. This time is from the input of an analog
signal to the L channel MSB output timing of the SDTO. It may have an error of +1[1/fs] at
maximum when outputting data via audio interfaces.
Figure 15. Frequency Response (fs= 384 kHz)

[AK5536]
015099885-E-00 2016/03
- 17 -
■ ADC Filter Characteristics (fs= 768 kHz)
(Ta= 40 - +105 C; AVDD= 3.0-3.6 V, TVDD=1.7-1.98 V (LDOE pin=“L”) or 3.0-3.6 V (LDOE pin=“H”),
VDD18= 1.7-1.98 V (LDOE pin= “L”))
Parameter
Symbol
Min.
Typ.
Max.
Unit
Digital Filter (Decimation LPF) (Figure 16)
(SD pin = “X”, SLOW pin = “X”) * It does not depend on the SD pin and SLOW pin.
Frequency Response
(Note 13)
0.1 dB
1.0 dB
3.0 dB
6.0 dB
FR
-
-
-
-
26.25
83.75
144.5
203.1
-
-
-
-
kHz
kHz
kHz
kHz
Stopband (Note 13)
SB
640.3
-
-
kHz
Stopband Attenuation
SA
85
-
-
dB
Group Delay Distortion 0 - 40.0 kHz
ΔGD
-
0
-
1/fs
Group Delay (Note 14)
GD
-
5
-
1/fs
Note 13. The Passband and Stopband Frequencies scale with fs.
Note 14. The calculated delay time induced by digital filtering. This time is from the input of an analog
signal to the L channel MSB output timing of the SDTO. It may have an error of +1[1/fs] at
maximum when outputting data via audio interfaces.
Figure 16. Frequency Response (fs= 768 kHz)

[AK5536]
015099885-E-00 2016/03
- 18 -
10. DC Characteristics
(Ta= 40-105 C; AVDD= 3.0-3.6 V, VDD18= 1.7-1.98 V (LDOE pin=“L”))
Parameter
Symbol
Min.
Typ.
Max.
Unit
TVDD= 3.0-3.6 V (LDOE pin=”H”)
High-Level Input Voltage (Note 15)
Low-Level Input Voltage (Note 15)
VIH
VIL
70%TVDD
-
-
-
-
30%TVDD
V
V
High-Level Output Voltage (Note 16)
(Iout= 100 µA)
Low-Level Output Voltage (Note 17)
(except SDA pin: Iout= 100 µA)
(SDA pin: Iout= 3 mA)
VOH
VOL
VOL
TVDD0.5
-
-
-
-
-
-
0.5
0.4
V
V
V
TVDD= 1.7-1.98 V (LDOE pin=”L”)
High-Level Input Voltage (Note 15)
Low-Level Input Voltage (Note 15)
VIH
VIL
80%TVDD
-
-
-
-
20%TVDD
V
V
High-Level Output Voltage (Note 16)
(Iout= 100 µA)
Low-Level Output Voltage (Note 17)
(except SDA pin: Iout= 100 µA)
(SDA pin: Iout= 3 mA)
VOH
VOL
VOL
TVDD0.3
-
-
-
-
-
-
0.3
20%TVDD
V
V
V
Input Leakage Current
Iin
-
-
10
A
Note 15. MCLK, PDN, PW0-2, MSN, BICK (Slave Mode), LRCK (Slave Mode), TDMIN, SLOW/DCKB,
SD/PMOD, CKS0/SDA (Write)/CDTI, CKS1/CAD_I2C/CSN, CKS2/SCL/CCLK, CKS3/CAD1,
DIF0/DSDSEL0, DIF1/DSDSEL1, TDM0, TDM1, PSN/CAD0_SPI, I2C, DP, DCKS/HPFE,
LDOE, ODP, TEST
Note 16. BICK (Master Mode)/DCLK, LRCK (Master Mode)/DSDOL1, DSDOR1, SDTO1/DSDOL2,
SDTO2/DSDOR2, SDTO3/DSDOL3, DSDOR3, OVF
Note 17. Note.16 and SDA (Read)
The external pull-up resistors should be connected to TVDD+0.3 V or less.

[AK5536]
015099885-E-00 2016/03
- 19 -
11. Switching Characteristics
(Ta= 40 - +105 C; AVDD= 3.0-3.6 V, TVDD= 1.7-1.98 V (LDOE pin=“L”) or 3.0-3.6 V (LDOE pin=“H”),
VDD18= 1.7-1.98 V (LDOE pin=“L”), CL= 10 pF)
Parameter
Symbol
Min.
Typ.
Max.
Unit
Master Clock (MCLK)Timing (Figure 17, Figure 18)
Frequency
Duty Cycle
fCLK
dCLK
2.048
45
-
-
49.152
55
MHz
%
LRCK Timing (Slave mode) (Figure 17)
Normal mode (TDM1-0 bits = “00”)
Frequency
Normal Speed mode
Double Speed mode
Quad Speed mode
Oct speed mode
Hex speed mode
Duty Cycle
fs
fsn
fsd
fsq
fso
fsh
Duty
8
54
108
-
-
45
-
-
-
384
768
-
54
108
216
-
-
55
kHz
kHz
kHz
kHz
kHz
%
TDM128 mode (TDM1-0 bits = “01”)
Frequency
Normal Speed mode
Double Speed mode
Quad Speed mode
High time
Low time
fs
fsn
fsd
fsq
tLRH
tLRL
8
54
108
1/128fs
1/128fs
-
-
-
-
-
54
108
216
-
-
kHz
kHz
kHz
ns
ns
TDM256 mode (TDM1-0 bits = “10”)
Frequency
Normal Speed mode
Double Speed mode
High time
Low time
fs
fsn
fsd
tLRH
tLRL
8
54
1/256fs
1/256fs
-
-
-
-
54
108
-
-
kHz
kHz
ns
ns
TDM512 mode (TDM1-0 bits = “11”)
Frequency
Normal Speed mode
High time
Low time
fs
fsn
tLRH
tLRL
8
1/512fs
1/512fs
-
-
-
54
-
-
kHz
ns
ns
LRCK Timing (Master mode) (Figure 18)
Normal mode (TDM1-0 bits = “00”)
Frequency
Normal Speed mode
Double Speed mode
Quad Speed mode
Oct speed mode
Hex speed mode
Duty Cycle
fs
fsn
fsd
fsq
fso
fsh
Duty
8
54
108
-
-
-
-
-
-
384
768
50
54
108
216
-
-
-
kHz
kHz
kHz
kHz
kHz
%
TDM128 mode (TDM1-0 bits = “01”)
Frequency
Normal Speed mode
Double Speed mode
Quad Speed mode
High time
fs
fsn
fsd
fsq
tLRH
8
54
108
-
-
-
-
1/4fs
54
108
216
-
kHz
kHz
kHz
ns
TDM256 mode (TDM1-0 bits = “10”)
Frequency
Normal Speed mode
Double Speed mode
High time
fs
fsn
fsd
tLRH
8
54
-
-
-
1/8fs
54
108
-
kHz
kHz
ns
TDM512 mode (TDM1-0 bits = “11”)
Frequency
Normal Speed mode
High time
fs
fsn
tLRH
8
-
-
1/16fs
54
-
kHz
ns
Note 18. When the 1024fs, 512fs or 768fs /256fs or 384fs /128fs or 192fs are switched, the AK5536
should be reset by the PDN pin or RSTN bit.

[AK5536]
015099885-E-00 2016/03
- 20 -
(Ta= 40 - +105 C; AVDD= 3.0-3.6 V, TVDD= 1.7-1.98 V (LDOE pin=“L”) or 3.0-3.6 V (LDOE pin=“H”),
VDD18= 1.7-1.98 V (LDOE pin=“L”), CL= 10 pF)
Parameter
Symbol
Min.
Typ.
Max.
Unit
Audio Interface Timing (Slave mode)
Normal mode (TDM1-0 bits = “00”)
(8 kHz fs 216 kHz) (Figure 19)
(LDOE pin = “H”)
BICK Period
Normal Speed mode
Double Speed mode
Quad Speed mode
BICK Pulse Width Low
BICK Pulse Width High
LRCK Edge to BICK “↑” (Note 19)
BICK “↑” to LRCK Edge (Note 19)
LRCK to SDTO (MSB) (Except I2S mode)
BICK “↓”to SDTO1/2/3
tBCK
tBCK
tBCK
tBCKL
tBCKH
tLRB
tBLR
tLRS
tBSD
1/128fsn
1/128fsd
1/64fsq
32
32
25
25
-
-
-
-
-
-
-
-
-
-
-
-
-
-
-
-
-
-
25
25
ns
ns
ns
ns
ns
ns
ns
ns
ns
Normal mode (TDM1-0 bits = “00”)
(8 kHz ≤ fs ≤ 216 kHz) (Figure 19)
(LDOE pin = “L”)
BICK Period
Normal Speed mode (8 kHz ≤ fs ≤ 48 kHz)
Double Speed mode (48 kHz ≤ fs ≤ 96 kHz)
Quad Speed mode (96 kHz ≤ fs ≤ 192 kHz)
BICK Pulse Width Low
BICK Pulse Width High
LRCK Edge to BICK “↑” (Note 19)
BICK “↑” to LRCK Edge (Note 19)
LRCK to SDTO (MSB) (Except I2S mode)
BICK “↓” to SDTO1/2/3
tBCK
tBCK
tBCK
tBCKL
tBCKH
tLRB
tBLR
tLRS
tBSD
1/128fsn
1/128fsd
1/64fsq
36
36
30
30
-
-
-
-
-
-
-
-
-
-
-
-
-
-
-
-
-
-
30
30
ns
ns
ns
ns
ns
ns
ns
ns
ns
Normal mode (TDM1-0 bits = “00”)
(fs = 384 kHz, 768 kHz) (Figure 20)
BICK Period
Oct Speed mode
Hex Speed mode
BICK Pulse Width Low
BICK Pulse Width High
LRCK Edge to BICK “↑” (Note 19)
BICK “↑” to LRCK Edge (Note 19)
BICK “↑” to SDTO1/2/3
tBCK
tBCK
tBCKL
tBCKH
tLRB
tBLR
tBSDD
1/64fso
1/48fsh
12
12
12
12
5
-
-
-
-
-
-
-
-
-
-
-
-
-
22
ns
ns
ns
ns
ns
ns
ns
Note 18. When the 1024fs, 512fs or 768fs /256fs or 384fs /128fs or 192fs are switched, the AK5536
should be reset by the PDN pin or RSTN bit.
Note 19. BICK rising edge must not occur at the same time as LRCK edge.

[AK5536]
015099885-E-00 2016/03
- 21 -
(Ta= 40 - +105 C; AVDD= 3.0-3.6 V, TVDD= 1.7-1.98 V (LDOE pin=“L”) or 3.0-3.6 V (LDOE pin=“H”),
VDD18= 1.7-1.98 V (LDOE pin=“L”), CL= 10 pF)
Parameter
Symbol
Min.
Typ.
Max.
Unit
Audio Interface Timing (Slave mode) (Figure 21)
TDM128 mode (TDM1-0 bits = “01”)
BICK Period
Normal Speed mode
Double Speed mode
Quad Speed mode
BICK Pulse Width Low
BICK Pulse Width High
LRCK Edge to BICK “↑” (Note 19)
BICK “↑” to LRCK Edge (Note 19)
BICK “↑” to SDTO1/2
TDMIN Hold Time
TDMIN Setup Time
tBCK
tBCK
tBCK
tBCKL
tBCKH
tLRB
tBLR
tBSDD
tSDH
tSDS
1/128fsn
1/128fsd
1/128fsq
14
14
14
14
5
5
5
-
-
-
-
-
-
-
-
-
-
-
-
-
-
-
-
-
30
-
-
ns
ns
ns
ns
ns
ns
ns
ns
ns
ns
TDM256 mode (TDM1-0 bits = “10”)
BICK Period
Normal Speed mode
Double Speed mode
BICK Pulse Width Low
BICK Pulse Width High
LRCK Edge to BICK “↑” (Note 19)
BICK “↑” to LRCK Edge (Note 19)
BICK “↑” to SDTO1
TDMIN Hold Time
TDMIN Setup Time
tBCK
tBCK
tBCKL
tBCKH
tLRB
tBLR
tBSDD
tSDH
tSDS
1/256fsn
1/256fsd
14
14
14
14
5
5
5
-
-
-
-
-
-
-
-
-
-
-
-
-
-
-
30
-
-
ns
ns
ns
ns
ns
ns
ns
ns
ns
TDM512 mode (TDM1-0 bits = “11”)
BICK Period
Normal Speed mode
BICK Pulse Width Low
BICK Pulse Width High
LRCK Edge to BICK “↑” (Note 19)
BICK “↑” to LRCK Edge (Note 19)
BICK “↑” to SDTO1
TDMIN Hold Time
TDMIN Setup Time
tBCK
tBCKL
tBCKH
tLRB
tBLR
tBSDD
tSDH
tSDS
1/512fsn
14
14
14
14
5
5
5
-
-
-
-
-
-
-
-
-
-
-
-
-
30
-
-
ns
ns
ns
ns
ns
ns
ns
ns
Note 18. When the 1024fs, 512fs or 768fs /256fs or 384fs /128fs or 192fs are switched, the AK5536
should be reset by the PDN pin or RSTN bit.
Note 19. BICK rising edge must not occur at the same time as LRCK edge.

[AK5536]
015099885-E-00 2016/03
- 22 -
(Ta= 40 - +105 C; AVDD= 3.0-3.6 V, TVDD= 1.7-1.98 V (LDOE pin=“L”) or 3.0-3.6 V (LDOE pin=“H”),
VDD18= 1.7-1.98 V (LDOE pin=“L”), CL= 10 pF)
Parameter
Symbol
Min.
Typ.
Max.
Unit
Audio Interface Timing (Master mode) (Figure 22)
Normal mode (TDM1-0 bits = “00”)
(8 kHz fs 216 kHz)
BICK Period
Normal Speed mode
Double Speed mode
Quad Speed mode
BICK Duty
BICK “↓” to LRCK Edge
BICK “↓”to SDTO1/2/3
tBCK
tBCK
tBCK
dBCK
tMBLR
tBSD
-
-
-
-
20
20
1/64fsn
1/64fsd
1/64fsq
50
-
-
-
-
-
-
20
20
ns
ns
ns
%
ns
ns
Normal mode (TDM1-0 bits = “00”)
(fs = 384kHz, 768 kHz)
(LDOE pin = ”H”)
BICK Period
Oct speed mode
Hex speed mode
BICK Duty
BICK “↓” to LRCK Edge
BICK “↓” to SDTO1/2/3
tBCK
tBCK
dBCK
tMBLR
tBSD
-
-
-
4
4
1/64fso
1/64fsh
50
-
-
-
-
-
4
4
ns
ns
%
ns
ns
Normal mode (TDM1-0 bits = “00”)
(fs = 384 kHz,768 kHz)
(LDOE pin = ”L”)
BICK Period
Oct speed mode
Hex speed mode
BICK Duty
BICK “↓” to LRCK Edge
BICK “↓” to SDTO1/2/3
tBCK
tBCK
dBCK
tMBLR
tBSD
-
-
-
5
5
1/64fso
1/48fsh
50
-
-
-
-
-
5
5
ns
ns
%
ns
ns
Note 18. When the 1024fs, 512fs or 768fs /256fs or 384fs /128fs or 192fs are switched, the AK5536
should be reset by the PDN pin or RSTN bit.

[AK5536]
015099885-E-00 2016/03
- 23 -
(Ta= 40 - +105 C; AVDD= 3.0-3.6 V, TVDD= 1.7-1.98 V (LDOE pin=“L”) or 3.0-3.6 V (LDOE pin=“H”),
VDD18= 1.7-1.98 V (LDOE pin=“L”), CL= 10 pF)
Parameter
Symbol
Min.
Typ.
Max.
Unit
Audio Interface Timing (Master mode) (Figure 22)
TDM128 mode (TDM1-0 bits = “01”)
BICK Period
Normal Speed mode
Double Speed mode
Quad Speed mode
BICK Duty
BICK “↓” to LRCK Edge
BICK “↓” to SDTO1/2
TDMIN Hold Time
TDMIN Setup Time
tBCK
tBCK
tBCK
dBCK
tMBLR
tBSD
tSDH
tSDS
-
-
-
-
5
5
5
5
1/128fsn
1/128fsd
1/128fsq
50
-
-
-
-
-
-
-
-
5
5
-
-
ns
ns
ns
%
ns
ns
ns
ns
TDM256 mode (TDM1-0 bits = “10”)
BICK Period
Normal Speed mode
Double Speed mode
BICK Duty
BICK “↓” to LRCK Edge
BICK “↓” to SDTO1
TDMIN Hold Time
TDMIN Setup Time
tBCK
tBCK
dBCK
tMBLR
tBSD
tSDH
tSDS
-
-
-
5
5
5
5
1/256fsn
1/256fsd
50
-
-
-
-
-
-
-
5
5
-
-
ns
ns
%
ns
ns
ns
ns
TDM512 mode (TDM1-0 bits = “11”)
BICK Period
Normal Speed mode
BICK Duty
BICK “↓” to LRCK Edge
BICK “↓” to SDTO1
TDMIN Hold Time
TDMIN Setup Time
tBCK
dBCK
tMBLR
tBSD
tSDH
tSDS
-
-
5
5
5
5
1/512fsn
50
-
-
-
-
-
-
5
5
-
-
ns
%
ns
ns
ns
ns
Note 18. When the 1024fs, 512fs or 768fs /256fs or 384fs /128fs or 192fs are switched, the AK5536
should be reset by the PDN pin or RSTN bit.

[AK5536]
015099885-E-00 2016/03
- 24 -
(Ta= 40 - +105 C; AVDD= 3.0-3.6 V, TVDD= 1.7-1.98 V (LDOE pin=“L”) or 3.0-3.6 V (LDOE pin=“H”),
VDD18= 1.7-1.98 V (LDOE pin=“L”), CL= 10 pF)
Parameter
Symbol
Min.
Typ.
Max.
Unit
Audio Interface Timing (Master mode) (Figure 23)
DSD Audio Interface Timing
(64fs mode, DSDSEL 1-0 bits = “00”)
DCLK Period
DCLK Pulse Width Low
DCLK Pulse Width High
DCLK Edge to DSDOL/R (Note 20)
tDCK
tDCKL
tDCKH
tDDD
-
144
144
20
1/64fs
-
-
-
-
-
-
20
ns
ns
ns
ns
DSD Audio Interface Timing
(128fs mode, DSDSEL 1-0 bits = “01”)
DCLK Period
DCLK Pulse Width Low
DCLK Pulse Width High
DCLK Edge to DSDOL/R (Note 20)
tDCK
tDCKL
tDCKH
tDDD
-
72
72
10
1/128fs
-
-
-
-
-
-
10
ns
ns
ns
ns
DSD Audio Interface Timing
(256fs mode, DSDSEL 1-0 bits = “10”)
DCLK Period
DCLK Pulse Width Low
DCLK Pulse Width High
DCLK Edge to DSDOL/R (Note 20)
tDCK
tDCKL
tDCKH
tDDD
-
36
36
10
1/256fs
-
-
-
-
-
-
10
ns
ns
ns
ns
Note 18. When the 1024fs, 512fs or 768fs /256fs or 384fs /128fs or 192fs are switched, the AK5536
should be reset by the PDN pin or RSTN bit.
Note 20. tDDD is defined from a falling edge of DCLK “↓” to a DSDOL/R edge when DCKB bit = “0” and it
is defined from a rising edge of DCLK “↑” to a DSDOL/R edge when DCKB bit = “1”.

[AK5536]
015099885-E-00 2016/03
- 25 -
(Ta= 40 - +105 C; AVDD= 3.0-3.6 V, TVDD= 1.7-1.98 V (LDOE pin=“L”) or 3.0-3.6 V (LDOE pin=“H”),
VDD18= 1.7-1.98 V (LDOE pin=“L”), CL= 10 pF)
Note 21. Data must be held for sufficient time to bridge the 300 ns transition time of SCL.
Note 22. The AK5536 can be reset by setting the PDN pin to “L” upon power-up. The PDN pin must held
“L” for more than 150 ns for a certain reset. The AK5536 is not reset by the “L” pulse less than
30 ns.
Note 23. This cycle is the number of LRCK rising edges from the PDN pin = “H”.
Parameter
Symbol
Min.
Typ.
Max.
Unit
Control Interface Timing (3-Wire Serial mode):
(Figure 25) (Figure 26)
CCLK Period
CCLK Pulse Width Low
Pulse Width High
CDTI Setup Timing
CDTI Hold Timing
CSN “H” Time
CSN “↓” to CCLK “↑”
CCLK “↑” to CSN “↑”
tCCK
tCCKL
tCCKH
tCDS
tCDH
tCSW
tCSS
tCSH
200
80
80
40
40
150
50
50
-
-
-
-
-
-
-
-
-
-
-
-
-
-
-
-
ns
ns
ns
ns
ns
ns
ns
ns
Control Interface Timing (I2C Bus mode): (Figure 27)
SCL CLOCK Frequency
Bus Free Time Between Transmissions
Start Condition Hold Tune (Prior to First Clock Pulse)
Clock Low Time
Clock High Time
Setup Time for Repeated Start Condition
SDA Hold Time from SCL Falling (Note 21)
SDA Setup Time from SCL Rising
Rise Time of Both SDA and SCL Lines
Fall Time of Both SDA and SCL Lines
Setup Time for Stop Condition
Pulse Width of Spike Noise Suppressed by Input Filter
Capacitive Load on Bus
fSCL
tBUF
tHD STA
tLow
tHIGH
tSU STA
tHD DAT
tSU DAT
tR
tF
tSU STO
tSP
Cb
-
1.3
0.6
1.3
0.6
0.6
0
0.1
-
-
0.6
0
-
-
-
-
-
-
-
-
-
-
-
-
-
-
400
-
-
-
-
-
-
-
1.0
0.3
-
50
400
kHz
µs
µs
µs
µs
µs
µs
µs
µs
µs
µs
ns
pF
Power Down & Reset Timing (Figure 28)
PDN Pulse Width (Note 22)
PDN Reject Pulse Width (Note 22)
PDN “↑” to SDTO1-4 valid (Note 23)
tPD
tRPD
tPDV
150
-
-
-
-
583
-
30
-
ns
ns
1/fs

[AK5536]
015099885-E-00 2016/03
- 26 -
■ Timing Diagram
[1] PCM Mode
1/fCLK
tdCLKL
tdCLKH
MCLK
tBCK
tBCKL
VIH
tBCKH
BICK
VIL
1/fs
LRCK
50%TVDD
tLRH
tLRL
Duty=tLRHfs100
or
tLRLfs100
50%TVDD
dCLK=tdCLKHfs100
or
tdCLKLfs100
Figure 17. Clock Timing (Slave Mode)
1/fCLK
tCLKL
tCLKH
MCLK
tBCK
tBCKL
tBCKH
BICK
50%TVDD
1/fs
LRCK
50%TVDD
tLRH
Duty=tLRHfs100
dBCK=tBCKH/tBCK100
or
tBCKL/tBCK100
50%TVDD
dCLK=tCLKHfCLK100
or
tCLKLfCLK100
Figure 18. Clock Timing (Master Mode)

[AK5536]
015099885-E-00 2016/03
- 27 -
tLRB
LRCK
VIH
BICK
VIL
tLRS
SDTO1/2/3
50%TVDD
tBSD
VIH
VIL
tBLR
Figure 19. Audio Interface Timing (Normal Mode & Slave Mode: 8 kHz ≤ fs ≤ 216 kHz)
tLRB
LRCK
VIH
BICK
VIL
SDTO1/2/3
50%TVDD
VIH
VIL
tBLR
tBSDD
Figure 20. Audio Interface Timing (Normal & Slave Mode: fs=384 kHz, 768 kHz)
tLRB
LRCK
VIH
BICK
VIL
SDTO1/2/3
50%TVDD
tBSDD
VIH
VIL
tBLR
tSDS
TDMIN
VIH
VIL
tSDH
Figure 21. Audio Interface Timing (TDM & Slave Mode)

[AK5536]
015099885-E-00 2016/03
- 28 -
LRCK
BICK
SDTO1/2/3
tBSD
tMBLR
50%TVDD
50%TVDD
50%TVDD
TDMIN
tSDH
tSDS
VIH
VIL
Figure 22. Audio Interface Timing (Master Mode)
[2] DSD Mode
VOH
DCLK
VOL
tDDD
VOH
DSDOL1-3
DSDOR1-3
VOL
tDCKH
tDCKL
tDCK
Figure 23. Audio Serial Interface Timing (Normal Mode, DCKB bit= “0” or DCKB pin= “L”)
VOH
DCLK
VOL
tDDD
VOH
DSDOL1-3
DSDOR1-3
VOL
tDCKH
tDCKL
tDCK
tDDD
Figure 24. Audio Serial Interface Timing (Phase Modulation Mode, DCKB bit= “0” or DCKB pin= “L”)

[AK5536]
015099885-E-00 2016/03
- 29 -
[3] 3-Wire Serial Interface
tCSS
CSN
VIH
CCLK
VIL
VIH
CDTI
VIL
VIH
VIL
C1
C0
R/W
A4
tCCKL
tCCKH
tCDS
tCDH
Figure 25. WRITE Command Input Timing (3-wire Serial Mode)
CSN
VIH
CCLK
VIL
VIH
CDTI
VIL
VIH
VIL
D3
D2
D1
D0
tCSW
tCSH
Figure 26. WRITE Data Input Timing (3-wire Serial Mode)
[4]I2C Interface
tHIGH
SCL
SDA
VIH
tLOW
tBUF
tHD:STA
tR
tF
tHD:DAT
tSU:DAT
tSU:STA
Stop
Start
Start
Stop
tSU:STO
VIL
VIH
VIL
tSP
Figure 27. I2C Bus Mode Timing

[AK5536]
015099885-E-00 2016/03
- 30 -
[5] Power-down Timing
Figure 28. Power-down & Reset Timing
VIH
VIL
50%TVDD
tPD
SDTO1/2/3
PDN
tPDV
tRP
D

[AK5536]
015099885-E-00 2016/03
- 31 -
12. Functional Descriptions
■ Digital Core Power Supply
The digital core of the AK5536 is operates off of a 1.8 V power supply. Normally, this voltage is generated
by the internal LDO from TVDD (3.3 V) for digital interface. The internal LDO will be powered up by
setting the LDOE pin = “H”. Set the LDOE pin to “L” and supply a 1.8 V power to the VDD18 pin externally
when a 1.8 V is used as TVDD.
■ Output Mode
The AK5536 is able to output either PCM or DSD data. The DP pin or DP bit select the output mode. Set
the PW2 pin = PW1 pin = PW0 pin = “L” or RSTN bit = “0” or PW8-1 bits = “0H” to reset all channels when
changing the PCM/DSD mode. The AK5536 outputs data from the SDTO1-3 pins by BICK and LRCK in
PCM mode. DSD data are output from the DSDOL1-3 pins and DSDOR1-3 pins by DCLK in DSD mode.
DP pin
DP bit
Interface
L
0
PCM
H
1
DSD
Table 1 PCM/DSD Mode Control
■ Master Mode and Slave Mode
The AK5536 requires a master clock (MCLK), an audio serial data clock (BICK) and an output channel
clock (LRCK) in PCM mode. In this case, the LRCK frequency will be the sampling frequency. Both
master and slave modes are available in PCM mode. In master mode, the AK5536 internally generates
BICK and LRCK clocks from MCLK inputs and outputs them from the BICK pin and the LRCK pin. In
slave mode, AK5536 operates in the input MCLK, BICK and LRCK. MCLK must be synchronized with
BICK and LRCK but the phase is not important. The AK5536 is in master mode when the MSN pin = “H”
and in slave mode when the MSN pin = “L”.
The AK5536 requires a master clock (MCLK) in DSD mode. Slave mode is not available in DSD mode,
only master mode is supported.
■ System Clock
[1] PCM Mode
The external system clocks, which are required to operate the AK5536, are MCLK, BICK and LRCK in
PCM mode. MCLK frequency is determined based on LRCK frequency, according to the operation mode.
Table 2, Table 3, Table 4 show MCLK frequencies correspond to the normal audio rate. Set the
frequency ratio between Sampling frequency and MCLK by the CKS3-0 pins (Table 5)
All channels must be reset when changing the clock mode or audio interface format by the CKS2-0 pins
(bits), TDM1-0 pins (bits), DIF1-0 pins (bits) and the MSN pin. In parallel control mode, all channels will
be reset by the PDN pin = “L” or PW2-0 pins = “LLL”. In serial control mode, all channels will be reset by
RSTN bit = “0” or PW6-1 bits = “0H”. A stable clock must be supplied after releasing the reset.
The AK5536 integrates a phase detection circuit for LRCK. If the internal timing becomes out of
synchronization in slave mode, the AK5536 is reset automatically and the phase is resynchronized.
The following sequence must be executed when synchronizing multiple AK5536’s. Stop all AK5536’s in
reset status by setting the PDN pin = “L” → “H” after stopping the system clock. Make pin or register
settings while all channels are in reset status. After that, input the same system clock to all AK5536’s.

[AK5536]
015099885-E-00 2016/03
- 32 -
fs
MCLK
32fs
48fs
64fs
96fs
128fs
192fs
256fs
384fs
512fs
768fs
1024fs
32 kHz
N/A
N/A
N/A
N/A
N/A
N/A
8.192
MHz
12.288
MHz
16.384
MHz
24.576
MHz
32.768
MHz
48 kHz
N/A
N/A
N/A
N/A
N/A
N/A
12.288
MHz
18.432
MHz
24.576
MHz
36.864
MHz
N/A
96 kHz
N/A
N/A
N/A
N/A
N/A
N/A
24.576
MHz
36.864
MHz
N/A
N/A
N/A
192 kHz
N/A
N/A
N/A
N/A
24.576
MHz
36.864
MHz
N/A
N/A
N/A
N/A
N/A
384 kHz
N/A
N/A
24.576
MHz
36.864
MHz
N/A
N/A
N/A
N/A
N/A
N/A
N/A
768 kHz
24.576
MHz
36.864
MHz
N/A
N/A
N/A
N/A
N/A
N/A
N/A
N/A
N/A
(N/A: Not Available)
Table 2. System Clock Example (Slave Mode)
fs
MCLK
32fs
48fs
64fs
96fs
128fs
192fs
256fs
384fs
512fs
768fs
1024fs
32 kHz
N/A
N/A
N/A
N/A
N/A
N/A
8.192
MHz
12.288
MHz
16.384
MHz
24.576
MHz
32.768
MHz
48 kHz
N/A
N/A
N/A
N/A
N/A
N/A
12.288
MHz
18.432
MHz
24.576
MHz
36.864
MHz
N/A
96 kHz
N/A
N/A
N/A
N/A
N/A
N/A
24.576
MHz
36.864
MHz
N/A
N/A
N/A
192 kHz
N/A
N/a
N/A
N/A
24.576
MHz
36.864
MHz
N/A
N/A
N/A
N/A
N/A
384 kHz
N/A
N/A
24.576
MHz
36.864
MHz
N/A
N/A
N/A
N/A
N/A
N/A
N/A
768 kHz
24.576
MHz
36.864
MHz
49.152
MHz
N/A
N/A
N/A
N/A
N/A
N/A
N/A
N/A
(N/A: Not Available)
Table 3. System Clock Example (Master Mode)
fs
MCLK
32fs
48fs
64fs
96fs
128fs
192fs
256fs
384fs
512fs
768fs
1024fs
32 kHz
N/A
N/A
N/A
N/A
N/A
N/A
N/A
N/A
16.384
MHz
24.576
MHz
32.768
MHz
48 kHz
N/A
N/A
N/A
N/A
N/A
N/A
N/A
N/A
24.576
MHz
36.864
MHz
N/A
96 kHz
N/A
N/A
N/A
N/A
N/A
N/A
24.576
MHz
36.864
MHz
N/A
N/A
N/A
192 kHz
N/A
N/A
N/A
N/A
24.576
MHz
36.864
MHz
N/A
N/A
N/A
N/A
N/A
384 kHz
N/A
N/A
24.576
MHz
36.864
MHz
N/A
N/A
N/A
N/A
N/A
N/A
N/A
768 kHz
24.576
MHz
36.864
MHz
NA
N/A
N/A
N/A
N/A
N/A
N/A
N/A
N/A
(N/A: Not Available)
Table 4. System Clock Example (Auto Mode)

[AK5536]
015099885-E-00 2016/03
- 33 -
CKS3
pin(bit)
CKS2
pin(bit)
CKS1
pin(bit)
CKS0
pin(bit)
MSN pin
MCLK
Frequency
Speed Mode
fs Range
L(0)
L(0)
L(0)
L(0)
L
128fs
24M
Quad Speed
108 kHz fs 216 kHz
H
L(0)
L(0)
L(0)
H(1)
L
192fs
36M
Quad Speed
108 kHz fs 216 kHz
H
L(0)
L(0)
H(1)
L(0)
L
256fs
12M
Normal Speed
8 kHz fs 54 kHz
H
L(0)
L(0)
H(1)
H(1)
L
256fs
24M
Double Speed
54 kHz fs 108 kHz
H
L(0)
H(1)
L(0)
L(0)
L
384fs
36M
Double Speed
54 kHz fs 108 kHz
H
L(0)
H(1)
L(0)
H(1)
L
384fs
18M
Normal Speed
8 kHz fs 54 kHz
H
L(0)
H(1)
H(1)
L(0)
L
512fs
24M
Normal Speed
8 kHz fs 54 kHz
H
L(0)
H(1)
H(1)
H(1)
L
768fs
36M
Normal Speed
8 kHz fs 54 kHz
H
H(1)
L(0)
L(0)
L(0)
L
64fs
24M
Oct Speed
fs = 384 kHz
H
H(1)
L(0)
L(0)
H(1)
L
32fs
24M
Hex Speed
fs = 768 kHz
H
H(1)
L(0)
H(1)
L(0)
L
96fs
36M
Oct Speed
fs = 384 kHz
H
H(1)
L(0)
H(1)
H(1)
L
48fs
36M
Hex Speed
fs = 768 kHz
H
H(1)
H(1)
L(0)
L(0)
L
NA
NA
H
64fs
49.1M
Hex Speed
fs = 768 kHz
H(1)
H(1)
L(0)
H(1)
L
1024fs
32M
Normal Speed
8 kHz ≤ fs ≤ 32 kHz
H
H(1)
H(1)
H(1)
L(0)
L
NA
NA
H
H(1)
H(1)
H(1)
H(1)
L
Auto
8 kHz fs 216 kHz
fs = 384kHz, 768kHz
H
NA
NA
Table 5. Clock Mode (fs & MCLK Frequency)

[AK5536]
015099885-E-00 2016/03
- 34 -
[2] DSD Mode
The external clock, which is required to operate the AK5536, is MCLK in DSD mode. The AK5536
generates DCLK from MCLK inputs and DSD data outputs (DSDOL1-3 and DSDOR1-3) are
synchronized with DCLK. The necessary MCLK frequencies are 512fs and 768fs (fs=32 kHz, 44.1 kHz,
48 kHz). MCLK frequency can be changed by the DCKS pin (bit). After exiting reset (PDN pin = “L” → “H”)
upon power-up, the AK5536 is in power-down state until MCLK is input.
DCKS pin (bit)
MCLK Frequency
(default)
L (0)
512fs
H (1)
768fs
Table 6. System Clock (DSD Mode)
The AK5536 supports 64fs, 128fs and 256fs DSD sampling frequencies (fs= 32 kHz 44.1 kHz, 48 kHz).
DSDSEL1-0 pins (bits) control this setting (Table 7).
DSDSEL1
pin (bit)
DSDSEL0
pin (bit)
Frequency
Mode
DSD Sampling Frequency
fs=32 kHz
fs=44.1 kHz
fs=48 kHz
L(0)
L(0)
64fs
2.048 MHz
2.8224 MHz
3.072 MHz
(default)
L(0)
H(1)
128fs
4.096 MHz
5.6448 MHz
6.144 MHz
H(1)
L(0)
256fs
8.192 MHz
11.2896 MHz
12.288 MHz
H(1)
H(1)
-
Reserved
Reserved
Reserved
Table 7. DSD Sampling Frequency Select
■ Audio Interface Format
TDM1-0 pins(bits), DIF1-0 pins(bits), SLOW pin(bit) and SD pin(bit) settings should be changed when all
channel are reset condition.
[1] PCM Mode
48 types of audio interface format can be selected by the TDM1-0 pins (bits), MSN pin and DIF1-0 pins
(bits) (Table 8, Table 9). In all formats the serial data is MSB-first, 2's complement format. In master mode,
the SDTO1-3 is clocked out on the falling edge of BICK. Normal output in slave mode, the SDTO1-3 is
clocked out on the falling edge of BICK if 8 kHz ≤ fs ≤ 216 kHz. In other conditions, the data is clocked out
on the prior rising edge of BICK to compensate for some delay that renders the edge of data transition
near BICK falling edge.
Audio interface format is distinguished in four types: Normal mode, TDM128 mode, TDM256 mode and
TDM512 mode are available. The TDM1-0 pins (bits) select these modes.
In Normal mode (non TDM), AIN1 and AIN2 A/D converted data is output from the SDTO1 pin, AIN3 and
AIN4 A/D converted data is output from the SDTO2 pin, AIN5 and AIN6 A/D converted data is output from
the SDTO3 pin.
The BICK frequency must be in the rage from 48fs to 128fs (fs= 48 kHz) in slave mode if the audio
interface format is in normal output (non TDM) and the interface speed is in Normal, Double or Quad
mode. Bit length of A/D data is 24-bit or 32-bit and it is selected by the DIF1 pin (bit).
The BICK frequency must be set to 32fs, 48fs or 64fs in slave mode if the audio interface format is normal
output (non TDM) and the interface speed is in OCT mode. Bit length of A/D data is determined by BICK
frequency regardless of the DIF1 pin (bit) if the BICK frequency is 32fs or 48fs. It is 16-bit when the BICK
frequency is 32fs and 24-bit when the BICK frequency is 48fs. When the BICK frequency is 64fs, A/D
data can be selected between 24-bit and 32-bit by the DIF1 pin (bit).
The BICK frequency must be set to 32fs or 48fs in slave mode if the audio interface format is normal
output (non TDM) and the interface speed is in EXT mode. Bit length of A/D data is determined by BICK
frequency regardless of the DIF1 pin (bit). It is 16-bit when the BICK frequency is 32fs and 24-bit when
the BICK frequency is 48fs.

[AK5536]
015099885-E-00 2016/03
- 35 -
The BICK frequency will be 64fs in master mode if the audio interface format is normal output (non TDM)
and the interface speed is Normal, Double or Quad mode. Data bit length can be selected from 24-bit and
32-bit by the DIF1 pin (bit).
The MCLK frequency must be 64fs or 96fs in master mode if the audio interface format is normal output
(non TDM) and the interface speed is OCT mode. The BICK frequency will be 64fs. Data bit length can be
selected from 24-bit and 32-bit by the DIF1 pin (bit).
The BICK frequency will be synchronized with the MCLK frequency in master mode if the audio interface
format is normal output (non TDM) and the interface speed is HEX mode. The MCLK frequency must be
32fs, 48fs or 64fs. The bit length of A/D data is 16-bit when the MCLK frequency is 32fs, 24-bit when the
MCLK frequency is 48fs and 24-bit or 32-bit can be selected by the DIF1 pin (bit) when the MCLK
frequency is 64fs.
The DIF0 pin selects the A/D data format between MSB justified and I2S Compatible.
No.
Multiplex
Mode
Speed
Mode
TDM1
pin(bit)
TDM0
pin(bit)
MSN
Pin
DIF1
pin(bit)
DIF0
pin(bit)
SDTO
LRCK
BICK
MCLK
Pol.
I/O
Freq.
I/O
Freq.
I/O
0
Normal
Normal
Double
Quad
L(0)
L(0)
L
L(0)
L(0)
24-bit, MSB
H/L
I
48-128fs
I
128-1024fs
I
1
L(0)
H(1)
24-bit, I2S
L/H
I
48-128fs
I
128-1024fs
I
2
H(1)
L(0)
32-bit, MSB
H/L
I
64-128fs
I
128-1024fs
I
3
H(1)
H(1)
32-bit, I2S
L/H
I
64-128fs
I
128-1024fs
I
4
H
L(0)
L(0)
24-bit, MSB
H/L
O
64fs
O
128-1024fs
I
5
L(0)
H(1)
24-bit, I2S
L/H
O
64fs
O
128-1024fs
I
6
H(1)
L(0)
32-bit, MSB
H/L
O
64fs
O
128-1024fs
I
7
H(1)
H(1)
32-bit, I2S
L/H
O
64fs
O
128-1024fs
I
8
OCT
HEX
L(0)
L(0)
L
*
L(0)
16-bit, MSB
↑
I
32fs
I
32-96fs
I
9
*
H(1)
16-bit, I2S
↓
I
32fs
I
32-96fs
I
10
*
L(0)
24-bit, MSB
↑
I
48fs
I
32-96fs
I
11
*
H(1)
24-bit, I2S
↓
I
48fs
I
32-96fs
I
12
L(0)
L(0)
24-bit, MSB
↑
I
64fs
I
32-96fs
I
13
L(0)
H(1)
24-bit, I2S
↓
I
64fs
I
32-96fs
I
14
H(1)
L(0)
32-bit, MSB
↑
I
64fs
I
32-96fs
I
15
H(1)
H(1)
32-bit, I2S
↓
I
64fs
I
32-96fs
I
16
H
*
L(0)
16-bit, MSB
↑
O
32fs
O
32fs
I
17
*
H(1)
16-bit, I2S
↓
O
32fs
O
32fs
I
18
*
L(0)
24-bit, MSB
↑
O
48fs
O
48fs
I
19
*
H(1)
24-bit, I2S
↓
O
48fs
O
48fs
I
20
L(0)
L(0)
24-bit, MSB
↑
O
64fs
O
64-96fs
I
21
L(0)
H(1)
24-bit, I2S
↓
O
64fs
O
64-96fs
I
22
H(1)
L(0)
32-bit, MSB
↑
O
64fs
O
64-96fs
I
23
H(1)
H(1)
32-bit, I2S
↓
O
64fs
O
64-96fs
I
Table 8. Audio Interface Format (Normal Mode)

[AK5536]
015099885-E-00 2016/03
- 36 -
No.
Multiplex
Mode
Speed
Mode
TDM1
pin(bit)
TDM0
pin(bit)
MSN
pin
DIF1
pin(bit)
DIF0
pin(bit)
SDTO
LRCK
BICK
MCLK
Edg.
I/O
Freq.
I/O
Freq.
I/O
24
TDM128
Normal
Double
Quad
L(0)
H(1)
L
L(0)
L(0)
24-bit, MSB
↑
I
128fs
I
128-1024fs
I
25
L(0)
H(1)
24-bit, I2S
↓
I
128fs
I
128-1024fs
I
26
H(1)
L(0)
32-bit, MSB
↑
I
128fs
I
128-1024fs
I
27
H(1)
H(1)
32-bit, I2S
↓
I
128fs
I
128-1024fs
I
28
H
L(0)
L(0)
24-bit, MSB
↑
O
128fs
O
128-1024fs
I
29
L(0)
H(1)
24-bit, I2S
↓
O
128fs
O
128-1024fs
I
30
H(1)
L(0)
32-bit, MSB
↑
O
128fs
O
128-1024fs
I
31
H(1)
H(1)
32-bit, I2S
↓
O
128fs
O
128-1024fs
I
32
TDM256
Normal
Double
H(1)
L(0)
L
L(0)
L(0)
24-bit, MSB
↑
I
256fs
I
256-1024fs
I
33
L(0)
H(1)
24-bit, I2S
↓
I
256fs
I
256-1024fs
I
34
H(1)
L(0)
32-bit, MSB
↑
I
256fs
I
256-1024fs
I
35
H(1)
H(1)
32-bit, I2S
↓
I
256fs
I
256-1024fs
I
36
H
L(0)
L(0)
24-bit, MSB
↑
O
256fs
O
256-1024fs
I
37
L(0)
H(1)
24-bit, I2S
↓
O
256fs
O
256-1024fs
I
38
H(1)
L(0)
32-bit, MSB
↑
O
256fs
O
256-1024fs
I
39
H(1)
H(1)
32-bit, I2S
↓
O
256fs
O
256-1024fs
I
40
TDM512
Normal
H(1)
H(1)
L
L(0)
L(0)
24-bit, MSB
↑
I
512fs
I
256-1024fs
I
41
L(0)
H(1)
24-bit, I2S
↓
I
512fs
I
256-1024fs
I
42
H(1)
L(0)
32-bit, MSB
↑
I
512fs
I
256-1024fs
I
43
H(1)
H(1)
32-bit, I2S
↓
I
512fs
I
256-1024fs
I
44
H
L(0)
L(0)
24-bit, MSB
↑
O
512fs
O
512-1024fs
I
45
L(0)
H(1)
24-bit, I2S
↓
O
512fs
O
512-1024fs
I
46
H(1)
L(0)
32-bit, MSB
↑
O
512fs
O
512-1024fs
I
47
H(1)
H(1)
32-bit, I2S
↓
O
512fs
O
512-1024fs
I
Table 9. Audio Interface Format (TDM Mode)

[AK5536]
015099885-E-00 2016/03
- 37 -
Cascade Connection in TDM Mode
The AK5536 supports cascade connection in TDM mode. All A/D converted data of connected AK5536
are output from the SDTO1 pin of the last AK5536 by cascade connection.
When the ODP pin = “L”, a cascade connection of two devices in TDM512 mode is supported. Figure 29
shows a connection example. When the ODP pin = “H”, a cascade connection of two up to sixteen
devices is available.
When using multiple devices in slave mode on cascade connection, internal operation timing of each
device may differ for one MCLK cycle depending on MCLK and BICK input timings. To prevent this timing
difference, BICK “↓” should be more than ± 10ns from MCLK “↑” as shown in Table 10. To realize this
timing, BICK divided by two should be input on a falling edge of MCLK as shown in Figure 54 when
MCLK=2xBICK (normal speed 1024fs mode). When MCLK=BICK (normal speed 512fs mode), MCLK
and BICK should be input in-phase as shown in Figure 55 to satisfy the timing shown in Table 10.
48kHz
512fs
16ch TDM
256fs, 512fs or 1024fs
GND
LRCK
AK5536 #1
BICK
TDMIN
SDTO1
MCLK
LRCK
AK5536 #2
BICK
TDMIN
SDTO1
MCLK
TDM512
48kHz
512fs
16ch TDM
256fs, 512fs or 1024fs
GND
LRCK
AK5536 #1
BICK
TDMIN
SDTO1
MCLK
LRCK
AK5536 #2
BICK
TDMIN
SDTO1
MCLK
TDM512
Slave mode
Slave mode
Master mode
Slave mode
Figure 29. Cascade Connection

[AK5536]
015099885-E-00 2016/03
- 38 -
LRCK
BICK(64fs)
SDTO1-3
0
1
2
11
12
13
23
24
31
0
1
2
11
12
13
23
24
31
0
23
1
22
23
22
13
12
11
31
AIN1/3/5 Data
13
12
0
23: MSB, 0: LSB
11
1
1
0
AIN2/4/6 Data
Figure 30. Mode 0/4 Timing (Normal Output, Normal/Double/Quad Speed Mode, MSB Justified, 24-bit)
LRCK
BICK(64fs)
SDTO1-3
0
1
2
3
22
23
24
25
0
0
1
31
29
30
23: MSB, 0: LSB
AIN1/3/5 Data
0
2
3
22
23
24
25
31
29
30
1
1
23
23
22
2
1
0
AIN2/4/6 Data
22
2
Figure 31. Mode 1/5 Timing (Normal Output, Normal/Double/Quad Speed Mode, I2S Compatible, 24-bit)
LRCK
BICK(64fs)
SDTO1-3
0
1
2
11
12
13
20
21
31
0
1
2
12
13
14
24
25
31
0
31
1
30
31
30
22
20
19
31
AIN1/3/5 Data
22
20
11
31: MSB, 0: LSB
1
0
19
12
0
12
11
1
AIN2/4/6 Data
Figure 32. Mode 2/6 Timing (Normal Output, Normal/Double/Quad Speed Mode, MSB Justified, 32-bit)
LRCK
BICK(64fs)
SDTO1-3
0
1
2
3
23
24
25
26
0
0
1
31
29
30
31
30
31: MSB, 0: LSB
AIN1/3/5 Data
14
2
3
23
24
25
26
0
31
29
30
1
0
1
2
3
15
16
31
30
16
15
14
3
1
2
0
AIN2/4/6 Data
Figure 33. Mode 3/7 Timing (Normal Output, Normal/Double/Quad Speed Mode, I2S Compatible, 32-bit)

[AK5536]
015099885-E-00 2016/03
- 39 -
LRCK (Slave)
BICK (32fs)
SDTO1-3 (O)
14
9
AIN1/3/5 Data
16 BICK
32 BICK
6
1
0
14
9
AIN2/4/6 Data
16 BICK
6
1
LRCK (Master)
14
15
8
7
0
15
8
7
0
15
Figure 34. Mode 8/16 Timing (Normal Output, OCT/HEX Speed Mode, MSB Justified, 16-bit)
LRCK (Slave)
BICK (32fs)
SDTO1-3 (O)
14
9
AIN1/3/5 Data
16 BICK
32 BICK
6
1
0
14
9
AIN2/4/6 Data
16 BICK
6
1
LRCK (Master)
14
15
8
7
0
15
8
7
0
15
Figure 35. Mode 9/17 Timing (Normal Output, OCT/HEX Speed Mode, I2S Compatible, 16-bit)
LRCK (Slave)
BICK (48fs)
SDTO1-3 (O)
22
13
AIN1/3/5 Data
24 BICK
48 BICK
10
1
0
22
13
AIN2/4/6 Data
24 BICK
10
1
LRCK (Master)
22
23
12
11
0
23
12
11
0
23
Figure 36. Mode 10/18 Timing (Normal Output, OCT/HEX Speed Mode, MSB Justified, 24-bit)
LRCK (Slave)
BICK (48fs)
SDTO1-3 (O)
22
13
AIN1/3/5 Data
24 BICK
48 BICK
10
1
0
22
13
AIN2/4/6 Data
24 BICK
10
1
LRCK (Master)
22
23
12
11
0
23
12
11
0
23
Figure 37. Mode 11/19 Timing (Normal Output, OCT/HEX Speed Mode, I2S Compatible, 24-bit)

[AK5536]
015099885-E-00 2016/03
- 40 -
LRCK (Slave)
BICK (64fs)
SDTO1-3 (O)
22
AIN1/3/5 Data
32 BICK
64 BICK
7
0
22
15
AIN2/4/6 Data
32 BICK
7
0
LRCK (Master)
22
23
8
23
8
23
15
Figure 38. Mode 12/20 Timing (Normal Output, OCT/HEX Speed Mode, MSB Justified, 24-bit)
LRCK (Slave)
BICK (64fs)
SDTO1-3 (O)
22
15
AIN1/3/5 Data
32 BICK
64 BICK
7
0
22
15
AIN2/4/6 Data
32 BICK
7
0
LRCK (Master)
22
23
8
23
8
23
Figure 39. Mode 13/21 Timing (Normal Output, OCT/HEX Speed Mode, I2S Compatible, 24-bit)
LRCK (Slave)
BICK (64fs)
SDTO1-3 (O)
30
17
AIN1/3/5 Data
32 BICK
64 BICK
14
1
0
30
17
AIN2/4/6 Data
32 BICK
14
1
LRCK (Master)
30
31
16
15
0
31
16
15
0
31
Figure 40. Mode 14/22 Timing (Normal Output, OCT/HEX Speed Mode, MSB Justified, 32-bit)
LRCK (Slave)
BICK (64fs)
SDTO1-3 (O)
30
17
AIN1/3/5 Data
32 BICK
64 BICK
14
1
0
30
17
AIN2/4/6 Data
32 BICK
14
1
LRCK (Master)
30
31
16
15
0
31
16
15
0
31
Figure 41. Mode 15/23 Timing (Normal Output, OCT/HEX Speed Mode, I2S Compatible, 32-bit)

[AK5536]
015099885-E-00 2016/03
- 41 -
LRCK (Slave)
BICK (256fs)
SDTO1 (O)
22
0
Data 1
32 BICK
128 BICK
22
0
Data 2
32 BICK
22
0
Data 3
32 BICK
22
0
Data 4
32 BICK
LRCK (Master)
22
SDTO3 (O)
23
23
23
23
23
SDTO2 (O)
22
0
Data 5
32 BICK
22
0
Data 6
32 BICK
22
23
23
23
Figure 42. Mode 24/28 Timing (TDM128 Mode, MSB Justified, 24-bit)
LRCK (Slave)
BICK (256fs)
SDTO1 (O)
22
0
Data 1
32 BICK
128 BICK
22
0
Data 2
32 BICK
22
0
Data 3
32 BICK
22
0
Data 4
32 BICK
LRCK (Master)
22
SDTO3 (O)
23
23
23
23
23
SDTO2 (O)
22
0
Data 5
32 BICK
22
0
Data 6
32 BICK
22
23
23
23
Figure 43. Mode 25/29 Timing (TDM128 Mode, I2S Compatible)
LRCK (Slave)
BICK (256fs)
SDTO1 (O)
30
1
Data 1
32 BICK
128 BICK
30
1
Data 2
32 BICK
0
30
1
Data 3
32 BICK
30
1
Data 4
32 BICK
LRCK (Master)
30
SDTO3 (O)
31
0
31
0
31
0
31
0
31
SDTO2 (O)
30
1
Data 5
32 BICK
30
1
Data 6
32 BICK
0
30
31
0
31
0
31
Figure 44. Mode 26/30 Timing (TDM128 Mode, MSB Justified)

[AK5536]
015099885-E-00 2016/03
- 42 -
LRCK (Slave)
BICK (256fs)
SDTO1 (O)
30
1
Data 1
32 BICK
128 BICK
30
1
Data 2
32 BICK
0
30
1
Data 3
32 BICK
30
1
Data 4
32 BICK
LRCK (Master)
30
SDTO3 (O)
31
0
31
0
31
0
31
0
31
SDTO2 (O)
30
1
Data 5
32 BICK
30
1
Data 6
32 BICK
0
30
31
0
31
0
31
Figure 45. Mode 27/31 Timing (TDM128 Mode, I2S Compatible)
LRCK (Slave)
BICK (256fs)
SDTO1 (O)
22
0
Data 1
32 BICK
256 BICK
22
0
Data 2
32 BICK
22
22
0
Data 3
32 BICK
22
0
Data 4
32 BICK
LRCK (Master)
22
0
Data 5
32 BICK
22
0
Data 6
32 BICK
SDTO2-3 (O)
23
23
23
23
23
23
23
Figure 46. Mode 32/36 Timing (TDM256 Mode, MSB Justified, 24-bit)
LRCK (Slave)
BICK (256fs)
SDTO1 (O)
22
0
Data 1
32 BICK
256 BICK
22
0
Data 2
32 BICK
22
0
Data 3
32 BICK
22
0
Data 4
32 BICK
LRCK (Master)
22
0
Data 5
32 BICK
22
0
Data 6
32 BICK
SDTO2-3 (O)
23
23
23
23
23
23
23
Figure 47. Mode 33/37 Timing (TDM256 Mode, I2S Compatible, 24-bit)

[AK5536]
015099885-E-00 2016/03
- 43 -
LRCK (Slave)
BICK (256fs)
SDTO1 (O)
30
1
Data 1
32 BICK
256 BICK
30
1
Data 2
32 BICK
30
30
1
Data 3
32 BICK
30
1
Data 4
32 BICK
LRCK (Master)
30
1
Data 5
32 BICK
30
1
Data 6
32 BICK
SDTO2-3 (O)
31
0
31
0
31
0
31
0
31
0
31
0
31
Figure 48. Mode 34/38 Timing (TDM256 Mode, MSB Justified, 32-bit)
LRCK (Slave)
BICK (256fs)
SDTO1 (O)
30
1
Data 1
32 BICK
256 BICK
30
1
Data 2
32 BICK
0
30
1
Data 3
32 BICK
30
1
Data 4
32 BICK
LRCK (Master)
30
1
Data 5
32 BICK
30
1
Data 6
32 BICK
SDTO2-3 (O)
31
0
31
0
31
0
31
0
31
0
31
0
31
Figure 49. Mode 35/39 Timing (TDM256 Mode, I2S Compatible, 32-bit)
LRCK (Slave)
BICK (512fs)
SDTO1 (O)
22
0
#2 Data 1
32 BICK
512 BICK
33
0
#2 Data 2
32 BICK
22
0
#2 Data 3
32 BICK
22
0
#2 Data 4
32 BICK
LRCK (Master)
TDMIN (I)
(#1 SDTO1)
22
0
#1 Data 1
32 BICK
22
0
#1 Data 2
32 BICK
30
22
0
#1 Data 3
32 BICK
22
0
#1 Data 4
32 BICK
22
0
#2 Data 5
32 BICK
22
0
#2 Data 6
32 BICK
22
0
#1 Data 1
32 BICK
22
0
#1 Data 2
32 BICK
SDTO2-3 (O)
22
0
#1 Data 3
32 BICK
22
0
#1 Data 4
32 BICK
22
0
#1 Data 5
32 BICK
22
0
#1 Data6
32 BICK
22
0
#1 Data 5
32 BICK
22
0
#1 Data 6
32 BICK
23
23
23
23
23
23
23
23
23
23
23
23
31
22
23
23
23
23
23
23
23
Figure 50. Mode 40/44 Timing (TDM512 Mode, MSB Justified, 24-bit)

[AK5536]
015099885-E-00 2016/03
- 44 -
LRCK (Slave)
BICK (512fs)
SDTO1 (O)
22
0
#2 Data 1
32 BICK
512 BICK
22
0
#2 Data 2
32 BICK
22
0
#2 Data 3
32 BICK
22
0
#2 Data 4
32 BICK
LRCK (Master)
TDMIN (I)
(#1 SDTO1)
22
0
#1 Data 1
32 BICK
22
0
#1 Data 2
32 BICK
22
0
#1 Data 3
32 BICK
22
0
#1 Data 4
32 BICK
22
0
#2 Data 5
32 BICK
22
0
#2 Data 6
32 BICK
22
0
#1 Data 1
32 BICK
22
0
#1 Data 2
32 BICK
SDTO2-3 (O)
22
0
#1 Data 3
32 BICK
22
0
#1 Data 4
32 BICK
22
0
#1 Data 5
32 BICK
22
0
#1 Data6
32 BICK
22
0
#1 Data 5
32 BICK
22
0
#1 Data 6
32 BICK
23
23
23
23
23
23
23
23
23
23
23
23
23
23
23
23
23
23
23
23
Figure 51. Mode 41/45 Timing (TDM512 Mode, I2S Compatible, 24-bit)
LRCK (Slave)
BICK (512fs)
SDTO1 (O)
30
1
#2 Data 1
32 BICK
512 BICK
30
1
#2 Data 2
32 BICK
30
1
#2 Data 3
32 BICK
30
1
#2 Data 4
32 BICK
LRCK (Master)
TDMIN (I)
(#1 SDTO1)
30
1
#1 Data 1
32 BICK
30
1
#1 Data 2
32 BICK
30
30
1
#1 Data 3
32 BICK
30
1
#1 Data 4
32 BICK
30
1
#2 Data 5
32 BICK
30
1
#2 Data 6
32 BICK
30
1
#1 Data 1
32 BICK
30
1
#1 Data 2
32 BICK
SDTO2-3 (O)
30
1
#1 Data 3
32 BICK
30
1
#1 Data 4
32 BICK
30
1
#1 Data 5
32 BICK
30
1
#1 Data6
32 BICK
30
1
#1 Data 5
32 BICK
30
1
#1 Data 6
32 BICK
31
0
31
0
31
0
31
0
31
0
31
0
31
0
31
0
31
0
31
0
31
0
31
0
31
30
31
31
0
31
0
31
0
31
0
31
0
31
0
Figure 52. Mode 42/46 Timing (TDM512 Mode, MSB Justified, 32-bit)
LRCK (Slave)
BICK (512fs)
SDTO1 (O)
30
1
#2 Data 1
32 BICK
512 BICK
30
1
#2 Data 2
32 BICK
30
1
#2 Data 3
32 BICK
30
1
#2 Data 4
32 BICK
LRCK (Master)
TDMIN (I)
(#1 SDTO1)
30
1
#1 Data 1
32 BICK
30
1
#1 Data 2
32 BICK
30
1
#1 Data 3
32 BICK
30
1
#1 Data 4
32 BICK
30
1
#2 Data 5
32 BICK
30
1
#2 Data 6
32 BICK
30
1
#1 Data 1
32 BICK
30
1
#1 Data 2
32 BICK
SDTO2-3 (O)
30
1
#1 Data 3
32 BICK
30
1
#1 Data 4
32 BICK
30
1
#1 Data 5
32 BICK
30
1
#1 Data6
32 BICK
30
1
#1 Data 5
32 BICK
30
1
#1 Data 6
32 BICK
31
0
31
0
31
0
31
0
31
0
31
0
31
0
31
0
31
0
31
0
31
0
31
0
31
31
31
0
31
0
31
0
31
0
31
0
31
0
0
Figure 53. Mode 43/47 Timing (TDM512 Mode, I2S Compatible, 32-bit)
Parameter
Symbol
Min.
Typ.
Max.
Unit
MCLK “↑” to BICK “↓”
BICK “↓” to MCLK“↑”
tMCB
tBIM
10
10
ns
ns
Table 10. TDM Mode Clock Timing

[AK5536]
015099885-E-00 2016/03
- 45 -
Figure 54. Audio Interface Timing (Slave mode, TDM mode, MCLK=2×BICK)
Figure 55. Audio Interface Timing (Slave Mode, TDM Mode, MCLK=BICK)
[2] DSD Mode
DSD output is available only when the AK5536 is in Master mode.
The DCLK frequency can be selected from 64fs, 128fs and 256fs by setting the DSDSEL1-0 pins (bits).
The AK5536 enters Phase Modulation mode by setting PMOD pin = “H” or PMOD bit = “1”. It does not
support Phase Modulation mode when the DCLK frequency is 256fs. DCKB bit controls DCLK polarity.
DCLK (64fs, 128fs, 256fs)
DCKB bit=”1”
DCLK (64fs, 128fs, 256fs)
DCKB bit=”0”
DSDOL, DSDOR
Normal
DSDOL,DSDOR
Phase Modulation
D1
D0
D1
D2
D0
D2
D3
D1
D2
D3
Figure 56. DSD Mode Timing
MCLK
BICK
tMCB
tBIM
VIH
VIL
VIH
VIL
MCLK
BICK
tMCB
tBIM
VIH
VIL
VIH
VIL

[AK5536]
015099885-E-00 2016/03
- 46 -
■ Channel Summation (PCM Mode, DSD Mode)
Channel Summation function improves the dynamic range and S/N performance by averaging all A/D
data of multiple-channel that the same signal is input. The AK5536 supports 6-to-3 mode, 4-to-1 mode,
6-to-1 mode.
6-to-3 mode (1.5-Stereo mode)
Improve the dynamic range and S/N for 3 dB (2.5 dB in DSD mode) by averaging two channels.
4-to-1 mode (2-Mono mode)
Improve the dynamic range and S/N for 6 dB (5 dB in DSD mode) by averaging four channels. In this
mode, the data of other two channels are also averaged and output.
6-to-1 mode (Mono mode)
Improve the dynamic range and S/N for 7 dB (6 dB in DSD mode) by averaging six channels.
Not-Summation mode (3-Stereo mode)
Normal mode that does not execute Summation is called as Not-Summation mode or 3-Stereo mode.
Refer to the section “CH Power Down & Channel Summation mode” for details.
■ Optimal Data Placement (PCM Mode, DSD Mode)
Assigned data to the SDTO1-3 slot is controlled by the ODP pin setting in parallel control mode.
When the ODP pin = “L”, the data is output by Fixed Data Placement mode. Channel assignment of data
slot is fixed regardless of enable/disenable of channel summation. For example, averaging data of two
channels are output to both channel slots.
When the ODP pin = “H”, the data is output by Optimal Data Placement mode that is uses data slot more
efficiently. In Optimal Data Placement mode, there are no data redundant of channel summation, and the
data is output in MSB justified. Therefore, the maximum number of connecting device in cascade
connection will be increased.
If the AK5536 is set to 6-to-3 mode (1.5-Stereo Mode), two devices can be connected in TDM256 mode,
four devices can be connected in TDM512 mode.
If the AK5536 is set to 4-to-1 mode (2-Mono Mode), two devices can be connected in TDM128 mode, four
devices can be connected in TDM256 mode and eight devices can be connected in TDM512 mode.
If the AK5536 is set to 6-to-1 mode (Mono Mode), four devices can be connected in TDM128 mode, eight
devices can be connected in TDM256 mode and sixteen devices can be connected in TDM512 mode.
In serial control mode, the data output is Optimal Data Placement mode regardless of the ODP pin
setting.
Refer to “CH Power Down & Channel Summation mode” for details.

[AK5536]
015099885-E-00 2016/03
- 47 -
■ CH Power Down & Channel Summation Setting (PCM Mode, DSD Mode)
[1] Parallel Control Mode
The setting of the PW2-0 pins and the ODP pin controls the channel power-down and channel
summation mode setting in parallel mode (Table 11-Table 16). The PDN pin must be set to “L” when
changing the ODP pin and the PW2-0 pins. The power consumption of the device can be improved by
setting unused channels to power-down state. In this case, the channel circuit that is powered down will
be reset.
When the ODP pin = “L”, the PW2-0 pins control channel power-down and 6-to-3 mode. In this mode,
AIN1 and AIN2 channel data are summed digitally and output from the SDTO1 (DSDOL1 and DSDOR1)
by dividing into half amplitude. In the same manner, AIN3 and AIN4 channel data are summed digitally
and output from the SDTO2 (DSDOL2 and DSDOR2) by dividing into half amplitude. AIN5 and AIN6
channel data are summed digitally and output from the SDTO3 (DSDOL3 and DSDOR3) by dividing into
half amplitude.
PW2
pin
PW1
pin
PW0
pin
Power ON/OFF
Ch6
Ch5
Ch4
Ch3
Ch2
Ch1
L
L
L
OFF
OFF
OFF
OFF
OFF
OFF
L
L
H
ON
OFF
ON
ON
ON
ON
L
H
L
OFF
ON
ON
ON
ON
ON
L
H
H
ON
ON
ON
ON
ON
ON
H
L
L
OFF
OFF
ON
ON
ON
ON
H
L
H
ON
OFF
ON
ON
ON
ON
H
H
L
OFF
ON
ON
ON
ON
ON
H
H
H
ON
ON
ON
ON
ON
ON
Table 11. Channel Power ON/OFF (Parallel Control Mode, ODP pin= “L”)
PW2
pin
PW1
pin
PW0
pin
Data on Slot
Slot 6
Slot 5
Slot 4
Slot 3
Slot 2
Slot 1
L
L
L
All “0”
All “0”
All “0”
All “0”
All “0”
All “0”
L
L
H
CH6
All “0”
(CH3+4)/2
(CH3+4)/2
(CH1+2)/2
(CH1+2)/2
L
H
L
All “0”
CH5
(CH3+4)/2
(CH3+4)/2
(CH1+2)/2
(CH1+2)/2
L
H
H
(CH5+6)/2
(CH5+6)/2
(CH3+4)/2
(CH3+4)/2
(CH1+2)/2
(CH1+2)/2
H
L
L
All “0”
All “0”
CH4
CH3
CH2
CH1
H
L
H
CH6
All “0”
CH4
CH3
CH2
CH1
H
H
L
All “0”
CH5
CH4
CH3
CH2
CH1
H
H
H
CH6
CH5
CH4
CH3
CH2
CH1
Table 12. Slot Data Assign (Parallel Control Mode, ODP pin= “L”)
When the ODP pin = “H”, the AK5536 becomes optimal data placement mode and data slots can be used
efficiently. The PW2-0 pins control power down, 6-to-3 mode, 4-to-1 mode and 6-to-1 mode.
In 6-to-3 mode, AIN1 and AIN2 channel data are summed digitally and output from the SDTO1
(DSDOL1) of the slot1 by dividing into half amplitude. In the same manner, AIN3 and AIN4 channel data
are summed digitally and output from the SDTO1 (DSDOR1) of the slot2 by dividing into half amplitude.
AIN5 and AIN6 channel data are summed digitally and output from the SDTO2 (DSDOL2) of the slot3 by
dividing into half amplitude.
In 4-to-1 mode, AIN1 - AIN4 channel data are summed digitally and output from the SDTO1 (DSDOL1) of
the slot1 by dividing into quarter amplitude. AIN5 – AIN6 channel data are summed digitally and output
from the SDTO1 (DSDOR1) of the slot2 by dividing into half amplitude.
In 6-to-1 mode, AIN1 – AIN6 channel data are summed digitally and output from the SDTO1 (DSDOL1)
of the slot1 by dividing into 1/6 amplitude.

[AK5536]
015099885-E-00 2016/03
- 48 -
PW2
pin
PW1
pin
PW0
pin
Power ON/OFF
Ch6
Ch5
Ch4
Ch3
Ch2
Ch1
L
L
L
OFF
OFF
OFF
OFF
OFF
OFF
L
L
H
ON
ON
ON
ON
ON
ON
L
H
L
ON
ON
ON
ON
ON
ON
L
H
H
ON
ON
ON
ON
ON
ON
H
L
L
ON
ON
ON
ON
ON
ON
H
L
H
ON
ON
ON
ON
ON
ON
H
H
L
ON
ON
ON
ON
ON
ON
H
H
H
ON
ON
ON
ON
ON
ON
Table 13. Channel Power ON/OFF (Parallel Control Mode, ODP pin= “H”)
PW2
pin
PW1
pin
PW0
pin
Data on Slot
Slot 6
Slot 5
Slot 4
Slot 3
Slot 2
Slot 1
L
L
L
All “0”
All “0”
All “0”
All “0”
All “0”
All “0”
L
L
H
All “0”
All “0”
All “0”
All “0”
(CH5+6)/2
(CH1+2+3+4)/4
L
H
L
All “0”
All “0”
(CH5+6)/2
(CH5+6)/2
(CH3+4)/2
(CH1+2)/2
L
H
H
All “0”
All “0”
All “0”
All “0”
All “0”
(CH1+2+3+4+5+6)/6
H
L
L
CH6
CH5
CH4
CH3
CH2
CH1
H
L
H
All “0”
All “0”
All “0”
All “0”
(CH5+6)/2
(CH1+2+3+4)/4
H
H
L
All “0”
All “0”
(CH5+6)/2
(CH5+6)/2
(CH3+4)/2
(CH1+2)/2
H
H
H
All “0”
All “0”
All “0”
All “0”
All “0”
(CH1+2+3+4+5+6)/6
Table 14. Slot Data Assign (Parallel Control Mode, ODP pin= “H”, Normal Output)
PW2
pin
PW1
pin
PW0
pin
Data on Slot
Slot 6
Slot 5
Slot 4
Slot 3
Slot 2
Slot 1
L
L
L
All “0”
All “0”
All “0”
All “0”
All “0”
All “0”
L
L
H
All “0”
All “0”
TDMIN
TDMIN
(CH5+6)/2
(CH1+2+3+4)/4
L
H
L
All “0”
All “0”
(CH5+6)/2
(CH5+6)/2
(CH3+4)/2
(CH1+2)/2
L
H
H
All “0”
All “0”
TDMIN
TDMIN
TDMIN
(CH1+2+3+4+5+6)/6
H
L
L
CH6
CH5
CH4
CH3
CH2
CH1
H
L
H
All “0”
All “0”
TDMIN
TDMIN
(CH5+6)/2
(CH1+2+3+4)/4
H
H
L
All “0”
All “0”
(CH5+6)/2
(CH5+6)/2
(CH3+4)/2
(CH1+2)/2
H
H
H
All “0”
All “0”
TDMIN
TDMIN
TDMIN
(CH1+2+3+4+5+6)/6
Table 15. Slot Data Assign (Parallel Control Mode, ODP pin= “H”, TDM128)
PW2
pin
PW1
pin
PW0
pin
Data on Slot
Slot 6
Slot 5
Slot 4
Slot 3
Slot 2
Slot 1
L
L
L
All “0”
All “0”
All “0”
All “0”
All “0”
All “0”
L
L
H
TDMIN
TDMIN
TDMIN
TDMIN
(CH5+6)/2
(CH1+2+3+4)/4
L
H
L
TDMIN
TDMIN
(CH5+6)/2
(CH5+6)/2
(CH3+4)/2
(CH1+2)/2
L
H
H
TDMIN
TDMIN
TDMIN
TDMIN
TDMIN
(CH1+2+3+4+5+6)/6
H
L
L
CH6
CH5
CH4
CH3
CH2
CH1
H
L
H
TDMIN
TDMIN
TDMIN
TDMIN
(CH5+6)/2
(CH1+2+3+4)/4
H
H
L
TDMIN
TDMIN
(CH5+6)/2
(CH5+6)/2
(CH3+4)/2
(CH1+2)/2
H
H
H
TDMIN
TDMIN
TDMIN
TDMIN
TDMIN
(CH1+2+3+4+5+6)/6
Table 16. Slot Data Assign (Parallel Control Mode, ODP pin= “H”, TDM256 & TDM512)

[AK5536]
015099885-E-00 2016/03
- 49 -
[2] Serial Control Mode
In 3-wire serial mode or I2C mode, PW1-6 bits control the power of AIN1-6 channels independently. AINn
channel is powered down when PWn bit = “0” (n=1-6) and AINn channel is in normal operation when
PWn bit = “1”. The power-down channel is reset status and outputs all “0”. The channel summation is
controlled by MONO1 and MONO2 bits. RSTN bit must be “0” when changing the setting of MONO1,
MONO2 and PW1-6 bits.
MONO2
bit
MONO1
bit
Data on Slot (Normal Output)
Slot6
Slot 5
Slot 4
Slot 3
Slot 2
Slot 1
0
0
CH6
CH5
CH4
CH3
CH2
CH1
0
1
All “0”
All “0”
All “0”
All “0”
(CH5+6)/2
(CH1+2+3+4)/4
1
0
All “0”
All “0”
(CH5+6)/2
(CH5+6)/2
(CH3+4)/2
(CH1+2)/2
1
1
All “0”
All “0”
All “0”
All “0”
All “0”
(CH1+2+3+4+5+6)/6
Table 17. Slot Data Assign (Serial Control mode, Normal Output & DSD mode)
MONO2
bit
MONO1
bit
Data on Slot (TDM128)
Slot6
Slot 5
Slot 4
Slot 3
Slot 2
Slot 1
0
0
CH6
CH5
CH4
CH3
CH2
CH1
0
1
All “0”
All “0”
TDMI
TDMI
(CH5+6)/2
(CH1+2+3+4)/4
1
0
All “0”
All “0”
(CH5+6)/2
(CH5+6)/2
(CH3+4)/2
(CH1+2)/2
1
1
All “0”
All “0”
TDMI
TDMI
TDMI
(CH1+2+3+4+5+6)/6
Table 18. Slot Data Assign (Serial Control Mode, TDM128)
MONO2
bit
MONO1
bit
Data on Slot (TDM256, TDM512)
Slot6
Slot 5
Slot 4
Slot 3
Slot 2
Slot 1
0
0
CH6
CH5
CH4
CH3
CH2
CH1
0
1
TDMI
TDMI
TDMI
TDMI
(CH5+6)/2
(CH1+2+3+4)/4
1
0
TDMI
TDMI
(CH5+6)/2
(CH5+6)/2
(CH3+4)/2
(CH1+2)/2
1
1
TDMI
TDMI
TDMI
TDMI
TDMI
(CH1+2+3+4+5+6)/6
Table 19. Slot Data Assign (Serial Control Mode, TDM256 & TDM512)

[AK5536]
015099885-E-00 2016/03
- 50 -
■ Data Slot Configuration
[1] PCM Mode
Figure 57. Slot Assign in PCM Mode
SDTO1 pin
Slot 1
Slot 3
Slot 2
Slot 4
Slot 1
All “0”
SDTO2 pin
SDTO1 pin
Normal Output
TDM128
Slot 2
Slot 3
Slot 4
Slot 5
SDTO2 pin
Slot 6
All ”0”
LRCK Period = 1/fs
LRCK Period = 1/fs
Slot 1
SDTO1 pin
TDM256
SDTO2 pin
LRCK Period = 1/fs
Slot 2
Slot 3
Slot 4
Slot 5
Slot 6
All “0”
All “0”
1
SDTO1 pin
TDM512
SDTO2 pin
LRCK Period = 1/fs
2
3
4
5
6
All “0”
TDMI
SDTO3 pin
Slot 5
Slot 6
All “0”
SDTO3 pin
All “0”
SDTO3 pin
All “0”
SDTO3 pin

[AK5536]
015099885-E-00 2016/03
- 51 -
[2] DSD Mode
Figure 58. Slot Assign in DSD Mode
DSDOL1 pin
Slot 1
LRCK Period = 1/fs
Slot 2
Slot 3
Slot 4
DSDOR1 pin
DSDOL2 pin
DSDOR2 pin
DSDOL3 pin
Slot 5
Slot 6
DSDOR3 pin

[AK5536]
015099885-E-00 2016/03
- 52 -
■ Digital Filter Setting (PCM Mode)
The AK5536 has four types of digital filters and they can be selected by SD pin (bit) and SLOW pin (bit).
The filter setting is not available in OCT speed mode, HEX speed mode and DSD mode. So the setting of
the digital filter is ignored.
SD pin (bit)
SLOW pin (bit)
Filter
L (0)
L (0)
Sharp Roll-off Filter
L (0)
H (1)
Slow Roll-off Filter
H (1)
L (0)
Short Delay Sharp Roll-off Filter
H (1)
H (1)
Short Delay Slow Roll-off Filter
Table 20. Digital Filter Setting
■ Digital HPF (PCM Mode)
The AK5536 has a digital high-pass filter for DC offset (include internal offset) cancelation. The digital
high-pass filter is enabled by setting the HPFE pin (bit) = “H (1)”. The cut-off frequency of the high-pass
filter is fixed 1.0 Hz when fs= 48 kHz (Normal Speed mode), 96 kHz (Double Speed mode) or 192 kHz
(Quad Speed mode). The high-pass filter is not available in OCT speed mode, HEX speed mode and
DSD mode. So that the setting of the HPFE pin is ignored. The high pass-filter setting should be changed
when all channels are reset condition.
■ Overflow Detection (PCM Mode, DSD Mode)
[1] PCM Mode
The AK5536 has an overflow detect function for the analog input.
The OVF pin outputs “H” if one of AIN1 - 6 channels overflows (more than 0.3 dBFS). The OVF pin
returns to “L” when analog input overflows are resolved. The OVF output for overflowed analog input has
the same group delay as the ADC.
[2] DSD Mode
Overflow Detection (Error Detection Function)
The OVF pin outputs “H” if any channel’s DSD modulators overflows. The OVF pin returns to “L” when
overflows are resolved.

[AK5536]
015099885-E-00 2016/03
- 53 -
■ LDO
The voltage range of TVDD is from 1.7 V to 1.98 V or from 3.0 V to 3.6 V. Set ON/OFF of the LDO by the
LDOE pin according to TVDD voltage (Table 21).
The internal LDO is switched ON/OFF depending on TVDD voltage range.
LDOE
PDN
LDO
VDD18 pin
Additional Voltage Range
to TVDD pin
L
L
OFF
External Power Input 1.7-1.98 V
1.7-1.98 V
L
H
OFF
External Power Input 1.7-1.98 V
1.7-1.98 V
H
L
OFF
Pulled Down by 500 internally
3.0-3.6 V
H
H
ON
LDO Voltage Output
3.0-3.6 V
Table 21. LDO Control
[1] TVDD=1.7-1.98 V, LDO is OFF (LDOE pin = “L”)
The internal LDO does not work properly when the TVDD voltage range is from 1.7 V to 1.98 V. Set the
LDOE pin to “L” to switch OFF the LDO. A 1.7 V - 1.98 V is supplied from the VDD18 pin for internal logic
circuits. The voltage difference between TVDD and VDD18 must be ±0.1 V or less.
[2] TVDD=3.0-3.6 V, LDO is ON (LDOE pin = “H”)
The internal LDO should be ON when the TVDD voltage range is from 3.0 V to 3.6 V. It will be the power
supply for the internal logic circuit. The VDD18 pin will be a connection terminal for a stabilization
capacitor. It is not possible to supply the power to external circuits from the VDD18 pin.
■ Reset
The AK5536 must be reset upon power up or when changing the clock setting or clock frequency. It can
be reset by the PDN pin or PW2-0 pins and RSTN bit or PW6-1 bits.

[AK5536]
015099885-E-00 2016/03
- 54 -
■ Power Up/Down Sequence
The AK5536 enters power-down mode by setting the PDN pin to “L”. Digital filters are reset at the same
time.
[1] PCM Mode
In slave mode, internal power down signal (Internal PDN) is released by inputting MCLK, BICK and
LRCK after setting the PDN pin to “H”. In master mode, The Internal PDN is released by inputting MCLK
after setting the PDN pin to “H”.
Initialization cycle starts when the Internal PDN is released. The output data of SDTO will be valid in 583
x 1/fs after exiting power-down mode in slave mode, it will be valid in 578 x 1/fs after exiting power-down
mode in master mode. During initialization, the ADC digital outputs of both channels are in 2’s
complement format and forced to “0”. The ADC outputs settle to data correspondent to the input signals
after the end of initialization. This settling takes approximately the group delay time.
PDN pin
Power
Power -down
Normal Operation
Clock In
MCLK,LRCK,BICK
ADC In
(Analog)
ADC Out
(Digital)
Don’t care
“0”data
GD
(3)
(5)
GD
(5)
“0”data
Don’t care
Internal
State
(4)
(4)
(1)
Internal PDN
(2)
VDD18 pin
Initialize
Power -down
Idle Noise
Idle Noise
Figure 59. Power-Up/Down Sequence Example
Notes
(1) The PDN pin should be held to “L” for more than 150 ns after AVDD and TVDD are powered up.
(2) a. LDOE pin = “H”, I2C pin = “H” and PSN pin = “H” (Parallel Mode):
The internal LDO is powered up by releasing PDN pin to “H”. The Internal PDN is released by
toggling MCLK for 16384times.
b. LDOE pin = “H” and PSN pin = “L” (Register Mode):
The internal LDO is powered up by releasing PDN pin to “H”. The internal PDN is released by
toggling internal oscillator clock for 16384 times (max. 10 ms).
c. LDOE pin = “L”:
The internal PDN is released in 1 ms (max.) after releasing PDN pin to “H”.
During this period, digital output and digital in/output pins may output an instantaneous pulse (max. 1
us). Therefore, referring the output of digital pins and data transmission with a device on the same
3-wire serial/I2C bus as the AK5536 should be avoided in this period to prevent system errors.
(3) Initialization cycle is 583/fs in slave mode and 578/fs in master mode.
(4) The ADC output data is “0” during initialization cycle and power-down mode.
(5) The digital output corresponding to analog input has group delay (GD).

[AK5536]
015099885-E-00 2016/03
- 55 -
Internal PDN Release Sequence
Figure 60. Internal PDN Release Sequence

[AK5536]
015099885-E-00 2016/03
- 56 -
[2] DSD Mode
The Internal PDN is released by inputting MCLK after setting the PDN pin to “H”.
PDN pin
Power-Down
Normal Operation
MCLK In
ADC In
(Analog)
DSD Out
(Digital)
Don’t care
(3)
“L” (-full scale data)
Don’t care
Internal
State
(4)
(1)
(2)
Initialize
Power-Down
OVF-pin
normal data
abnormal data
normal data
“L” (-full scale data)
(6)
(5)
Internal PDN
Figure 61. DSD Operation Timing
Notes:
(1) The internal LDO is powered up by releasing PDN pin to “H”. The internal PDN is released by
toggling internal oscillator clock for 16384 times (max. 10ms).
The internal PDN is released in max. 1 ms after releasing PDN pin to “H”.
Register writings become available when the internal PDN changes to “1”.
During this period, digital output and digital in/output pins may output an instantaneous pulse (max.
1 us). Therefore, referring the output of digital pins and data transmission with a device on the same
3-wire serial/I2C bus as the AK5536 should be avoided in this period to prevent system errors.
(2) Initialization operation will be completed in 583/fs.
(3) DSD output pins output “L” (-full scale data) during power down and initializing operation. DSD
output pins output full scale data during phase modulation mode, a reset sequence and a CH power
down status.
(4) The OVF pin outputs “H” when an excessive signal is input and overflow is detected at internal
modulator. The OVF pin status will change after group delay period from the excessive input.
(5) In the case above (4), the DSD output data will not be correct.
(6) The OVF pin returns to “L” when the input signal settled to a normal state and overflow status of the
internal modulator is resolved. The OVF pin status will change after group delay period from the
normal input.

[AK5536]
015099885-E-00 2016/03
- 57 -
■ Operation Mode Control
Operation modes of the AK5536 are set by pins or registers. In parallel control mode, the operation mode
is set by pin and register settings are invalid. Therefor the functions that needs register settings are not
available in parallel control mode. For register accessing, 3-wire serial and I2C bus communications are
available. This control mode of the AK5536 is selected by the I2C pin and the PSN pin. In serial control
mode, register settings are prioritized so that all pin settings except the MSN pin setting are ignored.
I2C pin
PSN pin
Control mode
L
L
3-wire Serial
L
H
3-wire Serial
H
L
I2C Bus
H
H
Parallel
Table 22. Control Mode
■ Register Control Interface
(1) 3-wire Serial Control Mode (I2C pin = “L”)
The internal registers may be written through the 3-wire µP interface pins (CSN, CCLK and CDTI). The
data on this interface consists of a 2-bit Chip address, Read/Write (1bit, Fixed to “1”, Write only), Register
address (MSB first, 5bits) and Control data (MSB first, 8bits). Address and data are clocked in on the
rising edge of CCLK and data is clocked out on the falling edge. For write operations, data is latched after
a low-to-high transition of CSN. The clock speed of CCLK is 5MHz (max).
The internal registers are initialized by setting the PDN pin = “L”. In serial control mode, an internal timing
circuit is reset by setting RSTN bit = “0” but register values are not initialized.
CDTI
CCLK
C1
0
1
2
3
4
5
6
7
8
9
10
11
12
13
14
15
D4
D5
D6
D7
A1
A2
A3
A4
R/W
C0
A0
D0
D1
D2
D3
CSN
C1-C0: Chip Address (C1=CAD1, C0=CAD0)
R/W: READ/WRITE (Fixed to “1”, Write only)
A4-A0: Register Address
D7-D0: Control Data
Figure 62. Control I/F Timing
* The AK5536 does not support read commands in 3-wire serial control mode.
* When the AK5536 is in power down mode (PDN pin = “L”), a writing into the control registers is
prohibited.
* The control data cannot be written when the CCLK rising edge is 15 times or less, or 17 times or more
during CSN is “L”.

[AK5536]
015099885-E-00 2016/03
- 58 -
(2) I2C-bus Control Mode (I2C pin = “H” and PSN pin = “L”)
The AK5536 supports the fast-mode I2C-bus (max: 400 kHz, Ver1.0).
(2)-1. WRITE Operations
Figure 63 shows the data transfer sequence of the I2C-bus control mode. All commands are preceded by
a START condition. A HIGH to LOW transition on the SDA line while SCL is HIGH indicates a START
condition (Figure 69). After the START condition, a slave address is sent. This address is 7 bits long
followed by the eighth bit that is a data direction bit (R/W). The most significant five bits of the slave
address are fixed as “00100”. The next bits are CAD1-0 (device address bits). This bits identifies the
specific device on the bus. The hard-wired input pins (CAD1-0 pins) set these device address bit (Figure
64). If the slave address matches that of the AK5536, the AK5536 generates an acknowledge and the
operation is executed. The master must generate the acknowledge-related clock pulse and release the
SDA line (HIGH) during the acknowledge clock pulse (Figure 70). R/W bit = “1” indicates that the read
operation is to be executed. “0” indicates that the write operation is to be executed.
The second byte consists of the control register address of the AK5536. The format is MSB first, and
those most significant 3-bits are fixed to zeros (Figure 65). The data after the second byte contains
control data. The format is MSB first, 8bits (Figure 66). The AK5536 generates an acknowledge after
each byte is received. Data transfer is always terminated by a STOP condition generated by the master.
A LOW to HIGH transition on the SDA line while SCL is HIGH defines STOP condition (Figure 69).
The AK5536 can perform more than one byte write operation per sequence. After receipt of the third byte
the AK5536 generates an acknowledge and awaits the next data. The master can transmit more than
one byte instead of terminating the write cycle after the first data byte is transferred. After receiving each
data packet the internal 6-bit address counter is incremented by one, and the next data is automatically
taken into the next address. If the address exceeds “07H” prior to generating a stop condition, the
address counter will “roll over” to “00H” and the previous data will be overwritten.
The data on the SDA line must remain stable during the HIGH period of the clock. The HIGH or LOW
state of the data line can only change when the clock signal on the SCL line is LOW (Figure 71) except
for the START and STOP conditions.
3rd byte
2nd byte
1st byte
SDA
S
T
A
R
T
A
C
K
A
C
K
S
Slave
Address
A
C
K
Sub
Address(n)
Data(n)
P
S
T
O
P
Data(n+x)
A
C
K
Data(n+1)
A
C
K
R/W= “0”
A
C
K
Figure 63. Data Transfer Sequence at the I2C-Bus Control Mode
0
0
1
0
0
CAD1
CAD0
R/W
(CAD0 and CAD1 are set by pins)
Figure 64. The First Byte
0
0
0
A4
A3
A2
A1
A0
Figure 65. The Second Byte
D7
D6
D5
D4
D3
D2
D1
D0
Figure 66. Byte Structure After The Second Byte

[AK5536]
015099885-E-00 2016/03
- 59 -
(2)-2. READ Operations
Set the R/W bit = “1” for the READ operation of the AK5536. After transmission of data, the master can
read the next address’s data by generating an acknowledge instead of terminating the write cycle after
the receipt of the first data word. After receiving each data packet the internal 6-bit address counter is
incremented by one, and the next data is automatically taken into the next address. If the address
exceeds “07H” prior to generating stop condition, the address counter will “roll over” to “00H” and the data
of “00H” will be read out.
The AK5536 supports two basic read operations: Current Address Read and Random Address Read.
(2)-2-1. Current Address Read
The AK5536 contains an internal address counter that maintains the address of the last word accessed,
incremented by one. Therefore, if the last access (either a read or write) was to address “n”, the next
CURRENT READ operation would access data from the address “n+1”. After receipt of the slave address
with R/W bit “1”, the AK5536 generates an acknowledge, transmits 1-byte of data to the address set by
the internal address counter and increments the internal address counter by 1. If the master does not
generate an acknowledge but generates a stop condition instead, the AK5536 ceases transmission.
SDA
S
T
A
R
T
A
C
K
A
C
K
S
Slave
Address
A
C
K
Data(n+1)
P
S
T
O
P
Data(n+x)
A
C
K
Data(n+2)
A
C
K
R/W= “1”
A
C
K
Data(n)
Figure 67. Current Address Read
(2)-2-2. Random Address Read
The random read operation allows the master to access any memory location at random. Prior to issuing
a slave address with the R/W bit =“1”, the master must execute a “dummy” write operation first. The
master issues a start request, a slave address (R/W bit = “0”) and then the register address to read. After
the register address is acknowledged, the master immediately reissues the start request and the slave
address with the R/W bit =“1”. The AK5536 then generates an acknowledge, 1 byte of data and
increments the internal address counter by 1. If the master does not generate an acknowledge but
generates a stop condition instead, the AK5536 ceases transmission.
SDA
S
T
A
R
T
A
C
K
A
C
K
S
Slave
Address
A
C
K
Data(n)
P
S
T
O
P
Data(n+x)
A
C
K
Data(n+1)
A
C
K
R/W= “0”
A
C
K
Sub
Address(n)
S
T
A
R
T
A
C
K
S
Slave
Address
R/W= “1”
Figure 68. Random Address Read

[AK5536]
015099885-E-00 2016/03
- 60 -
SCL
SDA
stop condition
start condition
S
P
Figure 69. START and STOP Conditions
SCL FROM
MASTER
acknowledge
DATA
OUTPUT BY
TRANSMITTER
DATA
OUTPUT BY
RECEIVER
1
9
8
START
CONDITION
not acknowledge
clock pulse for
acknowledgement
S
2
Figure 70. Acknowledge on the I2C-Bus
SCL
SDA
data line
stable;
data valid
change
of data
allowed
Figure 71. Bit Transfer on the I2C-Bus

[AK5536]
015099885-E-00 2016/03
- 61 -
■ Register Map
Addr
Register Name
D7
D6
D5
D4
D3
D2
D1
D0
00H
Power Management1
1
1
PW6
PW5
PW4
PW3
PW2
PW1
01H
Power Management2
0
0
0
0
0
MONO2
MONO1
RSTN
02H
Control 1
0
CKS3
CKS2
CKS1
CKS0
DIF1
DIF0
HPFE
03H
Control 2
0
TDM1
TDM0
0
0
0
0
0
04H
Control 3
DP
0
0
0
0
0
SD
SLOW
05H
DSD
0
0
DCKS
0
PMOD
DCKB
DSDSEL1
DSDSEL0
06H
TEST1
TST7
TST6
TST5
TST4
TST3
TST2
TST1
TST0
07H
TEST2
0
0
0
0
0
0
0
TRST
Note 24. Data must not be written into addresses from “06H” to “1FH”.
Note 25. The bits indicated as “0” must contain a “0” value. When RSTN bit is set to “0”, the internal digital
filter and the control block are reset but the register values are not initialized.
Note 26. When the PDN pin is set to “L”, all registers are initialized to their default values.
■ Register Definitions
Addr
Register Name
D7
D6
D5
D4
D3
D2
D1
D0
00H
Power Management1
1
1
PW6
PW5
PW4
PW3
PW2
PW1
R/W
R/W
R/W
R/W
R/W
R/W
R/W
R/W
R/W
Default
1
1
1
1
1
1
1
1
PW6-1: Power Down control for channel 6-1
0: Power OFF
1: Power ON (default)
Addr
Register Name
D7
D6
D5
D4
D3
D2
D1
D0
01H
Power Management2
0
0
0
0
0
MONO2
MONO1
RSTN
R/W
R/W
R/W
R/W
R/W
R/W
R/W
R/W
R/W
Default
0
0
0
0
0
0
0
1
RSTN: Internal Timing Reset
0: Reset. All registers are not initialized.
1: Normal Operation (default)
Internal clock timings are reset but registers are not reset.
MONO2-1: Channel Summation mode Select (Table 17, Table 18, Table 19)
00: Not- Summation mode (default)
01: 4-to-1 mode
10: 6-to-3 mode
11: 6-to-1 mode

[AK5536]
015099885-E-00 2016/03
- 62 -
Addr
Register Name
D7
D6
D5
D4
D3
D2
D1
D0
02H
Control 1
0
CKS3
CKS2
CKS1
CKS0
DIF1
DIF0
HPFE
R/W
R/W
R/W
R/W
R/W
R/W
R/W
R/W
R/W
Default
0
0
0
0
0
0
0
1
HPFE: High Pass Filter Enable
0: High Pass Filter OFF
1: High Pass Filter ON (default)
When this bit is “1”, digital HPFs for all channels are ON.
DIF1-0: Audio Data Interface Mode Select (Table 8, Table 9)
Select A/D data bit length (24-bit/32-bit) and the format (MSB justified/ I2S Compatible)
CKS3-0: Sampling Speed Mode and MCLK Frequency Select (Table 5)
Select Sampling Speed and MCLK frequency.
Addr
Register Name
D7
D6
D5
D4
D3
D2
D1
D0
03H
Control 2
0
TDM1
TDM0
0
0
0
0
0
R/W
R/W
R/W
R/W
R/W
R/W
R/W
R/W
R/W
Default
0
0
0
0
0
0
0
0
TDM1-0: TDM Modes Select (Table 9)
Select the A/D data multiplex mode from Normal, TDM128, TDM256 and TDM512 modes.
Addr
Register Name
D7
D6
D5
D4
D3
D2
D1
D0
04H
Control 3
DP
0
0
0
0
0
SD
SLOW
R/W
R/W
R/W
R/W
R/W
R/W
R/W
R/W
R/W
Default
0
0
0
0
0
0
0
0
SLOW: Slow Roll-off Filter Select (Table 20)
0: Sharp Roll-off (default)
1: Slow Roll-off
Select Roll-off characteristic of the digital filter.
SD: Short Delay Select (Table 20)
0: Normal Delay (default)
1: Short Delay
Select group delay of the digital filter.
DP: DSD Mode Select
0: PCM Mode (default)
1: DSD Mode
Select A/D Data Output Mode.

[AK5536]
015099885-E-00 2016/03
- 63 -
Addr
Register Name
D7
D6
D5
D4
D3
D2
D1
D0
05H
DSD
0
0
DCKS
0
PMOD
DCKB
DSDSEL1
DSDSEL0
R/W
R/W
R/W
R/W
R/W
R/W
R/W
R/W
R/W
Default
0
0
0
0
0
0
0
0
DSDSEL1-0: Select the Frequency of DCLK
00: 64fs (default)
01: 128fs
10: 256fs
11: Reserved
DCKB: Polarity of DCLK
0: DSD data is output from DCLK Falling Edge (default)
1: DSD data is output from DCLK Rising Edge
PMOD: DSD Phase Modulation Mode
0: Not Phase Modulation Mode (default)
1: Phase Modulation Mode
DSD Output Phase Modulation Mode Enable
DCKS: Master Clock Frequency Select at DSD Mode (DSD Only)
0: 512fs (default)
1: 768fs
Addr
Register Name
D7
D6
D5
D4
D3
D2
D1
D0
06H
TEST1
TST7
TST6
TST5
TST4
TST3
TST2
TST1
TST0
R/W
RD
RD
RD
RD
RD
RD
RD
RD
Default
0
0
0
0
0
0
0
0
TST7-0: Test register.
This register must be used as the default setting. Normal operation is not guaranteed if all bits
are not “0”.
Addr
Register Name
D7
D6
D5
D4
D3
D2
D1
D0
07H
TEST2
0
0
0
0
0
0
0
TRST
R/W
R/W
R/W
R/W
R/W
R/W
R/W
R/W
W
Default
0
0
0
0
0
0
0
0
TRST: Test register. This register must be “0”.
This register must be “0”.
This register must be used as the default setting. Normal operation is not guaranteed if all bits
are not “0”.

[AK5536]
015099885-E-00 2016/03
- 64 -
13. Recommended External Circuits
Figure 72 shows recommended external connection.
Figure 72. Typical Connection Diagram
Note 27. All digital input pins must not be allowed to float.
MSN
PW2
PW1
PW0
PDN
VDD18
DVSS
TVDD
MCLK
TEST
TESTIN6
TESTIN5
TESTIN4
TESTIN3
TESTIN2
TESTIN1
SD/PMOD
SLOW/DCKB
CKS3/CAD1
CKS2/SCL/CCLK
CKS1/CAD0_I2C/CSN
CKS0/SDA/CDTI
OVF
TESTO2
TESTO1
DSDOR3
SDTO3/DSDOL3
SDTO2/DSDOR2
SDTO1/DSDOL2
TDMIN/DSDOR1
LRCK/DSDOL1
BICK/DCLK
1
AVSS1
AVDD1
AIN3P
AIN3N
VREFL2
VREFH2
AIN4N
AIN4P
AIN5P
AIN5N
VREFH3
VREFL3
AIN6N
AIN6P
AVDD2
AVSS2
DIF0/
DSDSEL0
DIF1/DSDSEL1
TDM0
TDM1
PSN/CAD0_SPI
I2C
DP
HPFE/DCKS
LDOE
ODP
AIN1P
AIN1N
VREFL1
VREFH1
AIN2N
AIN2P
2
3
4
5
6
7
8
9
10
11
12
13
14
15
16
17
18
19
20
21
22
23
24
25
26
27
28
29
30
31
32
48
47
46
45
44
43
42
41
40
39
38
37
36
35
34
33
64
63
62
61
60
59
58
57
56
55
54
53
52
51
50
49
4.7
+
0.1
10
+
0.1
100
10
0.1
0.1
0.1
0.1
100
100
10
+
+
+
+
Digital 3.3V
AIN3+
AIN3
AIN4
AIN4+
AIN5+
AIN5
AIN6
AIN6+
AIN2+
AIN2
AIN1
AIN1+
Analog 3.3V
Analog 3.3V
Mode
Setting
Mode
Setting
Mode
Setting
Controller
Controller
Mater Clock
fs
64fs
AK5536
Top View
Analog 3.3V
20
Analog 3.3V
20
Analog 3.3V
20
0.1
+

[AK5536]
015099885-E-00 2016/03
- 65 -
1. Grounding and Power Supply Decoupling
The AK5536 requires careful attention to power supply and grounding arrangements. Normally AVDD1/2
and TVDD are supplied from analog supply of the system. The power-up sequence between AVDD1/2
and TVDD are not critical when AVDD1/2 and TVDD are supplied separately. DVSS and AVSS1/2 must
be connected to the same analog ground plane. System analog ground and digital ground should be
wired separately and connected together as close as possible to where the supplies are brought onto the
printed circuit board. Decoupling capacitors for high frequency should be placed as near as possible to
the supply pin.
2. Reference Voltage
The differential voltage between the VREFH1-3 pins and the VREFL1-3 pins are the common voltage of
A/D conversion. The VREFL1-3 pins are normally connected to AVSS. In order to remove a high
frequency noise, connect a 20 Ω resistor between the VREFH1-3 pins and analog 3.3 V supply, and
connect a 0.1 μF ceramic capacitor in parallel with an 100 μF electrolytic capacitor between the
VREFH1-3 pins and the VREFL1-3 pins. Especially the ceramic capacitor should be connected as close
as possible to the pin. All digital signals, especially clocks, should be kept away from the VREFH1-3 pins
and VREFL1-3 pins in order to avoid unwanted noise coupling into the AK5536.
3. Analog Inputs
The Analog input signal is differentially supplied into the modulator via the AINn+ and the AINn- pins (n=
1-6). The input voltage is the difference between the ALINn+ and ALINn- pins (n= 1-6). The full scale
signal on each pin is nominally 1.85 V (typ). A voltage from AVSS1/2 to AVDD1/2 can be input to the
AK5536. The output code format is two’s complement. The internal HPF removes DC offset (including
DC offset by the ADC itself).
The AK5536 requires a +3.3 V analog supply voltage. Any voltage which exceeds the upper limit of
AVDD1/2+0.3 V and lower limit of AVSS1/20.3 V and any current beyond 10 mA for the analog input
pins should be avoided. Excessive currents to the input pins may damage the device. Hence input pins
must be protected from signals at or beyond these limits. Use caution especially when using ±15 V for
other analog circuits in the system.

[AK5536]
015099885-E-00 2016/03
- 66 -
4. External Analog Circuit Examples
Figure 73 shows an input buffer circuit example 1. (1st order HPF; fc= 0.70 Hz, 2nd order LPF; fc= 351
kHz, gain= 14.5 dB). The analog signal is able to input through XLR or BNC connectors. (short JP1 and
JP2 for BNC input, open JP1 and JP2 for XLR input). The input level of this circuit is 9.85 Vpp (AK5536:
1.85 Vpp Typ.). When using this circuit, analog characteristics at fs= 48 kHz is DR= 111 dB, S/(N+D)=
103 dB. The S/(N+D) characteristics of the AK5536 varies depending on DC bias current of the input
signal. Set the DC bias voltage in a range from 0.48 x AVDD to 0.52 x AVDD for a better characteristic.
* Film capacitors are recommended for the components shown as 15 nF and 1 nF in the figure below.
4.7k
-
+
-
+
10
3.3k
620
-
+
10
620
Analog In
9.85Vpp
68µ
NJM5534
VA=+3.3V
VP=15V
4.7k
10µ
+
10k
10k
0.1µ
Bias
VA+
1.85Vpp
1.85Vpp
VP+
VP-
Bias
1n *
3.3k
1n *
Bias
15n *
68µ
XLR
Vin-
Vin+
JP1
JP2
NJM5534
NJM5534
AK5536 AINn+
AK5536 AINn-
100p
100p
Figure 73. Input Buffer Example1
fin
1Hz
10Hz
Frequency
Response
1.77dB
0.02dB
Table 23. Frequency Response of HPF
fin
20kHz
40kHz
80kHz
6.144MHz
Frequency
Response
0.00dB
0.00dB
0.00dB
49.68dB
Table 24. Frequency Response of LPF

[AK5536]
015099885-E-00 2016/03
- 67 -
14. Package
■ Outline Dimensions
64-pin QFN (Unit mm)
■ Material & Lead Finish
Package molding compound: Epoxy resin
Lead frame material: Cu
Terminal surface treatment: Solder (Pb free) plate
■ Marking
1) Pin #1 indication
2) Date Code : XXXXXXX (7 digits)
3) Marketing Code: AK5536VN
4) AKM Logo
AKM
AK5536VN
XXXXXXX
1
B
A
C0.60 MAX
0.85 +0.15
-0.05
0.02 +0.03
-0.02
0.20
0.25 +0.05
-0.07 0.50
9.00±0.15
8.75
9.00±0.15
8.75
6.15
6.15
0.40±0.10
0.10 MAB
1
16
17 32
33
48
4964
48
49
33
32 17
16
64
1
S
0.08
S

[AK5536]
015099885-E-00 2016/03
- 68 -
15. Ordering Guide
AK5536VN 40 - 105 ºC 64-pin QFN
AKD5536 Evaluation Board for AK5536
16. Revision History
Date (Y/M/D)
Revision
Reason
Page
Contents
16/03/16
00
First Edition

[AK5536]
015099885-E-00 2016/03
- 69 -
IMPORTANT NOTICE
0. Asahi Kasei Microdevices Corporation (“AKM”) reserves the right to make changes to the
information contained in this document without notice. When you consider any use or
application of AKM product stipulated in this document (“Product”), please make inquiries the
sales office of AKM or authorized distributors as to current status of the Products.
1. All information included in this document are provided only to illustrate the operation and
application examples of AKM Products. AKM neither makes warranties or representations with
respect to the accuracy or completeness of the information contained in this document nor
grants any license to any intellectual property rights or any other rights of AKM or any third party
with respect to the information in this document. You are fully responsible for use of such
information contained in this document in your product design or applications. AKM ASSUMES
NO LIABILITY FOR ANY LOSSES INCURRED BY YOU OR THIRD PARTIES ARISING FROM
THE USE OF SUCH INFORMATION IN YOUR PRODUCT DESIGN OR APPLICATIONS.
2. The Product is neither intended nor warranted for use in equipment or systems that require
extraordinarily high levels of quality and/or reliability and/or a malfunction or failure of which may
cause loss of human life, bodily injury, serious property damage or serious public impact,
including but not limited to, equipment used in nuclear facilities, equipment used in the
aerospace industry, medical equipment, equipment used for automobiles, trains, ships and
other transportation, traffic signaling equipment, equipment used to control combustions or
explosions, safety devices, elevators and escalators, devices related to electric power, and
equipment used in finance-related fields. Do not use Product for the above use unless
specifically agreed by AKM in writing.
3. Though AKM works continually to improve the Product’s quality and reliability, you are
responsible for complying with safety standards and for providing adequate designs and
safeguards for your hardware, software and systems which minimize risk and avoid situations in
which a malfunction or failure of the Product could cause loss of human life, bodily injury or
damage to property, including data loss or corruption.
4. Do not use or otherwise make available the Product or related technology or any information
contained in this document for any military purposes, including without limitation, for the design,
development, use, stockpiling or manufacturing of nuclear, chemical, or biological weapons or
missile technology products (mass destruction weapons). When exporting the Products or
related technology or any information contained in this document, you should comply with the
applicable export control laws and regulations and follow the procedures required by such laws
and regulations. The Products and related technology may not be used for or incorporated into
any products or systems whose manufacture, use, or sale is prohibited under any applicable
domestic or foreign laws or regulations.
5. Please contact AKM sales representative for details as to environmental matters such as the
RoHS compatibility of the Product. Please use the Product in compliance with all applicable
laws and regulations that regulate the inclusion or use of controlled substances, including
without limitation, the EU RoHS Directive. AKM assumes no liability for damages or losses
occurring as a result of noncompliance with applicable laws and regulations.
6. Resale of the Product with provisions different from the statement and/or technical features set
forth in this document shall immediately void any warranty granted by AKM for the Product and
shall not create or extend in any manner whatsoever, any liability of AKM.
7. This document may not be reproduced or duplicated, in any form, in whole or in part, without
prior written consent of AKM.