
1
Ref.CE-P3534 02/16
DATA SHEET
Introduction
Performance Characteristics
Mechanical Dimensions
Characteristic Curves
Reliability
Packing Specification
Precaution
P 2
P 3
P 5
P 6
P 9
P 10
P 11
CITILED COB Series
Standard Type
Ra90 Model
CLU028-1202C4

Ref.CE-P3534 02/16
1. Introduction
1-1. Product Description
1-2. Features
CITIZEN ELECTRONICS is the first COB manufacture. Our advanced knowledge and packaging technology for many
years has excellent reliability and high quality of our products. CITILED COB Series covers a wide range of luminous flux
from a 10W incandescent bulb to a 500W mercury lamp in general lighting sources. The element arrangement of LED
package is capable of utilizing light more effectively and higher performance.
The new version of CITILED COB Series succeed to reduce the thermal resistance significantly. New version creates
more options to match luminaire's products design (ex. High performance , Cost effective , Higher lumen density ,
Increased allowable max. If). The outline and LES size is same since version 1. 3-step MacAdam ellipse color definition at
Tj=85℃ is available.
2
CLU028 - 12 02 C4 - 27 3 H5 K2
[1] [2] [3] [4] [5]
[1]
[2]
[3]
[4]
[5]
Product Nomenclature
CRI (Ra)
CLU028
12
02
2700K
Min.90
Product shape
Die count in series
Die count in parallel
Nominal CCT

Ref.CE-P3534 02/16
2. Performance Characteristics
2-1. Electro Optical Characteristics
2-2. Absolute Maximum Ratings
Symbol Rating
Pi 19.6 *1
If 460 *1
Ir 1
Top -40 ~ +100
Tst -40 ~ +100
Tc 105 *2
Tj 140 *3
*3. D.C. Current : Tj = Tc + Rj-c × Pi
Storage Temperature (C)
Case Temperature (C)
Junction Temperature (C)
Operating Temperature (C)
Absolute Maximum Ratings
*1. Input power and forward current are the values when the LED is used within the range of the derating
curve in this data sheet.
*2. Refer to 3. Outline drawing for Tc measurement point.
Parameter
Input Power (W)
Forward Current (mA)
Reverse Current (mA)
3
( Tj=85C )
Ra R9 Tc=25C*
Min. Min. Min. Typ. Typ. Typ. Min. Typ. Max.
CLU028-1202C4-273H5K2 2700K 90 50 638 726 802 116 180 31.8 34.6 37.5 1.6
CLU028-1202C4-303H5K2 3000K 90 50 666 757 837 121 180 31.8 34.6 37.5 1.6
CLU028-1202C4-353H5K2 3500K 90 50 680 773 854 124 180 31.8 34.6 37.5 1.6
CLU028-1202C4-403H5K2 4000K 90 50 688 782 864 125 180 31.8 34.6 37.5 1.6
Notes :
1. Citizen Electronics maintains forward voltage +/-3%, luminous flux +/-10%,Ra and R9 +/-1.
*Values of Luminous flux at Tc=25C are provided as reference only.
Product code
Electro Optical Characteristics
Forward
Current
( mA )
Thermal
Resistance
Rj-c
( C/W )
CRI
Nominal
CCT
Luminous flux
( lm ) Efficacy
( lm/W )
Voltage
( V )
Tj=85C

Ref.CE-P3534 02/16
2-3. Chromaticity Characteristics
Note : Citizen Electronics maintains chromaticity ( x, y ) +/-0.005
0.30
0.35
0.40
0.45
0.30 0.35 0.40 0.45 0.50
y
x
x-y chart CIE1931
3,500K
3,000K 2,700K
Black
Body
Locus
4,000K
3-step
4
2700K ( 0.4577 , 0.4098 )
3000K ( 0.4339 , 0.4032 )
3500K ( 0.4078 , 0.3929 )
4000K ( 0.3818 , 0.3796 )
* Color region stay within MacAdam 3-step ellipse from the chromaticity center.
* The chromaticity center refers to ANSI C78.377:2011.
Please refer to ANSI C78. 377 for the chromaticity center.
* θ is the angle between the major axis of the ellipse and the x-axis, and a and b are the major and minor semi-axes of an ellipse.
(Ref. IEC 60081:1997 AnnexD)
3-step MacAdam ellipse
0.00774 0.00411 57.28
0.00834 0.00408 53.17
0.00951 0.00417 52.97
0.00939 0.00402 54.00
( Rated current, Tj=85C )
Color Region Nominal
CCT
Center Point
( x, y )
Oval parameter
Major Axis
a
Minor Axis
b
Ellipse
Rotation Angle
θ

Ref.CE-P3534 02/16
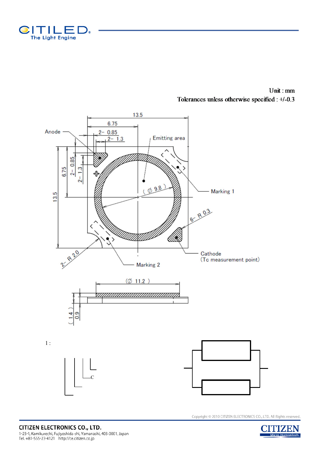
3. Mechanical Dimensions
5
Marking 1 :
Serial No.
Marking 2 :
CRI
CCT
Dies count in parallel
Dies count in series
H 12 2 ** **
・Internal Circuit
12 s 2 p
Protection
device
LED device
Cathode
Anode

Ref.CE-P3534 02/16
Forward Current vs. Forward Voltage Forward Current vs. Relative Luminous Flux
Tc=25C Tc=25C
Case Temperature vs. Forward Voltage Case Temperature vs. Relative Luminous Flux
If=180mA If=180mA
30.0
32.0
34.0
36.0
38.0
40.0
42.0
0 200 400 600
Vf [V]
If [mA]
0%
50%
100%
150%
200%
250%
0 200 400 600
Relative Luminous Flux [a.u.]
If [mA]
33.0
34.0
35.0
36.0
37.0
0 25 50 75 100
Vf [V]
Tc [C]
0%
20%
40%
60%
80%
100%
120%
0 25 50 75 100
Relative Luminous Flux [a.u.]
Tc [C]
4. Characteristic Curves
4-1. Forward Current Characteristics / Temperature Characteristics
6

Ref.CE-P3534 02/16
4-2. Optical Characteristics
Spectrum : CRI(Ra) 90Min. Tj=85℃If=180mA
0%
10%
20%
30%
40%
50%
60%
70%
80%
90%
100%
380 430 480 530 580 630 680 730 780
Radiative Intensity
Wave length [nm]
4000K 3500K 3000K 2700K
7

Ref.CE-P3534 02/16
4-2. Optical Characteristics (continued)
4-3. Derating Characteristics
Case Temperature
vs. Allowable Forward Current
0
50
100
150
200
250
300
350
400
450
500
0 25 50 75 100 125
If [mA]
Tc [C]
8
Radiation Characteristic
0%
20%
40%
60%
80%
100%
X
Y80°
70°
60°
50°
40°30°20°10°
-80°
-70°
-60°
-50°
-20°
-30°
-40°-10°
90°
-90°

Ref.CE-P3534 02/16
5. Reliability
5-1. Reliability Test
5-2. Failure Criteria
Test Item
100 C × 1000 hours
-40 C × 1000 hours
Test Condition
IF=180mA Ta=25C (with Al-fin) ×1000hrs
-40 C × 30 minutes – 100 C × 30 minutes, 100 cycle
85 C, 85 %RH for 500 hours
Thermal Shock Test
Continuous Operation Test
High Temperature Storage Test
Low Temperature Storage Test
Moisture-proof Test
IF=180mA Tj=140C (with Al-fin) ×1000hrs
9
( Tc=25C )
U defines the upper limit of the specified characteristics. S defines the initial value.
Note : Measurement shall be taken between 2 hours and 24 hours, and the test pieces should be
return to the normal ambient conditions after the completion of each test.
Total Luminous Flux Φv If=180mA <S × 0.85
Measuring Item Symbol Measuring Condition Failure Criteria
Forward Voltage Vf If=180mA >U × 1.1

Ref.CE-P3534 02/16
1 5 5 5 0 0 1
(2)
4. Quantity
(1) Last two digit of the year 15 : year 2015
(2) Production month 5 : May
Note: October, November and December are designated X,Y and Z.
(3) CE's control number
(1) (3)
Example of indication label
1. TYPE e.g. CLU028-1202C4
2. P.No. ( Cutomer's P/N )
3. Lot No.
e.g.
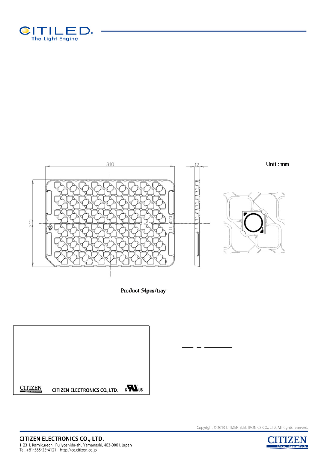
6. Packing Specification
6-1. Packing
10
An empty tray is placed on top of a 6-tier tray which contain 54 pieces each.
(Smallest packing unit: 324 pieces)
A label with product name, quantity and lot number is placed on the upper empty tray.
Tray (Dimensions: 310×210×12 mm / Materials: Electrically conductive PS)
CUSTOMER
TYPE
P.NO
Lot No
Q'ty
: CLU***-******-*******
: ******
: *******
: ***
--- ( 1 )
--- ( 2 )
--- ( 3 )
--- ( 4 )

Ref.CE-P3534 02/16
7. Precaution
7-1. Handling with care for this product
-Both the light emitting area and white rim around the light emitting area is composed of resin materials.
Please avoid the resin area from being pressed, stressed, rubbed, come into contact with sharp metal nail
(e.g. edge of reflector part) because the function, performance and reliability of this product are negatively impacted.
-Please be aware that this product should not come into contact with any other parts while incorporating in your lighting
apparatus or your other products.
-Please be aware that careful handling is required after the attachment of lead wires to prevent the application of any load
to the connections.
-For more information, please refer to application note "Instruction Manual(COB LED Package)".
7-2. Countermeasure against static electricity
-Handling of this product needs countermeasures against static electricity because this is a semiconductor product.
-Please take adequate measures to prevent any static electricity being produced such as the wearing of a wristband or
anti-static gloves when handling this product.
-Every manufacturing facility in regard to the product (plant, equipment, machine, carrier machine and conveyance unit)
should be connected to ground and please avoid the product to be electric-charged.
-ESD sensitivity of this product is over 1000V (HBM, based on JEITA ED-4701/304).
-After assembling the LEDs into your final product(s), it is recommended to check whether the assembled LEDs are
damaged by static electricity (electrical leak phenomenon) or not.
-It is easy to find static damaged LED dies by a light-on test with the minimum current value.
7-3. Caution of product assembly
-Regarding this product assembling on the heat sink, it is recommended to use M3 screw.
It might be good for screw tightening on the heat sink to do temporary tightening and final tightening.
In addition, please don’t press with excess stress on the product.
-The condition of the product assembling on the heat sink and the control of screw tightening torque needs to be optimized
according to the specification of the heat sink.
-Roughness, unevenness and burr of surface negatively impact thermal bonding between the product and heat sink and
increase heat thermal resistance between them.
Confidence of thermally and mechanical coupling between the product and heat sink are confirmed by checking
the mounting surface and measuring the case temperature of the product.
-In order to reduce the thermal resistance at assembly, it might be good to use TIM (Thermal Interface Material) on whole
contact surface of the product.
In case of using thermal grease for the TIM, it might be good to apply uniformly on the contact surface of the product.
In case of using thermal sheet for the TIM, it might be good to make sure that the product is NOT strained by stress when
the screws are tightened for assembly.
-For more information, please refer to application note "Instruction Manual(COB LED Package)".
11

Ref.CE-P3534 02/16
7-4. Thermal Design
-The thermal design to draw heat away from the LED junction is most critical parameter for an LED illumination system.
High operating temperatures at the LED junction adversely affect the performance of LED’s light output and lifetime.
Therefore the LED junction temperature should not exceed the absolute maximum rating in LED illumination system.
-The LED junction temperature while operation of LED illumination system depends upon thermal resistance of internal
LED package (Rj-c), outer thermal resistances of LED package, power loss and ambient temperature. Please take both of
the thermal design specifications and ambient temperature conditions into consideration for the setting of driving
conditions.
-For more information, please refer to application note "Thermal Management", "Instruction Manual(COB LED
Package)".
7-5. Driving Current
-A constant current is recommended as an applying driving current to this product.
In the case of constant voltage driving, please connect current-limiting resistor to each products in series and control
the driving current to keep under the absolute maximum rating forward current value.
-Electrical transient might apply excess voltage, excess current and reverse voltage to the product(s).
They also affect negative impact on the product(s) therefore please make sure that no excess voltage, no excess current
and no reverse voltage is applied to the product(s) when the LED driver is turn-on and/or turn-off.
-For more information, please refer to application note "Driving", "Instruction Manual(COB LED Package)".
7-6. Lighting at a minimum current value
7-7. Electrical Safety
-This product is designed and produced according to IEC 62031:2008
(IEC 62031:2008 LED modules for general lighting. Safety specification)
-Dielectric voltage withstand test has been conducted on this product to see any failure after applying
voltage between active pads and aluminum section of the product, and to pass at least 500V.
-Considering conformity assessment for IEC62031:2008, almost all items of the specification depend upon
your final product of LED illumination system.
Therefore, please confirm with your final product for electrical safety of your product.
As well, the products comply with the criteria of IEC62031:2008 as single LED package.
12
-A minimum current value of lighting of all dice is 10mA.
When a minimum current is applied, LED dice may look different in their brightness due to
the individual difference of the LED element, and it is not a failed product.

Ref.CE-P3534 02/16
7-8. Recommended soldering Condition (This product is not adaptable to reflow process.)
-For manual soldering
Please use lead-free soldering.
Soldering shall be implemented using a soldering bit at a temperature lower than 350C, and shall be
finished within 3.5 seconds for one land.
No external force shall be applied to resin part while soldering is implemented.
Next process of soldering should be carried out after the product has return to ambient temperature.
Contacts number of soldering bit should be within twice for each terminal.
* Citizen Electronics cannot guarantee if usage exceeds these recommended conditions.
Please use it after sufficient verification is carried out on your own risk if absolutely necessary.
-For more information, please refer to application note "Instruction Manual(COB LED Package)".
7-9. Eye Safety
-The International Electrical Commission (IEC) published in 2006 IEC 62471
”2006 Photobiological safety of lamps and lamp systems ” which includes LEDs within its scope.
When sorting single LEDs according to IEC 62471, almost all white LEDs can be classified
as belonging to either Exempt Group (no hazard) or Risk Group 1 (low risk).
-However, Optical characteristics of LEDs such as radiant flux, spectrum and light distribution are factors
that affect the risk group determination of the LED, and especially a high-power LED, that emits light
containing blue wavelengths,
might have properties equivalent to those of Risk Group 2 (moderate risk).
-Great care should be taken when directly viewing an LED that is driven at high current, has multiple
uses as a module or when focusing the light with optical instruments, as these actions might greatly
increase the hazard to your eyes.
-It is recommended to regard the evaluation of stand-alone LED packages as a reference
and to evaluate your final product.
7-10. This product is not designed for usage under the following conditions.
If the product might be used under the following conditions, you shall evaluate its effect and appropriate them. In places
where the product might:
-directly and indirectly get wet due to rain and/or at place with the fear.
-be damage by seawater and/or at place with the fear
-be exposed to corrosive gas (such as Cl2, H2S, NH3, SOx, NOx and so on) and/or at place with the fear.
-be exposed to dust, fluid or oil and/or at place with the fear.
13

Ref.CE-P3534 02/16
Precautions with regard to product use
(1) This document is provided for reference purposes only so that CITIZEN ELECTRONICS' products are used as
intended. CITIZEN ELECTRONICS neither makes warranties or representations with respect to the accuracy or
completeness of the information contained in this document nor grants any license to any intellectual property rights or
any other rights of CITIZEN ELECTRONICS or any third party with respect to the information in this document.
(2) All information included in this document such as product data, diagrams, charts, is current as of the date this
document is issued.
Such information, however, is subject to change without any prior notice.
Before purchasing or using any CITIZEN ELECTRONICS' products listed in this document, please confirm the latest
product information with a CITIZEN ELECTRONICS' sales office, and formal specifications must be exchanged and
signed by both parties prior to mass production.
(3) CITIZEN ELECTRONICS has used reasonable care in compiling the information included in this document, but
CITIZEN ELECTRONICS assumes no liability whatsoever for any damages incurred as a result of errors or omissions in
the information included in this document.
(4) Absent a written signed agreement, except as provided in the relevant terms and conditions of sale for product, and to
the maximum extent allowable by law, CITIZEN ELECTRONICS assumes no liability whatsoever, including without
limitation, indirect, consequential, special, or incidental damages or loss, including without limitation, loss of profits, loss
of opportunities, business interruption and loss of data, and disclaims any and all express or implied warranties and
conditions related to sale, use of product, or information, including warranties or conditions of merchantability, fitness for
a particular purpose, accuracy of information, or no infringement.
(5) Though CITIZEN ELECTRONICS works continually to improve products' quality and reliability, products can
malfunction or fail. Customers are responsible for complying with safety standards and for providing adequate designs and
safeguards to minimize risk and avoid situations in which a malfunction or failure of a product could cause loss of human
life, bodily injury or damage to property, including data loss or corruption.
In addition, customers are also responsible for determining the appropriateness of use of any information contained in this
document such as application cases not only with evaluating by their own but also by the entire system.
CITIZEN ELECTRONICS assumes no liability for customers' product design or applications.
(6) Please contact CITIZEN ELECTRONICS' sales office if you have any questions regarding the information contained
in this document, or if you have any other inquiries.
CITIZEN Micro HumanTech is a registered trademark of Citizen Holding Co., Japan.
CITILED is a registered trademark of CITIZEN ELECTRONICS CO., LTD. Japan
14

Ref.CE-P3534 02/16
and are trademarks or registered trademarks of CITIZEN HOLDINGS CO., LTD. JAPAN.
is a trademark or a registered trademark of CITIZEN ELECTRONICS CO., LTD. JAPAN.
15
Products related to this Datasheet
COB LED 4000K 90CRI
COB LED 3000K 90CRI
COB LED 2700K 90CRI
COB LED 3500K 90CRI