
MMRF1312H MMRF1312HS MMRF1312GS
1
RF Device Data
Freescale Semiconductor, Inc.
RF Power LDMOS Transistors
High Ruggedness N--Channel
Enhancement--Mode Lateral MOSFETs
These RF power devices are designed for pulse applications operating at
frequencies from 900 to 1215 MHz. The devices are suitable for use in pulse
applications with large duty cycles and long pulses and are ideal for use in high
power military and commercial L--Band radar applications such as IFF and
DME/TACAN.
Typical Short Pulse Performance: In 900–1215 MHz reference circuit,
VDD =52Vdc,I
DQ(A+B) = 100 mA
Frequency
(MHz) Signal Type
Pout
(W)
Gps
(dB)
D
(%)
900 Pulse
(128 sec, 10% Duty Cycle)
1615 Peak 15.2 54.0
960 1560 Peak 17.3 55.7
1030 1500 Peak 17.8 53.8
1090 1530 Peak 18.0 54.5
1215 1200 Peak 19.2 58.5
Load Mismatch/Ruggedness
Frequency
(MHz) Signal Type VSWR
Pin
(W)
Test
Voltage Result
1030 (1) Pulse
(128 sec, 10%
Duty Cycle)
> 20:1 at all
Phase Angles
20.2 Peak
(3 dB
Overdrive)
52 No Device
Degradation
1. Measured in 1030 MHz narrowband reference circuit.
Features
Internally input and output matched for broadband operation and ease of use
Device can be used in a single--ended, push--pull or quadrature configuration
Qualified up to a maximum of 52 VDD operation
High ruggedness, handles > 20:1 VSWR
Integrated ESD protection with greater negative voltage range for improved
Class C operation and gate voltage pulsing
Characterized with series equivalent large--signal impedance parameters
Typical Applications
Air traffic control systems (ATC), including ground--based secondary radars
such as IFF interrogators or transponders
Distance measuring equipment (DME)
Tactical air navigation (TACAN)
Document Number: MMRF1312H
Rev. 0, 3/2016
Freescale Semiconductor
Technical Data
900–1215 MHz, 1000 W PEAK, 52 V
AIRFAST RF POWER LDMOS
TRANSISTORS
MMRF1312H
MMRF1312HS
MMRF1312GS
NI--1230GS--4L
MMRF1312GS
NI--1230S--4S
MMRF1312HS
NI--1230H--4S
MMRF1312H
(Top View)
Drain A
31
Figure 1. Pin Connections
42
Drain B
Gate A
Gate B
Note: The backside of the package is the
source terminal for the transistor.
Freescale Semiconductor, Inc., 2016.
A
ll rights reserved.
 mg 1 www,nxg,com RF
 
 
 
 
 
 
 
 
 
 
 
 
 
 
 
 
 
 
 
 
 
 
 
 
 
 
 
 
 
mg 1 www,nxg,com RF
 
2
RF Device Data
Freescale Semiconductor, Inc.
MMRF1312H MMRF1312HS MMRF1312GS
Table 1. Maximum Ratings
Rating Symbol Value Unit
Drain--Source Voltage VDSS –0.5, +112 Vdc
Gate--Source Voltage VGS –6.0, +10 Vdc
Storage Temperature Range Tstg –65to+150 C
Case Operating Temperature Range TC–40 to 150 C
Operating Junction Temperature Range (1) TJ–40 to 225 C
Total Device Dissipation @ TC=25C
Derate above 25C
PD1053
5.26
W
W/C
Table 2. Thermal Characteristics
Characteristic Symbol Value (2) Unit
Thermal Impedance, Junction to Case
Pulse: Case Temperature 64C, 1000 W Peak, 128 sec Pulse Width,
10% Duty Cycle, 50 Vdc, IDQ = 100 mA, 1030 MHz
ZJC
0.017
C/W
Table 3. ESD Protection Characteristics
Test Methodology Class
Human Body Model (per JESD22--A114) 2, passes 2500 V
Machine Model (per EIA/JESD22--A115) B, passes 250 V
Charge Device Model (per JESD22--C101) IV, passes 2000 V
Table 4. Electrical Characteristics (TA=25C unless otherwise noted)
Characteristic Symbol Min Typ Max Unit
Off Characteristics (3)
Gate--Source Leakage Current
(VGS =5Vdc,V
DS =0Vdc)
IGSS — — 1 Adc
Drain--Source Breakdown Voltage
(VGS =0Vdc,I
D=10A)
V(BR)DSS 112 — — Vdc
Zero Gate Voltage Drain Leakage Current
(VDS =50Vdc,V
GS =0Vdc)
IDSS — — 1 Adc
Zero Gate Voltage Drain Leakage Current
(VDS =112Vdc,V
GS =0Vdc)
IDSS — — 10 Adc
On Characteristics
Gate Threshold Voltage (3)
(VDS =10Vdc,I
D= 520 Adc)
VGS(th) 1.3 1.8 2.3 Vdc
Gate Quiescent Voltage (4)
(VDD =50Vdc,I
D= 100 mAdc, Measured in Functional Test)
VGS(Q) 1.5 2.0 2.5 Vdc
Drain--Source On--Voltage (3)
(VGS =10Vdc,I
D=2.6Adc)
VDS(on) 0.05 0.17 0.35 Vdc
Dynamic Characteristics (3)
Reverse Transfer Capacitance
(VDS =50Vdc30 mV(rms)ac @ 1 MHz, VGS =0Vdc)
Crss —2.5 —pF
1. Continuous use at maximum temperature will affect MTTF.
2. Refer to AN1955, Thermal Measurement Methodology of RF Power Amplifiers. Go to http://www.nxp.com/RF and search for AN1955.
3. Each side of device measured separately.
4. Measurement made with device in push--pull configuration.
(continued)

MMRF1312H MMRF1312HS MMRF1312GS
3
RF Device Data
Freescale Semiconductor, Inc.
Table 4. Electrical Characteristics (TA=25C unless otherwise noted) (continued)
Characteristic Symbol Min Typ Max Unit
Functional Tests (1,2) (In Freescale Narrowband Production Test Fixture, 50 ohm system) VDD =50Vdc,I
DQ(A+B) = 100 mA, Pout = 1000 W
Peak (100 W Avg.), f = 1030 MHz, 128 sec Pulse Width, 10% Duty Cycle
Power Gain Gps 18.5 19.6 22.0 dB
Drain Efficiency D55.5 59.7 — %
Input Return Loss IRL — –15 –9 dB
Table 5. Load Mismatch/Ruggedness (In Freescale Narrowband Production Test Fixture, 50 ohm system) IDQ(A+B) = 100 mA
Frequency
(MHz) Signal Type VSWR
Pin
(W) Test Voltage, VDD Result
1030 Pulse
(128 sec,
10% Duty Cycle)
> 20:1 at all
Phase Angles
20.2 Peak
(3 dB Overdrive)
52 No Device
Degradation
Table 6. Ordering Information
Device Tape and Reel Information Package
MMRF1312HR5
R5 Suffix = 50 Units, 56 mm Tape Width, 13--inch Reel
NI--1230H--4S, Eared
MMRF1312HSR5 NI--1230S--4S, Earless
MMRF1312GSR5 NI--1230GS--4L, Gull Wing
1. Measurement made with device in push--pull configuration.
2. Measurements made with device in straight lead configuration before any lead forming operation is applied. Lead forming is used for gull
wing (GS) parts.
 
 
 
 
 
 
 
 
 
 
 
 
 
 
 
 
 
 
 
4
RF Device Data
Freescale Semiconductor, Inc.
MMRF1312H MMRF1312HS MMRF1312GS
TYPICAL CHARACTERISTICS
1
02010
VDS, DRAIN--SOURCE VOLTAGE (VOLTS)
Figure 2. Capacitance versus Drain--Source Voltage
C, CAPACITANCE (pF)
10
Crss
Measured with 30 mV(rms)ac @ 1 MHz
VGS =0Vdc
Note: Each side of device measured separately.
100
30 40 50
IDQ(A+B) = 100 mA
Figure 3. Normalized VGS versus Quiescent
Current and Case Temperature
NORMALIZED VGS(Q)
TC, CASE TEMPERATURE (C)
1.08
1.04
1.02
1
0.98
0.96
100–50 0–25 25 50 75
500 mA
1500 mA
VDD =50Vdc
100 –2.36
IDQ (mA) Slope (mV/C)
500 –2.26
1500 –1.84
0.92
0.94
1.06
250
109
90
TJ, JUNCTION TEMPERATURE (C)
Figure 4. MTTF versus Junction Temperature — Pulse
Note: MTTF value represents the total cumulative operating time
under indicated test conditions.
107
106
105
110 130 150 170 190
MTTF (HOURS)
210 230
108
ID= 26.74 Amps
34.04 Amps
39.03 Amps
VDD =50Vdc
Pulse Width = 128 sec
10% Duty Cycle
 , \
5r
 
 
 
 
., 7:,
 
 
, \
5r
 
 
 
 
., 7:,
 
 
 
 
 
 
 
 
 
 
MMRF1312H MMRF1312HS MMRF1312GS
5
RF Device Data
Freescale Semiconductor, Inc.
1030 MHz NARROWBAND PRODUCTION TEST FIXTURE — 4.05.0(10.2 cm 12.7 cm)
C1
C2
B1
B2
C3
C4
C5
C7
C8
C6
R2
R1
C9
C10
C11
C12
C15
C16
C13
C14
L2
L1
C19
C20
C27 C29
C28 C30
C17*
C18*
C21*
C22*
C23*
C24*
C25*
C26*
* C17, C18, C21, C22, C23, C24, C25 and C26 are mounted vertically.
CUT OUT AREA
COAX3
COAX4
COAX1
COAX2
Figure 5. MMRF1312H(HS) Narrowband Test Circuit Component Layout — 1030 MHz
MMRF1312H
Rev. 0
D82114
Table 7. MMRF1312H(HS) Narrowband Test Circuit Component Designations and Values — 1030 MHz
Part Description Part Number Manufacturer
B1, B2 Short RF Bead 2743019447 Fair-Rite
C1, C2 22 F, 35 V Tantalum Capacitors T491X226K035AT Kemet
C3, C4 2.2 F Chip Capacitors C1825C225J5RACTU Kemet
C5, C6 0.1 F Chip Capacitors CDR33BX104AKWS AVX
C7, C8 36 pF Chip Capacitors ATC100B360JT500XT ATC
C9 2.7 pF Chip Capacitor ATC100B2R7CT500XT ATC
C10, C11 30 pF Chip Capacitors ATC100B300JT500XT ATC
C12 8.2 pF Chip Capacitor ATC100B8R2CT500XT ATC
C13, C14 36 pF Chip Capacitors ATC100B360JT500XT ATC
C15, C16 7.5 pF Chip Capacitors ATC100B7R5CT500XT ATC
C17 4.7 pF Chip Capacitor ATC100B4R7CT500XT ATC
C18 4.3 pF Chip Capacitor ATC100B4R3CT500XT ATC
C19, C20 0.01 F Chip Capacitors C1825C103K1GACTU Kemet
C21, C22, C23, C24, C25, C26 43 pF Chip Capacitors ATC100B430JT500XT ATC
C27, C28, C29, C30 470 F, 63 V Electrolytic Capacitors MCGPR63V477M13X26-RH Multicomp
Coax1, Coax2, Coax3, Coax4 35 Flex Cable 1.98HSF-141C-35 Hongsen Cable
L1, L2 12 H, 3 Turn Inductors GA3094-ALC Coilcraft
R1, R2 1.1 k, 1/4 W Chip Resistors CRCW12061K10FKEA Vishay
PCB Arlon, AD255A, 0.03,r=2.55 D82114 MTL
 ‘ ‘ ‘ ‘ ‘ H ‘ ‘ ‘
, 10%
,—
/ /’
/ \
/’ \
/ l
/” ‘
//;Z
\ \ \ \ \ H ¢¢/,-
$/
45:50
’//// 300
//
, \H
‘
/ , _
/ // 4
/ c //
L::, / J/ \\
g c ,/ i H
77 7 A/ c
/”
 
 
 
 
 
 
 
 
 
 
 
 
 
 
 
 
 
 
 
 
 
 
 
 
 
 
 
 
 
 
( )
nn
 
 
 
 
 
 
 
 
 
 
 
 
 
 
 
 
 
 
 
 
 
 
 
 
 
 
 
 
 
 
 
 
 
 
 
 
 
 
 
 
 
 
 
 
 
 
 
 
 
 
 
 
 
 
 
 
 
 
 
 
 
 
 
 
 
 
 
 
 
 
 
 
 
 
 
 
 
 
 
 
 
 
 
 
‘ ‘ ‘ ‘ ‘ H ‘ ‘ ‘
, 10%
,—
/ /’
/ \
/’ \
/ l
/” ‘
//;Z
\ \ \ \ \ H ¢¢/,-
$/
45:50
’//// 300
//
, \H
‘
/ , _
/ // 4
/ c //
L::, / J/ \\
g c ,/ i H
77 7 A/ c
/”
 
 
 
 
 
 
 
 
 
 
 
 
 
 
 
 
 
 
 
 
 
 
 
 
 
 
 
 
 
 
( )
nn
 
6
RF Device Data
Freescale Semiconductor, Inc.
MMRF1312H MMRF1312HS MMRF1312GS
TYPICAL CHARACTERISTICS — 1030 MHz
NARROWBAND PRODUCTION TEST FIXTURE
Pout, OUTPUT POWER (WATTS) PEAK
Figure 6. Power Gain and Drain Efficiency
versus Output Power
22
30 100
21
20
80
60
50
40
Gps, POWER GAIN (dB)
D, DRAIN EFFICIENCY (%)
D
14
1000
Gps
18
19
16
17
15
70
30
20
10
VDD =50Vdc,I
DQ(A+B) = 100 mA, f = 1030 MHz
Pulse Width = 128 sec, Duty Cycle = 10%
0
P3dB
(W)
60
29
56
54
Pin, INPUT POWER (dBm) PEAK
Figure 7. Output Power versus Input Power
Pout, OUTPUT POWER PEAK
58
50
48
52
31 33 35 37 39 41 43 45
46
62
1030 1002 1115
f
(MHz)
P1dB
(W)
VDD =50Vdc,I
DQ(A+B) = 100 mA, f = 1030 MHz
Pulse Width = 128 sec, Duty Cycle = 10%
14
22
30
0
80
100
60
50
Pout, OUTPUT POWER (WATTS) PEAK
Figure 8. Power Gain versus Output Power
Gps, POWER GAIN (dB)
21
1000
300 mA 40
20
18
VDD = 50 Vdc, f = 1030 MHz
Pulse Width = 128 sec, Duty Cycle = 10%
19
16
17
15
70
30
20
10
100 mA
500 mA
14
22
30 100
Pout, OUTPUT POWER (WATTS) PEAK
Figure 9. Power Gain versus Output Power
Gps, POWER GAIN (dB)
21
1000
VDD =30V
20
18
IDQ(A + B) = 100 mA, f = 1030 MHz
Pulse Width = 128 sec, Duty Cycle = 10%
19
16
17
15
10
12
13
11
35 V35 V
40 V
45 V
50 V
Pin, INPUT POWER (dBm) PEAK
Figure 10. Output Power versus Input Power
Pout, OUTPUT POWER (WATTS) PEA
K
29
TC= –40_C
VDD =50Vdc,I
DQ(A=B) = 100 mA, f = 1030 MHz
Pulse Width = 128 sec, Duty Cycle = 10%
25_C
0
200
400
600
800
1000
1200
1400
31 33 35 37 39 41 43 45
25_C
85_C
24
30
0
80
100
60
50
Pout, OUTPUT POWER (WATTS) PEAK
Figure 11. Power Gain and Drain Efficiency versus
Output Power
Gps, POWER GAIN (dB)
D
,
DRAIN EFFICIENCY
(
%
)
D
1000
85_C
TC= –40_C
40
22
20
VDD =50Vdc,I
DQ(A+B) = 100 mA, f = 1030 MHz
Pulse Width = 128 sec, Duty Cycle = 10%
18
70
30
20
10
25_C
Gps
16
14
12
8
10
85_C
25_C
IDQ(A+B) = 700 mA
TC= –40_C

MMRF1312H MMRF1312HS MMRF1312GS
7
RF Device Data
Freescale Semiconductor, Inc.
1030 MHz NARROWBAND PRODUCTION TEST FIXTURE
f
MHz
Zsource
Zload
1030 2.40 -- j3.73 1.9 + j1.00
Zsource = Test circuit impedance as measured from
gate to gate, balanced configuration.
Zload = Test circuit impedance as measured
from drain to drain, balanced configuration.
Figure 12. Narrowband Series Equivalent Source and Load Impedance — 1030 MHz
Input
Matching
Network
Device
Under
Test
Output
Matching
Network
Zsource Zload
--
+
+
--
50 
50 
 E
¢ l3
/ 1 2 4x K
1 BE
————————————— {T_ (FLANGE)
\
3 :1 4
4x
D
(MD)
N
(UD)
I-I-Efim]
E
I .| k l - k
T‘ \ \ \ |
LF’IN 5 F
s
SEAT‘NG a f
M \NSULATOR
(INSULATOR) PLANE ( )
 
 
 
 
 
© FREESCALE SEMICONDUCTOR
ALL RIGHTS RESERVED.
INC‘
 
MECHANICAL OUTLINE
 
PR‘NT VERSION NOT TO SCALE
 
T‘ TLE:
N‘7123074H
DOCUMENT NO: 98ASBWGS77C REV: F
 
STANDARD: NONidEDEC
 
 
28 FEB 2013
 
 
 
 
 
 
 
 
 
 
 
 
 
 
 
 
 
 
 
 
 
 
 
 
 
 
 
 
 
 
 
 
 
 
 
 
 
 
 
 
 
 
 
 
E
¢ l3
/ 1 2 4x K
1 BE
————————————— {T_ (FLANGE)
\
3 :1 4
4x
D
(MD)
N
(UD)
I-I-Efim]
E
I .| k l - k
T‘ \ \ \ |
LF’IN 5 F
s
SEAT‘NG a f
M \NSULATOR
(INSULATOR) PLANE ( )
 
 
 
 
 
© FREESCALE SEMICONDUCTOR
ALL RIGHTS RESERVED.
INC‘
 
MECHANICAL OUTLINE
 
PR‘NT VERSION NOT TO SCALE
 
T‘ TLE:
N‘7123074H
DOCUMENT NO: 98ASBWGS77C REV: F
 
STANDARD: NONidEDEC
 
 
28 FEB 2013
 
 
 
8
RF Device Data
Freescale Semiconductor, Inc.
MMRF1312H MMRF1312HS MMRF1312GS
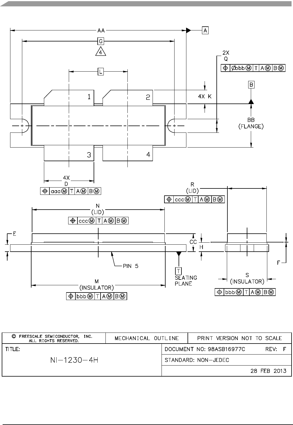
PACKAGE DIMENSIONS
 NOTES:
1.
INTERPRET DIMENSIONS AND TOLERANCES PER ASME Y14. 5M71994.
2. CONTROLLING DIMENSION: INCH
3. DIMENSION H IS MEASURED .030 INCH (0. 762 MM) AWAY FROM PACKAGE BODY.
RECOMMENDED BOLT CENTER DIMENSION OF 1.52 INCH (38.51 MM) BASED ON
 
 
 
 
 
 
 
 
M3 SCREW.
INCH MILLIMETER INCH MILLIMETER
DIM MIN MAX MIN MAX DIM MIN MAX MIN MAX
AA 1.615 1.625 41.02 41.28 N 1218 1.242 30.94 31.55
BB .395 .405 10.03 10.29 0 .120 .130 3.05 3.30
cc .170 .190 4.32 4.83 R .355 .365 9.02 9.27
D .455 .465 11.56 11.81 S .365 .375 9.27 9.53
E .062 .066 1.57 1.68
F .004 .007 0.10 0.18
C 1.400 BSC 35.56 880 000 .013 0.33
H .082 .090 2.08 2.29 bbb .010 0.25
K .117 .137 2.97 3.48 sec .020 0.51
L .540 830 13.72 ESC
M 1.219 1.241 30.96 31.52
@ FREEffnglgHEQngggggg; ‘ch MECHANICAL OUTLINE PRINT VERSION NOT TO SCALE
 
 
 
 
TITLE:
NI—1230—4H
DOCUMENT NO: 98ASB‘16977C REV: F
 
STANDARD: NONidEDEC
 
 
28 FEB 2013
NOTES:
1.
INTERPRET DIMENSIONS AND TOLERANCES PER ASME Y14. 5M71994.
2. CONTROLLING DIMENSION: INCH
3. DIMENSION H IS MEASURED .030 INCH (0. 762 MM) AWAY FROM PACKAGE BODY.
RECOMMENDED BOLT CENTER DIMENSION OF 1.52 INCH (38.51 MM) BASED ON
 
 
 
 
 
 
 
 
M3 SCREW.
INCH MILLIMETER INCH MILLIMETER
DIM MIN MAX MIN MAX DIM MIN MAX MIN MAX
AA 1.615 1.625 41.02 41.28 N 1218 1.242 30.94 31.55
BB .395 .405 10.03 10.29 0 .120 .130 3.05 3.30
cc .170 .190 4.32 4.83 R .355 .365 9.02 9.27
D .455 .465 11.56 11.81 S .365 .375 9.27 9.53
E .062 .066 1.57 1.68
F .004 .007 0.10 0.18
C 1.400 BSC 35.56 880 000 .013 0.33
H .082 .090 2.08 2.29 bbb .010 0.25
K .117 .137 2.97 3.48 sec .020 0.51
L .540 830 13.72 ESC
M 1.219 1.241 30.96 31.52
@ FREEffnglgHEQngggggg; ‘ch MECHANICAL OUTLINE PRINT VERSION NOT TO SCALE
 
 
 
 
TITLE:
NI—1230—4H
DOCUMENT NO: 98ASB‘16977C REV: F
 
STANDARD: NONidEDEC
 
 
28 FEB 2013
 
 
 
MMRF1312H MMRF1312HS MMRF1312GS
9
RF Device Data
Freescale Semiconductor, Inc.
 ——AA (FLANGE)——>—I
 
I
K 1 2 4XK
BEI (FLANGE)
 
 
 
 
 
 
 
 
 
 
 
 
 
 
 
 
 
 
 
 
 
 
 
3 4
4x
2 (FLANGE)
4x
D
I-I-Im]
 
 
 
 
 
 
 
 
SEATING + 5 f
FLANE (INSULATOR)
 
 
 
 
   
 
 
 
 
 
 
 
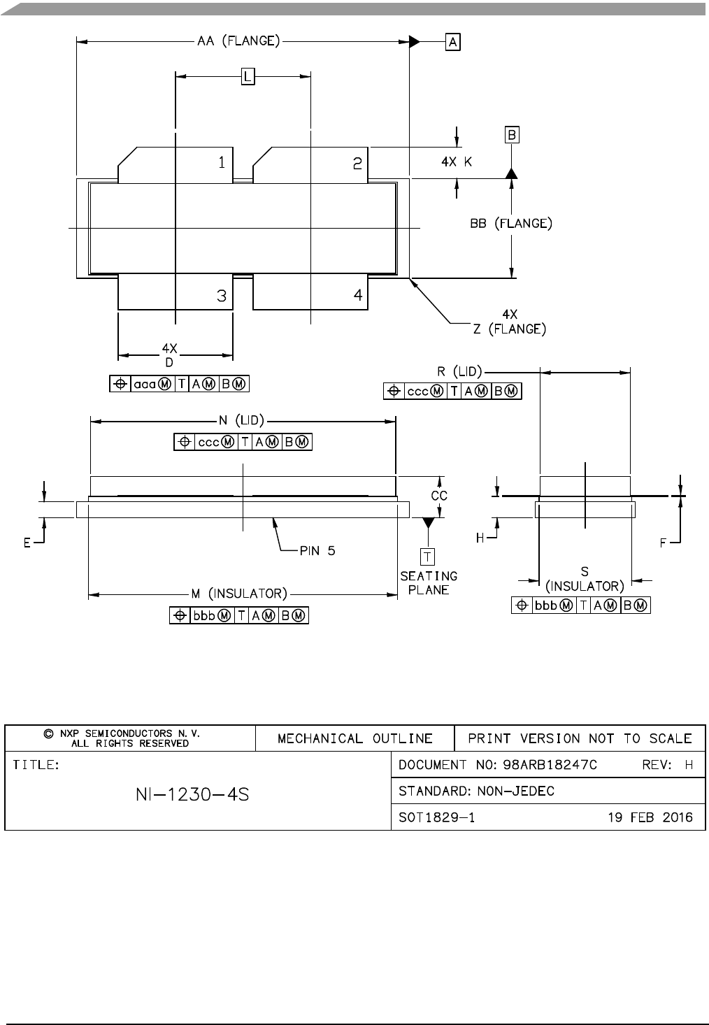
O “XfLEEé‘I‘gflg‘Jégggévg-fl- MECHANICAL OUTLINE PRINT VERSION NOT To SCALE
TITLE: DOCUMENT N0198ARE15247C REV: H
NI—1230—4S STANDARD: NON—JEDEC
SOTIszeH 19 FEB 2016
——AA (FLANGE)——>—I
 
I
K 1 2 4XK
BEI (FLANGE)
 
 
 
 
 
 
 
 
 
 
 
 
 
 
 
 
 
 
 
 
 
 
 
3 4
4x
2 (FLANGE)
4x
D
I-I-Im]
 
 
 
 
 
 
 
 
SEATING + 5 f
FLANE (INSULATOR)
 
 
 
 
   
 
 
 
 
 
 
 
O “XfLEEé‘I‘gflg‘Jégggévg-fl- MECHANICAL OUTLINE PRINT VERSION NOT To SCALE
TITLE: DOCUMENT N0198ARE15247C REV: H
NI—1230—4S STANDARD: NON—JEDEC
SOTIszeH 19 FEB 2016
 
 
 
 
10
RF Device Data
Freescale Semiconductor, Inc.
MMRF1312H MMRF1312HS MMRF1312GS
 NOTES:
1. INTERPRET DIMENSIONS AND TOLERANCES PER ASME Y14.5M—1994.
2. CONTROLLING DIMENSION:
INCH
3. DIMENSION H IS MEASURED .030 INCH (0762 MM) AWAY FROM PACKAGE BODY
 
 
INCHES MILLIMETERS INCHES MILLIMETERS
DIM MIN MAX MIN MAX DIM MIN MAX MIN MAX
AA 1265 1.275 32.13 32.39 R .355 .365 9.02 9.27
BB .395 .405 10.03 10.29 S .365 .375 9.27 9.53
CC .170 .190 4.32 4.83 Z R000 R040 R000 R102
D .455 .465 11.56 11.81
E .062 .066 1.57 1.68 can .013 0.33
F .004 .007 0.10 0.15 bbb .010 0.25
H .082 .090 2.08 2.29 ccc .020 0.51
K .117 .137 2.97 3.48
L .540 1350 13.72 980
M 1.219 1.241 30.96 31.52
N 1.218 1.242 30.94 31.55
 
 
 
 
 
 
© NXF SEMICONDUCTORS N.V.
ALL RIGHTS RESERVED
 
MECHANICAL OUTLINE
 
PRINT VERSION NOT TO SCALE
 
 
TITLE:
N|7123074S
DOCUMENT N0198ARB18247C REV: H
 
STANDARD: NONidEDEC
 
 
SOT1829—1
19 FEB 2016
NOTES:
1. INTERPRET DIMENSIONS AND TOLERANCES PER ASME Y14.5M—1994.
2. CONTROLLING DIMENSION:
INCH
3. DIMENSION H IS MEASURED .030 INCH (0762 MM) AWAY FROM PACKAGE BODY
 
 
INCHES MILLIMETERS INCHES MILLIMETERS
DIM MIN MAX MIN MAX DIM MIN MAX MIN MAX
AA 1265 1.275 32.13 32.39 R .355 .365 9.02 9.27
BB .395 .405 10.03 10.29 S .365 .375 9.27 9.53
CC .170 .190 4.32 4.83 Z R000 R040 R000 R102
D .455 .465 11.56 11.81
E .062 .066 1.57 1.68 can .013 0.33
F .004 .007 0.10 0.15 bbb .010 0.25
H .082 .090 2.08 2.29 ccc .020 0.51
K .117 .137 2.97 3.48
L .540 1350 13.72 980
M 1.219 1.241 30.96 31.52
N 1.218 1.242 30.94 31.55
 
 
 
 
 
 
© NXF SEMICONDUCTORS N.V.
ALL RIGHTS RESERVED
 
MECHANICAL OUTLINE
 
PRINT VERSION NOT TO SCALE
 
 
TITLE:
N|7123074S
DOCUMENT N0198ARB18247C REV: H
 
STANDARD: NONidEDEC
 
 
SOT1829—1
19 FEB 2016
 
 
 
MMRF1312H MMRF1312HS MMRF1312GS
11
RF Device Data
Freescale Semiconductor, Inc.
 ¢—AA (FLANGE)—.>—I
  
 
 
E
LL “
EB (FLANGE) %=
A1 L» L
A
L GAGE PLANE
4x
2 (FLANGE) DETAH. "Y"
 
 
 
 
 
P‘N 5/
 
 
 
M (INSULATOR)
 
 
 
 
 
 
(INSULATOR)
 
 
 
 
E1
 
© NXP SEMICONDUCTORS N, v,
ALL RIGHTS RESERVED
 
MECHANICAL OUTLINE
PRINT VERSION NOT TO SCALE
 
 
 
TITLE:
N‘7123074S GULL
 
 
DOCUMENT NO: 98ASAOO4590 REV: B
STANDARD: NONfiJEDEC
SOTlBOG—Z 23 FEB 2016
 
 
 
 
 
 
 
¢—AA (FLANGE)—.>—I
  
 
 
E
LL “
EB (FLANGE) %=
A1 L» L
A
L GAGE PLANE
4x
2 (FLANGE) DETAH. "Y"
 
 
 
 
 
P‘N 5/
 
 
 
M (INSULATOR)
 
 
 
 
 
 
(INSULATOR)
 
 
 
 
E1
 
© NXP SEMICONDUCTORS N, v,
ALL RIGHTS RESERVED
 
MECHANICAL OUTLINE
PRINT VERSION NOT TO SCALE
 
 
 
TITLE:
N‘7123074S GULL
 
 
DOCUMENT NO: 98ASAOO4590 REV: B
STANDARD: NONfiJEDEC
SOTlBOG—Z 23 FEB 2016
 
 
 
 
12
RF Device Data
Freescale Semiconductor, Inc.
MMRF1312H MMRF1312HS MMRF1312GS
 NOTES:
1.
2. CONTROLLING DIMENSION:
INTERPRET DIMENSIONS AND TOLERANCES PER ASME Y14.5M71994.
INCH
A DIMENSION A1 IS MEASURED WITH REFERENCE TO DATUM T. THE POSITIVE VALUE
IMPLIES THAT THE PACKAGE BOTTOM IS HIGHER THAN THE LEAD BOTTOM.
 
 
INCHES MILLIMETERS INCHES MILLIMETERS
DIM MIN MAX MIN MAX DIM MIN MAX MIN MAX
AA 1.265 1.275 32.13 32.39 R .355 .365 9.02 9.27
A1 —.001 .011 —0.03 0.28 S .355 .375 9.27 9.53
BB .395 .405 1003 1029 Z R000 R040 R000 R102
E1 .564 .574 14.32 14.58 t. 0' 3' 0' 8'
CC .170 .190 4.32 4.83
D .455 .465 11.56 11.81 am: .013 0.33
E .062 .066 1.57 1.58 bbb .010 0.25
E .004- .007 0.10 0.18 sec .020 0.51
J .540 530 13.72 ESC
L .035 .045 0.97 1.17
L1 .01 530 0.25 ESC
M 1.219 1.241 30.96 31.52
N 1.218 1.242 30.94 31.55
 
 
 
 
 
 
@ NXF SEMICONDUCTORS N.V.
ALL RIGHTS RESERVED
 
MECHANICAL OUTLINE
 
PRINT VERSION NOT TO SCALE
 
 
TITLE:
NI—1230—4S GULL
 
 
 
DOCUMENT NO: 98ASAOO4590 REV: B
STANDARD: NONidEDEC
SOT1806—2 23 FEB 2016
NOTES:
1.
2. CONTROLLING DIMENSION:
INTERPRET DIMENSIONS AND TOLERANCES PER ASME Y14.5M71994.
INCH
A DIMENSION A1 IS MEASURED WITH REFERENCE TO DATUM T. THE POSITIVE VALUE
IMPLIES THAT THE PACKAGE BOTTOM IS HIGHER THAN THE LEAD BOTTOM.
 
 
INCHES MILLIMETERS INCHES MILLIMETERS
DIM MIN MAX MIN MAX DIM MIN MAX MIN MAX
AA 1.265 1.275 32.13 32.39 R .355 .365 9.02 9.27
A1 —.001 .011 —0.03 0.28 S .355 .375 9.27 9.53
BB .395 .405 1003 1029 Z R000 R040 R000 R102
E1 .564 .574 14.32 14.58 t. 0' 3' 0' 8'
CC .170 .190 4.32 4.83
D .455 .465 11.56 11.81 am: .013 0.33
E .062 .066 1.57 1.58 bbb .010 0.25
E .004- .007 0.10 0.18 sec .020 0.51
J .540 530 13.72 ESC
L .035 .045 0.97 1.17
L1 .01 530 0.25 ESC
M 1.219 1.241 30.96 31.52
N 1.218 1.242 30.94 31.55
 
 
 
 
 
 
@ NXF SEMICONDUCTORS N.V.
ALL RIGHTS RESERVED
 
MECHANICAL OUTLINE
 
PRINT VERSION NOT TO SCALE
 
 
TITLE:
NI—1230—4S GULL
 
 
 
DOCUMENT NO: 98ASAOO4590 REV: B
STANDARD: NONidEDEC
SOT1806—2 23 FEB 2016
 
 
 
MMRF1312H MMRF1312HS MMRF1312GS
13
RF Device Data
Freescale Semiconductor, Inc.
 
 
 
 
 
 
 
 
 
 
14
RF Device Data
Freescale Semiconductor, Inc.
MMRF1312H MMRF1312HS MMRF1312GS
PRODUCT DOCUMENTATION
Refer to the following resources to aid your design process.
Application Notes
AN1908: Solder Reflow Attach Method for High Power RF Devices in Air Cavity Packages
AN1955: Thermal Measurement Methodology of RF Power Amplifiers
Engineering Bulletins
EB212: Using Data Sheet Impedances for RF LDMOS Devices
To Download Resources Specific to a Given Part Number:
1. Go to http://www.nxp.com/RF
2. Search by part number
3. Click part number link
4. Choose the desired resource from the drop down menu
REVISION HISTORY
The following table summarizes revisions to this document.
Revision Date Description
0Mar. 2016 Initial Release of Data Sheet

MMRF1312H MMRF1312HS MMRF1312GS
15
RF Device Data
Freescale Semiconductor, Inc.
Information in this document is provided solely to enable system and software
implementers to use Freescale products. There are no express or implied copyright
licenses granted hereunder to design or fabricate any integrated circuits based on the
information in this document.
Freescale reserves the right to make changes without further notice to any products
herein. Freescale makes no warranty, representation, or guarantee regarding the
suitability of its products for any particular purpose, nor does Freescale assume any
liability arising out of the application or use of any product or circuit, and specifically
disclaims any and all liability, including without limitation consequential or incidental
damages. “Typical” parameters that may be provided in Freescale data sheets and/or
specifications can and do vary in different applications, and actual performance may
vary over time. All operating parameters, including “typicals,” must be validated for
each customer application by customer’s technical experts. Freescale does not convey
any license under its patent rights nor the rights of others. Freescale sells products
pursuant to standard terms and conditions of sale, which can be found at the following
address: freescale.com/SalesTermsandConditions.
Freescale and the Freescale logo are trademarks of Freescale Semiconductor, Inc.,
Reg. U.S. Pat. & Tm. Off. Airfast is a trademark of Freescale Semiconductor, Inc. All
other product or service names are the property of their respective owners.
E2016 Freescale Semiconductor, Inc.
How to Reach Us:
Home Page:
freescale.com
Web Support:
freescale.com/support
Document Number: MMRF1312H
Rev. 0, 3/2016
Products related to this Datasheet
TRANS 900-1215MHZ 1000W 52V
        
    TRANS 900-1215MHZ 1000W 52V
        
    TRANS 960-1215MHZ 1000W PEAK 50V
        
    TRANS 900-1215MHZ 1000W PEAK 50V
        
    TRANS 960-1215MHZ 1000W PEAK 50V
        
    TRANS 900-1215MHZ 1000W 52V
        
    TRANS 900-1215MHZ 1000W 52V