ANALOG L POWER BY
DEVICES ‘ D LII‘IENQ.”
LTM4644/ LTM4644—1
Q 2232
m;
’11}
3:3
LTM4644/LTM4644-1
1
Rev. F
For more information www.analog.com
n Quad Output Step-Down µModule
®
Regulator with 4A
per Output
n Wide Input Voltage Range: 4V to 14V
n 2.375V to 14V with External Bias
n 0.6V to 5.5V Output Voltage
n 4A DC, 5A Peak Output Current Each Channel
n Up to 5.5W Power Dissipation (TA = 60°C, 200 LFM,
No Heat Sink)
n ±1.5% Total Output Voltage Regulation
n Current Mode Control, Fast Transient Response
n Parallelable for Higher Output Current
n Output Voltage Tracking
n Internal Temperature Sensing Diode Output
n External Frequency Synchronization
n Overvoltage, Current and Temperature Protection
n 9mm × 15mm × 5.01mm BGA Package
TYPICAL APPLICATION
FEATURES DESCRIPTION
Quad DC/DC µModule
Regulator with Configurable 4A Output Array
The LT M
®
4644/LTM4644-1 is a quad DC/DC step-down
µModule (micromodule) regulator with 4A per output.
Outputs can be paralleled in an array for up to 16A capabil-
ity. Included in the package are the switching controllers,
power FETs, inductors and support components. Operating
over an input voltage range of 4V to 14V or 2.375V to 14V
with an external bias supply, the LTM4644/LTM4644-1
supports an output voltage range of 0.6V to 5.5V. Its
high efficiency design delivers 4A continuous (5A peak)
output current per channel. Only bulk input and output
capacitors are needed.
LTM4644 LTM4644-1
Top Feedback Resistor
from VOUT-to-VFB
(one resistor per channel)
Integrated
60.4k 0.5%
Resistor
External (to be added on
PCB)
Application General
Applications
To Interface with
PMBus power system
management supervisory
ICs such as the LTC2975
Configurable Output Array*
4A
4A
4A
4A
8A
4A
4A
12A
4A
16A
* Note 4
Click to view associated TechClip Videos.
1.5V Output Efficiency and
Power Loss (Each Channel)
APPLICATIONS
n Multirail Point of Load Regulation
n FPGAs, DSPs and ASICs Applications
4V to 14V Input, Quad 0.9V, 1V, 1.2V and 1.5V Output DC/DC µModule Regulator*
All registered trademarks and trademarks are the property of their respective owners.
4644 TA01a
VIN1
SVIN1
RUN1
VIN2
SVIN2
RUN2
VIN3
SVIN3
RUN3
VIN4
SVIN4
RUN4
SGND
LTM4644
CLKIN
22µF
×2
16V
CLKOUT
TEMP GND
VOUT1
FB1
PGOOD1
VOUT2
FB2
PGOOD2
VOUT3
FB3
PGOOD3
VOUT4
FB4
PGOOD4
47µF
4V
1.5V/4A4V to 14V
40.2k
47µF
4V
1.2V/4A
60.4k
47µF
4V
1V/4A
90.9k
47µF
4V
0.9V/4A
121k
*TA = 60°C, 200LFM, NO HEAT SINK
LOAD CURRENT (A)
0
55
EFFICIENCY (%)
POWER LOSS (W)
75
80
85
95
1
4644 TA01b
70
65
60
90
0
0.5
1
2
1.5
42 3
VIN = 5V
VIN = 12V
Document Feedback
LTM4644/LTM4644—1
E‘fléw: J;
LTM4644/LTM4644-1
2
Rev. F
For more information www.analog.com
ABSOLUTE MAXIMUM RATINGS
VIN, SVIN (Per Channel) .............................. –0.3V to 15V
VOUT (Per Channel) (Note 3) ............–0.3V to SVIN or 6V
RUN (Per Channel) ..................................... –0.3V to 15V
INTVCC (Per Channel) ............................... –0.3V to 3.6V
PGOOD, MODE, TRACK/SS,
FB (Per Channel) ................................... –0.3V to INTVCC
CLKOUT (Note 3), CLKIN .......................–0.3V to INTVCC
Internal Operating Temperature Range (Note 2, 5)
E and I-Grade ..................................... –40°C to 125°C
MP-Grade .......................................... –55°C to 125°C
Storage Temperature Range .................. –65°C to 150°C
Peak Solder Reflow Body Temperature ................. 245°C
(Note 1)
BGA PACKAGE
77-LEAD (9mm × 15mm × 5.01mm)
1234567
B
C
D
E
F
G
H
J
K
L
A
TOP VIEW
VOUT1
SVIN1
MODE1
RUN1
COMP1
INTVCC1
GND
PGOOD2 PGOOD1
INTVCC2
PGOOD3 TEMP
INTVCC3
PGOOD4 CLKOUT
FB1
TRACK/SS1
GND
CLKIN
TRACK/SS2
FB2
RUN2
SGND
TRACK/SS3
FB3
TRACK/SS4
INTVCC4
RUN4
MODE2
SVIN2
COMP2
RUN3
FB4
MODE3
SVIN3
COMP3
COMP4
MODE4SVIN4
VIN4
VIN1
GND
GND
GND
VIN3
VIN2
VOUT4
VOUT3
VOUT2
TJMAX = 125°C, θJCtop = 17°C/W, θJCbottom = 2.75°C/W,
θJB + θBA = 11°C/W, θJA = 10°C/W
θ VALUES PER JESD 51-12
WEIGHT = 1.9g
PIN CONFIGURATION
PART NUMBER PAD OR BALL FINISH
PART MARKING* PACKAGE
TYPE
MSL
RATING
TEMPERATURE RANGE
(SEE NOTE 2)DEVICE FINISH CODE
LT M 4644EY#PBF SAC305 (RoHS) LT M 4644Y e1 BGA 3 –40°C to 125°C
LT M 4644IY#PBF SAC305 (RoHS) LT M 4644Y e1 BGA 3 –40°C to 125°C
LT M 4644MPY#PBF SAC305 (RoHS) LT M 4644Y e1 BGA 3 –55°C to 125°C
LT M 4644IY SnPb (63/37) LT M 4644Y e0 BGA 3 –40°C to 125°C
LT M 4644MPY SnPb (63/37) LT M 4644Y e0 BGA 3 –55°C to 125°C
LT M 4644EY-1#PBF SAC305 (RoHS) LT M 4644Y-1 e1 BGA 3 –40°C to 125°C
LT M 4644IY-1#PBF SAC305 (RoHS) LT M 4644Y-1 e1 BGA 3 –40°C to 125°C
LT M 4644IY-1 SnPb (63/37) LT M 4644Y-1 e0 BGA 3 –40°C to 125°C
Note: The LTM4644-1 does not include the internal top feedback resistor.
• Contact the factory for parts specified with wider operating temperature
ranges. *Pad or ball finish code is per IPC/JEDEC J-STD-609.
• Recommended LGA and BGA PCB Assembly and Manufacturing
Procedures
• LGA and BGA Package and Tray Drawings
ORDER INFORMATION
LTM4644/ LTM4644—1
LTM4644/LTM4644-1
3
Rev. F
For more information www.analog.com
ELECTRICAL CHARACTERISTICS
The l denotes the specifications which apply over the full operating
temperature range, otherwise specifications are at TA = 25°C (Note 2). VIN = 12V, per the typical application.
SYMBOL PARAMETER CONDITIONS MIN TYP MAX UNITS
Switching Regulator Section: per Channel
VIN, SVIN Input DC Voltage SVIN = VIN l4 14 V
VOUT(RANGE) Output Voltage Range l0.6 5.5 V
VOUT(DC) Output Voltage, Total Variation
with Line and Load
CIN = 22µF, COUT = 100µF Ceramic,
MODE = INTVCC,VIN = 4V to 14V, IOUT = 0A to 4A (Note 4)
LTM4644: RFB(BOT) = 40.2k
LTM4644-1: RFB(TOP) = 60.4k, RFB(BOT) = 40.2k
l
1.477
1.50
1.523
V
VRUN RUN Pin On Threshold VRUN Rising 1.1 1.2 1.3 V
IQ(SVIN) Input Supply Bias Current VIN = 12V, VOUT = 1.5V, MODE = INTVCC
VIN = 12V, VOUT = 1.5V, MODE = GND
Shutdown, RUN = 0, VIN = 12V
6
2
11
mA
mA
µA
IS(VIN) Input Supply Current VIN = 12V, VOUT = 1.5V, IOUT = 4A 0.62 A
IOUT(DC) Output Continuous Current Range VIN = 12V, VOUT = 1.5V (Note 4) 0 4 A
ΔVOUT (Line)/VOUT Line Regulation Accuracy VOUT = 1.5V, VIN = 4V to 14V, IOUT = 0A l0.04 0.15 %/V
ΔVOUT (Load)/VOUT Load Regulation Accuracy VOUT = 1.5V, IOUT = 0A to 4A l0.5 1 %
VOUT(AC) Output Ripple Voltage IOUT = 0A, COUT = 100µF Ceramic, VIN = 12V,
VOUT = 1.5V
5 mV
ΔVOUT(START) Turn-On Overshoot IOUT = 0A, COUT = 100µF Ceramic, VIN = 12V,
VOUT = 1.5V
30 mV
tSTART Turn-On Time COUT = 100µF Ceramic, No Load, TRACK/SS = 0.01µF,
VIN = 12V, VOUT = 1.5V
2.5 ms
ΔVOUTLS Peak Deviation for Dynamic Load Load: 0% to 50% to 0% of Full Load, COUT = 47µF
Ceramic, VIN = 12V, VOUT = 1.5V
160 mV
tSETTLE Settling Time for Dynamic Load
Step
Load: 0% to 50% to 0% of Full Load, COUT = 47µF
Ceramic, VIN = 12V, VOUT = 1.5V
40 µs
IOUTPK Output Current Limit VIN = 12V, VOUT = 1.5V 6 7 A
VFB Voltage at FB Pin IOUT = 0A, VOUT = 1.5V, 0°C to 125°C
IOUT = 0A, VOUT = 1.5V, –40°C to 125°C
l
0.594
0.592
0.60
0.60
0.606
0.608
V
V
IFB Current at FB Pin (Note 3) ±30 nA
RFBHI Resistor Between VOUT and FB
Pins
LTM4644 Only 60.05 60.40 60.75 kΩ
ITRACK/SS Track Pin Soft-Start Pull-Up
Current
TRACK/SS = 0V 2.5 4 µA
VIN(UVLO) VIN Undervoltage Lockout VIN Falling
VIN Hysteresis
2.4 2.6
350
2.8 V
mV
tON(MIN) Minimum On-Time (Note 3) 40 ns
tOFF(MIN) Minimum Off-Time (Note 3) 70 ns
VPGOOD PGOOD Trip Level VFB With Respect to Set Output
VFB Ramping Negative
VFB Ramping Positive
–13
7
–10
10
–7
13
%
%
IPGOOD PGOOD Leakage 2 µA
VPGL PGOOD Voltage Low IPGOOD = 1mA 0.02 0.1 V
VINTVCC Internal VCC Voltage SVIN = 4V to 14V 3.2 3.3 3.4 V
VINTVCC Load Reg INTVCC Load Regulation ICC = 0mA to 20mA 0.5 %
fOSC Oscillator Frequency 1 MHz
CLKIN CLKIN Threshold 0.7 V
LTM4644/ LTM4644—1
LTM4644/LTM4644-1
4
Rev. F
For more information www.analog.com
1.0V Output Transient Response 1.5V Output Transient Response 2.5V Output Transient Response
Efficiency vs Load Current from
5VIN (One Channel Operating)
Efficiency vs Load Current from
12VIN (One Channel Operating)
DCM Mode Efficiency from
1.5VOUT
ELECTRICAL CHARACTERISTICS
Note 1: Stresses beyond those listed under Absolute Maximum Ratings
may cause permanent damage to the device. Exposure to any Absolute
Maximum Rating condition for extended periods may affect device
reliability and lifetime.
Note 2: The LTM4644E/LTM4644E-1 is tested under pulsed load
conditions such that TJ ≈ TA. The LTM4644E/LTM4644-1 is guaranteed to
meet performance specifications over the 0°C to 125°C internal operating
temperature range. Specifications over the full –40°C to 125°C internal
operating temperature range are assured by design, characterization and
correlation with statistical process controls. The LTM4644I/LTM4644I-1
is guaranteed to meet specifications over the full –40°C to 125°C internal
operating temperature range. The LTM4644MP/LTM4644MP-1 is tested
and guaranteed over full –55°C to 125°C internal operating temperature
range. Note that the maximum ambient temperature consistent with
these specifications is determined by specific operating conditions in
conjunction with board layout, the rated package thermal resistance and
other environmental factors.
Note 3: 100% tested at wafer level.
Note 4: See output current derating curves for different VIN, VOUT and TA.
Note 5: This IC includes overtemperature protection that is intended
to protect the device during momentary overload conditions. Junction
temperature will exceed 125°C when overtemperature protection is active.
Continuous operation above the specified maximum operating junction
temperature may impair device reliability.
TYPICAL PERFORMANCE CHARACTERISTICS
LOAD CURRENT (A)
0
70
EFFICIENCY (%)
75
85
90
95
100
1
4644 G01
80
4
23
3.3VOUT
2.5VOUT
1.8VOUT
1.5VOUT
1.2VOUT
LOAD CURRENT (A)
0
65
EFFICIENCY (%)
70
80
85
90
95
1
4644 G02
75
4
23
5VOUT
3.3VOUT
2.5VOUT
1.8VOUT
1.5VOUT
1.2VOUT
LOAD CURRENT (A)
0.001
0
EFFICIENCY (%)
20
30
40
100
0.01
4644 G03
10
50
60
70
80
90
100.1 1
5VIN
12VIN
20µs/DIV
LOAD STEP
1A/DIV
4644 G04
VOUT
50mV/DIV
AC-COUPLED
VIN = 12V, VOUT = 1V, IOUT = 3A TO 4A, 1A/µs
CFF = 10pF
OUTPUT CAPACITOR = 1 • 47µF CERAMIC
(Per Channel)
20µs/DIV
LOAD STEP
1A/DIV
4644 G05
VOUT
50mV/DIV
AC-COUPLED
VIN = 12V, VOUT = 1.5V, IOUT = 3A TO 4A, 1A/µs
CFF = 10pF
OUTPUT CAPACITOR = 1 • 47µF CERAMIC
20µs/DIV
LOAD STEP
1A/DIV
4644 G06
VOUT
50mV/DIV
AC-COUPLED
VIN = 12V, VOUT = 2.5V, IOUT = 3A TO 4A, 1A/µs
CFF = 10pF
OUTPUT CAPACITOR = 1 • 47µF CERAMIC
LTM4644/ LTM4644—1
LTM4644/LTM4644-1
5
Rev. F
For more information www.analog.com
TYPICAL PERFORMANCE CHARACTERISTICS
3.3V Output Transient Response 5V Output Transient Response Start-Up with No Load
Start-Up with 4A Load Short-Circuit with No Load Short-Circuit with 4A Load
20µs/DIV
LOAD STEP
1A/DIV
4644 G08
VOUT
50mV/DIV
AC-COUPLED
VIN = 12V, VOUT = 5V, IOUT = 3A TO 4A, 1A/µs
OUTPUT CAPACITOR = 47µF CERAMIC
5ms/DIV 4644 G09
IIN
0.1A/DIV
VOUT
0.5V/DIV
VIN = 12V, VOUT = 1.5V
INPUT CAPACITOR = 150µF SANYO ELECTROLYTIC
CAPACITOR (OPTIONAL) + 22µF CERAMIC CAPACITOR
OUTPUT CAPACITOR = 47µF CERAMIC CAPACITOR
SOFT-START CAPACITOR = 0.1µF
5ms/DIV 4644 G10
IIN
0.2A/DIV
VOUT
0.5V/DIV
VIN = 12V, VOUT = 1.5V
INPUT CAPACITOR = 150µF SANYO ELECTROLYTIC
CAPACITOR (OPTIONAL) + 22µF CERAMIC CAPACITOR
OUTPUT CAPACITOR = 47µF CERAMIC CAPACITOR
SOFT-START CAPACITOR = 0.1µF
20µs/DIV 4644 G11
IIN
0.5A/DIV
VOUT
0.5V/DIV
VIN = 12V, VOUT = 1.5V
INPUT CAPACITOR = 150µF SANYO ELECTROLYTIC
CAPACITOR (OPTIONAL) + 22µF CERAMIC CAPACITOR
OUTPUT CAPACITOR = 47µF CERAMIC CAPACITOR
20µs/DIV 4644 G12
IIN
0.5A/DIV
VOUT
0.5V/DIV
VIN = 12V, VOUT = 1.5V
INPUT CAPACITOR = 150µF SANYO ELECTROLYTIC
CAPACITOR (OPTIONAL) + 22µF CERAMIC CAPACITOR
OUTPUT CAPACITOR = 47µF CERAMIC CAPACITOR
20µs/DIV
LOAD STEP
1A/DIV
4644 G07
VOUT
50mV/DIV
AC-COUPLED
VIN = 12V, VOUT = 3.3V, IOUT = 3A TO 4A, 1A/µs
OUTPUT CAPACITOR = 47µF CERAMIC
Recovery to No Load from
Short-Circuit Output Ripple Start Into Pre-Biased Output
IOUT
20A/DIV
VOUT
200mV/DIV
VIN = 12V
VOUT = 1V
INPUT CAPACITOR = 22µF SANYO ELECTROLYTIC
CAPACITOR (OPTIONAL) + 2× 22µF CERAMIC CAP.
OUTPUT CAPACITOR = 2× 47µF CERAMIC CAP.
SOFT-START CAPACITOR = 0.1µF
5µs/DIV 4644 G13
5mV/DIV
AC-COUPLED
VIN = 12V
VOUT = 1.5V
INPUT CAPACITOR = 22µF SANYO ELECTROLYTIC
CAPACITOR (OPTIONAL) + 2× 22µF CERAMIC CAP.
OUTPUT CAPACITOR = 2× 47µF CERAMIC CAP.
SOFT-START CAPACITOR = 0.1µF
20MHz MEASUREMENT BANDWIDTH
500µs/DIV 4644 G14
VIN
2V/DIV
VOUT
1V/DIV
VIN = 12V
VOUT = 5V
INPUT CAPACITOR = 22µF SANYO ELECTROLYTIC
CAPACITOR (OPTIONAL) + 2× 22µF CERAMIC CAP.
OUTPUT CAPACITOR = 2× 47µF CERAMIC CAP.
SOFT-START CAPACITOR = 0.1µF
1µs/DIV 4644 G15
LTM4644/LTM4644—1
A
LTM4644/LTM4644-1
6
Rev. F
For more information www.analog.com
PIN FUNCTIONS
VOUT1 (A1, A2, A3), VOUT2 (C1, D1, D2), VOUT3 (F1,
G1, G2), VOUT4 (J1, K1, K2): Power Output Pins of Each
Switching Mode Regulator Channel. Apply output load
between these pins and GND pins. Recommend placing
output decoupling capacitance directly between these pins
and GND pins. See the Applications Information section
for paralleling outputs.
GND (A4-A5, B1-B2, C5, D3-D5, E1-E2, F5, G3-G5,
H1-H2, J5, K3-K4, L1-L2): Power Ground Pins for Both
Input and Output Returns. Use large PCB copper areas to
connect all GND together.
VIN1 (B3, B4), VIN2 (E3, E4), VIN3 (H3, H4), VIN4 (L3, L4):
Power input pins connect to the drain of the internal top
MOSFET for each switching mode regulator channel.
Apply input voltages between these pins and GND pins.
Recommend placing input decoupling capacitance directly
between each of VIN pins and GND pins.
PGOOD1, PGOOD2, PGOOD3, PGOOD4 (C3, C2, F2,
J2): Output Power Good with Open-Drain Logic of Each
Switching Mode Regulator Channel. PGOOD is pulled to
ground when the voltage on the FB pin is not within ±10%
of the internal 0.6V reference.
CLKOUT (J3): Output Clock Signal for PolyPhase
®
Opera-
tion of the Module. The phase of CLKOUT with respect to
CLKIN is set to 180°. CLKOUT’s peak-to-peak amplitude
is INTVCC to GND. See the Application Information section
for details. Strictly output; do not drive this pin.
INTVCC1, INTVCC2, INTVCC3, INTVCC4 (C4, F4, J4, K5):
Internal 3.3V Regulator Output of Each Switching Mode
Regulator Channel. The internal power drivers and con-
trol circuits are powered from this voltage. Each pin is
internally decoupled to GND with 1µF low ESR ceramic
capacitor already.
SVIN1, SVIN2, SVIN, SVIN4 (B5, E5, H5, L5): Signal VIN.
Filtered input voltage to the internal 3.3V regulator for
the control circuitry of each Switching mode Regulator
Channel. Tie this pin to the VIN pin respectively in most
applications. Connect SVIN to an external voltage supply
of at least 4V which must also be greater than VOUT.
TRACK/SS1, TRACK/SS2, TRACK/SS3, TRACK/SS4 (A6,
D6, G6, K6): Output Tracking and Soft-Start Pin of Each
Switching Mode Regulator Channel. Allows the user to
control the rise time of the output voltage. Putting a volt-
age below 0.6V on this pin bypasses the internal reference
input to the error amplifier, instead it servos the FB pin
to match the TRACK voltage. Above 0.6V, the tracking
function stops and the internal reference resumes control
of the error amplifier. There’s an internal 2.5µA pull-up
current from INTVCC on this pin, so putting a capacitor
here provides soft-start function.
MODE1, MODE2, MODE3, MODE4 (B6, E6, H6, L6):
Operation Mode Select for Each Switching Mode Regula-
tor Channel. Tie this pin to INTVCC to force continuous
synchronous operation at all output loads. Tying it to
SGND enables discontinuous current mode operation at
light loads. Do not leave floating.
RUN1, RUN2, RUN3, RUN4 (C6, F6, J6, K7): Run Control
Input of Each Switching Mode Regulator Channel. Enable
regulator operation by tying the specific RUN pin above
1.2V. Pulling it below 1.1V shuts down the respective
regulator channel. Do not leave floating.
FB1, FB2, FB3, FB4 (A7, D7, G7, J7): The Negative Input
of the Error Amplifier for Each Switching Mode Regulator
Channel. Internally, in LTM4644, this pin is connected to
VOUT of each channel with a 60.4kΩ precision resistor.
Different output voltages can be programmed with an
additional resistor between the FB and GND pins for the
LTM4644, and two resistors between the VOUT, FB and
GND pins for the LTM4644-1. In PolyPhase operation, tying
the FB pins together allows for parallel operation. See the
Applications Information section for details.
PACKAGE ROW AND COLUMN LABELING M AY VARY
AMONG µModule PRODUCTS. REVIEW EACH PACKAGE
LAYOUT CAREFULLY.
LTM4644/ LTM4644—1
LTM4644/LTM4644-1
7
Rev. F
For more information www.analog.com
PIN FUNCTIONS
COMP1, COMP2, COMP3, COMP4 (B7, E7, H7, L7): Cur-
rent Control Threshold and Error Amplifier Compensation
Point of Each Switching Mode Regulator Channel. The
internal current comparator threshold is proportional to
this voltage. Tie the COMP pins together for parallel opera-
tion. The device is internally compensated.
CLKIN (C7): External Synchronization Input to Phase
Detector of the Module. This pin is internally terminated
to SGND with 20kΩ. The phase-locked loop will force
the channel 1 turn-on signal to be synchronized with the
rising edge of the CLKIN signal. Channel 2, channel 3 and
channel 4 will also be synchronized with the rising edge of
the CLKIN signal with a pre-determined phase shift. See
the Applications Information section for details.
SGND (F7): Signal Ground Connection. SGND is connected
to GND internally through single point. Use a separated
SGND ground copper area for the ground of the feedback
resistor and other components connected to signal pins.
A second connection between the PGND plane and SGND
plane is recommended on the backside of the PCB under-
neath the module.
TEMP (F3): Onboard Temperature Diode for Monitoring
the VBE Junction Voltage Change with Temperature. See
the Applications Information section.
LTM4644/LTM4644—1
LTM4644/LTM4644-1
8
Rev. F
For more information www.analog.com
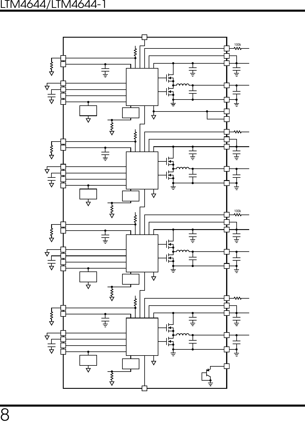
BLOCK DIAGRAM
4644 BD
POWER CONTROL
CLKOUT
FB1
CLKIN
MODE1
TRACK/SS1
RUN1
COMP1
INTVCC1
INTERNAL
FILTER
INTERNAL
COMP
VOUT1
1µF
0.22µF
1µH
100k
100k
100k
100k
10µF
47µF
FREQ1
162k
60.4k
(*LTM4644 ONLY)
60.4k
(*LTM4644 ONLY)
60.4k
(*LTM4644 ONLY)
60.4k
(*LTM4644 ONLY)
60.4k
0.1µF
VIN
4V TO 14V
VOUT1
1.2V
4A
INTVCC1
PGOOD1
SVIN1
VIN1
VOUT1
GND
SGND
GND
POWER CONTROL
FB2
MODE2
TRACK/SS2
RUN2
COMP2
INTVCC2
INTERNAL
FILTER
INTERNAL
COMP
VOUT2
1µF
0.22µF
1µH
10µF
47µF
FREQ2
162k
40.2k
0.1µF
VIN
VOUT2
1.5V
4A
INTVCC2
PGOOD2
SVIN2
VIN2
VOUT2
GND
POWER CONTROL
FB3
MODE3
TRACK/SS3
RUN3
COMP3
INTVCC3
INTERNAL
FILTER
INTERNAL
COMP
VOUT3
1µF
0.22µF
1µH
10µF
47µF
FREQ3
162k
30.1k
0.1µF
VIN
VOUT3
1.8V
4A
INTVCC3
PGOOD3
SVIN3
VIN3
VOUT3
GND
POWER CONTROL
FB4
MODE4
TRACK/SS4
RUN4
COMP4
INTVCC4
INTERNAL
FILTER
INTERNAL
COMP
VOUT4
1µF
0.22µF
1µH
10µF
47µF
1µF
FREQ4
162k
90.9k
0.1µF
VIN
VOUT4
1V
4A
INTVCC4
PGOOD4
SVIN4
VIN4
VOUT4
GND
TEMP
CLKOUT
*LTM4644-1 DOES NOT INCLUDE 60.4k RESISTOR
CLKOUT
CLKIN
CLKOUT
CLKIN
CLKOUT
CLKIN
1µF
1µF
1µF
LTM4644/ LTM4644—1
LTM4644/LTM4644-1
9
Rev. F
For more information www.analog.com
SYMBOL PARAMETER CONDITIONS MIN TYP MAX UNITS
CIN External Input Capacitor Requirement
(VIN = 4V to 14V, VOUT = 1.5V)
IOUT = 4A 4.7 10 µF
COUT External Output Capacitor Requirement
(VIN = 4V to 14V, VOUT = 1.5V)
IOUT = 4A 22 47 µF
DECOUPLING REQUIREMENTS
OPERATION
The LTM4644 is a quad output standalone non-isolated
switch mode DC/DC power supply. It has four separate
regulator channels with each of them capable of delivering
up to 4A continuous output current with few external input
and output capacitors. Each regulator provides precisely
regulated output voltage programmable from 0.6V to 5.5V
via a single external resistor (two resistors for LTM4644-1)
over 4V to 14V input voltage range. With an external bias
voltage, this module can operate from an input voltage
as low as 2.375V. The typical application schematic is
shown in Figure 33.
The LTM4644 integrates four separate constant frequency
controlled on-time valley current mode regulators, power
MOSFETs, inductors, and other supporting discrete com-
ponents. The typical switching frequency is set to 1MHz.
For switching noise-sensitive applications, the µModule
regulator can be externally synchronized to a clock from
700kHz to 1.3MHz. See the Applications Information
section.
With current mode control and internal feedback loop
compensation, the LTM4644 module has sufficient stabil-
ity margins and good transient performance with a wide
range of output capacitors, even with all ceramic output
capacitors.
Current mode control provides the flexibility of paralleling
any of the separate regulator channels with accurate cur-
rent sharing. With a built-in clock interleaving between
each two regulator channels, the LTM4644 could easily
employ a 2+2, 3+1 or 4 channels parallel operation which
is more than flexible in a multirail POL application like
FPGA. Furthermore, the LTM4644 has CLKIN and CLK-
OUT pins for frequency synchronization or polyphasing
multiple devices which allow up to 8 phases cascaded to
run simultaneously.
Current mode control also provides cycle-by-cycle fast
current monitoring. Foldback current limiting is provided
in an overcurrent condition to reduce the inductor valley
current to approximately 40% of the original value when
VFB drops. An internal overvoltage and undervoltage
comparators pull the open-drain PGOOD output low if
the output feedback voltage exits a ±10% window around
the regulation point. Continuous conduction mode (CCM)
operation is forced during OV and UV conditions except
during start-up when the TRACK pin is ramping up to 0.6V.
Pulling the RUN pin below 1.1V forces the controller into
its shutdown state, turning off both power MOSFETs and
most of the internal control circuitry. At light load cur-
rents, discontinuous conduction mode (DCM) operation
can be enabled to achieve higher efficiency compared to
continuous conduction mode (CCM) by setting the MODE
pin to SGND. The TRACK/SS pin is used for power supply
tracking and soft-start programming. See the Applications
Information section.
A temperature diode is included inside the module to moni-
tor the temperature of the module. See the Applications
Information section for details.
(per Channel)
LTM4644/LTM4644—1
60.4k
Vour
‘IO
LTM4644/LTM4644-1
10
Rev. F
For more information www.analog.com
APPLICATIONS INFORMATION
The typical LTM4644 application circuit is shown in
Figure 33. External component selection is primarily
determined by the input voltage, the output voltage and
the maximum load current. Refer to Table 7 for specific
external capacitor requirements for a particular application.
VIN to VOUT Step-Down Ratios
There are restrictions in the maximum VIN and VOUT step-
down ratio that can be achieved for a given input voltage
due to the minimum off-time and minimum on-time limits
of each regulator. The minimum off-time limit imposes a
maximum duty cycle which can be calculated as:
DMAX = 1 – tOFF(MIN) • fSW
where tOFF(MIN) is the minimum off-time, 70ns typical for
LTM4644, and fSW is the switching frequency. Conversely
the minimum on-time limit imposes a minimum duty cycle
of the converter which can be calculated as:
DMIN = tON(MIN) • fSW
where tON(MIN) is the minimum on-time, 40ns typical for
LTM4644. In the rare cases where the minimum duty
cycle is surpassed, the output voltage will still remain
in regulation, but the switching frequency will decrease
from its programmed value. Note that additional thermal
derating may be applied. See the Thermal Considerations
and Output Current Derating section in this data sheet.
Output Voltage Programming (LTM4644)
The PWM controller has an internal 0.6V reference voltage.
As shown in the Block Diagram, a 60.4k internal feedback
resistor connects each regulator channel from VOUT pin
to FB pin. Adding a resistor RFB(BOT) from FB pin to GND
programs the output voltage:
RFB(BOT) =
60.4k
VOUT
0.6 −1
Table 1. VFB Resistor Table vs Various Output Voltages
VOUT (V) 0.6 1.0 1.2 1.5 1.8 2.5 3.3 5.0
RFB(BOT) (k) Open 90.9 60.4 40.2 30.1 19.1 13.3 8.25
For parallel operation of N channels, use the following
equation can be used to solve for RFB(BOT). Tie the VOUT
and the FB and COMP pins together for each paralleled
output with a single resistor to GND as determined by:
RFB(BOT) =
60.4k
N
⎛
⎝
⎜⎞
⎠
⎟
VOUT
0.6 −1
⎛
⎝
⎜⎞
⎠
⎟
OUTPUT VOLTAGE PROGRAMMING (LTM4644-1)
The PWM controller has an internal 0.6V reference voltage.
Adding two resistors RFB(TOP) from VOUT to FB pin and
RFB(BOT) from FB pin to GND programs the output voltage:
RFB(BOT) =
R
FB(TOP)
VOUT
0.6
–1
For parallel operation of N Channels, only one set of
RFB(TOP) and RFB(BOT) is needed while tying the VOUT, FB
and COMP pins from different channels together. See
Figure 1 for example.
Figure 1. LTM4644-1 Feedback Resistor
for Paralleling Application
4644 F01
LTM4644-1
COMP3
RFB(TOP)
RFB(BOT)
VOUT1
FB1
COMP1
VOUT2
FB2
COMP2
VOUT3
FB3
LTM4644 LTM4644-1
Top Feedback Resistor
from VOUT-to-VFB
(one resistor per channel)
Integrated
60.4k 0.5%
Resistor
External (to be added on
PCB)
Application General
Applications
To Interface with
PMBus power system
management supervisory
ICs such as the LTC2975
D'(1rD)
LTM4644/ LTM4644—1
‘I‘I
LTM4644/LTM4644-1
11
Rev. F
For more information www.analog.com
APPLICATIONS INFORMATION
Input Decoupling Capacitors
The LTM4644 module should be connected to a low ac-
impedance DC source. For each regulator channel, a 10µF
input ceramic capacitor is recommended for RMS ripple
current decoupling. A bulk input capacitor is only needed
when the input source impedance is compromised by long
inductive leads, traces or not enough source capacitance.
The bulk capacitor can be an electrolytic aluminum capaci-
tor or polymer capacitor.
Without considering the inductor ripple current, the RMS
current of the input capacitor can be estimated as:
ICIN(RMS) =
I
OUT(MAX)
η%• D •(1−D)
where η% is the estimated efficiency of the power module.
Output Decoupling Capacitors
With an optimized high frequency, high bandwidth design,
only single piece of low ESR output ceramic capacitor is
required for each regulator channel to achieve low output
voltage ripple and very good transient response. Additional
output filtering may be required by the system designer,
if further reduction of output ripples or dynamic transient
spikes is required. Table 7 shows a matrix of different
output voltages and output capacitors to minimize the
voltage droop and overshoot during a 2A load step tran-
sient. Multiphase operation will reduce effective output
ripple as a function of the number of phases. Application
Note 77 discusses this noise reduction versus output ripple
current cancellation, but the output capacitance will be
more a function of stability and transient response. The
LTpowerCAD™ Design Tool is available to download online
for output ripple, stability and transient response analysis
and calculating the output ripple reduction as the number
of phases implemented increases by N times.
Discontinuous Conduction Mode (DCM)
In applications where low output ripple and high efficiency
at intermediate current are desired, discontinuous con-
duction mode (DCM) should be used by connecting the
MODE pin to SGND. At light loads the internal current
comparator may remain tripped for several cycles and
force the top MOSFET to stay off for several cycles, thus
skipping cycles. The inductor current does not reverse
in this mode.
Force Continuous Conduction Mode (CCM)
In applications where fixed frequency operation is more
critical than low current efficiency, and where the lowest
output ripple is desired, forced continuous conduction
mode operation should be used. Forced continuous opera-
tion can be enabled by tying the MODE pin to INTVCC. In
this mode, inductor current is allowed to reverse during
low output loads, the COMP voltage is in control of the
current comparator threshold throughout, and the top
MOSFET always turns on with each oscillator pulse. During
start-up, forced continuous mode is disabled and inductor
current is prevented from reversing until the LTM4644’s
output voltage is in regulation.
Operating Frequency
The operating frequency of the LTM4644 is optimized to
achieve the compact package size and the minimum output
ripple voltage while still keeping high efficiency. The default
operating frequency is internally set to 1MHz. In most ap-
plications, no additional frequency adjusting is required.
If any operating frequency other than 1MHz is required
by application, the µModule regulator can be externally
synchronized to a clock from 700kHz to 1.3MHz.
Frequency Synchronization and Clock In
The power module has a phase-locked loop comprised
of an internal voltage controlled oscillator and a phase
detector. This allows all internal top MOSFET turn-on to
be locked to the rising edge of the same external clock.
The external clock frequency range must be within ±30%
around the 1MHz set frequency. A pulse detection circuit
is used to detect a clock on the CLKIN pin to turn on the
phase-locked loop. The pulse width of the clock has to
be at least 400ns. The clock high level must be above 2V
and clock low level below 0.3V. During the start-up of
the regulator, the phase-locked loop function is disabled.
LTM4644/LTM4644—1
12
955
LTM4644/LTM4644-1
12
Rev. F
For more information www.analog.com
APPLICATIONS INFORMATION
Multichannel Parallel Operation
For loads that demand more than 4A of output current,
the LTM4644 multiple regulator channels can be easily
paralleled to provide more output current without increas-
ing input and output voltage ripples. The LTM4644 has
preset built-in phase shift between each two of the four
regulator channels which is suitable to employ a 2+2, 3+1
or 4 channels parallel operation. Table 2 gives the phase
difference between regulator channels.
Table 2. Phase Difference Between Regulator Channels
CHANNEL CH1 CH2 CH3 CH4
Phase Difference 180° 90° 180°
Figure 2 shows a 2+2 and a 4-channels parallel concept
schematic for clock phasing.
Figure 2. 2+2 and 4 Channels Parallel Concept Schematic
4644 F02
FB1
TRACK/SS1
COMP1
RUN1
VOUT1
CH1
(0°)
FB2
TRACK/SS2
COMP2
RUN2
VOUT2
LTM4644
8A 8A
CH2
(180°)
180°
FB3
TRACK/SS3
COMP3
RUN3
VOUT3
CH3
(0°)
FB4
TRACK/SS4
COMP4
RUN4
VOUT4
CH4
(180°)
180°
FB1
TRACK/SS1
COMP1
RUN1
VOUT1
CH1
(0°)
FB2
TRACK/SS2
COMP2
RUN2
VOUT2
LTM4644
16A
CH2
(180°)
180°
FB3
TRACK/SS3
COMP3
RUN3
VOUT3
CH3
(270°)
FB4
TRACK/SS4
COMP4
RUN4
VOUT4
CH4
(90°)
180°90°
A multiphase power supply significantly reduces the
amount of ripple current in both the input and output ca-
pacitors. The RMS input ripple current is reduced by, and
the effective ripple frequency is multiplied by, the number
of phases used (assuming that the input voltage is greater
than the number of phases used times the output voltage).
The output ripple amplitude is also reduced by the number
of phases used when all of the outputs are tied together
to achieve a single high output current design.
The LTM4644 device is an inherently current mode con-
trolled device, so parallel modules will have very good
current sharing. This will balance the thermals on the
design. Please tie the RUN, TRACK/SS, FB and COMP
pins of each paralleling channel together. Figure 35 and
Figure 36 shows an example of parallel operation and pin
connection.
Input RMS Ripple Current Cancellation
Application Note 77 provides a detailed explanation of
multiphase operation. The input RMS ripple current can-
cellation mathematical derivations are presented, and a
graph is displayed representing the RMS ripple current
reduction as a function of the number of interleaved phases.
Figure 3 shows this graph.
Soft-Start and Output Voltage Tracking
The TRACK/SS pin provides a means to either soft-start
of each regulator channel or track it to a different power
supply. A capacitor on the TRACK/SS pin will program the
ramp rate of the output voltage. An internal 2.5µA current
source will charge up the external soft-start capacitor
towards the INTVCC voltage. When the TRACK/SS voltage
is below 0.6V, it will take over the internal 0.6V reference
voltage to control the output voltage. The total soft-start
time can be calculated as:
tSS =0.6 •
C
SS
2.5µA
where CSS is the capacitance on the TRACK/SS pin. Cur-
rent foldback and forced continuous mode are disabled
during the soft-start process.
LTM4644/ LTM4644—1
‘ ‘ ‘
//—‘\\
/ \
/’ ‘\ /’ ’ ‘\\
\ \
/
\\ /
-~ / x"~~ u‘"
‘\\,’,’ ,’
\ ,
\\|I,I \\ II
‘I
R
i RFB(S
R
13
LTM4644/LTM4644-1
13
Rev. F
For more information www.analog.com
APPLICATIONS INFORMATION
Figure 3. Normalized RMS Ripple Current for Single Phase or Polyphase Applications
DUTY CYCLE (VOUT/VIN)
0.1 0.15 0.2 0.25 0.3 0.35 0.4 0.45 0.5 0.55 0.6 0.65 0.7 0.75 0.8 0.85 0.9
0.60
0.55
0.50
0.45
0.40
0.35
0.30
0.25
0.20
0.15
0.10
0.05
0
4644 F03
RMS INPUT RIPPLE CURRENT
DC LOAD CURRENT
1-PHASE
2-PHASE
4-PHASE
Output voltage tracking can also be programmed externally
using the TRACK/SS pin of each regulator channel. The
output can be tracked up and down with another regula-
tor. Figure 4 and Figure 5 show an example waveform
and schematic of a ratiometric tracking where the slave
regulator’s (VOUT2, VOUT3 and VOUT4) output slew rate is
proportional to the master’s (VOUT1).
Since the slave regulator’s TRACK/SS is connected to
the master’s output through a RTR(TOP)/RTR(BOT) resistor
divider and its voltage used to regulate the slave output
voltage when TRACK/SS voltage is below 0.6V, the slave
output voltage and the master output voltage should satisfy
the following equation during the start-up.
VOUT(SL) •
R
FB(SL)
RFB(SL) +60.4k
=VOUT(MA) •RTR(BOT)
RTR(TOP) +RTR(BOT)
Where the 60.4k is the integrated top feedback resistor
and the RFB(SL) is the external bottom feedback resistor
of the LTM4644. The RTR(TOP)/RTR(BOT) is the resistor
divider on the TRACK/SS pin of the slave regulator, as
shown in Figure 5.
Following the upper equation, the master’s output slew
rate (MR) and the slave’s output slew rate (SR) in volts/
time is determined by:
MR
SR =
R
FB(SL)
RFB(SL) +60.4k
RTR(BOT)
RTR(TOP) +RTR(BOT)
LTM4644/LTM4644—1
sn.4k sn.4k emu sn.4k
-||—va— 3
«H r
“Wm"
III—MA.
|—w
II|—w
mm)? mm
60 4k ‘3 3k
mm)? mm
60 4k ‘3 3k
mm)? 7 mm
60 4k m 3k
N M1
14
LTM4644/LTM4644-1
14
Rev. F
For more information www.analog.com
APPLICATIONS INFORMATION
4644 F05
VIN1
SVIN1
RUN1
INTVCC1
MODE1
VOUT1
FB1
COMP1
TRACK/SS1
PGOOD1
CH1
CSS
0.1µF
RFB1
13.3k
VIN
4V TO 14V
RTR(TOP)2
60.4k
3.3V/4A
2.5V/4A
1.8V/4A
1.2V/4A
VIN2
SVIN2
RUN2
INTVCC2
MODE2
VOUT2
FB2
COMP2
TRACK/SS2
PGOOD2
CH2
RFB(SL)2
19.1k
VIN3
SVIN3
RUN3
INTVCC3
MODE3
VOUT3
FB3
COMP3
TRACK/SS3
PGOOD3
CH3
RFB(SL)3
30.1k
VIN4
SVIN4
RUN4
INTVCC4
MODE4
VOUT4
FB4
COMP4
TRACK/SS4
PGOOD4
CH4
LTM4644
RFB(SL)4
60.4k
RTR(BOT)2
13.3k
RTR(TOP)3
60.4k
RTR(BOT)3
13.3k
RTR(TOP)4
60.4k
RTR(BOT)4
13.3k
60.4k 60.4k 60.4k 60.4k
4644 F04
TIME
OUTPUT VOLTAGE
VOUT4 = 1.2V
VOUT3 = 1.8V
VOUT2 = 2.5V
VOUT1 = 3.3V
Figure 4. Output Ratiometric Tracking Waveform
Figure 5. Output Ratiometric Tracking Schematic
For example, VOUT(MA) = 3.3V, MR = 3.3V/24ms and VOUT(SL)
= 1.2V, SR = 1.2V/24ms as VOUT1 and VOUT4 shown in
Figure 5. From the equation, we could solve out that
RTR4(TOP) = 60.4k and RTR4(BOT) = 13.3k is a good com-
bination. Follow the same equation, we can get the same
RTR(TOP)/RTR(BOT) resistor divider value for VOUT2 and
VOUT3.
The TRACK pins will have the 2.5µA current source on
when a resistive divider is used to implement tracking on
that specific channel. This will impose an offset on the
TRACK pin input. Smaller value resistors with the same
ratios as the resistor values calculated from the above
equation can be used. For example, where the 60.4k is
used then a 6.04k can be used to reduce the TRACK pin
offset to a negligible value.
The coincident output tracking can be recognized as a
special ratiometric output tracking which the master’s
output slew rate (MR) is the same as the slave’s output
slew rate (SR), as waveform shown in Figure 6.
From the equation we could easily find out that, in the
coincident tracking, the slave regulator’s TRACK/SS pin
resistor divider is always the same as its output voltage
divider.
R
FB(SL)
RFB(SL) +60.4k =
R
TR(BOT)
RTR(TOP) +RTR(BOT)
mm
LTM4644/ LTM4644—1
15
LTM4644/LTM4644-1
15
Rev. F
For more information www.analog.com
APPLICATIONS INFORMATION
For example, RTR4(TOP) = 60.4k and RTR4(BOT) = 60.4k is
a good combination for coincident tracking for VOUT(MA)
= 3.3V and VOUT(SL) = 1.2V application.
reference only, while still keeping the power MOSFETs
off. Further increasing the RUN pin voltage above 1.2V
will turn on the entire regulator channel.
Pre-Biased Output Start-Up
There may be situations that require the power supply to
start up with some charge on the output capacitors. The
LTM4644 can safely power up into a pre-biased output
without discharging it.
The LTM4644 accomplishes this by forcing discontinuous
mode (DCM) operation until the TRACK/SS pin voltage
reaches 0.6V reference voltage. This will prevent the BG
from turning on during the pre-biased output start-up
which would discharge the output.
Do not pre-bias LTM4644 with an output voltage higher
than INTVCC (3.3V).
Overtemperature Protection
The internal overtemperature protection monitors the junc-
tion temperature of the module. If the junction temperature
reaches approximately 160°C, both power switches will be
turned off until the temperature drops about 15°C cooler.
Low Input Application
The LTM4644 module has a separate SVIN pin for each
regulator channel which makes it compatible with opera-
tion from an input voltage as low as 2.375V. The SVIN pin
is the signal input of the regulator control circuitry while
the VIN pin is the power input which directly connected
to the drain of the top MOSFET. In most application with
input voltage ranges from 4V to 14V, connect the SVIN
pin directly to the VIN pin of each regulator channel. An
optional filter, consisting of a resistor (1Ω to 10Ω) be-
tween SVIN and VIN ground, can be placed for additional
noise immunity. This filter is not necessary in most cases
if good PCB layout practices are followed (see Figure 32).
In a low input voltage (2.375V to 4V) application, or to
reduce power dissipation by the internal bias LDO, connect
SVIN to an external voltage higher than 4V with a 0.1µF
local bypass capacitor. Figure 34 shows an example of a
low input voltage application. Please note, SVIN voltage
cannot go below VOUT voltage.
Figure 6. Output Coincident Tracking Waveform
4644 F06
TIME
OUTPUT VOLTAGE
VOUT4 = 1.2V
VOUT3 = 1.8V
VOUT2 = 2.5V
VOUT1 = 3.3V
Power Good
The PGOOD pins are open drain pins that can be used
to monitor each valid output voltage regulation. This pin
monitors a ±10% window around the regulation point. A
resistor can be pulled up to a particular supply voltage for
monitoring. To prevent unwanted PGOOD glitches dur-
ing transients or dynamic VOUT changes, the LTM4644’s
PGOOD falling edge includes a blanking delay of approxi-
mately 52 switching cycles.
Stability Compensation
The LTM4644 module internal compensation loop of each
regulator channel is designed and optimized for low ESR
ceramic output capacitors only application. Table 6 is
provided for most application requirements. In case of
bulk output capacitors is required for output ripples or
dynamic transient spike reduction, an additional 10pF to
15pF phase boost capacitor is required between the VOUT
and FB pins. The LTpowerCAD Design Tool is available to
download for control loop optimization.
RUN Enable
Pulling the RUN pin of each regulator channel to ground
forces the regulator into its shutdown state, turning off both
power MOSFETs and most of its internal control circuitry.
Bringing the RUN pin above 0.7V turns on the internal
LTM4644/LTM4644—1
dVD VGO ’ VD
I” T
16
LTM4644/LTM4644-1
16
Rev. F
For more information www.analog.com
APPLICATIONS INFORMATION
Temperature Monitoring
A diode connected PNP transistor is used for the TEMP
monitor function by monitoring its voltage over tempera-
ture. The temperature dependence of this diode voltage
can be understood in the equation:
VD=nVTln ID
IS
⎛
⎝
⎜⎞
⎠
⎟
where VT is the thermal voltage (kT/q), and n, the ideality
factor, is 1 for the diode connected PNP transistor be-
ing used in the LTM4644. IS is expressed by the typical
empirical equation:
IS=I0exp –VG0
VT
⎛
⎝
⎜⎞
⎠
⎟
where I0 is a process and geometry dependent current, (I0
is typically around 20k orders of magnitude larger than IS
at room temperature) and VG0 is the band gap voltage of
1.2V extrapolated to absolute zero or –273°C.
If we take the IS equation and substitute into the VD equa-
tion, then we get:
VD=VG0 –kT
q
⎛
⎝
⎜⎞
⎠
⎟ln I0
ID
⎛
⎝
⎜⎞
⎠
⎟, VT=kT
q
The expression shows that the diode voltage decreases
(linearly if I0 were constant) with increasing temperature
and constant diode current. Figure 6 shows a plot of VD
vs Temperature over the operating temperature range of
the LTM4644.
If we take this equation and differentiate it with respect to
temperature T, then:
dV
D
dT
=–
V
G0
– V
D
T
This dVD/dT term is the temperature coefficient equal to
about –2mV/K or –2mV/°C. The equation is simplified for
the first order derivation.
Solving for T, T = –(VG0 – VD)/(dVD/dT) provides the
temperature.
1st Example: Figure 7 for 27°C, or 300K the diode
voltage is 0.598V, thus, 300K = –(1200mV – 598mV)/
–2.0 mV/K)
2nd Example: Figure 7 for 75°C, or 350K the diode
voltage is 0.50V, thus, 350K = –(1200mV – 500mV)/
–2.0mV/K)
Converting the Kelvin scale to Celsius is simply taking the
Kelvin temp and subtracting 273 from it.
A typical forward voltage is given in the electrical charac-
teristics section of the data sheet, and Figure 7 is the plot
of this forward voltage. Measure this forward voltage at
27°C to establish a reference point. Then using the above
expression while measuring the forward voltage over
temperature will provide a general temperature monitor.
Connect a resistor between TEMP and VIN to set the cur-
rent to 100µA. See Figure 35 for an example.
Figure 7. Diode Voltage VD vs Temperature T(°C)
TEMPERATURE (°C)
–50 –25
0.3
DIODE VOLTAGE (V)
0.5
0.8
050 75
0.4
0.7
0.6
25 100
4637 F07
125
ID = 100µA
Thermal Considerations and Output Current Derating
The thermal resistances reported in the Pin Configura-
tion section of the data sheet are consistent with those
parameters defined by JESD 51-12 and are intended for
use with finite element analysis (FEA) software modeling
tools that leverage the outcome of thermal modeling,
simulation, and correlation to hardware evaluation per-
formed on a µModule package mounted to a hardware
test board: defined by JESD 51-9 (“Test Boards for Area
LTM4644/ LTM4644—1
17
LTM4644/LTM4644-1
17
Rev. F
For more information www.analog.com
APPLICATIONS INFORMATION
Array Surface Mount Package Thermal Measurements”).
The motivation for providing these thermal coefficients in
found in JESD 51-12 (“Guidelines for Reporting and Using
Electronic Package Thermal Information”).
Many designers may opt to use laboratory equipment
and a test vehicle such as the demo board to predict the
µModule regulator’s thermal performance in their appli-
cation at various electrical and environmental operating
conditions to compliment any FEA activities. Without FEA
software, the thermal resistances reported in the Pin Con-
figuration section are in-and-of themselves not relevant to
providing guidance of thermal performance; instead, the
derating curves provided in this data sheet can be used
in a manner that yields insight and guidance pertaining to
one’s application-usage, and can be adapted to correlate
thermal performance to one’s own application.
The Pin Configuration section typically gives four thermal
coefficients explicitly defined in JESD 51-12; these coef-
ficients are quoted or paraphrased below:
1. θJA, the thermal resistance from junction to ambient, is
the natural convection junction-to-ambient air thermal
resistance measured in a one cubic foot sealed enclo-
sure. This environment is sometimes referred to as
“still air” although natural convection causes the air to
move. This value is determined with the part mounted to
a JESD 51-9 defined test board, which does not reflect
an actual application or viable operating condition.
2. θJCbottom, the thermal resistance from junction to the
bottom of the product case, is determined with all of
the component power dissipation flowing through the
bottom of the page. In the typical µModule regulator,
the bulk of the heat flows out the bottom of the pack-
age, but there is always heat flow out into the ambient
environment. As a result, this thermal resistance value
may be useful for comparing packages but the test
conditions don’t generally match the user’s application.
3. θJCtop, the thermal resistance from junction to top of
the product case, is determined with nearly all of the
component power dissipation flowing through the top of
the package. As the electrical connections of the typical
µModule regulator are on the bottom of the package, it
is rare for an application to operate such that most of
the heat flows from the junction to the top of the part.
As in the case of θJCbottom, this value may be useful
for comparing packages but the test conditions don’t
generally match the user’s application.
4. θJB, the thermal resistance from junction to the printed
circuit board, is the junction-to-board thermal resistance
where almost all of the heat flows through the bottom of
the µModule regulator and into the board, and is really
the sum of the θJCbottom and the thermal resistance of
the bottom of the part through the solder joints and
through a portion of the board. The board temperature
is measured a specified distance from the package.
A graphical representation of the aforementioned ther-
mal resistances is given in Figure 8; blue resistances are
contained within the μModule regulator, whereas green
resistances are external to the µModule package.
As a practical matter, it should be clear to the reader that
no individual or sub-group of the four thermal resistance
parameters defined by JESD 51-12 or provided in the
Pin Configuration section replicates or conveys normal
operating conditions of a μModule regulator. For example,
in normal board-mounted applications, never does 100%
of the device’s total power loss (heat) thermally conduct
exclusively through the top or exclusively through bot-
tom of the µModule package—as the standard defines
for θJCtop and θJCbottom, respectively. In practice, power
loss is thermally dissipated in both directions away from
the package—granted, in the absence of a heat sink and
airflow, a majority of the heat flow is into the board.
Within the LTM4644, be aware there are multiple power
devices and components dissipating power, with a con-
sequence that the thermal resistances relative to different
junctions of components or die are not exactly linear with
respect to total package power loss. To reconcile this
complication without sacrificing modeling simplicity—
but also, not ignoring practical realities—an approach
has been taken using FEA software modeling along with
laboratory testing in a controlled-environment chamber
to reasonably define and correlate the thermal resistance
values supplied in this data sheet: (1) Initially, FEA software
LTM4644/ LTM4644—1
18
LTM4644/LTM4644-1
18
Rev. F
For more information www.analog.com
Figure 8. Graphical Representation of JESD 51-12 Thermal Coefficients
4644 F08
µMODULE DEVICE
JUNCTION-TO-CASE (TOP)
RESISTANCE
JUNCTION-TO-BOARD RESISTANCE
JUNCTION-TO-AMBIENT THERMAL RESISTANCE COMPONENTS
CASE (TOP)-TO-AMBIENT
RESISTANCE
BOARD-TO-AMBIENT
RESISTANCE
JUNCTION-TO-CASE
(BOTTOM) RESISTANCE
JUNCTION AMBIENT
CASE (BOTTOM)-TO-BOARD
RESISTANCE
is used to accurately build the mechanical geometry of
the LTM4644 and the specified PCB with all of the cor-
rect material coefficients along with accurate power loss
source definitions; (2) this model simulates a software-
defined JEDEC environment consistent with JESD 51-12
to predict power loss heat flow and temperature readings
at different interfaces that enable the calculation of the
JEDEC-defined thermal resistance values; (3) the model
and FEA software is used to evaluate the LTM4644 with
heat sink and airflow; (4) having solved for and analyzed
these thermal resistance values and simulated various
operating conditions in the software model, a thorough
laboratory evaluation replicates the simulated conditions
with thermocouples within a controlled-environment
chamber while operating the device at the same power loss
as that which was simulated. An outcome of this process
and due diligence yields the set of derating curves shown
in this data sheet.
The 1V to 5V power loss curves in Figures 9 to 15 can
be used in coordination with the load current derating
curves in Figures 16 to 29 for calculating an approximate
θJA thermal resistance for the LTM4644 with various heat
sinking and airflow conditions. The power loss curves
are taken at room temperature, and are increased with a
multiplicative factor according to the junction temperature.
This approximate factor is 1.35 for 120°C. The derating
curves are plotted with the output current starting at 16A
and the ambient temperature at 30°C. These are chosen
to include the lower and higher output voltage ranges
APPLICATIONS INFORMATION
for correlating the thermal resistance. Thermal models
are derived from several temperature measurements in a
controlled temperature chamber along with thermal mod-
eling analysis. The junction temperatures are monitored
while ambient temperature is increased with and without
airflow. The power loss increase with ambient temperature
change is factored into the derating curves. The junctions
are maintained at 120°C maximum while lowering output
current or power with increasing ambient temperature. The
decreased output current will decrease the internal module
loss as ambient temperature is increased. The monitored
junction temperature of 120°C minus the ambient operat-
ing temperature specifies how much module temperature
rise can be allowed. As an example in Figure 16 the load
current is derated to 9.6A at ~90°C with 400LFM of airflow
and no heat sink and the power loss for the 12V to 1.0V
at 9.5A output is about 3.2W. The 3.2W loss is calculated
with 4 times the 0.6W room temperature loss from the
12V to 1.0V power loss curve each channel at 2.4A, and
the 1.35 multiplying factor at 120°C junction. If the 90°C
ambient temperature is subtracted from the 120°C junc-
tion temperature, then the difference of 30°C divided by
3.2W equals ~9.4°C/W θJA thermal resistance. Table 3
specifies a 10°C/W value which is very close. Tables 3 to
6 provide equivalent thermal resistances for the different
outputs with and without airflow and heat sinking. The
derived thermal resistances in Tables 3 to 6 for the various
conditions can be multiplied by the calculated power loss
as a function of ambient temperature to derive temperature
LTM4644/ LTM4644—1
19
LTM4644/LTM4644-1
19
Rev. F
For more information www.analog.com
rise above ambient, thus maximum junction temperature.
Room temperature power loss can be derived from the ef-
ficiency curves in the Typical Performance Characteristics
section and adjusted with the above junction temperature
multiplicative factor. The printed circuit board is a 1.6mm
thick four layer board with two ounce copper for the two
outer layers and one ounce copper for the two inner layers.
The PCB dimensions are 95mm × 76mm.
The 16A represents all four channels in parallel at 4A each.
The four parallel channels have their currents reduced at
the same rate to develop an equivalent θJA circuit evalu-
ation with thermal couples or IR camera used to validate
the thermal resistance values.
Maximum Operating Ambient Temperature
Figures 30 and 31 display the Maximum Power Loss
Allowance Curves vs ambient temperature with various
heat sinking and airflow conditions. This data was derived
from the thermal impedance generated by various ther-
mal derating examinations with the junction temperature
measured at 120°C. This maximum power loss limitation
serves as a guideline when designing multiple output
rails with different voltages and currents by calculating
the total power loss.
For example, to determine the maximum ambient tem-
perature when VOUT1 = 2.5V at 0.6A, VOUT2 = 3.3V at 3A,
VOUT3 = 1.8V at 1A, VOUT4 = 1.2V at 3A, without a heat sink
and 400LFM airflow, simply add up the total power loss
for each channel read from Figure 9 to Figure 15 which in
this example equals 2.5W, then multiply by the 1.35 coef-
ficient for 120°C junction temperature and compare the
total power loss number, 3.4W with Figure 30. Figure 30
indicates with a 3.4W total power loss, the maximum am-
bient temperature for this particular application is around
86°C. For reference, the actual thermal derating test in the
chamber resulted in a maximum ambient temperature
of 86.3°C, very close to the calculated value. Also from
Figure 30, it is easy to determine with a 3.4W total power
loss, the maximum ambient temperature is around 77°C
with no airflow and 81°C with 200LFM airflow.
Safety Considerations
The LTM4644 modules do not provide galvanic isolation
from VIN to VOUT. There is no internal fuse. If required,
a slow blow fuse with a rating twice the maximum input
current needs to be provided to protect each unit from
catastrophic failure. The device does support thermal
shutdown and overcurrent protection.
APPLICATIONS INFORMATION
LTM4644/ LTM4644—1
LTM4644/LTM4644-1
20
Rev. F
For more information www.analog.com
Figure 9. Power Loss at 1.0V
Output, (Each Channel, 25°C)
Figure 10. Power Loss at 1.2V
Output, (Each Channel, 25°C)
Figure 11. Power Loss at 1.5V
Output, (Each Channel, 25°C)
APPLICATIONS INFORMATION
Figure 12. Power Loss at 1.8V
Output, (Each Channel, 25°C)
Figure 13. Power Loss at 2.5V
Output, (Each Channel, 25°C)
Figure 14.Power Loss at 3.3V
Output, (Each Channel, 25°C)
LOAD CURRENT (A)
0
0.1
0
POWER LOSS (W)
0.6
1.5
1
4641 F09
0.3
0.2
0.5
0.4
0.7
1.2
0.9
0.8
1.1
1.4
1.3
1.0
4
23
0.5 3.5
1.5 2.5
12VIN
5VIN
LOAD CURRENT (A)
0
0.1
0
POWER LOSS (W)
0.6
1.5
1
4641 F10
0.3
0.2
0.5
0.4
0.7
1.2
0.9
0.8
1.1
1.4
1.3
1.0
4
23
0.5 3.5
1.5 2.5
12VIN
5VIN
LOAD CURRENT (A)
0
0.1
0
POWER LOSS (W)
0.6
1.5
1
4641 F11
0.3
0.2
0.5
0.4
0.7
1.2
0.9
0.8
1.1
1.4
1.3
1.0
4
23
0.5 3.5
1.5 2.5
12VIN
5VIN
LOAD CURRENT (A)
0
0.1
0
POWER LOSS (W)
0.6
1.5
1
4641 F12
0.3
0.2
0.5
0.4
0.7
1.2
0.9
0.8
1.1
1.4
1.3
1.0
4
23
0.5 3.5
1.5 2.5
12VIN
5VIN
LOAD CURRENT (A)
0
0
POWER LOSS (W)
0.6
1.6
1
4641 F13
0.2
0.4
1.2
0.8
1.4
1.0
4
23
0.5 3.5
1.5 2.5
12VIN
5VIN
LOAD CURRENT (A)
0
0
POWER LOSS (W)
0.6
1.8
1.6
1
4641 F14
0.2
0.4
1.2
0.8
1.4
1.0
4
23
0.5 3.5
1.5 2.5
12VIN
5VIN
LTM4644/ LTM4644—1
21
LTM4644/LTM4644-1
21
Rev. F
For more information www.analog.com
APPLICATIONS INFORMATION
Figure 18. 5VIN to 1.0VOUT
Derating Curve 4-Channel
Paralleled, BGA Heat Sink
Figure 19. 12VIN to 1.0VOUT
Derating Curve 4-Channel
Paralleled, BGA Heat Sink
Figure 20. 5VIN to 1.5VOUT
Derating Curve 4-Channel
Paralleled, No Heat Sink
AMBIENT TEMPERATURE (°C)
30
0
CURRENT (A)
10
18
14
16
12
4641 F20
4
2
8
6
120
40 80 100
60
50 90 110
70
0LFM
200LFM
400LFM
AMBIENT TEMPERATURE (°C)
30
0
CURRENT (A)
10
18
14
16
12
4641 F18
4
2
8
6
120
40 80 100
60
50 90 110
70
0LFM
200LFM
400LFM
AMBIENT TEMPERATURE (°C)
30
0
CURRENT (A)
10
18
14
16
12
4641 F19
4
2
8
6
120
40 80 100
60
50 90 110
70
0LFM
200LFM
400LFM
Figure 15. Power Loss at 5V
Output, (Each Channel, 25°C)
Figure 16. 5VIN to 1.0VOUT
Derating Curve 4-Channel
Paralleled, No Heat Sink
Figure 17. 12VIN to 1.0VOUT
Derating Curve 4-Channel
Paralleled, No Heat Sink
LOAD CURRENT (A)
0
0
POWER LOSS (W)
0.6
1.8
1.6
1
4641 F15
0.2
0.4
1.2
0.8
1.4
1.0
4
23
0.5 3.5
1.5 2.5
12VIN
AMBIENT TEMPERATURE (°C)
30
0
CURRENT (A)
10
18
14
16
12
4641 F16
4
2
8
6
120
40 80 100
60
50 90 110
70
0LFM
200LFM
400LFM
AMBIENT TEMPERATURE (°C)
30
0
CURRENT (A)
10
18
14
16
12
4641 F17
4
2
8
6
120
40 80 100
60
50 90 110
70
0LFM
200LFM
400LFM
LTM4644/ LTM4644—1
LTM4644/LTM4644-1
22
Rev. F
For more information www.analog.com
Figure 21. 12VIN to 1.5VOUT
Derating Curve 4-Channel
Paralleled, No Heat Sink
Figure 22. 5VIN to 1.5VOUT
Derating Curve 4-Channel
Paralleled, BGA Heat Sink
Figure 23. 12VIN to 1.5VOUT
Derating Curve 4-Channel
Paralleled, BGA Heat Sink
Figure 24. 5VIN to 3.3VOUT
Derating Curve 4-Channel
Paralleled, No Heat Sink
Figure 25. 12VIN to 3.3VOUT
Derating Curve 4-Channel
Paralleled, No Heat Sink
Figure 26. 5VIN to 3.3VOUT
Derating Curve 4-Channel
Paralleled, BGA Heat Sink
AMBIENT TEMPERATURE (°C)
30
0
CURRENT (A)
10
18
14
16
12
4641 F21
4
2
8
6
120
40 80 100
60
50 90 110
70
0LFM
200LFM
400LFM
AMBIENT TEMPERATURE (°C)
30
0
CURRENT (A)
10
18
14
16
12
4641 F25
4
2
8
6
120
40 80 100
60
50 90 110
70
0LFM
200LFM
400LFM
AMBIENT TEMPERATURE (°C)
30
0
CURRENT (A)
10
18
14
16
12
4641 F24
4
2
8
6
120
40 80 100
60
50 90 110
70
0LFM
200LFM
400LFM
AMBIENT TEMPERATURE (°C)
30
0
CURRENT (A)
10
18
14
16
12
4641 F22
4
2
8
6
120
40 80 100
60
50 90 110
70
0LFM
200LFM
400LFM
AMBIENT TEMPERATURE (°C)
30
0
CURRENT (A)
10
18
14
16
12
4641 F23
4
2
8
6
120
40 80 100
60
50 90 110
70
0LFM
200LFM
400LFM
AMBIENT TEMPERATURE (°C)
30
0
CURRENT (A)
10
18
14
16
12
4641 F26
4
2
8
6
120
40 80 100
60
50 90 110
70
0LFM
200LFM
400LFM
APPLICATIONS INFORMATION
— flLFM
— - 200er
- - - annLrM
— chM
—- 200er
LTM4644/ LTM4644—1
— DLFM
—- ZDDLFM
--- ADDLFM
23
LTM4644/LTM4644-1
23
Rev. F
For more information www.analog.com
APPLICATIONS INFORMATION
Figure 27. 12VIN to 3.3VOUT
Derating Curve 4-Channel
Paralleled, BGA Heat Sink
Figure 28. 12VIN to 5VOUT
Derating Curve 4-Channel
Paralleled, No Heat Sink
Figure 29. 12VIN to 5VOUT
Derating Curve 4-Channel
Paralleled, BGA Heat Sink
Figure 30. Power Loss Allowance
vs. Ambient Temperature No Heat
Sink
Figure 31. Power Loss Allowance
vs. Ambient Temperature BGA
Heat Sink
AMBIENT TEMPERATURE (°C)
30
0
CURRENT (A)
10
18
14
16
12
4641 F28
4
2
8
6
120
40 80 100
60
50 90 110
70
0LFM
200LFM
400LFM
AMBIENT TEMPERATURE (°C)
30
0
CURRENT (A)
10
18
14
16
12
4641 F27
4
2
8
6
120
40 80 100
60
50 90 110
70
0LFM
200LFM
400LFM
AMBIENT TEMPERATURE (°C)
30
0
CURRENT (A)
10
18
14
16
12
4641 F29
4
2
8
6
120
40 80 100
60
50 90 110
70
0LFM
200LFM
400LFM
AMBIENT TEMPERATURE (°C)
30
0
POWER LOSS ALLOWANCE (W)
10
9
4641 F30
4
2
8
7
6
3
1
5
120
40 80 100
60
50 90 110
70
0LFM
200LFM
400LFM
AMBIENT TEMPERATURE (°C)
30
0
POWER LOSS ALLOWANCE (W)
12
10
4641 F31
4
2
8
6
1
11
5
3
9
7
120
40 80 100
60
50 90 110
70
0LFM
200LFM
400LFM
LTM4644/LTM4644—1
LTM4644/LTM4644-1
24
Rev. F
For more information www.analog.com
APPLICATIONS INFORMATION
Table 3. 1.0V Output
DERATING CURVE VIN (V) POWER LOSS CURVE AIR FLOW (LFM) HEAT SINK ΘJA (°C/W)
Figures 16, 17 5, 12 Figure 9 0 None 12.5
Figures 16, 17 5, 12 Figure 9 200 None 11
Figures 16, 17 5, 12 Figure 9 400 None 10
Figures 18, 19 5, 12 Figure 9 0 BGA Heat Sink 11
Figures 18, 19 5, 12 Figure 9 200 BGA Heat Sink 9
Figures 18, 19 5, 12 Figure 9 400 BGA Heat Sink 8
Table 4. 1.5V Output
DERATING CURVE VIN (V) POWER LOSS CURVE AIR FLOW (LFM) HEAT SINK ΘJA (°C/W)
Figures 20, 21 5, 12 Figure 11 0 None 12.5
Figures 20, 21 5, 12 Figure 11 200 None 11
Figures 20, 21 5, 12 Figure 11 400 None 10
Figures 22, 23 5, 12 Figure 11 0 BGA Heat Sink 11
Figures 22, 23 5, 12 Figure 11 200 BGA Heat Sink 9
Figures 22, 23 5, 12 Figure 11 400 BGA Heat Sink 8
Table 5. 3.3V Output
DERATING CURVE VIN (V) POWER LOSS CURVE AIR FLOW (LFM) HEAT SINK ΘJA (°C/W)
Figures 24, 25 5, 12 Figure 14 0 None 12.5
Figures 24, 25 5, 12 Figure 14 200 None 11
Figures 24, 25 5, 12 Figure 14 400 None 10
Figures 26, 27 5, 12 Figure 14 0 BGA Heat Sink 11
Figures 26, 27 5, 12 Figure 14 200 BGA Heat Sink 9
Figures 26, 27 5, 12 Figure 14 400 BGA Heat Sink 8
Table 6. 5V Output
DERATING CURVE VIN (V) POWER LOSS CURVE AIR FLOW (LFM) HEAT SINK ΘJA (°C/W)
Figures 26, 27 12 Figure 15 0 None 12.5
Figures 26, 27 12 Figure 15 200 None 11
Figures 26, 27 12 Figure 15 400 None 10
Figures 28, 29 12 Figure 15 0 BGA Heat Sink 11
Figures 28, 29 12 Figure 15 200 BGA Heat Sink 9
Figures 28, 29 12 Figure 15 400 BGA Heat Sink 8
LTM4644/ LTM4644—1
25
LTM4644/LTM4644-1
25
Rev. F
For more information www.analog.com
APPLICATIONS INFORMATION
VOUT (V)
CIN
(CERAMIC)
(µF)
CIN
(BULK)
COUT1
(CERAMIC)
(µF)
COUT2
(BULK)
(µF)
CFF
(pF)
VIN
(V)
DROOP
(mv)
P-P
DERIVATION
(mV)
RECOVERY
TIME (µs)
LOAD
STEP
(A)
LOAD STEP
SLEW RATE
(A/µs)
RFB
(kΩ)
1 10 47 5,12 5 72 40 1 1 90.9
1 10 100µF 10 5,12 5 60 40 1 1 90.9
1 10 47 5,12 5 127 40 2 1 90.9
1 10 100µF 10 5,12 5 90 40 2 1 90.9
1.2 10 47 5,12 5 76 40 1 1 60.4
1.2 10 100µF 10 5,12 5 65 40 1 1 60.4
1.2 10 47 5,12 5 145 40 2 1 60.4
1.2 10 100µF 10 5,12 5 103 40 2 1 60.4
1.5 10 47 5,12 5 80 40 1 1 40.2
1.5 10 100µF 10 5,12 5 70 40 1 1 40.2
1.5 10 47 5,12 5 161 40 2 1 40.2
1.5 10 100µF 10 5,12 5 115 40 2 1 40.2
1.8 10 47 5,12 5 95 40 1 1 30.1
1.8 10 100µF 10 5,12 5 80 40 1 1 30.1
1.8 10 47 5,12 5 177 40 2 1 30.1
1.8 10 100µF 10 5,12 5 128 40 2 1 30.1
2.5 10 47 5,12 5 125 40 1 1 19.1
2.5 10 100µF 10 5,12 5 100 50 1 1 19.1
2.5 10 47 5,12 5 225 40 2 1 19.1
2.5 10 100µF 10 5,12 5 161 50 2 1 19.1
3.3 10 47 5,12 5 155 40 1 1 13.3
3.3 10 100µF 10 5,12 5 122 60 1 1 13.3
3.3 10 47 5,12 5 285 40 2 1 13.3
3.3 10 100µF 10 5,12 5 198 60 2 1 13.3
5 10 47 10 5,12 5 220 40 1 1 8.25
5 10 100µF 10 5,12 5 420 40 2 1 8.25
Table 7
CIN PART NUMBER VALUE COUT1 PART NUMBER VALUE COUT2 PART NUMBER VALUE
Murata GRM21BR61C106KE15L 10µF, 16V,
0805, X5R
Murata GRM21BR60J476ME15 47µF, 6.3V,
0805, X5R
Sanyo 4TPE100MZB 4V 100µF
Taiyo Yuden EMK212BJ106KG-T 10µF, 16V,
0805, X5R
Taiyo Yuden JMK212BJ476MG-T 47µF, 6.3V,
0805, X5R
Murata GRM31CR61C226ME15L 22µF, 16V,
1206, X5R
Taiyo Yuden EMK316BJ226ML-T 22µF, 16V,
1206, X5R
LTM4644/ LTM4644—1
LTM4644/LTM4644-1
26
Rev. F
For more information www.analog.com
APPLICATIONS INFORMATION
Layout Checklist/Example
The high integration of LTM4644 makes the PCB board
layout very simple and easy. However, to optimize its
electrical and thermal performance, some layout consid-
erations are still necessary.
• Use large PCB copper areas for high current paths,
including VIN1 to VIN4, GND, VOUT1 to VOUT4. It helps to
minimize the PCB conduction loss and thermal stress.
• Place high frequency ceramic input and output capaci-
tors next to the VIN, GND and VOUT pins to minimize
high frequency noise.
• Place a dedicated power ground layer underneath the
unit.
• To minimize the via conduction loss and reduce module
thermal stress, use multiple vias for interconnection
between top layer and other power layers.
• Do not put via directly on the pad, unless they are
capped or plated over.
• Use a separated SGND ground copper area for com-
ponents connected to signal pins. Connect the SGND
to GND underneath the unit.
• For parallel modules, tie the VOUT, VFB, and COMP pins
together. Use an internal layer to closely connect these
pins together. The TRACK/SS pin can be tied a common
capacitor for regulator soft-start.
• Bring out test points on the signal pins for monitoring.
Figure 32 gives a good example of the recommended layout.
Figure 32. Recommended PCB Layout
COUT COUT COUT
CIN
-HI~
LTM4644/ LTM4644—1
27
LTM4644/LTM4644-1
27
Rev. F
For more information www.analog.com
TYPICAL APPLICATIONS
Figure 33. 4V to 14V Input, Quad 1.2V, 1.5V, 2.5V and 3.3V Output with Tracking
4644 F41
VIN1
SVIN1
RUN1
INTVCC1
MODE1
VIN2
SVIN2
RUN2
INTVCC2
MODE2
VIN3
SVIN3
RUN3
INTVCC3
MODE3
VIN4
SVIN4
RUN4
INTVCC4
MODE4
SGND
LTM4644
CLKIN
10µF
×4
16V
1206
CLKOUT
TEMP GND
VOUT1
FB1
COMP1
TRACK/SS1
PGOOD1
VOUT2
FB2
COMP2
TRACK/SS2
PGOOD2
VOUT3
FB3
COMP3
TRACK/SS3
PGOOD3
VOUT4
FB4
COMP4
TRACK/SS4
PGOOD4
47µF
6.3V
0805
3.3V/4A4V to 14V
13.3k
0.1µF
47µF
4V
0805
2.5V/4A
19.1k
60.4k
13.3k
47µF
4V
0805
1.5V/4A
40.2k
47µF
4V
0805
1V/4A
90.9k
60.4k
13.3k
60.4k
13.3k
LTM4644/LTM4644—1
_L
I
' I:
_T_
E I:
I:
I:
I:
J
J
U
JH
”HEJ
J
U
"J'J
LTM4644/LTM4644-1
28
Rev. F
For more information www.analog.com
TYPICAL APPLICATIONS
Figure 34. 2.375V to 5V Input, Quad 1V, 1.2V, 1.5V, 1.8V Output
4644 F41
VIN1
SVIN1
RUN1
INTVCC1
MODE1
VIN2
SVIN2
RUN2
INTVCC2
MODE2
VIN3
SVIN3
RUN3
INTVCC3
MODE3
VIN4
SVIN4
RUN4
INTVCC4
MODE4
SGND
LTM4644
CLKIN
10µF
×4
6.3V
1206
CLKOUT
TEMP GND
VOUT1
FB1
COMP1
TRACK/SS1
PGOOD1
VOUT2
FB2
COMP2
TRACK/SS2
PGOOD2
VOUT3
FB3
COMP3
TRACK/SS3
PGOOD3
VOUT4
FB4
COMP4
TRACK/SS4
PGOOD4
47µF
4V
0805
1.8V/4A2.375V to 5V
1µF
6.3V
5V BIAS
30.1k
0.1µF
0.1µF
0.1µF
0.1µF
47µF
4V
0805
1.5V/4A
40.2k
47µF
4V
0805
1.2V/4A
60.4k
47µF
4V
0805
1V/4A
90.9k
LTM4644/ LTM4644—1
29
LTM4644/LTM4644-1
29
Rev. F
For more information www.analog.com
Figure 35. 4V to 14V Input, 4-Phase, 1.2V at 16A Design with Temperature Monitoring
TYPICAL APPLICATIONS
4644 F35
VIN1
SVIN1
RUN1
INTVCC1
MODE1
VIN2
SVIN2
RUN2
INTVCC2
MODE2
VIN3
SVIN3
RUN3
INTVCC3
MODE3
VIN4
SVIN4
RUN4
INTVCC4
MODE4
SGND
LTM4644
CLKIN
22µF
×2
16V
1206
CLKOUT
TEMP GND
VOUT1
FB1
COMP1
TRACK/SS1
PGOOD1
VOUT2
FB2
COMP2
TRACK/SS2
PGOOD2
VOUT3
FB3
COMP3
TRACK/SS3
PGOOD3
VOUT4
FB4
COMP4
TRACK/SS4
PGOOD4
47µF
×3
4V
0805
1.2V/16A
VIN
4V to 14V
15.1k
0.1µF
RT
VIN
A/D
RT = VIN – 0.6V
100µA
LTM4644/LTM4644—1
LTM4644/LTM4644-1
30
Rev. F
For more information www.analog.com
Figure 36. 4V to 14V Input, 4-Phase, 1.2V at 16A Design with Temperature Monitoring
TYPICAL APPLICATIONS
4644 F36
VIN1
SVIN1
RUN1
INTVCC1
MODE1
VIN2
SVIN2
RUN2
INTVCC2
MODE2
VIN3
SVIN3
RUN3
INTVCC3
MODE3
VIN4
SVIN4
RUN4
INTVCC4
MODE4
SGND
LTM4644-1
CLKIN
22µF
×2
16V
1206
CLKOUT
TEMP GND
VOUT1
FB1
COMP1
TRACK/SS1
PGOOD1
VOUT2
FB2
COMP2
TRACK/SS2
PGOOD2
VOUT3
FB3
COMP3
TRACK/SS3
PGOOD3
VOUT4
FB4
COMP4
TRACK/SS4
PGOOD4
47µF
×3
4V
0805
1.2V/16A
VIN
4V to 14V
60.4k
60.4k
0.1µF
RT
VIN
A/D
RT = VIN – 0.6V
100µA
LTM4644/ LTM4644—1
31
LTM4644/LTM4644-1
31
Rev. F
For more information www.analog.com
TYPICAL APPLICATIONS
Figure 37. 12V and 5V Tw o Separate Input Rails, 1.2V at 8A and 3.3V at 8A Output
4644 F36
VIN1
SVIN1
RUN1
INTVCC1
MODE1
VIN2
SVIN2
RUN2
INTVCC2
MODE2
VIN3
SVIN3
RUN3
INTVCC3
MODE3
VIN4
SVIN4
RUN4
INTVCC4
MODE4
SGND
LTM4644
CLKIN
22µF
×2
16V
1206
CLKOUT
TEMP GND
VOUT1
FB1
COMP1
TRACK/SS1
PGOOD1
VOUT2
FB2
COMP2
TRACK/SS2
PGOOD2
VOUT3
FB3
COMP3
TRACK/SS3
PGOOD3
VOUT4
FB4
COMP4
TRACK/SS4
PGOOD4
47µF
×2
4V
0805
1.2V/8A5V
22µF
×2
16V
1206
12V
30.2k
47µF
×2
6.3V
0805
3.3V/8A
0.1µF
6.65k
0.1µF
LTM4644/LTM4644—1
/ uwawvm \/ Hmm \/ mmvwo \/ ammo \
LTM4644/LTM4644-1
32
Rev. F
For more information www.analog.com
TYPICAL APPLICATIONS
Figure 38. LTM4644-1 Together with LTC2975, 4.5V to 14V Input, 3.3V, 2.5V, 1.5V, 1V
Output at 4A Each with Input and Output Voltage, Current and Temperature Telemetry.
19.1k
10.0m
60.4k
1k
0.1µF
0.1µF
0.1µF
100Ω
100Ω
10nF 10nF
47µF
10.0k
1k
10nF
VOUT2
2.5V/4A
40.2k
10.0m
60.4k
1k
0.1µF
100Ω
100Ω
10nF 10nF
47µF
10.0k
1k
10nF
VOUT3
1.5V/4A
90.9k
10.0m
60.4k
1k
0.1µF
100Ω
100Ω
10nF 10nF
47µF
10.0k
1k
10nF
VOUT4
1.0V/4A
13.3k
10.0m10.0m
TEMP
CLKOUTCLKIN
FB1
FB2
FB3
60.4k60.4k60.4k
FB4
RUN1
RUN2
RUN3
RUN4
MODE4
PGOOD4
PGOOD3
PGOOD2
PGOOD1
COMP1
COMP2
COMP3
COMP4
TRACK/SS1
TRACK/SS2
TRACK/SS3
TRACK/SS4
LTM4644-1
MODE3
MODE2
MODE1
GNDSGND
VOUT1
VOUT2
VOUT3
VOUT1 VOUT2 VOUT3 INTVCC4
INTVCC2
INTVCC3
SVIN4
SVIN3
SVIN2
VIN4
VIN
4.5V TO 14V
VIN3
VIN2
INTVCC1
SVIN1
VIN1
VOUT4
60.4k
1k
0.1µF
100Ω
100Ω
10nF 10nF
47µF
10.0k
1k
10nF
U6 TSENSE0
TSENSE1
TSENSE2
TSENSE3
VPWR
VIN_SNS
VIN_SNS_CAP
WDI/RESETB
PWRGD
LTC2975
AUXFAULTB
SHARE_CLK
FAULTB0
FAULTB1
SCL
SDA
ALERTB
CONTROL0
CONTROL1
CONTROL2
CONTROL3
ASEL0
ASEL1
WP
REFP
REFM
IIN_SNSP
IIN_SNSM
ISENSEP0
ISENSEM0
VSENSEP0
ISENSEP1
ISENSEM2
VSENSEM2
ISENSEP2
ISENSEP3
VSENSEP3
VSENSEM3
ISENSEM3
ISENSEM1
VSENSEM1
VSENSEP2
VSENSEP1
VSENSEM0
CHANNEL 0
VDAC0
VDAC1
VDAC2
VDAC3
GND
0.1µF 0.1µF 10k
4644 F38
10k 10k 10k 10k 10k 10k 10k 10k 10k 10k
VDD25 VDD33
19 14 12
VOUT_EN0
VOUT_EN1
VOUT_EN2
VOUT_EN3
VOUT1
3.3V/4A
0.1µF
40.2k
0.1µF
19.1k13.3k
CHANNEL 1CHANNEL 2CHANNEL 3
LTM4644/ LTM4644—1
33
LTM4644/LTM4644-1
33
Rev. F
For more information www.analog.com
LTM4644/LTM4644-1 Component BGA Pinout
PACKAGE DESCRIPTION
PACKAGE ROW AND COLUMN LABELING M AY VARY
AMONG µModule PRODUCTS. REVIEW EACH PACKAGE
LAYOUT CAREFULLY.
PIN NAME PIN NAME PIN NAME PIN NAME PIN NAME PIN NAME
A1 VOUT1 B1 GND C1 VOUT2 D1 VOUT2 E1 GND F1 VOUT3
A2 VOUT1 B2 GND C2 PGOOD2 D2 VOUT2 E2 GND F2 PGOOD3
A3 VOUT1 B3 VIN1 C3 PGOOD1 D3 GND E3 VIN2 F3 TEMP
A4 GND B4 VIN1 C4 INTVCC1 D4 GND E4 VIN2 F4 INTVCC2
A5 GND B5 SVIN1 C5 GND D5 GND E5 SVIN2 F5 GND
A6 TRACK/SS1 B6 MODE1 C6 RUN1 D6 TRACK/SS2 E6 MODE2 F6 RUN2
A7 FB1 B7 COMP1 C7 CLKIN D7 FB2 E7 COMP2 F7 SGND
PIN NAME PIN NAME PIN NAME PIN NAME PIN NAME
G1 VOUT3 H1 GND J1 VOUT4 K1 VOUT4 L1 GND
G2 VOUT3 H2 GND J2 PGOOD4 K2 VOUT4 L2 GND
G3 GND H3 VIN3 J3 CLKOUT K3 GND L3 VIN4
G4 GND H4 VIN3 J4 INTVCC3 K4 GND L4 VIN4
G5 GND H5 SVIN3 J5 GND K5 INTVCC4 L5 SVIN4
G6 TRACK/SS3 H6 MODE3 J6 RUN3 K6 TRACK/SS4 L6 MODE4
G7 FB3 H7 COMP3 J7 FB4 K7 RUN4 L7 COMP4
LTM4644/LTM4644—1
\AH_~: a
_moqoooooooo
\ 00000000000
g;boooooooo
Ecoooooooooo
00000000000
90000000000
710000000009
/
ifl‘ a
-E-
1'T wwwww‘xwww
700000600000
700000600000
fooocuéooooo
7%3££££#GOOGO
foooooéooooo
foooooéooooo
700000600000
\4 JL ‘
m
LTM4644/LTM4644-1
34
Rev. F
For more information www.analog.com
BGA Package
77-Lead (9mm × 15mm × 5.01mm)
(Reference LTC DWG # 05-08-1900 Rev D)
PACKAGE TOP VIEW
4
PIN “A1”
CORNER
YX
aaa Z
aaa Z
BGA Package
77-Lead (15.00mm × 9.00mm × 5.01mm)
(Reference LTC DWG# 05-08-1900 Rev D)
NOTES:
1. DIMENSIONING AND TOLERANCING PER ASME Y14.5M-1994
2. ALL DIMENSIONS ARE IN MILLIMETERS
BALL DESIGNATION PER JESD MS-028 AND JEP95
5. PRIMARY DATUM -Z- IS SEATING PLANE
6. SOLDER BALL COMPOSITION IS 96.5% Sn/3.0% Ag/0.5% Cu
4
3
DETAILS OF PIN #1 IDENTIFIER ARE OPTIONAL,
BUT MUST BE LOCATED WITHIN THE ZONE INDICATED.
THE PIN #1 IDENTIFIER MAY BE EITHER A MOLD OR
MARKED FEATURE
DETAIL A
Øb (77 PLACES)
DETAIL B
SUBSTRATE
A
A1
b1
ccc Z
DETAIL B
PACKAGE SIDE VIEW
MOLD
CAP
Z
MX YZddd
MZeee
SYMBOL
A
A1
A2
b
b1
D
E
e
F
G
H1
H2
aaa
bbb
ccc
ddd
eee
MIN
4.81
0.50
4.31
0.60
0.60
0.36
3.95
NOM
5.01
0.60
4.41
0.75
0.63
15.00
9.00
1.27
12.70
7.62
0.41
4.00
MAX
5.21
0.70
4.51
0.90
0.66
0.46
4.05
0.15
0.10
0.20
0.30
0.15
NOTES
DIMENSIONS
TOTAL NUMBER OF BALLS: 77
A2
D
E
// bbb Z
Z
H2
H1
BGA 77 0113 REV D
TRAY PIN 1
BEVEL
PACKAGE IN TRAY LOADING ORIENTATION
COMPONENT
PIN “A1”
LTMXXXXXX
µModule
DETAIL A
PACKAGE BOTTOM VIEW
3
SEE NOTES
A
B
C
D
E
F
G
H
J
K
L
PIN 1
e
b
F
G
7654321
SUGGESTED PCB LAYOUT
TOP VIEW
0.000
2.540
3.810
5.080
6.350
1.270
3.810
2.540
1.270
5.080
6.350
3.810
2.540
1.270
3.810
2.540
1.270
0.3175
0.3175 0.000
0.630 ±0.025 Ø 77x
7 PACKAGE ROW AND COLUMN LABELING MAY VARY
AMONG µModule PRODUCTS. REVIEW EACH PACKAGE
LAYOUT CAREFULLY
!
7
SEE NOTES
PACKAGE DESCRIPTION
LTM4644/ LTM4644—1
35
LTM4644/LTM4644-1
35
Rev. F
For more information www.analog.com
REVISION HISTORY
REV DATE DESCRIPTION PAGE NUMBER
A 01/14 Add SnPb BGA package option 1, 2
B 06/14 Add Tech Clip video link
Update Order Information
Update Run Threshold
Update Figure 5
Update Soft-Start and Output Voltage Tracking Section
1
2
3
13
14
C 05/16 Added MP-grade (–55°C to 125°C) 2
D 12/16 Added LTM4644-1
Added Comparison Table between LTM4644 and LTM4644-1
Added Output Voltage Programing (LTM4644-1)
Added Figure 36
Added Figure 38
1 ,2, 4, 9, 10, 33
1
10
30
32
E 01/18 Changed IOUTPK (MIN) from 5A to 6A 3
F 02/19 Increased Storage Temperature Range to −65ºC to 150ºC 2
Information furnished by Analog Devices is believed to be accurate and reliable. However, no responsibility is assumed by Analog
Devices for its use, nor for any infringements of patents or other rights of third parties that may result from its use. Specifications
subject to change without notice. No license is granted by implication or otherwise under any patent or patent rights of Analog Devices.
LTM4644/LTM4644—1
5.01mm
<—15mm—>/
QTm
Quick Power Seavch
lnpul vnwm) v vaaxr v
Ompul Vnul V “an! A
36 SEGLc‘ES
—15mm—>LTM4644/LTM4644-1
36
Rev. F
For more information www.analog.com
SUBJECT DESCRIPTION
µModule Design and Manufacturing Resources Design:
• Selector Guides
• Demo Boards and Gerber Files
• Free Simulation Tools
Manufacturing:
• Quick Start Guide
• PCB Design, Assembly and Manufacturing Guidelines
• Package and Board Level Reliability
µModule Regulator Products Search 1. Sort table of products by parameters and download the result as a spread sheet.
2. Search using the Quick Power Search parametric table.
TechClip Videos Quick videos detailing how to bench test electrical and thermal performance of µModule products.
Digital Power System Management Analog Devices’ family of digital power supply management ICs are highly integrated solutions that
offer essential functions, including power supply monitoring, supervision, margining and sequencing,
and feature EEPROM for storing user configurations and fault logging.
ANALOG DEVICES, INC. 2018–2019
02/19
www.analog.com
PACKAGE PHOTO
RELATED PARTS
PART NUMBER DESCRIPTION COMMENTS
LTM4622 Ultrathin, Dual 2.5A Step-Down µModule
Regulator
3.6V ≤ VIN ≤ 20V. 0.6V ≤ VOUT ≤ 5.5V. 6.25mm x 6.25mm x 1.82mm LGA, 2.42mm
BGA.
LTM4622A High Vout, Ultrathin, Dual 2.5A Step-Down
µModule Regulator
3.6V ≤ VIN ≤ 20V. 1.5V ≤ VOUT ≤ 12V. 6.25mm x 6.25mm x 1.82mm LGA, 2.42mm BGA.
LTM4623 Ultrathin, Single 3A µModule Regulator 4V ≤ VIN ≤ 20V. 0.6V ≤ VOUT ≤ 5.5V. 6.25mm x 6.25mm x 1.82mm LGA, 2.42mm BGA.
LTM4624 Single 4A µModule Regulator 4V ≤ VIN ≤ 14V. 0.6V ≤ VOUT ≤ 5.5V. 6.25mm x 6.25mm x 5.01mm BGA.
LTM4625 Single 5A µModule Regulator 4V ≤ VIN ≤ 20V. 0.6V ≤ VOUT ≤ 5.5V. 6.25mm x 6.25mm x 5.01mm BGA.
LTM4626 Single 12A µModule Regulator 3.1V ≤ VIN ≤ 20V. 0.6V ≤ VOUT ≤ 5.5V. 6.25mm x 6.25mm x 3.87mm BGA.
LTM4638 Single 15A µModule Regulator 3.1V ≤ VIN ≤ 20V. 0.6V ≤ VOUT ≤ 5.5V. 6.25mm x 6.25mm x 5.02mm BGA.
LTM4643 Ultrathin, Quad 3A, Step-Down µModule
Regulator. Pin Compatible with the LTM4644.
4V ≤ VIN ≤ 20V, 0.6V ≤ VOUT ≤ 3.3V, 9mm x 15mm x 1.82mm LGA, 2.42mm BGA.
LTM4646 Dual 10A µModule Regulator 4.5V ≤ VIN ≤ 20V. 0.6V ≤ VOUT ≤ 5.5V. 11.25mm x 15mm x 5.01mm BGA
LTC2978 Octal Digital Power Supply Manager with EEPROM I2C/PMBus Interface, Configuration EEPROM, Fault Logging, 16-Bit ADC with
±0.25% TUE, 3.3V to 15V Operation
LTC2974 Quad Digital Power Supply Manager with EEPROM I2C/PMBus Interface, Configuration EEPROM, Fault Logging, Per Channel Voltage,
Current and Temperature Measurements
DESIGN RESOURCES
Products related to this Datasheet
DC DC CONVERTER 4X0.6-5.5V
DC DC CONVERTER 4X0.6-5.5V
DEMO BOARD LTM4644 QUAD REG
LTC2975 DEMO BOARD SET - LTM4644
DC DC CONVERTER 4X0.6-5.5V
DC DC CONVERTER 4X0.6-5.5V
DC DC CONVERTER 4X0.6-5.5V
DC DC CONVERTER 4X0.6-5.5V
DC DC CONVERTER 4X0.6-5.5V
DC DC CONVERTER 4X0.6-5.5V