
This is information on a product in full production.
September 2018 DS9178 Rev 4 1/96
STM8L051F3
8-bit ultra-low-power MCU, 8-Kbyte Flash memory,
256-byte data EEPROM, RTC, timers, USART, I2C, SPI, ADC
Datasheet - production data
Features
•Operating conditions
– Operating power supply: 1.8 V to 3.6 V
Temperature range: −40 °C to 85 °C
•Low-power features
– 5 low-power modes: Wait, Low-power run
(5.1 µA), Low-power wait (3 µA), Active-
halt with RTC (1.3 µA), Halt (350 nA)
– Ultra-low leakage per I/O: 50 nA
– Fast wakeup from Halt: 5 µs
•Advanced STM8 core
– Harvard architecture and 3-stage pipeline
– Max freq: 16 MHz, 16 CISC MIPS peak
– Up to 40 external interrupt sources
•Reset and supply management
– Low power, ultra-safe BOR reset with 5
selectable thresholds
– Ultra-low power POR/PDR
– Programmable voltage detector (PVD)
•Clock management
– 32 kHz and 1 to 16 MHz crystal oscillators
– Internal 16 MHz factory-trimmed RC
– Internal 38 kHz low consumption RC
– Clock security system
•Low-power RTC
– BCD calendar with alarm interrupt
– Digital calibration with +/- 0.5 ppm accuracy
– LSE security system
– Auto-wakeup from Halt w/ periodic interrupt
•Memories
– 8 Kbytes of Flash program memory and
256 bytes of data EEPROM with ECC
– Flexible write and read protection modes
– 1 Kbyte of RAM
•DMA
– 4 channels supporting ADC, SPI, I2C,
USART, timers
– 1 channel for memory-to-memory
•12-bit ADC up to 1 Msps/10 channels
– Internal reference voltage
•Timers
– Two 16-bit timers with 2 channels (used as
IC, OC, PWM), quadrature encoder
– One 8-bit timer with 7-bit prescaler
– 2 watchdogs: 1 Window, 1 Independent
– Beeper timer with 1, 2 or 4 kHz frequencies
•Communication interfaces
– Synchronous serial interface (SPI)
– Fast I2C 400 kHz SMBus and PMBus
–USART
•Up to 18 I/Os, all mappable on interrupt vectors
•Development support
– Fast on-chip programming and non-
intrusive debugging with SWIM
– Bootloader using USART
TSSOP20 ( 6.4x4.4 mm or 169 mils width)
www.st.com

Contents STM8L051F3
2/96 DS9178 Rev 4
Contents
1 Introduction . . . . . . . . . . . . . . . . . . . . . . . . . . . . . . . . . . . . . . . . . . . . . . . . 8
2 Description . . . . . . . . . . . . . . . . . . . . . . . . . . . . . . . . . . . . . . . . . . . . . . . . . 9
2.1 Device overview . . . . . . . . . . . . . . . . . . . . . . . . . . . . . . . . . . . . . . . . . . . . 10
2.2 Ultra-low-power continuum . . . . . . . . . . . . . . . . . . . . . . . . . . . . . . . . . . . . .11
3 Functional overview . . . . . . . . . . . . . . . . . . . . . . . . . . . . . . . . . . . . . . . . 12
3.1 Low-power modes . . . . . . . . . . . . . . . . . . . . . . . . . . . . . . . . . . . . . . . . . . 13
3.2 Central processing unit STM8 . . . . . . . . . . . . . . . . . . . . . . . . . . . . . . . . . 14
3.2.1 Advanced STM8 Core . . . . . . . . . . . . . . . . . . . . . . . . . . . . . . . . . . . . . . 14
3.2.2 Interrupt controller . . . . . . . . . . . . . . . . . . . . . . . . . . . . . . . . . . . . . . . . . 14
3.3 Reset and supply management . . . . . . . . . . . . . . . . . . . . . . . . . . . . . . . . 15
3.3.1 Power supply scheme . . . . . . . . . . . . . . . . . . . . . . . . . . . . . . . . . . . . . . 15
3.3.2 Power supply supervisor . . . . . . . . . . . . . . . . . . . . . . . . . . . . . . . . . . . . 15
3.3.3 Voltage regulator . . . . . . . . . . . . . . . . . . . . . . . . . . . . . . . . . . . . . . . . . . 15
3.4 Clock management . . . . . . . . . . . . . . . . . . . . . . . . . . . . . . . . . . . . . . . . . 16
3.5 Low power real-time clock . . . . . . . . . . . . . . . . . . . . . . . . . . . . . . . . . . . . 18
3.6 Memories . . . . . . . . . . . . . . . . . . . . . . . . . . . . . . . . . . . . . . . . . . . . . . . . . 18
3.7 DMA . . . . . . . . . . . . . . . . . . . . . . . . . . . . . . . . . . . . . . . . . . . . . . . . . . . . . 18
3.8 Analog-to-digital converter . . . . . . . . . . . . . . . . . . . . . . . . . . . . . . . . . . . . 18
3.9 System configuration controller and routing interface . . . . . . . . . . . . . . . 19
3.10 Timers . . . . . . . . . . . . . . . . . . . . . . . . . . . . . . . . . . . . . . . . . . . . . . . . . . . 19
3.10.1 16-bit general purpose timers (TIM2, TIM3) . . . . . . . . . . . . . . . . . . . . . 19
3.10.2 8-bit basic timer (TIM4) . . . . . . . . . . . . . . . . . . . . . . . . . . . . . . . . . . . . . 19
3.11 Watchdog timers . . . . . . . . . . . . . . . . . . . . . . . . . . . . . . . . . . . . . . . . . . . 19
3.11.1 Window watchdog timer . . . . . . . . . . . . . . . . . . . . . . . . . . . . . . . . . . . . . 20
3.11.2 Independent watchdog timer . . . . . . . . . . . . . . . . . . . . . . . . . . . . . . . . . 20
3.12 Beeper . . . . . . . . . . . . . . . . . . . . . . . . . . . . . . . . . . . . . . . . . . . . . . . . . . . 20
3.13 Communication interfaces . . . . . . . . . . . . . . . . . . . . . . . . . . . . . . . . . . . . 20
3.13.1 SPI . . . . . . . . . . . . . . . . . . . . . . . . . . . . . . . . . . . . . . . . . . . . . . . . . . . . . 20
3.13.2 I2C . . . . . . . . . . . . . . . . . . . . . . . . . . . . . . . . . . . . . . . . . . . . . . . . . . . . . 20
3.13.3 USART . . . . . . . . . . . . . . . . . . . . . . . . . . . . . . . . . . . . . . . . . . . . . . . . . . 21
3.14 Infrared (IR) interface . . . . . . . . . . . . . . . . . . . . . . . . . . . . . . . . . . . . . . . . 21

DS9178 Rev 4 3/96
STM8L051F3 Contents
4
3.15 Development support . . . . . . . . . . . . . . . . . . . . . . . . . . . . . . . . . . . . . . . . 21
4 Pin description . . . . . . . . . . . . . . . . . . . . . . . . . . . . . . . . . . . . . . . . . . . . 23
4.1 System configuration options . . . . . . . . . . . . . . . . . . . . . . . . . . . . . . . . . . 25
5 Memory and register map . . . . . . . . . . . . . . . . . . . . . . . . . . . . . . . . . . . . 26
5.1 Memory mapping . . . . . . . . . . . . . . . . . . . . . . . . . . . . . . . . . . . . . . . . . . . 26
5.2 Register map . . . . . . . . . . . . . . . . . . . . . . . . . . . . . . . . . . . . . . . . . . . . . . 27
6 Interrupt vector mapping . . . . . . . . . . . . . . . . . . . . . . . . . . . . . . . . . . . . 40
7 Option bytes . . . . . . . . . . . . . . . . . . . . . . . . . . . . . . . . . . . . . . . . . . . . . . 42
8 Electrical parameters . . . . . . . . . . . . . . . . . . . . . . . . . . . . . . . . . . . . . . . 45
8.1 Parameter conditions . . . . . . . . . . . . . . . . . . . . . . . . . . . . . . . . . . . . . . . . 45
8.1.1 Minimum and maximum values . . . . . . . . . . . . . . . . . . . . . . . . . . . . . . . 45
8.1.2 Typical values . . . . . . . . . . . . . . . . . . . . . . . . . . . . . . . . . . . . . . . . . . . . 45
8.1.3 Typical curves . . . . . . . . . . . . . . . . . . . . . . . . . . . . . . . . . . . . . . . . . . . . 45
8.1.4 Loading capacitor . . . . . . . . . . . . . . . . . . . . . . . . . . . . . . . . . . . . . . . . . 45
8.1.5 Pin input voltage . . . . . . . . . . . . . . . . . . . . . . . . . . . . . . . . . . . . . . . . . . 46
8.2 Absolute maximum ratings . . . . . . . . . . . . . . . . . . . . . . . . . . . . . . . . . . . . 46
8.3 Operating conditions . . . . . . . . . . . . . . . . . . . . . . . . . . . . . . . . . . . . . . . . 48
8.3.1 General operating conditions . . . . . . . . . . . . . . . . . . . . . . . . . . . . . . . . . 48
8.3.2 Embedded reset and power control block characteristics . . . . . . . . . . . 49
8.3.3 Supply current characteristics . . . . . . . . . . . . . . . . . . . . . . . . . . . . . . . . 50
8.3.4 Clock and timing characteristics . . . . . . . . . . . . . . . . . . . . . . . . . . . . . . 60
8.3.5 Memory characteristics . . . . . . . . . . . . . . . . . . . . . . . . . . . . . . . . . . . . . 65
8.3.6 I/O current injection characteristics . . . . . . . . . . . . . . . . . . . . . . . . . . . . 66
8.3.7 I/O port pin characteristics . . . . . . . . . . . . . . . . . . . . . . . . . . . . . . . . . . . 66
8.3.8 Communication interfaces . . . . . . . . . . . . . . . . . . . . . . . . . . . . . . . . . . . 74
8.3.9 Embedded reference voltage . . . . . . . . . . . . . . . . . . . . . . . . . . . . . . . . . 79
8.3.10 12-bit ADC1 characteristics . . . . . . . . . . . . . . . . . . . . . . . . . . . . . . . . . . 79
8.3.11 EMC characteristics . . . . . . . . . . . . . . . . . . . . . . . . . . . . . . . . . . . . . . . . 85
9 Package characteristics . . . . . . . . . . . . . . . . . . . . . . . . . . . . . . . . . . . . . 88
9.1 ECOPACK® . . . . . . . . . . . . . . . . . . . . . . . . . . . . . . . . . . . . . . . . . . . . . . . . . . . . . . . . . . . . 88
9.2 Package mechanical data . . . . . . . . . . . . . . . . . . . . . . . . . . . . . . . . . . . . 89

Contents STM8L051F3
4/96 DS9178 Rev 4
9.3 TSSOP20 package information . . . . . . . . . . . . . . . . . . . . . . . . . . . . . . . . 89
9.4 Thermal characteristics . . . . . . . . . . . . . . . . . . . . . . . . . . . . . . . . . . . . . . 92
10 Ordering information . . . . . . . . . . . . . . . . . . . . . . . . . . . . . . . . . . . . . . . 93
11 Revision history . . . . . . . . . . . . . . . . . . . . . . . . . . . . . . . . . . . . . . . . . . . 94

DS9178 Rev 4 5/96
STM8L051F3 List of tables
6
List of tables
Table 1. STM8L051F3 features and peripheral counts . . . . . . . . . . . . . . . . . . . . . . . . . . . . . . . . . . 10
Table 2. Timer feature comparison. . . . . . . . . . . . . . . . . . . . . . . . . . . . . . . . . . . . . . . . . . . . . . . . . . 19
Table 3. Legend/abbreviation for Table 4 . . . . . . . . . . . . . . . . . . . . . . . . . . . . . . . . . . . . . . . . . . . . . 23
Table 4. STM8L051F3 pin description . . . . . . . . . . . . . . . . . . . . . . . . . . . . . . . . . . . . . . . . . . . . . . . 24
Table 5. Flash and RAM boundary addresses . . . . . . . . . . . . . . . . . . . . . . . . . . . . . . . . . . . . . . . . . 27
Table 6. I/O port hardware register map . . . . . . . . . . . . . . . . . . . . . . . . . . . . . . . . . . . . . . . . . . . . . . 27
Table 7. General hardware register map . . . . . . . . . . . . . . . . . . . . . . . . . . . . . . . . . . . . . . . . . . . . . 28
Table 8. CPU/SWIM/debug module/interrupt controller registers. . . . . . . . . . . . . . . . . . . . . . . . . . . 38
Table 9. Interrupt mapping . . . . . . . . . . . . . . . . . . . . . . . . . . . . . . . . . . . . . . . . . . . . . . . . . . . . . . . . 40
Table 10. Option byte addresses . . . . . . . . . . . . . . . . . . . . . . . . . . . . . . . . . . . . . . . . . . . . . . . . . . . . 42
Table 11. Option byte description . . . . . . . . . . . . . . . . . . . . . . . . . . . . . . . . . . . . . . . . . . . . . . . . . . . . 43
Table 12. Voltage characteristics . . . . . . . . . . . . . . . . . . . . . . . . . . . . . . . . . . . . . . . . . . . . . . . . . . . . 46
Table 13. Current characteristics . . . . . . . . . . . . . . . . . . . . . . . . . . . . . . . . . . . . . . . . . . . . . . . . . . . . 46
Table 14. Thermal characteristics. . . . . . . . . . . . . . . . . . . . . . . . . . . . . . . . . . . . . . . . . . . . . . . . . . . . 47
Table 15. General operating conditions . . . . . . . . . . . . . . . . . . . . . . . . . . . . . . . . . . . . . . . . . . . . . . . 48
Table 16. Embedded reset and power control block characteristics. . . . . . . . . . . . . . . . . . . . . . . . . . 49
Table 17. Total current consumption in Run mode . . . . . . . . . . . . . . . . . . . . . . . . . . . . . . . . . . . . . . . 51
Table 18. Total current consumption in Wait mode . . . . . . . . . . . . . . . . . . . . . . . . . . . . . . . . . . . . . . 53
Table 19. Total current consumption and timing in Low power run mode
at VDD = 1.8 V to 3.6 V . . . . . . . . . . . . . . . . . . . . . . . . . . . . . . . . . . . . . . . . . . . . . . . . . . . 55
Table 20. Total current consumption in Low power wait mode at VDD = 1.8 V to 3.6 V . . . . . . . . . . 56
Table 21. Total current consumption and timing in Active-halt mode at VDD = 1.8 V to 3.6 V. . . . . . 57
Table 22. Typical current consumption in Active-halt mode, RTC clocked by LSE external crystal. . 57
Table 23. Total current consumption and timing in Halt mode at VDD = 1.8 to 3.6 V . . . . . . . . . . . . 58
Table 24. Peripheral current consumption . . . . . . . . . . . . . . . . . . . . . . . . . . . . . . . . . . . . . . . . . . . . . 59
Table 25. Current consumption under external reset . . . . . . . . . . . . . . . . . . . . . . . . . . . . . . . . . . . . . 60
Table 26. HSE external clock characteristics . . . . . . . . . . . . . . . . . . . . . . . . . . . . . . . . . . . . . . . . . . . 60
Table 27. LSE external clock characteristics . . . . . . . . . . . . . . . . . . . . . . . . . . . . . . . . . . . . . . . . . . . 60
Table 28. HSE oscillator characteristics . . . . . . . . . . . . . . . . . . . . . . . . . . . . . . . . . . . . . . . . . . . . . . . 61
Table 29. LSE oscillator characteristics . . . . . . . . . . . . . . . . . . . . . . . . . . . . . . . . . . . . . . . . . . . . . . . 62
Table 30. HSI oscillator characteristics. . . . . . . . . . . . . . . . . . . . . . . . . . . . . . . . . . . . . . . . . . . . . . . . 63
Table 31. LSI oscillator characteristics . . . . . . . . . . . . . . . . . . . . . . . . . . . . . . . . . . . . . . . . . . . . . . . . 64
Table 32. RAM and hardware registers . . . . . . . . . . . . . . . . . . . . . . . . . . . . . . . . . . . . . . . . . . . . . . . 65
Table 33. Flash program and data EEPROM memory . . . . . . . . . . . . . . . . . . . . . . . . . . . . . . . . . . . . 65
Table 34. I/O current injection susceptibility . . . . . . . . . . . . . . . . . . . . . . . . . . . . . . . . . . . . . . . . . . . . 66
Table 35. I/O static characteristics . . . . . . . . . . . . . . . . . . . . . . . . . . . . . . . . . . . . . . . . . . . . . . . . . . . 67
Table 36. Output driving current (high sink ports). . . . . . . . . . . . . . . . . . . . . . . . . . . . . . . . . . . . . . . . 70
Table 37. Output driving current (true open drain ports). . . . . . . . . . . . . . . . . . . . . . . . . . . . . . . . . . . 70
Table 38. Output driving current (PA0 with high sink LED driver capability). . . . . . . . . . . . . . . . . . . . 70
Table 39. NRST pin characteristics . . . . . . . . . . . . . . . . . . . . . . . . . . . . . . . . . . . . . . . . . . . . . . . . . . 72
Table 40. SPI1 characteristics . . . . . . . . . . . . . . . . . . . . . . . . . . . . . . . . . . . . . . . . . . . . . . . . . . . . . . 74
Table 41. I2C characteristics . . . . . . . . . . . . . . . . . . . . . . . . . . . . . . . . . . . . . . . . . . . . . . . . . . . . . . . 77
Table 42. Reference voltage characteristics. . . . . . . . . . . . . . . . . . . . . . . . . . . . . . . . . . . . . . . . . . . . 79
Table 43. ADC1 characteristics . . . . . . . . . . . . . . . . . . . . . . . . . . . . . . . . . . . . . . . . . . . . . . . . . . . . . 80
Table 44. ADC1 accuracy with VDDA = 3.3 V to 2.5 V. . . . . . . . . . . . . . . . . . . . . . . . . . . . . . . . . . . . 82
Table 45. ADC1 accuracy with VDDA = 2.4 V to 3.6 V. . . . . . . . . . . . . . . . . . . . . . . . . . . . . . . . . . . . 82
Table 46. ADC1 accuracy with VDDA = VREF+ = 1.8 V to 2.4 V . . . . . . . . . . . . . . . . . . . . . . . . . . . . 82
Table 47. RAIN max for fADC = 16 MHz. . . . . . . . . . . . . . . . . . . . . . . . . . . . . . . . . . . . . . . . . . . . . . . . 84

List of tables STM8L051F3
6/96 DS9178 Rev 4
Table 48. EMS data . . . . . . . . . . . . . . . . . . . . . . . . . . . . . . . . . . . . . . . . . . . . . . . . . . . . . . . . . . . . . . 86
Table 49. EMI data . . . . . . . . . . . . . . . . . . . . . . . . . . . . . . . . . . . . . . . . . . . . . . . . . . . . . . . . . . . . . . 86
Table 50. ESD absolute maximum ratings . . . . . . . . . . . . . . . . . . . . . . . . . . . . . . . . . . . . . . . . . . . . . 87
Table 51. Electrical sensitivities . . . . . . . . . . . . . . . . . . . . . . . . . . . . . . . . . . . . . . . . . . . . . . . . . . . . . 87
Table 52. TSSOP20 – 20-lead thin shrink small outline, 6.5 x 4.4 mm, 0.65 mm pitch,
package mechanical data . . . . . . . . . . . . . . . . . . . . . . . . . . . . . . . . . . . . . . . . . . . . . . . . . . 89
Table 53. Thermal characteristics. . . . . . . . . . . . . . . . . . . . . . . . . . . . . . . . . . . . . . . . . . . . . . . . . . . . 92
Table 54. Document revision history . . . . . . . . . . . . . . . . . . . . . . . . . . . . . . . . . . . . . . . . . . . . . . . . . 94

DS9178 Rev 4 7/96
STM8L051F3 List of figures
7
List of figures
Figure 1. STM8L051F3 block diagram . . . . . . . . . . . . . . . . . . . . . . . . . . . . . . . . . . . . . . . . . . . . . . . 12
Figure 2. STM8L051F3 clock tree diagram . . . . . . . . . . . . . . . . . . . . . . . . . . . . . . . . . . . . . . . . . . . . 17
Figure 3. STM8L051F3 20-pin TSSOP20 package pinout . . . . . . . . . . . . . . . . . . . . . . . . . . . . . . . . 23
Figure 4. Memory map . . . . . . . . . . . . . . . . . . . . . . . . . . . . . . . . . . . . . . . . . . . . . . . . . . . . . . . . . . . . 26
Figure 5. Pin loading conditions . . . . . . . . . . . . . . . . . . . . . . . . . . . . . . . . . . . . . . . . . . . . . . . . . . . . . 45
Figure 6. Pin input voltage . . . . . . . . . . . . . . . . . . . . . . . . . . . . . . . . . . . . . . . . . . . . . . . . . . . . . . . . . 46
Figure 7. POR/BOR thresholds . . . . . . . . . . . . . . . . . . . . . . . . . . . . . . . . . . . . . . . . . . . . . . . . . . . . . 50
Figure 8. Typ. IDD(RUN) vs. VDD, fCPU = 16 MHz . . . . . . . . . . . . . . . . . . . . . . . . . . . . . . . . . . . . . 52
Figure 9. Typ. IDD(Wait) vs. VDD, fCPU = 16 MHz 1). . . . . . . . . . . . . . . . . . . . . . . . . . . . . . . . . . . . 54
Figure 10. Typ. IDD(LPR) vs. VDD (LSI clock source) . . . . . . . . . . . . . . . . . . . . . . . . . . . . . . . . . . . . 55
Figure 11. Typ. IDD(LPW) vs. VDD (LSI clock source) . . . . . . . . . . . . . . . . . . . . . . . . . . . . . . . . . . . . 56
Figure 12. HSE oscillator circuit diagram . . . . . . . . . . . . . . . . . . . . . . . . . . . . . . . . . . . . . . . . . . . . . . . 61
Figure 13. LSE oscillator circuit diagram . . . . . . . . . . . . . . . . . . . . . . . . . . . . . . . . . . . . . . . . . . . . . . . 62
Figure 14. Typical HSI frequency vs VDD. . . . . . . . . . . . . . . . . . . . . . . . . . . . . . . . . . . . . . . . . . . . . . . 63
Figure 15. Typical LSI frequency vs. VDD . . . . . . . . . . . . . . . . . . . . . . . . . . . . . . . . . . . . . . . . . . . . . 64
Figure 16. Typical VIL and VIH vs VDD (high sink I/Os) . . . . . . . . . . . . . . . . . . . . . . . . . . . . . . . . . . . 68
Figure 17. Typical VIL and VIH vs VDD (true open drain I/Os) . . . . . . . . . . . . . . . . . . . . . . . . . . . . . . 68
Figure 18. Typical pull-up resistance RPU vs VDD with VIN=VSS . . . . . . . . . . . . . . . . . . . . . . . . . . . . 69
Figure 19. Typical pull-up current Ipu vs VDD with VIN=VSS . . . . . . . . . . . . . . . . . . . . . . . . . . . . . . . . 69
Figure 20. Typ. VOL @ VDD = 3.0 V (high sink ports) . . . . . . . . . . . . . . . . . . . . . . . . . . . . . . . . . . . . 71
Figure 21. Typ. VOL @ VDD = 1.8 V (high sink ports) . . . . . . . . . . . . . . . . . . . . . . . . . . . . . . . . . . . . 71
Figure 22. Typ. VOL @ VDD = 3.0 V (true open drain ports) . . . . . . . . . . . . . . . . . . . . . . . . . . . . . . . 71
Figure 23. Typ. VOL @ VDD = 1.8 V (true open drain ports) . . . . . . . . . . . . . . . . . . . . . . . . . . . . . . . 71
Figure 24. Typ. VDD - VOH @ VDD = 3.0 V (high sink ports) . . . . . . . . . . . . . . . . . . . . . . . . . . . . . . . 71
Figure 25. Typ. VDD - VOH @ VDD = 1.8 V (high sink ports) . . . . . . . . . . . . . . . . . . . . . . . . . . . . . . . 71
Figure 26. Typical NRST pull-up resistance RPU vs VDD . . . . . . . . . . . . . . . . . . . . . . . . . . . . . . . . . . 72
Figure 27. Typical NRST pull-up current Ipu vs VDD . . . . . . . . . . . . . . . . . . . . . . . . . . . . . . . . . . . . . . 73
Figure 28. Recommended NRST pin configuration . . . . . . . . . . . . . . . . . . . . . . . . . . . . . . . . . . . . . . . 73
Figure 29. SPI1 timing diagram - slave mode and CPHA=0 . . . . . . . . . . . . . . . . . . . . . . . . . . . . . . . . 75
Figure 30. SPI1 timing diagram - slave mode and CPHA=1(1) . . . . . . . . . . . . . . . . . . . . . . . . . . . . . . 75
Figure 31. SPI1 timing diagram - master mode(1) . . . . . . . . . . . . . . . . . . . . . . . . . . . . . . . . . . . . . . . . 76
Figure 32. Typical application with I2C bus and timing diagram 1) . . . . . . . . . . . . . . . . . . . . . . . . . . . 78
Figure 33. ADC1 accuracy characteristics . . . . . . . . . . . . . . . . . . . . . . . . . . . . . . . . . . . . . . . . . . . . . . 83
Figure 34. Typical connection diagram using the ADC . . . . . . . . . . . . . . . . . . . . . . . . . . . . . . . . . . . . 83
Figure 35. Maximum dynamic current consumption on VREF+ supply pin during ADC
conversion . . . . . . . . . . . . . . . . . . . . . . . . . . . . . . . . . . . . . . . . . . . . . . . . . . . . . . . . . . . . . 83
Figure 36. Power supply and reference decoupling (VREF+ not connected to VDDA). . . . . . . . . . . . . . 84
Figure 37. Power supply and reference decoupling (VREF+ connected to VDDA) . . . . . . . . . . . . . . . 85
Figure 38. TSSOP20 – 20-lead thin shrink small outline, 6.5 x 4.4 mm, 0.65 mm pitch,
package outline. . . . . . . . . . . . . . . . . . . . . . . . . . . . . . . . . . . . . . . . . . . . . . . . . . . . . . . . . . 89
Figure 39. TSSOP20 – 20-lead thin shrink small outline, 6.5 x 4.4 mm, 0.65 mm pitch,
package footprint . . . . . . . . . . . . . . . . . . . . . . . . . . . . . . . . . . . . . . . . . . . . . . . . . . . . . . . . 90
Figure 40. Device marking for TSSOP20 – 20-lead thin shrink small outline,
6.5 x 4.4 mm, 0.65 mm pitch example . . . . . . . . . . . . . . . . . . . . . . . . . . . . . . . . . . . . . . . . 91
Figure 41. Low density value line STM8L051F3 ordering information scheme . . . . . . . . . . . . . . . . . . 93

Introduction STM8L051F3
8/96 DS9178 Rev 4
1 Introduction
This document describes the features, pinout, mechanical data and ordering information for
the low density STM8L051F3 microcontroller with 8-Kbyte Flash memory density.
For further details on the whole STMicroelectronics low density family please refer to
Section 2.2: Ultra-low-power continuum.
For detailed information on device operation and registers, refer to the STM8L050J3,
STM8L051F3, STM8L052C6, STM8L052R8 MCUs and STM8L151/L152, STM8L162,
STM8AL31, STM8AL3L lines reference manual (RM0031).
For information on to the Flash program memory and data EEPROM, refer to the How to
program STM8L and STM8AL Flash program memory and data EEPROM programming
manual (PM0054).
For information on the debug module and SWIM (single wire interface module), refer to the
STM8 SWIM communication protocol and debug module user manual (UM0470).
For information on the STM8 core, refer to the STM8 CPU programming manual (PM0044).
The low density value line devices, including STM8L051F3, provide the following benefits:
•Integrated system
– 8 Kbytes of low-density embedded Flash program memory
– 256 bytes of data EEPROM
– 1 Kbyte of RAM
– Internal high-speed and low-power low speed RC
– Embedded reset
•Ultra-low-power consumption
– 1 µA in Active-halt mode
– Clock gated system and optimized power management
– Capability to execute from RAM for Low-power wait mode and Low-power run
mode
•Advanced features
– Up to 16 MIPS at 16 MHz CPU clock frequency
– Direct memory access (DMA) for memory-to-memory or peripheral-to-memory
access
•Short development cycles
– Application scalability across a common family product architecture with
compatible pinout, memory map and modular peripherals
– Wide choice of development tools
These features make STM8L051F3 suitable for a wide range of consumer and mass market
applications.
Refer to Table 1: STM8L051F3 features and peripheral counts and Section 3: Functional
overview for an overview of the complete range of peripherals proposed in this family.
Figure 1 shows the block diagram of the low density STM8L051F3 device.

DS9178 Rev 4 9/96
STM8L051F3 Description
41
2 Description
STM8L051F3 is member of the STM8L ultra-low-power 8-bit family.
STM8L051F3 features an enhanced STM8 CPU core providing increased processing power
(up to 16 MIPS at 16 MHz) while maintaining the advantages of a CISC architecture with
improved code density, a 24-bit linear addressing space and an optimized architecture for
low-power operations.
The STM8L051F3 MCU includes an integrated debug module with a hardware interface
(SWIM) which allows non-intrusive In-Application debugging and ultra-fast Flash
programming. It features an embedded data EEPROM and low-power, low-voltage, single-
supply program Flash memory.
The device incorporates an extensive range of enhanced I/Os and peripherals, a 12-bit
ADC, a real-time clock, two 16-bit timers, one 8-bit timer, as well as standard
communication interfaces such as an SPI, an I2C interface, and one USART.
The modular design of the peripheral set allows this device to have the same peripherals
that can be found in different ST microcontroller families including 32-bit families. This
makes any transition to a different family very easy, supported also by the use of a common
set of development tools.
STM8L051F3 as all the value line STM8L ultra-low-power products are based on the same
architecture with the same memory mapping and a coherent pinout.

Description STM8L051F3
10/96 DS9178 Rev 4
2.1 Device overview
Table 1. STM8L051F3 features and peripheral counts
Features STM8L051F3
Flash (Kbytes) 8
Data EEPROM (Bytes) 256
RAM (Kbytes) 1
Timers
Basic 1
(8-bit)
General
purpose
2
(16-bit)
Communicati
on interfaces
SPI 1
I2C 1
USART 1
GPIOs 18 (1)
1. The number of GPIOs given in this table includes the NRST/PA1 pin but the application can use the
NRST/PA1 pin as general purpose output only (PA1).
12-bit synchronized ADC
(number of channels)
1
(10)
Others
RTC, window watchdog, independent watchdog,
16-MHz and 32-kHz internal RC,
1- to 16-MHz and 32-kHz external oscillator
CPU frequency 16 MHz
Operating voltage 1.8 to 3.6 V
Operating temperature − 40 to +85 °C
Package TSSOP20

DS9178 Rev 4 11/96
STM8L051F3 Description
41
2.2 Ultra-low-power continuum
STM8L051F3 is part of STM8’s ultra-low-power value line on which all the devices are pin-
to-pin, software and feature compatible. Besides the full compatibility within the STM8L
family, the devices are part of STMicroelectronics microcontrollers ultra-low-power strategy
which also includes the STM8L001xx, STM8L101xx and STM32L15xxx devices. The
STM8L and STM32L families allow a continuum of performance, peripherals, system
architecture, and features.
They are all based on STMicroelectronics 0.13 µm ultra-low leakage process.
Note: 1 STM8L051F3 is pin-to-pin compatible with STM8L101xx devices.
2 The STM32L family is pin-to-pin compatible with the general purpose STM32F family.
Please refer to STM32L15x documentation for more information on these devices.
Performance
All the STMicroelectronics ultra-low-power families incorporate highly energy-efficient cores
with both Harvard architecture and pipelined execution: advanced STM8 core for STM8L
families and ARM® 32-bit Cortex®-M3 core for STM32L family. In addition specific care for
the design architecture has been taken to optimize the mA/DMIPS and mA/MHz ratios.
This allows the ultra-low-power performance to range from 5 up to 33.3 DMIPs.
Shared peripherals
The STM8L05xxx, STM8L15xxx and STM32L15xxx devices share identical peripherals
which ensure a very easy migration from one family to another:
•Analog peripheral: ADC1
•Digital peripherals: RTC and some communication interfaces
Common system strategy
To offer flexibility and optimize performance, the STM8L and STM32L devices use a
common architecture:
•Same power supply range from 1.8 to 3.6 V
•Architecture optimized to reach ultra-low consumption both in low-power modes and
Run mode
•Fast startup strategy from low-power modes
•Flexible system clock
•Ultra-safe reset: same reset strategy for both STM8L and STM32L including power-on
reset, power-down reset, brownout reset and programmable voltage detector.
Features
ST ultra-low-power continuum also lies in feature compatibility:
•More than 10 packages with pin count from 20 to 100 pins and size down to 3 x 3 mm
•Memory density ranging from 4 to 128 Kbytes

Functional overview STM8L051F3
12/96 DS9178 Rev 4
3 Functional overview
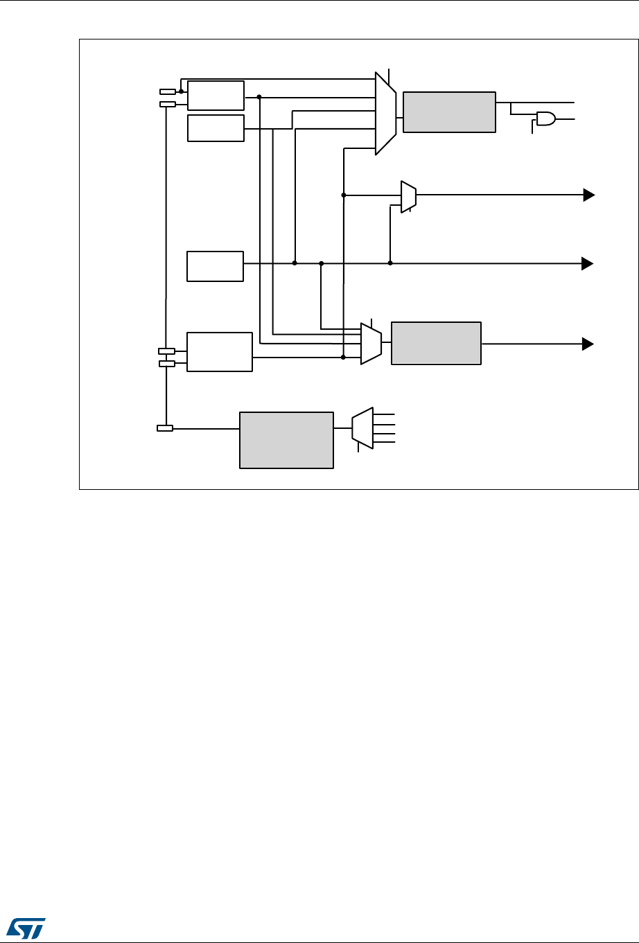
Figure 1. STM8L051F3 block diagram
1. Legend:
ADC: Analog-to-digital converter
BOR: Brownout reset
DMA: Direct memory access
I²C: Inter-integrated circuit multimaster interface
IWDG: Independent watchdog
POR/PDR: Power-on reset / power-down reset
RTC: Real-time clock
SPI: Serial peripheral interface
SWIM: Single wire interface module
USART: Universal synchronous asynchronous receiver transmitter
WWDG: Window watchdog
MS30321V2
Clock
controller
and CSS Clocks
A ddress , control and data buses
8-Kbyte
1-Kbyte RAM
to core and
peripherals
IWDG
(38 kHz clock)
Port A
Port B
Port C
Power
VOLT. REG.
WWDG
256-byte
Port D
Beeper
RTC
memoryProgram
Data EEPROM
@V DD
VDD18 VDD =1.8 V
VSS
SWIM
SCL, SDA,
SPI1_MOSI, SPI1_MISO,
SPI1_SCK, SPI1_NSS
USART1_RX, USART1_TX,
USART1_CK
ADC1_INx
VDDA, VSSA
SMB
@VDDA /V
SSA
12-bit ADC1
VDDREF
3.6 V
NRST
PA[7:0]
PB[7:0]
PC[7:0]
PD[7:0]
BEEP
ALARM,
TAMP1/2/3
POR/PDR
OSC_IN,
OSC_OUT
OSC32_IN,
OSC32_OUT
to
BOR
PVD PVD_IN
RESET
DMA1 (4 channels)
2 channels
2 channels
Internal reference
voltage
VREFINT out
IR_TIM
1-16 MHz oscillator
16 MHz internal RC
32 kHz oscillator
STM8 Core
16-bit Timer 2
38 kHz internal RC
Interrupt controller
16-bit Timer 3
Debug module
(SWIM)
8-bit Timer 4
Infrared interface
SPI1
I²C1
USART1
VSSREF
(2)
(2)
(2)

DS9178 Rev 4 13/96
STM8L051F3 Functional overview
41
3.1 Low-power modes
STM8L051F3 as well as all the low density value line STM8L05xxx devices support five low-
power modes to achieve the best compromise between low power consumption, short
startup time and available wakeup sources:
•Wait mode: The CPU clock is stopped, but selected peripherals keep running. An
internal or external interrupt or a Reset can be used to exit the microcontroller from
Wait mode (WFE or WFI mode).
•Low-power run mode: The CPU and the selected peripherals are running. Execution
is done from RAM with a low speed oscillator (LSI or LSE). Flash memory and data
EEPROM are stopped and the voltage regulator is configured in ultra-low-power mode.
The microcontroller enters Low-power run mode by software and can exit from this
mode by software or by a reset.
All interrupts must be masked. They cannot be used to exit the microcontroller from this
mode.
•Low-power wait mode: This mode is entered when executing a Wait for event in Low-
power run mode. It is similar to Low-power run mode except that the CPU clock is
stopped. The wakeup from this mode is triggered by a Reset or by an internal or
external event (peripheral event generated by the timers, serial interfaces, DMA
controller (DMA1) and I/O ports). When the wakeup is triggered by an event, the
system goes back to Low-power run mode.
All interrupts must be masked. They cannot be used to exit the microcontroller from this
mode.
•Active-halt mode: CPU and peripheral clocks are stopped, except RTC. The wakeup
can be triggered by RTC interrupts, external interrupts or reset.
•Halt mode: CPU and peripheral clocks are stopped, the device remains powered on.
The RAM content is preserved. The wakeup is triggered by an external interrupt or
reset. A few peripherals have also a wakeup from Halt capability. Switching off the
internal reference voltage reduces power consumption. Through software configuration
it is also possible to wake up the device without waiting for the internal reference
voltage wakeup time to have a fast wakeup time of 5 µs.

Functional overview STM8L051F3
14/96 DS9178 Rev 4
3.2 Central processing unit STM8
The central processing unit represents the core of the microcontroller; it executes code and
controls the peripherals.
3.2.1 Advanced STM8 Core
The 8-bit STM8 core is designed for code efficiency and performance with an Harvard
architecture and a 3-stage pipeline.
It contains 6 internal registers which are directly addressable in each execution context, 20
addressing modes including indexed indirect and relative addressing, and 80 instructions.
Architecture and registers
•Harvard architecture
•3-stage pipeline
•32-bit wide program memory bus - single cycle fetching most instructions
•X and Y 16-bit index registers - enabling indexed addressing modes with or without
offset and read-modify-write type data manipulations
•8-bit accumulator
•24-bit program counter - 16-Mbyte linear memory space
•16-bit stack pointer - access to a 64-Kbyte level stack
•8-bit condition code register - 7 condition flags for the result of the last instruction
Addressing
•20 addressing modes
•Indexed indirect addressing mode for lookup tables located anywhere in the address
space
•Stack pointer relative addressing mode for local variables and parameter passing
Instruction set
•80 instructions with 2-byte average instruction size
•Standard data movement and logic/arithmetic functions
•8-bit by 8-bit multiplication
•16-bit by 8-bit and 16-bit by 16-bit division
•Bit manipulation
•Data transfer between stack and accumulator (push/pop) with direct stack access
•Data transfer using the X and Y registers or direct memory-to-memory transfers
3.2.2 Interrupt controller
STM8L051F3 and all the low density value line STM8L05xxx feature a nested vectored
interrupt controller:
•Nested interrupts with 3 software priority levels
•32 interrupt vectors with hardware priority
•Up to 17 external interrupt sources on 11 vectors
•Trap and reset interrupts

DS9178 Rev 4 15/96
STM8L051F3 Functional overview
41
3.3 Reset and supply management
The power supplies requirements must be defined in order to have a correct microcontroller
operation. The reset and supply management controls the microcontroller operation under
defined conditions.
3.3.1 Power supply scheme
The device requires a 1.8 V to 3.6 V operating supply voltage (VDD). The external power
supply pins must be connected as follows:
•VSS1; VDD1 = 1.8 to 3.6 V: external power supply for I/Os and for the internal regulator.
Provided externally through VDD1 pins, the corresponding ground pin is VSS1.
•VSSA; VDDA = 1.8 to 3.6 V: external power supplies for analog peripherals. VDDA and
VSSA must be connected to VDD1 and VSS1, respectively.
•VSS2; VDD2 = 1.8 to 3.6 V: external power supplies for I/Os. VDD2 and VSS2 must be
connected to VDD1 and VSS1, respectively.
•VREF+, VREF- (for ADC1): external reference voltage for ADC1. Must be
providedexternally through VREF+ and VREF- pin.
3.3.2 Power supply supervisor
The device has an integrated ZEROPOWER power-on reset (POR)/power-down reset
(PDR), coupled with a brownout reset (BOR) circuitry. When the microcontroller operates
between 1.8 and 3.6 V, BOR is always active and ensures proper operation starting from
1.8 V. After the 1.8 V BOR threshold is reached, the option byte loading process starts,
either to confirm or modify default thresholds, or to disable BOR permanently.
Five BOR thresholds are available through option bytes, starting from 1.8 V to 3 V. To
reduce the power consumption in Halt mode, it is possible to automatically switch off the
internal reference voltage (and consequently the BOR) in Halt mode. The device remains in
reset state when VDD is below a specified threshold, VPOR/PDR or VBOR, without the need for
any external reset circuit.
The device features an embedded programmable voltage detector (PVD) that monitors the
VDD/VDDA power supply and compares it to the VPVD threshold. This PVD offers 7 different
levels between 1.85 V and 3.05 V, chosen by software, with a step around 200 mV. An
interrupt can be generated when VDD/VDDA drops below the VPVD threshold and/or when
VDD/VDDA is higher than the VPVD threshold. The interrupt service routine can then generate
a warning message and/or put the MCU into a safe state. The PVD is enabled by software.
3.3.3 Voltage regulator
STM8L051F3 as all the low density value line STM8L05xxx embeds an internal voltage
regulator for generating the 1.8 V power supply for the core and peripherals.
This regulator has two different modes:
•Main voltage regulator mode (MVR) for Run, Wait for interrupt (WFI) and Wait for event
(WFE) modes.
•Low-power voltage regulator mode (LPVR) for Halt, Active-halt, Low-power run and
Low-power wait modes.
When entering Halt or Active-halt modes, the system automatically switches from the MVR
to the LPVR in order to reduce current consumption.

Functional overview STM8L051F3
16/96 DS9178 Rev 4
3.4 Clock management
The clock controller distributes the system clock (SYSCLK) coming from different oscillators
to the core and the peripherals. It also manages clock gating for low-power modes and
ensures clock robustness.
Features
•Clock prescaler: to get the best compromise between speed and current consumption
the clock frequency to the CPU and peripherals can be adjusted by a programmable
prescaler.
•Safe clock switching: Clock sources can be changed safely on the fly in run mode
through a configuration register.
•Clock management: To reduce power consumption, the clock controller can stop the
clock to the core, individual peripherals or memory.
•System clock sources: four different clock sources can be used to drive the system
clock:
– 1-16 MHz High speed external crystal (HSE)
– 16 MHz High speed internal RC oscillator (HSI)
– 32.768 Low speed external crystal (LSE)
– 38 kHz Low speed internal RC (LSI)
•RTC clock sources: the above four sources can be chosen to clock the RTC whatever
the system clock.
•Startup clock: After reset, the microcontroller restarts by default with an internal
2 MHz clock (HSI/8). The prescaler ratio and clock source can be changed by the
application program as soon as the code execution starts.
•Clock security system (CSS): This feature can be enabled by software. If a HSE
clock failure occurs, it is automatically switched to HSI.
•Configurable main clock output (CCO): This outputs an external clock for use by the
application.

DS9178 Rev 4 17/96
STM8L051F3 Functional overview
41
Figure 2. STM8L051F3 clock tree diagram
1. The HSE clock source can be either an external crystal/ceramic resonator or an external source (HSE
bypass). Refer to Section HSE clock in the STM8L050J3, STM8L051F3, STM8L052C6, STM8L052R8
MCUs and STM8L151/L152, STM8L162, STM8AL31, STM8AL3L lines reference manual (RM0031).
2. The LSE clock source can be either an external crystal/ceramic resonator or a external source (LSE
bypass). Refer to Section LSE clock in the STM8L050J3, STM8L051F3, STM8L052C6, STM8L052R8
MCUs and STM8L151/L152, STM8L162, STM8AL31, STM8AL3L lines reference manual (RM0031).
OSC_OUT
OSC_IN
HSE
HSI
LSI
LSE
LSE
LSI
HSE OSC
1-16 MHz
HSI RC
1-16 MHz
LSI RC
38 kHz
LSE OSC
32.768 kHz
OSC32_OUT
OSC32_IN
CCO
Configurable
clock output
/1;2;4;8;16;32;64
prescaler
CCO
HSE
HSI
LSI
LSE
/1;2;4;8;16;32;64
prescaler
SYSCLK
SYSCLK to core and
memory
PCLK to
peripherals
Peripheral
Clock
CLKBEEPSEL[1:0]
IWDGCLK
BEEPCLK
RTCCLK
enable (13 bits)
RTCSEL[3:0]
RTC
/1;2;4;8;16;32;64
prescaler
to
BEEP
to
IWDG
to
RTC
MS18281V2
SWIM[3:0]
CCOSEL[3:0]

Functional overview STM8L051F3
18/96 DS9178 Rev 4
3.5 Low power real-time clock
The real-time clock (RTC) is an independent binary coded decimal (BCD) timer/counter.
Six byte locations contain the second, minute, hour (12/24 hour), week day, date, month,
year, in BCD (binary coded decimal) format. Correction for 28, 29 (leap year), 30, and 31
day months are made automatically.
It provides a programmable alarm and programmable periodic interrupts with wakeup from
Halt capability.
•Periodic wakeup time using the 32.768 kHz LSE with the lowest resolution (of 61 µs) is
from min. 122 µs to max. 3.9 s. With a different resolution, the wakeup time can reach
36 hours
•Periodic alarms based on the calendar can also be generated from every second to
every year
3.6 Memories
STM8L051F3 as all the low density value line STM8L05xxx devices have the following main
features:
•Up to 1 Kbyte of RAM
•The non-volatile memory is divided into three arrays:
– 8 Kbytes of low-density embedded Flash program memory
– 256 bytes of Data EEPROM
– Option bytes
The EEPROM embeds the error correction code (ECC) feature.
The option byte protects part of the Flash program memory from write and readout piracy.
3.7 DMA
A 4-channel direct memory access controller (DMA1) offers a memory-to-memory and
peripherals-from/to-memory transfer capability. The 4 channels are shared between the
following IPs with DMA capability: ADC1, I2C1, SPI1, USART1, and the three timers.
3.8 Analog-to-digital converter
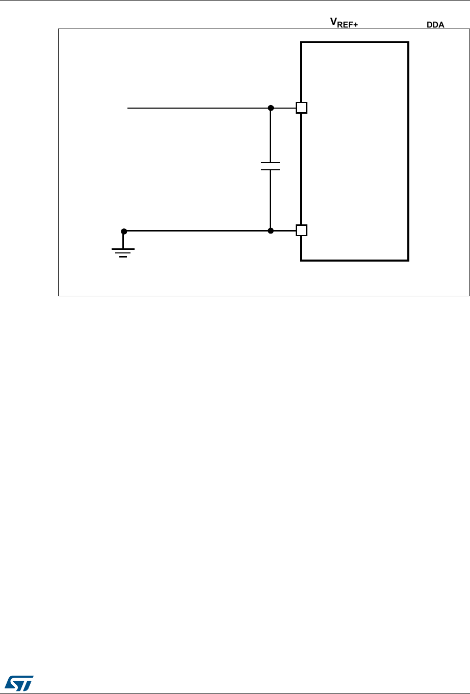
•12-bit analog-to-digital converter (ADC1) with 10 channels (no fast channel) and
internal reference voltage
•Conversion time down to 1 µs with fSYSCLK= 16 MHz
•Programmable resolution
•Programmable sampling time
•Single and continuous mode of conversion
•Scan capability: automatic conversion performed on a selected group of analog inputs
•Analog watchdog
•Triggered by timer
Note: ADC1 can be served by DMA1.

DS9178 Rev 4 19/96
STM8L051F3 Functional overview
41
3.9 System configuration controller and routing interface
The system configuration controller provides the capability to remap some alternate
functions on different I/O ports. TIM4 and ADC1 DMA channels can also be remapped.
The highly flexible routing interface controls the routing of internal analog signals to ADC1
and the internal reference voltage VREFINT.
3.10 Timers
STM8L051F3 contains two 16-bit general purpose timers (TIM2 and TIM3) and one 8-bit
basic timer (TIM4).
All the timers can be served by DMA1.
Table 2 compares the features of the advanced control, general-purpose and basic timers.
3.10.1 16-bit general purpose timers (TIM2, TIM3)
•16-bit autoreload (AR) up/down-counter
•7-bit prescaler adjustable to fixed power of 2 ratios (1…128)
•2 individually configurable capture/compare channels
•PWM mode
•Interrupt capability on various events (capture, compare, overflow, break, trigger)
•Synchronization with other timers or external signals (external clock, reset, trigger and
enable)
3.10.2 8-bit basic timer (TIM4)
The 8-bit timer consists of an 8-bit up auto-reload counter driven by a programmable
prescaler. It can be used for timebase generation with interrupt generation on timer
overflow.
3.11 Watchdog timers
The watchdog system is based on two independent timers providing maximum security to
the applications.
Table 2. Timer feature comparison
Timer Counter
resolution
Counter
type Prescaler factor
DMA1
request
generation
Capture/compare
channels
Complementary
outputs
TIM2
16-bit up/down Any power of 2
from 1 to 128
Yes
2
None
TIM3 2
TIM4 8-bit up Any power of 2
from 1 to 32768 0

Functional overview STM8L051F3
20/96 DS9178 Rev 4
3.11.1 Window watchdog timer
The window watchdog (WWDG) is used to detect the occurrence of a software fault, usually
generated by external interferences or by unexpected logical conditions, which cause the
application program to abandon its normal sequence.
3.11.2 Independent watchdog timer
The independent watchdog peripheral (IWDG) can be used to resolve processor
malfunctions due to hardware or software failures.
It is clocked by the internal LSI RC clock source, and thus stays active even in case of a
CPU clock failure.
3.12 Beeper
The beeper function outputs a signal on the BEEP pin for sound generation. The signal is in
the range of 1, 2 or 4 kHz.
3.13 Communication interfaces
This section describes the three communication interfaces of STM8L050J3: SPI, I2C and
USART.
3.13.1 SPI
The serial peripheral interfaces (SPI1) provide half/ full duplex synchronous serial
communication with external devices.
•Maximum speed: 8 Mbit/s (fSYSCLK/2) both for master and slave
•Full duplex synchronous transfers
•Simplex synchronous transfers on 2 lines with a possible bidirectional data line
•Master or slave operation - selectable by hardware or software
•Hardware CRC calculation
•Slave/master selection input pin
Note: SPI1 can be served by the DMA1 Controller.
3.13.2 I2C
The I2C bus interface (I2C1) provides multi-master capability, and controls all I2C bus-
specific sequencing, protocol, arbitration and timing.
•Master, slave and multi-master capability
•Standard mode up to 100 kHz and fast speed modes up to 400 kHz
•7-bit and 10-bit addressing modes
•SMBus 2.0 and PMBus support
•Hardware CRC calculation
Note: I2C1 can be served by the DMA1 Controller.

DS9178 Rev 4 21/96
STM8L051F3 Functional overview
41
3.13.3 USART
The USART interface (USART1) allows full duplex, asynchronous communications with
external devices requiring an industry standard NRZ asynchronous serial data format. It
offers a very wide range of baud rates.
•1 Mbit/s full duplex SCI
•SPI1 emulation
•High precision baud rate generator
•Smartcard emulation
•IrDA SIR encoder decoder
•Single wire half duplex mode
Note: USART1 can be served by the DMA1 Controller.
3.14 Infrared (IR) interface
The low density STM8L05xxx devices contain an infrared interface which can be used with
an IR LED for remote control functions. Two timer output compare channels are used to
generate the infrared remote control signals.
3.15 Development support
Development tools
Development tools for the STM8 microcontrollers include:
•The STice emulation system offering tracing and code profiling
•The STVD high-level language debugger including C compiler, assembler and
integrated development environment
•The STVP Flash programming software
The STM8 also comes with starter kits, evaluation boards and low-cost in-circuit
debugging/programming tools.
Single wire data interface (SWIM) and debug module
The debug module with its single wire data interface (SWIM) permits non-intrusive real-time
in-circuit debugging and fast memory programming.
The Single wire interface is used for direct access to the debugging module and memory
programming. The interface can be activated in all device operation modes.
The non-intrusive debugging module features a performance close to a full-featured
emulator. Beside memory and peripherals, CPU operation can also be monitored in real-
time by means of shadow registers.
If the initial delay is not acceptable for the application there is the option that the firmware
reenables the SWIM pin functionality under specific conditions such as during firmware
startup or during application run. Once that this procedure is done, the SWIM interface can
be used for device debug/programming.

Functional overview STM8L051F3
22/96 DS9178 Rev 4
Bootloader
STM8L051F3 features a built-in bootloader. See STM8 bootloader user manual (UM0560).
The bootloader is used to download application software into the device memories,
including RAM, program and data memory, using standard serial interfaces. It is a
complementary solution to programming via the SWIM debugging interface.

DS9178 Rev 4 23/96
STM8L051F3 Pin description
41
4 Pin description
Figure 3. STM8L051F3 20-pin TSSOP20 package pinout
Table 3. Legend/abbreviation for Table 4
Type I= input, O = output, S = power supply
Level Output HS = high sink/source (20 mA)
Input FT - five volt tolerant
Port and control
configuration
Input float = floating, wpu = weak pull-up
Output T = true open drain, OD = open drain, PP = push pull
Reset state
Bold X (pin state after reset release).
Unless otherwise specified, the pin state is the same during the reset phase
(i.e. “under reset”) and after internal reset release (i.e. at reset state).
PA3
PA2
VSS/VSSA/VREF-
NRST / PA1
PC0
PC1
PB7
PB6
PB1
PB2
PB3
PB4
PB5
VDD/VDDA/VREF+
PC4
1
2
3
4
5
6
7
10
9
8
20
19
18
17
16
15
14
11
12
13
MS18280V1
PB0
PD0
PA0
PC6
PC5

Pin description STM8L051F3
24/96 DS9178 Rev 4
Table 4. STM8L051F3 pin description
pin
n°
Pin name
Type
I/O level
Input Output
Main function
(after reset)
Default alternate function
TSSOP20
floating
wpu
Ext. interrupt
High sink/source
OD
PP
4 NRST/PA1(1) I/O - - X-HS- XReset PA1
5PA2/OSC_IN/[USART_TX](2)/
[SPI_MISO] (2) I/O - XXXHSXX
Port
A2
HSE oscillator input / [USART
transmit] / [SPI master in- slave out]
6PA3/OSC_OUT/[USART_RX](2)
/[SPI_MOSI](2) I/O - XXXHSXX
Port
A3
HSE oscillator output / [USART
receive]/ [SPI master out/slave in]
10 PB0(3)/TIM2_CH1/ADC1_IN18 I/O - XXXHSXX
Port
B0 Timer 2 - channel 1 / ADC1_IN18
11 PB1/TIM3_CH1/ADC1_IN17 I/O - XXXHSXX
Port
B1 Timer 3 - channel 1 / ADC1_IN17
12 PB2/ TIM2_CH2/ ADC1_IN16 I/O - XXXHSXX
Port
B2 Timer 2 - channel 2 ADC1_IN16
13 PB3/TIM2_ETR/
ADC1_IN15/RTC_ALARM I/O - XXXHSXX
Port
B3
Timer 2 - external trigger /
ADC1_IN15 / RTC_ALARM
14 PB4(3)/SPI1_NSS/ADC1_IN14 I/O - XXXHSXX
Port
B4
SPI master/slave select /
ADC1_IN14
15 PB5/SPI_SCK/
/ADC1_IN13 I/O - XXXHSXX
Port
B5 [SPI clock] / ADC1_IN13
16 PB6/SPI1_MOSI/
ADC1_IN12 I/O - XXXHSXX
Port
B6
SPI master out/
slave in / ADC1_IN12
17 PB7/SPI1_MISO/ADC1_IN11 I/O - XXXHSXX
Port
B7
SPI1 master in- slave out/
ADC1_IN11
18 PC0/I2C_SDA I/O FT X-X-T
(4) Port
C0 I2C data
19 PC1/I2C_SCL I/O FT X-X-T
(3) Port
C1 I2C clock
20 PC4/USART_CK/
I2C_SMB/CCO/ADC1_IN4 I/O - XXXHSXX
Port
C4
USART synchronous clock /
I2C1_SMB / Configurable clock
output / ADC1_IN4
1PC5/OSC32_IN /[SPI1_NSS](2)/
[USART_TX]/[TIM2_CH1] I/O - XXXHSXX
Port
C5
LSE oscillator input / [SPI
master/slave select] / [USART
transmit]/Timer 2 -channel 1

DS9178 Rev 4 25/96
STM8L051F3 Pin description
41
Note: 1 The slope control of all GPIO pins, except true open drain pins, can be programmed. By
default, the slope control is limited to 2 MHz.
4.1 System configuration options
As shown in Table 4: STM8L051F3 pin description, some alternate functions can be
remapped on different I/O ports by programming one of the two remapping registers
described in the “Routing interface (RI) and system configuration controller” section in the
STM8L050J3, STM8L051F3, STM8L052C6, STM8L052R8 MCUs and STM8L151/L152,
STM8L162, STM8AL31, STM8AL3L lines reference manual (RM0031).
2PC6/OSC32_OUT/[SPI_SCK](2)
/[USART_RX]/[TIM2_CH2] I/O - XXXHSXX
Port
C6
LSE oscillator output / [SPI clock] /
[USART receive]/
Timer 2 -channel 2
9PD0/TIM3_CH2/[ADC1_TRIG](2
)/ADC1_IN22 I/O - XXXHSXX
Port
D0
Timer 3 - channel 2 /
[ADC1_Trigger] / ADC1_IN22
8V
DD / VDDA / VREF+ S-
Digital supply voltage /
ADC1 positive voltage reference
7V
SS / VREF- / VSSA -Ground voltage / ADC1 negative voltage
reference / Analog ground voltage
3PA0(5)/[USART_CK](2)/
SWIM/BEEP/IR_TIM (6) I/O - X XXHS
(6) XX
Port
A0
[USART1 synchronous clock](2) /
SWIM input and output /
Beep output / Infrared timer output
1. At power-up, the PA1/NRST pin is a reset input pin with pull-up. To be used as a general purpose pin (PA1), it can be
configured only as output open-drain or push-pull, not as a general purpose input. Refer to Section Configuring NRST/PA1
pin as general purpose output in the STM8L051/L052 Value Line, STM8L151/L152, STM8L162, STM8AL31, STM8AL3L
MCU lines reference manual (RM0031).
2. [ ] Alternate function remapping option (if the same alternate function is shown twice, it indicates an exclusive choice not a
duplication of the function).
3. A pull-up is applied to PB0 and PB4 during the reset phase. These two pins are input floating after reset release.
4. In the open-drain output column, ‘T’ defines a true open-drain I/O (P-buffer and protection diode to VDD are not
implemented).
5. The PA0 pin is in input pull-up during the reset phase and after reset release.
6. High Sink LED driver capability available on PA0.
Table 4. STM8L051F3 pin description (continued)
pin
n°
Pin name
Type
I/O level
Input Output
Main function
(after reset)
Default alternate function
TSSOP20
floating
wpu
Ext. interrupt
High sink/source
OD
PP

Memory and register map STM8L051F3
26/96 DS9178 Rev 4
5 Memory and register map
The following sections describe the mapping of the device’s memory and peripherals.
5.1 Memory mapping
The memory map is shown in Figure 4.
Figure 4. Memory map
1. Table 5 lists the boundary addresses for each memory size. The top of the stack is at the RAM end
GPIO and peripheral registers
0x00 0000
Low densit y
(8 Kbyt es)
Reset and interrupt vectors
0x0 0 10FF
RAM
0x0 0 03FF
( Kbyte)
(512 bytes)
0x00 1100
Data EEPROM
0x00 4800
0x0 0 487F
0x00 4880
0x00 7FFF
0x00 8000
0x00 9FFF
0x0 0 100 0
0x0 0 47FF
0x00 7EFF
0x00 8100
0 x00 80 FF
0 x00 7F0 0
Reserved
in cl ud in g
Stack
(256 Bytes)
Option bytes
0x00 4FFF
0x00 5000
0x0 0 5457
0x00 5458
Re s er v ed
0x00 5FFF
Boot ROM
0x00 6000
0x0 0 67FF (2 Kbytes)
0x00 6800
Re s er v ed
CPU/SWIM/Debug/ITC
Registers
Flash program memory
Re s er v ed
MS18274V3
Up to 1
Reserved
0x0 0 040 0
0x0 0 1FFF
RI
Reserved
0x00 5000
0x00 501E
0x00 5050
0x00 5055
0x00 5070
0x00 509D
0x00 50A0
0x00 50A6
0x00 50AA
0x00 50A9
0x00 50B0
0x00 50B2
0x00 50B4
0x00 50C0
0x00 50D1
0x00 50D3
0x00 50D5
0x00 50E0
0x00 50E3
0x00 50F0
0x00 50F4
0x00 5040
0x00 5191
0x00 5200
0x00 5208
0x00 5210
0x00 521F
0x00 5230
0x00 523B
0x00 5250
0x00 5267
0x00 5280
0x00 5297
0x00 52E0
0x00 52EA
0x00 52FF
0x00 5317
0x00 5340
0x00 53C8
0x00 5430
0x00 5440
0x00 5450
0x00 5457
Reserved
GPIO ports
Flash
Reserved
DMA1
SYSCFG
ITC-EXT1
WFE
RST
PWR
CLK
WWDG
ITC-EXT1
Reserved
Reserved
Reserved
Reserved
Reserved
Reserved
Reserved
Reserved
Reserved
Reserved
Reserved
Reserved
IWDG
BEEP
RTC
SPI1
I2C1
USART1
TIM2
TIM3
Reserved
Reserved
Reserved
TIM4
IRTIM
ADC1
RI

DS9178 Rev 4 27/96
STM8L051F3 Memory and register map
41
address.
2. Refer to Table 7 for an overview of hardware register mapping, to Table 6 for details on I/O port hardware
registers, and to Table 8 for information on CPU/SWIM/debug module controller registers.
5.2 Register map
Table 5. Flash and RAM boundary addresses
Memory area Size Start address End address
RAM 1 Kbyte 0x00 0000 0x00 03FF
Flash program memory 8 Kbytes 0x00 8000 0x00 9FFF
Table 6. I/O port hardware register map
Address Block Register label Register name Reset
status
0x00 5000
Port A
PA_ODR Port A data output latch register 0x00
0x00 5001 PA_IDR Port A input pin value register 0xXX
0x00 5002 PA_DDR Port A data direction register 0x00
0x00 5003 PA_CR1 Port A control register 1 0x01
0x00 5004 PA_CR2 Port A control register 2 0x00
0x00 5005
Port B
PB_ODR Port B data output latch register 0x00
0x00 5006 PB_IDR Port B input pin value register 0xXX
0x00 5007 PB_DDR Port B data direction register 0x00
0x00 5008 PB_CR1 Port B control register 1 0x00
0x00 5009 PB_CR2 Port B control register 2 0x00
0x00 500A
Port C
PC_ODR Port C data output latch register 0x00
0x00 500B PB_IDR Port C input pin value register 0xXX
0x00 500C PC_DDR Port C data direction register 0x00
0x00 500D PC_CR1 Port C control register 1 0x00
0x00 500E PC_CR2 Port C control register 2 0x00
0x00 500F
Port D
PD_ODR Port D data output latch register 0x00
0x00 5010 PD_IDR Port D input pin value register 0xXX
0x00 5011 PD_DDR Port D data direction register 0x00
0x00 5012 PD_CR1 Port D control register 1 0x00
0x00 5013 PD_CR2 Port D control register 2 0x00
0x00 5014
to
0x00 501D
Reserved area (0 bytes)

Memory and register map STM8L051F3
28/96 DS9178 Rev 4
Table 7. General hardware register map
Address Block Register label Register name Reset
status
0x00 502E
to
0x00 5049
Reserved area (44 bytes)
0x00 5050
Flash
FLASH_CR1 Flash control register 1 0x00
0x00 5051 FLASH_CR2 Flash control register 2 0x00
0x00 5052 FLASH _PUKR Flash program memory unprotection key register 0x00
0x00 5053 FLASH _DUKR Data EEPROM unprotection key register 0x00
0x00 5054 FLASH _IAPSR Flash in-application programming status register 0x00
0x00 5055
to
0x00 506F
Reserved area (27 bytes)
0x00 5070
DMA1
DMA1_GCSR DMA1 global configuration & status register 0xFC
0x00 5071 DMA1_GIR1 DMA1 global interrupt register 1 0x00
0x00 5072 to
0x00 5074
Reserved area (3
bytes)
0x00 5075 DMA1_C0CR DMA1 channel 0 configuration register 0x00
0x00 5076 DMA1_C0SPR DMA1 channel 0 status & priority register 0x00
0x00 5077 DMA1_C0NDTR DMA1 number of data to transfer register
(channel 0) 0x00
0x00 5078 DMA1_C0PARH DMA1 peripheral address high register
(channel 0) 0x52
0x00 5079 DMA1_C0PARL DMA1 peripheral address low register
(channel 0) 0x00
0x00 507A Reserved area (1 byte)
0x00 507B DMA1_C0M0ARH DMA1 memory 0 address high register
(channel 0) 0x00
0x00 507C DMA1_C0M0ARL DMA1 memory 0 address low register
(channel 0) 0x00

DS9178 Rev 4 29/96
STM8L051F3 Memory and register map
41
0x00 507D to
0x00 507E
DMA1
Reserved area (2 bytes)
0x00 507F DMA1_C1CR DMA1 channel 1 configuration register 0x00
0x00 5080 DMA1_C1SPR DMA1 channel 1 status & priority register 0x00
0x00 5081 DMA1_C1NDTR DMA1 number of data to transfer register
(channel 1) 0x00
0x00 5082 DMA1_C1PARH DMA1 peripheral address high register
(channel 1) 0x52
0x00 5083 DMA1_C1PARL DMA1 peripheral address low register
(channel 1) 0x00
0x00 5084 Reserved area (1 byte)
0x00 5085 DMA1_C1M0ARH DMA1 memory 0 address high register
(channel 1) 0x00
0x00 5086 DMA1_C1M0ARL DMA1 memory 0 address low register
(channel 1) 0x00
0x00 5087
0x00 5088 Reserved area (2 bytes)
0x00 5089 DMA1_C2CR DMA1 channel 2 configuration register 0x00
0x00 508A DMA1_C2SPR DMA1 channel 2 status & priority register 0x00
0x00 508B DMA1_C2NDTR DMA1 number of data to transfer register
(channel 2) 0x00
0x00 508C DMA1_C2PARH DMA1 peripheral address high register
(channel 2) 0x52
0x00 508D DMA1_C2PARL DMA1 peripheral address low register
(channel 2) 0x00
0x00 508E Reserved area (1 byte)
0x00 508F DMA1_C2M0ARH DMA1 memory 0 address high register
(channel 2) 0x00
0x00 5090 DMA1_C2M0ARL DMA1 memory 0 address low register
(channel 2) 0x00
0x00 5091
0x00 5092 Reserved area (2 bytes)
0x00 5093 DMA1_C3CR DMA1 channel 3 configuration register 0x00
0x00 5094 DMA1_C3SPR DMA1 channel 3 status & priority register 0x00
0x00 5095 DMA1_C3NDTR DMA1 number of data to transfer register
(channel 3) 0x00
0x00 5096 DMA1_C3PARH_
C3M1ARH
DMA1 peripheral address high register
(channel 3) 0x40
0x00 5097 DMA1_C3PARL_
C3M1ARL
DMA1 peripheral address low register
(channel 3) 0x00
Table 7. General hardware register map (continued)
Address Block Register label Register name Reset
status

Memory and register map STM8L051F3
30/96 DS9178 Rev 4
0x00 5098
DMA1
DMA_C3M0EAR DMA channel 3 memory 0 extended address
register 0x00
0x00 5099 DMA1_C3M0ARH DMA1 memory 0 address high register
(channel 3) 0x00
0x00 509A DMA1_C3M0ARL DMA1 memory 0 address low register
(channel 3) 0x00
0x00 509B to
0x00 509C Reserved area (3 bytes)
0x00 509D
SYSCFG
SYSCFG_RMPCR3 Remapping register 3 0x00
0x00 509E SYSCFG_RMPCR1 Remapping register 1 0x00
0x00 509F SYSCFG_RMPCR2 Remapping register 2 0x00
0x00 50A0
ITC - EXTI
EXTI_CR1 External interrupt control register 1 0x00
0x00 50A1 EXTI_CR2 External interrupt control register 2 0x00
0x00 50A2 EXTI_CR3 External interrupt control register 3 0x00
0x00 50A3 EXTI_SR1 External interrupt status register 1 0x00
0x00 50A4 EXTI_SR2 External interrupt status register 2 0x00
0x00 50A5 EXTI_CONF1 External interrupt port select register 1 0x00
0x00 50A6
WFE
WFE_CR1 WFE control register 1 0x00
0x00 50A7 WFE_CR2 WFE control register 2 0x00
0x00 50A8 WFE_CR3 WFE control register 3 0x00
0x00 50A9 WFE_CR4 WFE control register 4 0x00
0x00 50AA
ITC - EXTI
EXTI_CR4 External interrupt control register 4 0x00
0x00 50AB EXTI_CONF2 External interrupt port select register 2 0x00
0x00 50A9
to
0x00 50AF
Reserved area (7 bytes)
0x00 50B0
RST
RST_CR Reset control register 0x00
0x00 50B1 RST_SR Reset status register 0x01
0x00 50B2
PWR
PWR_CSR1 Power control and status register 1 0x00
0x00 50B3 PWR_CSR2 Power control and status register 2 0x00
0x00 50B4
to
0x00 50BF
Reserved area (12 bytes)
0x00 50C0
CLK
CLK_CKDIVR CLK Clock master divider register 0x03
0x00 50C1 CLK_CRTCR CLK Clock RTC register 0x00(1)
0x00 50C2 CLK_ICKCR CLK Internal clock control register 0x11
0x00 50C3 CLK_PCKENR1 CLK Peripheral clock gating register 1 0x00
Table 7. General hardware register map (continued)
Address Block Register label Register name Reset
status

DS9178 Rev 4 31/96
STM8L051F3 Memory and register map
41
0x00 50C4
CLK
CLK_PCKENR2 CLK Peripheral clock gating register 2 0x00
0x00 50C5 CLK_CCOR CLK Configurable clock control register 0x00
0x00 50C6 CLK_ECKCR CLK External clock control register 0x00
0x00 50C7 CLK_SCSR CLK System clock status register 0x01
0x00 50C8 CLK_SWR CLK System clock switch register 0x01
0x00 50C9 CLK_SWCR CLK Clock switch control register 0xX0
0x00 50CA CLK_CSSR CLK Clock security system register 0x00
0x00 50CB CLK_CBEEPR CLK Clock BEEP register 0x00
0x00 50CC CLK_HSICALR CLK HSI calibration register 0xXX
0x00 50CD CLK_HSITRIMR CLK HSI clock calibration trimming register 0x00
0x00 50CE CLK_HSIUNLCKR CLK HSI unlock register 0x00
0x00 50CF CLK_REGCSR CLK Main regulator control status register 0bxx11 1
00X
0x00 50D0 CLK_PCKENR3 CLK Peripheral clock gating register 3 0x00
0x00 50D1
to
0x00 50D2
Reserved area (2 bytes)
0x00 50D3
WWDG
WWDG_CR WWDG control register 0x7F
0x00 50D4 WWDG_WR WWDR window register 0x7F
0x00 50D5
to
00 50DF
Reserved area (11 bytes)
0x00 50E0
IWDG
IWDG_KR IWDG key register 0x01
0x00 50E1 IWDG_PR IWDG prescaler register 0x00
0x00 50E2 IWDG_RLR IWDG reload register 0xFF
0x00 50E3
to
0x00 50EF
Reserved area (13 bytes)
0x00 50F0
BEEP
BEEP_CSR1 BEEP control/status register 1 0x00
0x00 50F1
0x00 50F2 Reserved area (2 bytes)
0x00 50F3 BEEP_CSR2 BEEP control/status register 2 0x1F
0x00 50F4
to0x00 513F Reserved area (76 bytes)
0x00 5140
RTC
RTC_TR1 RTC Time register 1 0x00
0x00 5141 RTC_TR2 RTC Time register 2 0x00
0x00 5142 RTC_TR3 RTC Time register 3 0x00
Table 7. General hardware register map (continued)
Address Block Register label Register name Reset
status

Memory and register map STM8L051F3
32/96 DS9178 Rev 4
0x00 5143
RTC
Reserved area (1 byte)
0x00 5144 RTC_DR1 RTC Date register 1 0x01
0x00 5145 RTC_DR2 RTC Date register 2 0x21
0x00 5146 RTC_DR3 RTC Date register 3 0x00
0x00 5147 Reserved area (1 byte)
0x00 5148 RTC_CR1 RTC Control register 1 0x00(1)
0x00 5149 RTC_CR2 RTC Control register 2 0x00(1)
0x00 514A RTC_CR3 RTC Control register 3 0x00(1)
0x00 514B Reserved area (1 byte)
0x00 514C RTC_ISR1 RTC Initialization and status register 1 0x01
0x00 514D RTC_ISR2 RTC Initialization and Status register 2 0x00
0x00 514E
0x00 514F Reserved area (2 bytes)
0x00 5150 RTC_SPRERH RTC Synchronous prescaler register high 0x00(1)
0x00 5151 RTC_SPRERL RTC Synchronous prescaler register low 0xFF(1)
0x00 5152 RTC_APRER RTC Asynchronous prescaler register 0x7F(1)
0x00 5153 Reserved area (1 byte)
0x00 5154 RTC_WUTRH RTC Wakeup timer register high 0xFF(1)
0x00 5155 RTC_WUTRL RTC Wakeup timer register low 0xFF(1)
0x00 5156 Reserved area (1 byte)
0x00 5157 RTC_SSRL RTC Subsecond register low 0x00
0x00 5158 RTC_SSRH RTC Subsecond register high 0x00
0x00 5159 RTC_WPR RTC Write protection register 0x00
0x00 5158 RTC_SSRH RTC Subsecond register high 0x00
0x00 5159 RTC_WPR RTC Write protection register 0x00
0x00 515A RTC_SHIFTRH RTC Shift register high 0x00
0x00 515B RTC_SHIFTRL RTC Shift register low 0x00
0x00 515C RTC_ALRMAR1 RTC Alarm A register 1 0x00(1)
0x00 515D RTC_ALRMAR2 RTC Alarm A register 2 0x00(1)
0x00 515E RTC_ALRMAR3 RTC Alarm A register 3 0x00(1)
0x00 515F RTC_ALRMAR4 RTC Alarm A register 4 0x00(1)
0x00 5160 to
0x00 5163 Reserved area (4 bytes)
0x00 5164 RTC_ALRMASSRH RTC Alarm A subsecond register high 0x00(1)
0x00 5165 RTC_ALRMASSRL RTC Alarm A subsecond register low 0x00(1)
Table 7. General hardware register map (continued)
Address Block Register label Register name Reset
status

DS9178 Rev 4 33/96
STM8L051F3 Memory and register map
41
0x00 5166
RTC
RTC_ALRMASSMSKR RTC Alarm A masking register 0x00(1)
0x00 5167 to
0x00 5169 Reserved area (3 bytes)
0x00 516A RTC_CALRH RTC Calibration register high 0x00(1)
0x00 516B RTC_CALRL RTC Calibration register low 0x00(1)
0x00 516C RTC_TCR1 RTC Tamper control register 1 0x00(1)
0x00 516D RTC_TCR2 RTC Tamper control register 2 0x00(1)
0x00 516E to
0x00 518A Reserved area (36 bytes)
0x00 5190 CSSLSE_CSR CSS on LSE control and status register 0x00(1)
0x00 519A to
0x00 51FF Reserved area (111 bytes)
0x00 5200
SPI1
SPI1_CR1 SPI1 control register 1 0x00
0x00 5201 SPI1_CR2 SPI1 control register 2 0x00
0x00 5202 SPI1_ICR SPI1 interrupt control register 0x00
0x00 5203 SPI1_SR SPI1 status register 0x02
0x00 5204 SPI1_DR SPI1 data register 0x00
0x00 5205 SPI1_CRCPR SPI1 CRC polynomial register 0x07
0x00 5206 SPI1_RXCRCR SPI1 Rx CRC register 0x00
0x00 5207 SPI1_TXCRCR SPI1 Tx CRC register 0x00
0x00 5208
to
0x00 520F
Reserved area (8 bytes)
0x00 5210
I2C1
I2C1_CR1 I2C1 control register 1 0x00
0x00 5211 I2C1_CR2 I2C1 control register 2 0x00
0x00 5212 I2C1_FREQR I2C1 frequency register 0x00
0x00 5213 I2C1_OARL I2C1 own address register low 0x00
0x00 5214 I2C1_OARH I2C1 own address register high 0x00
0x00 5215 I2C1_OAR2 I2C1 own address register for dual mode 0x00
0x00 5216 I2C1_DR I2C1 data register 0x00
0x00 5217 I2C1_SR1 I2C1 status register 1 0x00
0x00 5218 I2C1_SR2 I2C1 status register 2 0x00
0x00 5219 I2C1_SR3 I2C1 status register 3 0x0X
0x00 521A I2C1_ITR I2C1 interrupt control register 0x00
0x00 521B I2C1_CCRL I2C1 clock control register low 0x00
0x00 521C I2C1_CCRH I2C1 clock control register high 0x00
Table 7. General hardware register map (continued)
Address Block Register label Register name Reset
status

Memory and register map STM8L051F3
34/96 DS9178 Rev 4
0x00 521D
I2C1
I2C1_TRISER I2C1 TRISE register 0x02
0x00 521E I2C1_PECR I2C1 packet error checking register 0x00
0x00 521F
to
0x00 522F
Reserved area (17 bytes)
0x00 5230
USART1
USART1_SR USART1 status register 0xC0
0x00 5231 USART1_DR USART1 data register 0xXX
0x00 5232 USART1_BRR1 USART1 baud rate register 1 0x00
0x00 5233 USART1_BRR2 USART1 baud rate register 2 0x00
0x00 5234 USART1_CR1 USART1 control register 1 0x00
0x00 5235 USART1_CR2 USART1 control register 2 0x00
0x00 5236 USART1_CR3 USART1 control register 3 0x00
0x00 5237 USART1_CR4 USART1 control register 4 0x00
0x00 5238 USART1_CR5 USART1 control register 5 0x00
0x00 5239 USART1_GTR USART1 guard time register 0x00
0x00 523A USART1_PSCR USART1 prescaler register 0x00
0x00 523B
to
0x00 524F
Reserved area (21 bytes)
0x00 5250
TIM2
TIM2_CR1 TIM2 control register 1 0x00
0x00 5251 TIM2_CR2 TIM2 control register 2 0x00
0x00 5252 TIM2_SMCR TIM2 Slave mode control register 0x00
0x00 5253 TIM2_ETR TIM2 external trigger register 0x00
0x00 5254 TIM2_DER TIM2 DMA1 request enable register 0x00
0x00 5255 TIM2_IER TIM2 interrupt enable register 0x00
0x00 5256 TIM2_SR1 TIM2 status register 1 0x00
0x00 5257 TIM2_SR2 TIM2 status register 2 0x00
0x00 5258 TIM2_EGR TIM2 event generation register 0x00
0x00 5259 TIM2_CCMR1 TIM2 capture/compare mode register 1 0x00
0x00 525A TIM2_CCMR2 TIM2 capture/compare mode register 2 0x00
0x00 525B TIM2_CCER1 TIM2 capture/compare enable register 1 0x00
0x00 525C TIM2_CNTRH TIM2 counter high 0x00
0x00 525D TIM2_CNTRL TIM2 counter low 0x00
0x00 525E TIM2_PSCR TIM2 prescaler register 0x00
0x00 525F TIM2_ARRH TIM2 auto-reload register high 0xFF
Table 7. General hardware register map (continued)
Address Block Register label Register name Reset
status

DS9178 Rev 4 35/96
STM8L051F3 Memory and register map
41
0x00 5260
TIM2
TIM2_ARRL TIM2 auto-reload register low 0xFF
0x00 5261 TIM2_CCR1H TIM2 capture/compare register 1 high 0x00
0x00 5262 TIM2_CCR1L TIM2 capture/compare register 1 low 0x00
0x00 5263 TIM2_CCR2H TIM2 capture/compare register 2 high 0x00
0x00 5264 TIM2_CCR2L TIM2 capture/compare register 2 low 0x00
0x00 5265 TIM2_BKR TIM2 break register 0x00
0x00 5266 TIM2_OISR TIM2 output idle state register 0x00
0x00 5267 to
0x00 527F Reserved area (25 bytes)
0x00 5280
TIM3
TIM3_CR1 TIM3 control register 1 0x00
0x00 5281 TIM3_CR2 TIM3 control register 2 0x00
0x00 5282 TIM3_SMCR TIM3 Slave mode control register 0x00
0x00 5283 TIM3_ETR TIM3 external trigger register 0x00
0x00 5284 TIM3_DER TIM3 DMA1 request enable register 0x00
0x00 5285 TIM3_IER TIM3 interrupt enable register 0x00
0x00 5286 TIM3_SR1 TIM3 status register 1 0x00
0x00 5287 TIM3_SR2 TIM3 status register 2 0x00
0x00 5288 TIM3_EGR TIM3 event generation register 0x00
0x00 5289 TIM3_CCMR1 TIM3 Capture/Compare mode register 1 0x00
0x00 528A TIM3_CCMR2 TIM3 Capture/Compare mode register 2 0x00
0x00 528B TIM3_CCER1 TIM3 Capture/Compare enable register 1 0x00
0x00 528C TIM3_CNTRH TIM3 counter high 0x00
0x00 528D TIM3_CNTRL TIM3 counter low 0x00
0x00 528E TIM3_PSCR TIM3 prescaler register 0x00
0x00 528F TIM3_ARRH TIM3 Auto-reload register high 0xFF
0x00 5290 TIM3_ARRL TIM3 Auto-reload register low 0xFF
0x00 5291 TIM3_CCR1H TIM3 Capture/Compare register 1 high 0x00
0x00 5292 TIM3_CCR1L TIM3 Capture/Compare register 1 low 0x00
0x00 5293 TIM3_CCR2H TIM3 Capture/Compare register 2 high 0x00
0x00 5294 TIM3_CCR2L TIM3 Capture/Compare register 2 low 0x00
0x00 5295 TIM3_BKR TIM3 break register 0x00
0x00 5296 TIM3_OISR TIM3 output idle state register 0x00
0x00 5297 to
0x00 52DF Reserved area (72 bytes)
Table 7. General hardware register map (continued)
Address Block Register label Register name Reset
status

Memory and register map STM8L051F3
36/96 DS9178 Rev 4
0x00 52E0
TIM4
TIM4_CR1 TIM4 control register 1 0x00
0x00 52E1 TIM4_CR2 TIM4 control register 2 0x00
0x00 52E2 TIM4_SMCR TIM4 Slave mode control register 0x00
0x00 52E3 TIM4_DER TIM4 DMA1 request enable register 0x00
0x00 52E4 TIM4_IER TIM4 Interrupt enable register 0x00
0x00 52E5 TIM4_SR1 TIM4 status register 1 0x00
0x00 52E6 TIM4_EGR TIM4 Event generation register 0x00
0x00 52E7 TIM4_CNTR TIM4 counter 0x00
0x00 52E8 TIM4_PSCR TIM4 prescaler register 0x00
0x00 52E9 TIM4_ARR TIM4 Auto-reload register 0x00
0x00 52EA
to
0x00 52FE
Reserved area (21 bytes)
0x00 52FF IRTIM IR_CR Infrared control register 0x00
0x00 5317
to
0x00 533F
Reserved area (41 bytes)
0x00 5340
ADC1
ADC1_CR1 ADC1 configuration register 1 0x00
0x00 5341 ADC1_CR2 ADC1 configuration register 2 0x00
0x00 5342 ADC1_CR3 ADC1 configuration register 3 0x1F
0x00 5343 ADC1_SR ADC1 status register 0x00
0x00 5344 ADC1_DRH ADC1 data register high 0x00
0x00 5345 ADC1_DRL ADC1 data register low 0x00
0x00 5346 ADC1_HTRH ADC1 high threshold register high 0x0F
0x00 5347 ADC1_HTRL ADC1 high threshold register low 0xFF
0x00 5348 ADC1_LTRH ADC1 low threshold register high 0x00
0x00 5349 ADC1_LTRL ADC1 low threshold register low 0x00
0x00 534A ADC1_SQR1 ADC1 channel sequence 1 register 0x00
0x00 534B ADC1_SQR2 ADC1 channel sequence 2 register 0x00
0x00 534C ADC1_SQR3 ADC1 channel sequence 3 register 0x00
0x00 534D ADC1_SQR4 ADC1 channel sequence 4 register 0x00
0x00 534E ADC1_TRIGR1 ADC1 trigger disable 1 0x00
0x00 534F ADC1_TRIGR2 ADC1 trigger disable 2 0x00
0x00 5350 ADC1_TRIGR3 ADC1 trigger disable 3 0x00
0x00 5351 ADC1_TRIGR4 ADC1 trigger disable 4 0x00
Table 7. General hardware register map (continued)
Address Block Register label Register name Reset
status

DS9178 Rev 4 37/96
STM8L051F3 Memory and register map
41
0x00 53C8 to
0x00 542F Reserved area(104 bytes)
0x00 5430
RI
Reserved area (1 byte) 0x00
0x00 5433 RI_IOIR1 RI I/O input register 1 0xXX
0x00 5434 RI_IOIR2 RI I/O input register 2 0xXX
0x00 5435 RI_IOIR3 RI I/O input register 3 0xXX
0x00 5436 RI_IOCMR1 RI I/O control mode register 1 0x00
0x00 5437 RI_IOCMR2 RI I/O control mode register 2 0x00
0x00 5438 RI_IOCMR3 RI I/O control mode register 3 0x00
0x00 5439 RI_IOSR1 RI I/O switch register 1 0x00
0x00 543A RI_IOSR2 RI I/O switch register 2 0x00
0x00 543B RI_IOSR3 RI I/O switch register 3 0x00
0x00 543C RI_IOGCR RI I/O group control register 0xFF
0x00 543D RI_ASCR1 Analog switch register 1 0x00
0x00 543E RI_ASCR2 RI Analog switch register 2 0x00
0x00 543F RI_RCR RI Resistor control register 0x00
0x00 5440
to
0x00 544F
Reserved area (16 bytes)
0x00 5450
RI
RI_CR RI I/O control register 0x00
0x00 5451 RI_MASKR1 RI I/O mask register 1 0x00
0x00 5452 RI_MASKR2 RI I/O mask register 2 0x00
0x00 5453 RI_MASKR3 RI I/O mask register 3 0x00
0x00 5454 RI_MASKR4 RI I/O mask register 4 0x00
0x00 5455 RI_IOIR4 RI I/O input register 4 0xXX
0x00 5456 RI_IOCMR4 RI I/O control mode register 4 0x00
0x00 5457 RI_IOSR4 RI I/O switch register 4 0x00
1. These registers are not impacted by a system reset. They are reset at power-on.
Table 7. General hardware register map (continued)
Address Block Register label Register name Reset
status

Memory and register map STM8L051F3
38/96 DS9178 Rev 4
Table 8. CPU/SWIM/debug module/interrupt controller registers
Address Block Register label Register name Reset
status
0x00 7F00
CPU(1)
A Accumulator 0x00
0x00 7F01 PCE Program counter extended 0x00
0x00 7F02 PCH Program counter high 0x00
0x00 7F03 PCL Program counter low 0x00
0x00 7F04 XH X index register high 0x00
0x00 7F05 XL X index register low 0x00
0x00 7F06 YH Y index register high 0x00
0x00 7F07 YL Y index register low 0x00
0x00 7F08 SPH Stack pointer high 0x03
0x00 7F09 SPL Stack pointer low 0xFF
0x00 7F0A CCR Condition code register 0x28
0x00 7F0B to
0x00 7F5F CPU
Reserved area (85 bytes)
0x00 7F60 CFG_GCR Global configuration register 0x00
0x00 7F70
ITC-SPR
ITC_SPR1 Interrupt Software priority register 1 0xFF
0x00 7F71 ITC_SPR2 Interrupt Software priority register 2 0xFF
0x00 7F72 ITC_SPR3 Interrupt Software priority register 3 0xFF
0x00 7F73 ITC_SPR4 Interrupt Software priority register 4 0xFF
0x00 7F74 ITC_SPR5 Interrupt Software priority register 5 0xFF
0x00 7F75 ITC_SPR6 Interrupt Software priority register 6 0xFF
0x00 7F76 ITC_SPR7 Interrupt Software priority register 7 0xFF
0x00 7F77 ITC_SPR8 Interrupt Software priority register 8 0xFF
0x00 7F78
to
0x00 7F79
Reserved area (2 bytes)
0x00 7F80 SWIM SWIM_CSR SWIM control status register 0x00
0x00 7F81
to
0x00 7F8F
Reserved area (15 bytes)
0x00 7F90
DM
DM_BK1RE DM breakpoint 1 register extended byte 0xFF
0x00 7F91 DM_BK1RH DM breakpoint 1 register high byte 0xFF
0x00 7F92 DM_BK1RL DM breakpoint 1 register low byte 0xFF
0x00 7F93 DM_BK2RE DM breakpoint 2 register extended byte 0xFF
0x00 7F94 DM_BK2RH DM breakpoint 2 register high byte 0xFF
0x00 7F95 DM_BK2RL DM breakpoint 2 register low byte 0xFF
0x00 7F96 DM_CR1 DM Debug module control register 1 0x00

DS9178 Rev 4 39/96
STM8L051F3 Memory and register map
41
0x00 7F97
DM
DM_CR2 DM Debug module control register 2 0x00
0x00 7F98 DM_CSR1 DM Debug module control/status register 1 0x10
0x00 7F99 DM_CSR2 DM Debug module control/status register 2 0x00
0x00 7F9A DM_ENFCTR DM enable function register 0xFF
0x00 7F9B
to
0x00 7F9F
Reserved area (5 bytes)
1. Accessible by debug module only
Table 8. CPU/SWIM/debug module/interrupt controller registers (continued)
Address Block Register label Register name Reset
status

Interrupt vector mapping STM8L051F3
40/96 DS9178 Rev 4
6 Interrupt vector mapping
The interrupt vector mapping is described in Table 9.
I Table 9. Interrupt mapping
IRQ
No.
Source
block Description
Wakeup
from Halt
mode
Wakeup
from
Active-halt
mode
Wakeup
from Wait
(WFI
mode)
Wakeup
from Wait
(WFE
mode)(1)
Vector
address
RESET Reset Yes Yes Yes Yes 0x00 8000
TRAP Software interrupt - - - - 0x00 8004
0TLI
(2) External Top level Interrupt - - - - 0x00 8008
1 FLASH
FLASH end of programing/
write attempted to
protected page interrupt
- - Yes Yes 0x00 800C
2 DMA1 0/1
DMA1 channels 0/1 half
transaction/transaction
complete interrupt
- - Yes Yes 0x00 8010
3 DMA1 2/3
DMA1 channels 2/3 half
transaction/transaction
complete interrupt
- - Yes Yes 0x00 8014
4RTC
RTC alarm A/wakeup/
tamper 1/tamper 2/tamper 3 Yes Yes Yes Yes 0x00 8018
5 PVD PVD interrupt Yes Yes Yes Yes 0x00 801C
6 EXTIB External interrupt port B Yes Yes Yes Yes 0x00 8020
7 EXTID External interrupt port D Yes Yes Yes Yes 0x00 8024
8 EXTI0 External interrupt 0 Yes Yes Yes Yes 0x00 8028
9 EXTI1 External interrupt 1 Yes Yes Yes Yes 0x00 802C
10 EXTI2 External interrupt 2 Yes Yes Yes Yes 0x00 8030
11 EXTI3 External interrupt 3 Yes Yes Yes Yes 0x00 8034
12 EXTI4 External interrupt 4 Yes Yes Yes Yes 0x00 8038
13 EXTI5 External interrupt 5 Yes Yes Yes Yes 0x00 803C
14 EXTI6 External interrupt 6 Yes Yes Yes Yes 0x00 8040
15 EXTI7 External interrupt 7 Yes Yes Yes Yes 0x00 8044
16 Reserved 0x00 8048
17 CLK CLK system clock
switch/CSS interrupt - - Yes Yes 0x00 804C
18 ADC1
ACD1 end of conversion/
analog watchdog/
overrun interrupt
Yes Yes Yes Yes 0x00 8050

DS9178 Rev 4 41/96
STM8L051F3 Interrupt vector mapping
41
19 TIM2
TIM2 update
/overflow/trigger/break
interrupt
- - Yes Yes 0x00 8054
20 TIM2 TIM2 Capture/Compare
interrupt - - Yes Yes 0x00 8058
21 TIM3
TIM3 Update
/Overflow/Trigger/Break
interrupt
- - Yes Yes 0x00 805C
22 TIM3 TIM3 Capture/Compare
interrupt - - Yes Yes 0x00 8060
23 RI RI trigger interrupt - - Yes - 0x00 8064
24 Reserved 0x00 8068
25 TIM4 TIM4 update/overflow/
trigger interrupt - - Yes Yes 0x00 806C
26 SPI1
SPI1 TX buffer empty/
RX buffer not empty/
error/wakeup interrupt
Yes Yes Yes Yes 0x00 8070
27 USART 1
USART1 transmit data
register empty/
transmission complete
interrupt
- - Yes Yes 0x00 8074
28 USART 1
USART1 received data
ready/overrun error/
idle line detected/parity
error/global error interrupt
- - Yes Yes 0x00 8078
29 I2C1 I2C1 interrupt(3) Yes Yes Yes Yes 0x00 807C
1. The Low-power wait mode is entered when executing a WFE instruction in Low-power run mode. In WFE mode, the
interrupt is served if it has been previously enabled. After processing the interrupt, the processor goes back to WFE mode.
When the interrupt is configured as a wakeup event, the CPU wakes up and resumes processing.
2. The TLI interrupt is the logic OR between TIM2 overflow interrupt, and TIM4 overflow interrupts.
3. The device is woken up from Halt or Active-halt mode only when the address received matches the interface address.
Table 9. Interrupt mapping (continued)
IRQ
No.
Source
block Description
Wakeup
from Halt
mode
Wakeup
from
Active-halt
mode
Wakeup
from Wait
(WFI
mode)
Wakeup
from Wait
(WFE
mode)(1)
Vector
address

Option bytes STM8L051F3
42/96 DS9178 Rev 4
7 Option bytes
Option bytes contain configurations for device hardware features as well as the memory
protection of the device. They are stored in a dedicated memory block.
All option bytes can be modified in ICP mode (with SWIM) by accessing the EEPROM
address. See Table 10 for details on option byte addresses.
The option bytes can also be modified ‘on the fly’ by the application in IAP mode, except for
the ROP and UBCvalues which can only be taken into account when they are modified in
ICP mode (with the SWIM).
Refer to the How to program STM8L and STM8AL Flash program memory and data
EEPROM programming manual (PM0054) and the STM8 SWIM communication protocol
and debug module user manual (UM0470) for information on SWIM programming
procedures.
Table 10. Option byte addresses
Addr. Option name
Option
byte
No.
Option bits Factory
default
setting
76543210
0x00 4800
Read-out
protection
(ROP)
OPT0 ROP[7:0] 0xAA
0x00 4802 UBC (User
Boot code size) OPT1 UBC[7:0] 0x00
0x00 4807 Reserved 0x00
0x00 4808
Independent
watchdog
option
OPT3
[3:0] Reserved WWDG
_HALT
WWDG
_HW
IWDG
_HALT
IWDG
_HW 0x00
0x00 4809
Number of
stabilization
clock cycles for
HSE and LSE
oscillators
OPT4 Reserved LSECNT[1:0] HSECNT[1:0] 0x00
0x00 480A Brownout reset
(BOR)
OPT5
[3:0] Reserved BOR_TH BOR_
ON 0x00
0x00 480B Bootloader
option bytes
(OPTBL)
OPTBL
[15:0] OPTBL[15:0]
0x00
0x00 480C 0x00

DS9178 Rev 4 43/96
STM8L051F3 Option bytes
44
Table 11. Option byte description
Option
byte
No.
Option description
OPT0
ROP[7:0] Memory readout protection (ROP)
0xAA: Disable readout protection (write access via SWIM protocol)
Refer to the “Readout protection” section in the STM8L050J3, STM8L051F3, STM8L052C6,
STM8L052R8 MCUs and STM8L151/L152, STM8L162, STM8AL31, STM8AL3L lines reference
manual (RM0031).
OPT1
UBC[7:0] Size of the user boot code area
0x00: UBC is not protected.
0x01: Page 0 is write protected.
0x02: Page 0 and 1 reserved for the UBC and write protected. It covers only the interrupt vectors.
0x03: Page 0 to 2 reserved for UBC and write protected.
0x7F to 0xFF - All 128 pages reserved for UBC and write protected.
The protection of the memory area not protected by the UBC is enabled through the MASS keys.
Refer to the “User boot code” section in the STM8L050J3, STM8L051F3, STM8L052C6,
STM8L052R8 MCUs and STM8L151/L152, STM8L162, STM8AL31, STM8AL3L lines reference
manual (RM0031).
OPT2 Reserved
OPT3
IWDG_HW: Independent watchdog
0: Independent watchdog activated by software
1: Independent watchdog activated by hardware
IWDG_HALT: Independent window watchdog off on Halt/Active-halt
0: Independent watchdog continues running in Halt/Active-halt mode
1: Independent watchdog stopped in Halt/Active-halt mode
WWDG_HW: Window watchdog
0: Window watchdog activated by software
1: Window watchdog activated by hardware
WWDG_HALT: Window window watchdog reset on Halt/Active-halt
0: Window watchdog stopped in Halt mode
1: Window watchdog generates a reset when MCU enters Halt mode
OPT4
HSECNT: Number of HSE oscillator stabilization clock cycles
0x00 - 1 clock cycle
0x01 - 16 clock cycles
0x10 - 512 clock cycles
0x11 - 4096 clock cycles
LSECNT: Number of LSE oscillator stabilization clock cycles
0x00 - 1 clock cycle
0x01 - 16 clock cycles
0x10 - 512 clock cycles
0x11 - 4096 clock cycles
Refer to Table 29: LSE oscillator characteristics on page 62.

Option bytes STM8L051F3
44/96 DS9178 Rev 4
OPT5
BOR_ON:
0: Brownout reset off
1: Brownout reset on
BOR_TH[3:1]: Brownout reset thresholds. Refer to for details on the thresholds according to the value
of BOR_TH bits.
OPTBL
OPTBL[15:0]:
This option is checked by the boot ROM code after reset. Depending on
content of addresses 00 480B, 00 480C and 0x8000 (reset vector) the
CPU jumps to the bootloader or to the reset vector.
Refer to the UM0560 STM8 bootloader user manual for more details.
Table 11. Option byte description (continued)
Option
byte
No.
Option description

DS9178 Rev 4 45/96
STM8L051F3 Electrical parameters
87
8 Electrical parameters
This section describes the quantification of the given device’s parameters.
8.1 Parameter conditions
Unless otherwise specified, all voltages are referred to VSS.
8.1.1 Minimum and maximum values
Unless otherwise specified the minimum and maximum values are guaranteed in the worst
conditions of ambient temperature, supply voltage and frequencies by tests in production on
100% of the devices with an ambient temperature at TA= 25 °C and TA = TA max (given by
the selected temperature range).
Data based on characterization results, design simulation and/or technology characteristics
is indicated in the table footnotes and are not tested in production. Based on
characterization, the minimum and maximum values refer to sample tests and represent the
mean value plus or minus three times the standard deviation (mean±3Σ).
8.1.2 Typical values
Unless otherwise specified, typical data is based on TA = 25 °C, VDD = 3 V. It is given only as
design guidelines and is not tested.
Typical ADC accuracy values are determined by characterization of a batch of samples from
a standard diffusion lot over the full temperature range, where 95% of the devices have an
error less than or equal to the value indicated (mean±2Σ).
8.1.3 Typical curves
Unless otherwise specified, all typical curves are given only as design guidelines and are
not tested.
8.1.4 Loading capacitor
The loading conditions used for pin parameter measurement are shown in Figure 5.
Figure 5. Pin loading conditions
STM8 PIN
50 pF
MSv37774V1

Electrical parameters STM8L051F3
46/96 DS9178 Rev 4
8.1.5 Pin input voltage
The input voltage measurement on a pin of the device is described in Figure 6.
Figure 6. Pin input voltage
8.2 Absolute maximum ratings
Stresses above the absolute maximum ratings listed in Table 12: Voltage characteristics,
Table 13: Current characteristics, and Table 14: Thermal characteristics may cause
permanent damage to the device. These are stress ratings only and functional operation of
the device at these conditions is not implied. Exposure to maximum rating conditions for
extended periods may affect the device's reliability.
The device's mission profile (application conditions) is compliant with the JEDEC JESD47
Qualification Standard, extended mission profiles are available on demand.
STM8 PIN
MSv37775V1
VIN
Table 12. Voltage characteristics
Symbol Ratings Min Max Unit
VDD- VSS
External supply voltage (including VDDA
and VDD2)(1)
1. All power (VDD1, VDD2, VDDA) and ground (VSS1, VSS2, VSSA) pins must always be connected to the
external power supply.
- 0.3 4.0 V
VIN(2)
2. VIN maximum must always be respected. Refer to Table 13: Current characteristics for maximum allowed
injected current values.
Input voltage on true open-drain pins
(PC0 and PC1) VSS - 0.3 VDD + 4.0
V
Input voltage on five-volt tolerant (FT)
pins (PA7 and PE0) VSS - 0.3 VDD + 4.0
Input voltage on 3.6 V tolerant (TT) pins VSS - 0.3 4.0
Input voltage on any other pin VSS - 0.3 4.0
VESD Electrostatic discharge voltage
see Absolute maximum
ratings (electrical sensitivity)
on page 86
Table 13. Current characteristics
Symbol Ratings Max. Unit
IVDD Total current into VDD power line (source) 80 mA
IVSS Total current out of VSS ground line (sink) 80

DS9178 Rev 4 47/96
STM8L051F3 Electrical parameters
87
IIO
Output current sunk by IR_TIM pin (with high sink LED driver
capability) 80
Output current sunk by any other I/O and control pin 25
Output current sourced by any I/Os and control pin - 25
IINJ(PIN)
Injected current on true open-drain pins (PC0 and PC1)(1) - 5 / +0
Injected current on five-volt tolerant (FT) pins (PA7 and PE0) (1) - 5 / +0
Injected current on 3.6 V tolerant (TT) pins (1) - 5 / +0
Injected current on any other pin (2) - 5 / +5
ΣIINJ(PIN) Total injected current (sum of all I/O and control pins) (3) ± 25
1. Positive injection is not possible on these I/Os. A negative injection is induced by VIN<VSS. IINJ(PIN) must
never be exceeded. Refer to Table 13: Current characteristics for maximum allowed input voltage values.
2. A positive injection is induced by VIN>VDD while a negative injection is induced by VIN<VSS. IINJ(PIN) must
never be exceeded. Refer to Table 13: Current characteristics for maximum allowed input voltage values.
3. When several inputs are submitted to a current injection, the maximum ΣIINJ(PIN) is the absolute sum of the
positive and negative injected currents (instantaneous values).
Table 14. Thermal characteristics
Symbol Ratings Value Unit
TSTG Storage temperature range -65 to +150
° C
TJMaximum junction temperature 150
Table 13. Current characteristics (continued)
Symbol Ratings Max. Unit

Electrical parameters STM8L051F3
48/96 DS9178 Rev 4
8.3 Operating conditions
Subject to general operating conditions for VDD and TA.
8.3.1 General operating conditions
The operating conditions define the conditions under which the device operates correctly
according to its specification (see Table 15).
Table 15. General operating conditions
Symbol Parameter Conditions Min. Max. Unit
fSYSCLK(1) System clock
frequency 1.8 V ≤ VDD < 3.6 V 0 16 MHz
VDD
Standard operating
voltage -1.83.6V
VDDA Analog operating
voltage
Must be at the same
potential as VDD
1.8 3.6 V
PD(2) Power dissipation at
TA= 85 °C TSSOP20 - 181 mW
TATemperature range 1.8 V ≤ VDD < 3.6 V -40 85 °C
TJ
Junction temperature
range -40 °C ≤ TA < 85 °C -40 105(3) °C
1. fSYSCLK = fCPU
2. To calculate PDmax(TA), use the formula PDmax=(TJmax -TA)/Θ
JA with TJmax in this table and Θ
JA in “Thermal characteristics”
table.
3. TJmax is given by the test limit. Above this value, the product behavior is not guaranteed.

DS9178 Rev 4 49/96
STM8L051F3 Electrical parameters
87
8.3.2 Embedded reset and power control block characteristics
The reset and power block parameters are described in Table 16 and are derived from tests
performed under the ambient temperature conditions summarized in Table 15: General
operating conditions.
Table 16. Embedded reset and power control block characteristics
Symbol Parameter Conditions Min Typ Max Unit
tVDD
VDD rise time rate BOR detector
enabled 0(1) -∞ (1)
µs/V
VDD fall time rate BOR detector
enabled 20(1) -∞ (1)
tTEMP Reset release delay VDD rising -3- ms
VPDR Power-down reset threshold Falling edge 1.30(2) 1.50 1.65 V
VBOR0
Brown-out reset threshold 0
(BOR_TH[2:0]=000)
Falling edge 1.67 1.70 1.74
V
Rising edge 1.69 1.75 1.80
VBOR1
Brown-out reset threshold 1
(BOR_TH[2:0]=001)
Falling edge 1.87 1.93 1.97
Rising edge 1.96 2.04 2.07
VBOR2
Brown-out reset threshold 2
(BOR_TH[2:0]=010)
Falling edge 2.22 2.3 2.35
Rising edge 2.31 2.41 2.44
VBOR3
Brown-out reset threshold 3
(BOR_TH[2:0]=011)
Falling edge 2.45 2.55 2.60
Rising edge 2.54 2.66 2.7
VBOR4
Brown-out reset threshold 4
(BOR_TH[2:0]=100)
Falling edge 2.68 2.80 2.85
Rising edge 2.78 2.90 2.95
VPVD0 PVD threshold 0
Falling edge 1.80 1.84 1.88
V
Rising edge 1.88 1.94 1.99
VPVD1 PVD threshold 1
Falling edge 1.98 2.04 2.09
Rising edge 2.08 2.14 2.18
VPVD2 PVD threshold 2
Falling edge 2.2 2.24 2.28
Rising edge 2.28 2.34 2.38
VPVD3 PVD threshold 3
Falling edge 2.39 2.44 2.48
Rising edge 2.47 2.54 2.58
VPVD4 PVD threshold 4
Falling edge 2.57 2.64 2.69
Rising edge 2.68 2.74 2.79
VPVD5 PVD threshold 5
Falling edge 2.77 2.83 2.88
Rising edge 2.87 2.94 2.99
VPVD6 PVD threshold 6
Falling edge 2.97 3.05 3.09
Rising edge 3.08 3.15 3.20
1. Guaranteed by design.
2. Guaranteed by characterization results.

Electrical parameters STM8L051F3
50/96 DS9178 Rev 4
Figure 7. POR/BOR thresholds
8.3.3 Supply current characteristics
Total current consumption
The MCU is placed under the following conditions:
•All I/O pins in input mode with a static value at VDD or VSS (no load)
•All peripherals are disabled except if explicitly mentioned.
In the following table, data is based on characterization results, unless otherwise specified.
Subject to general operating conditions for VDD and TA.
1.8 V
VDD
Internal NRST
VBOR0
BOR threshold
BOR threshold_0
PDR threshold
with
BOR
without
BOR
Time
with
BOR
Safe reset
Reset
BOR activated by user
for power-down detection
Operatin g power supply
3.6 V
without BOR = battery life extension
VPDR
BOR always active
at power up
Safe reset release
ai17033b
VDD VDD

DS9178 Rev 4 51/96
STM8L051F3 Electrical parameters
87
Table 17. Total current consumption in Run mode
Symbol Para
meter Conditions(1)
1. All peripherals OFF, VDD from 1.8 V to 3.6 V, HSI internal RC osc. , fCPU=fSYSCLK
Typ
Max
Unit
55 °C 85 °C
IDD(RUN)
Supply
current
in run
mode(2)
2. CPU executing typical data processing
All
peripherals
OFF,
code
executed
from RAM,
VDD from
1.8 V to 3.6 V
HSI RC osc.
(16 MHz)(3)
3. The run from RAM consumption can be approximated with the linear formula:
IDD(run_from_RAM) = Freq * 90 µA/MHz + 380 µA
fCPU = 125 kHz 0.39 0.47 0.49
mA
fCPU = 1 MHz 0.48 0.56 0.58
fCPU = 4 MHz 0.75 0.84 0.86
fCPU = 8 MHz 1.10 1.20 1.25
fCPU = 16 MHz 1.85 1.93 2.12(5)
HSE external
clock
(fCPU=fHSE)(4)
fCPU = 125 kHz 0.05 0.06 0.09
fCPU = 1 MHz 0.18 0.19 0.20
fCPU = 4 MHz 0.55 0.62 0.64
fCPU = 8 MHz 0.99 1.20 1.21
fCPU = 16 MHz 1.90 2.22 2.23(5)
LSI RC osc.
(typ. 38 kHz) fCPU = fLSI 0.040 0.045 0.046
LSE external
clock
(32.768 kHz)
fCPU = fLSE 0.035 0.040 0.048(5)
IDD(RUN)
Supply
current
in Run
mode
All
peripherals
OFF, code
executed
from Flash,
VDD from
1.8 V to 3.6 V
HSI RC
osc.(6)
fCPU = 125 kHz 0.43 0.55 0.56
mA
fCPU = 1 MHz 0.60 0.77 0.80
fCPU = 4 MHz 1.11 1.34 1.37
fCPU = 8 MHz 1.90 2.20 2.23
fCPU = 16 MHz 3.8 4.60 4.75
HSE external
clock
(fCPU=fHSE) (4)
fCPU = 125 kHz 0.30 0.36 0.39
fCPU = 1 MHz 0.40 0.50 0.52
fCPU = 4 MHz 1.15 1.31 1.40
fCPU = 8 MHz 2.17 2.33 2.44
fCPU = 16 MHz 4.0 4.46 4.52
LSI RC osc. fCPU = fLSI 0.110 0.123 0.130
LSE ext. clock
(32.768
kHz)(7)
fCPU = fLSE 0.100 0.101 0.104

Electrical parameters STM8L051F3
52/96 DS9178 Rev 4
Figure 8. Typ. IDD(RUN) vs. VDD, fCPU = 16 MHz
1. Typical current consumption measured with code executed from RAM
4. Oscillator bypassed (HSEBYP = 1 in CLK_ECKCR). When configured for external crystal, the HSE
consumption
(IDD HSE) must be added. Refer to Table 28.
5. Tested in production.
6. The run from Flash consumption can be approximated with the linear formula:
IDD(run_from_Flash) = Freq * 195 µA/MHz + 440 µA
7. Oscillator bypassed (LSEBYP = 1 in CLK_ECKCR). When configured for extenal crystal, the LSE
consumption
(IDD LSE) must be added. Refer to Table 29.
1.50
1.75
2.00
2.25
2.50
2.75
3.00
1.8 2.1 2.6 3.1 3.6
VDD [V]
-40°C
25°C
85°C
ai18213b
IDD(RUN)HSI [mA]

DS9178 Rev 4 53/96
STM8L051F3 Electrical parameters
87
In the following table, data is based on characterization results, unless otherwise specified.
Table 18. Total current consumption in Wait mode
Symbol Parameter Conditions(1)
1. All peripherals OFF, VDD from 1.8 V to 3.6 V, HSI internal RC osc. , fCPU = fSYSCLK
Typ
Max
Unit
55°C 85°C
IDD(Wait)
Supply
current in
Wait mode
CPU not
clocked,
all peripherals
OFF,
code executed
from RAM
with Flash in
IDDQ mode(2),
VDD from
1.8 V to 3.6 V
2. Flash is configured in IDDQ mode in Wait mode by setting the EPM or WAITM bit in the Flash_CR1 register.
HSI
fCPU = 125 kHz 0.33 0.39 0.41
mA
fCPU = 1 MHz 0.35 0.41 0.44
fCPU = 4 MHz 0.42 0.51 0.52
fCPU = 8 MHz 0.52 0.57 0.58
fCPU = 16 MHz 0.68 0.76 0.79
HSE external
clock
(fCPU=fHSE)(3)
3. Oscillator bypassed (HSEBYP = 1 in CLK_ECKCR). When configured for external crystal, the HSE
consumption
(IDD HSE) must be added. Refer to Table 28.
fCPU = 125 kHz 0.032 0.056 0.068
fCPU = 1 MHz 0.078 0.121 0.144
fCPU = 4 MHz 0.218 0.26 0.30
fCPU = 8 MHz 0.40 0.52 0.57
fCPU = 16 MHz 0.760 1.01 1.05
LSI fCPU = fLSI 0.035 0.044 0.046
LSE(4)
external clock
(32.768 kHz)
fCPU = fLSE 0.032 0.036 0.038
IDD(Wait)
Supply
current in
Wait
mode
CPU not
clocked,
all peripherals
OFF,
code executed
from Flash,
VDD from
1.8 V to 3.6 V
HSI
fCPU = 125 kHz 0.38 0.48 0.49
mA
fCPU = 1 MHz 0.41 0.49 0.51
fCPU = 4 MHz 0.50 0.57 0.58
fCPU = 8 MHz 0.60 0.66 0.68
fCPU = 16 MHz 0.79 0.84 0.86
HSE(3)
external clock
(fCPU=HSE)
fCPU = 125 kHz 0.06 0.08 0.09
fCPU = 1 MHz 0.10 0.17 0.18
fCPU = 4 MHz 0.24 0.36 0.39
fCPU = 8 MHz 0.50 0.58 0.61
fCPU = 16 MHz 1.00 1.08 1.14
LSI fCPU = fLSI 0.055 0.058 0.065
LSE(4)
external clock
(32.768 kHz)
fCPU = fLSE 0.051 0.056 0.060

Electrical parameters STM8L051F3
54/96 DS9178 Rev 4
Figure 9. Typ. IDD(Wait) vs. VDD, fCPU = 16 MHz 1)
1. Typical current consumption measured with code executed from Flash memory.
4. Oscillator bypassed (LSEBYP = 1 in CLK_ECKCR). When configured for extenal crystal, the LSE
consumption
(IDD HSE) must be added. Refer to Table 29.
500
550
600
650
700
750
800
850
900
950
1000
1.8 2.1 2.6 3.1 3.6
VDD [V]
IDD(WAIT)HSI
[μA]
-40°C
25°C
85°C
ai18214b

DS9178 Rev 4 55/96
STM8L051F3 Electrical parameters
87
In the following table, data is based on characterization results, unless otherwise specified.
Figure 10. Typ. IDD(LPR) vs. VDD (LSI clock source)
Table 19. Total current consumption and timing in Low power run mode
at VDD = 1.8 V to 3.6 V
Symbol Parameter Conditions(1) Typ Max Unit
IDD(LPR) Supply current in
Low power run mode
LSI RC osc.
(at 38 kHz)
all peripherals OFF
TA = -40 °C to 25 °C 5.1 5.4
μA
TA = 55 °C 5.7 6
TA = 85 °C 6.8 7.5
with TIM2 active(2)
TA = -40 °C to 25 °C 5.4 5.7
TA = 55 °C 6.0 6.3
TA = 85 °C 7.2 7.8
LSE (3) external
clock
(32.768 kHz)
all peripherals OFF
TA = -40 °C to 25 °C 5.25 5.6
TA = 55 °C 5.67 6.1
TA = 85 °C 5.85 6.3
with TIM2 active (2)
TA = -40 °C to 25 °C 5.59 6
TA = 55 °C 6.10 6.4
TA = 85 °C 6.30 7
1. No floating I/Os
2. Timer 2 clock enabled and counter running
3. Oscillator bypassed (LSEBYP = 1 in CLK_ECKCR). When configured for extenal crystal, the LSE consumption
(IDD LSE) must be added. Refer to Table 29
ai18216b
IDD(LPR)LSI
[μA]
-40° C
25° C
85° C
VDD [V]
1.8 2.1 2.6 3.1 3.6
18
16
14
12
10
8
6
4
2
0

Electrical parameters STM8L051F3
56/96 DS9178 Rev 4
In the following table, data is based on characterization results, unless otherwise specified.
Figure 11. Typ. IDD(LPW) vs. VDD (LSI clock source)
Table 20. Total current consumption in Low power wait mode at VDD = 1.8 V to 3.6 V
Symbol Parameter Conditions(1) Typ Max Unit
IDD(LPW)
Supply current in
Low power wait
mode
LSI RC osc.
(at 38 kHz)
all peripherals OFF
TA = -40 °C to 25 °C 33.3
μA
TA = 55 °C 3.3 3.6
TA = 85 °C 4.4 5
with TIM2 active(2)
TA = -40 °C to 25 °C 3.4 3.7
TA = 55 °C 3.7 4
TA = 85 °C 4.8 5.4
LSE external
clock(3)
(32.768 kHz)
all peripherals OFF
TA = -40 °C to 25 °C 2.35 2.7
TA = 55 °C 2.42 2.82
TA = 85 °C 3.10 3.71
with TIM2 active (2)
TA = -40 °C to 25 °C 2.46 2.75
TA = 55 °C 2.50 2.81
TA = 85 °C 3.16 3.82
1. No floating I/Os.
2. Timer 2 clock enabled and counter is running.
3. Oscillator bypassed (LSEBYP = 1 in CLK_ECKCR). When configured for extenal crystal, the LSE consumption
(IDD LSE) must be added. Refer to Table 29.
0.00
2.00
4.00
6.00
8.00
10.00
12.00
14.00
16.00
IDD(LPW )L SI
[μA]
-40°C
25°C
85°C
2.11.8 2.6 3.1 3.6
VDD [V]
ai18217b

DS9178 Rev 4 57/96
STM8L051F3 Electrical parameters
87
In the following table, data is based on characterization results, unless otherwise specified.
Table 21. Total current consumption and timing in Active-halt mode at VDD = 1.8 V to 3.6 V
Symbol Parameter Conditions (1) Typ Max Unit
IDD(AH) Supply current in
Active-halt mode
LSI RC (at 38 kHz)
TA = -40 °C to 25 °C 0.9 2.1
μA
TA = 55 °C 1.2 3
TA = 85 °C 1.5 3.4
LSE external clock (32.768
kHz)(2)
TA = -40 °C to 25 °C 0.5 1.2
TA = 55 °C 0.62 1.4
TA = 85 °C 0.88 2.1
IDD(WUFAH)
Supply current during
wakeup time from
Active-halt mode
(using HSI)
--2.4-mA
tWU_HSI(AH)(3)(4)
Wakeup time from
Active-halt mode to
Run mode (using HSI)
--4.77μs
tWU_LSI(AH)(3)
(4)
Wakeup time from
Active-halt mode to
Run mode (using LSI)
- - 150 - μs
1. No floating I/O, unless otherwise specified.
2. Oscillator bypassed (LSEBYP = 1 in CLK_ECKCR). When configured for extenal crystal, the LSE consumption
(IDD LSE) must be added. Refer to Table 29.
3. Wakeup time until start of interrupt vector fetch.
The first word of interrupt routine is fetched 4 CPU cycles after tWU.
4. ULP=0 or ULP=1 and FWU=1 in the PWR_CSR2 register.
Table 22. Typical current consumption in Active-halt mode, RTC clocked by LSE
external crystal
Symbol Parameter Condition(1) Typ Unit
IDD(AH) (2) Supply current in Active-halt
mode
VDD = 1.8 V
LSE 1.15
µA
LSE/32(3) 1.05
VDD = 3 V
LSE 1.30
LSE/32(3) 1.20
VDD = 3.6 V
LSE 1.45
LSE/32(3) 1.35
1. No floating I/O, unless otherwise specified.
2. Based on measurements on bench with 32.768 kHz external crystal oscillator.
3. RTC clock is LSE divided by 32.

Electrical parameters STM8L051F3
58/96 DS9178 Rev 4
In the following table, data is based on characterization results, unless otherwise specified.
Table 23. Total current consumption and timing in Halt mode at VDD = 1.8 to 3.6 V
Symbol Parameter Condition(1) Typ Max Unit
IDD(Halt)
Supply current in Halt mode
(Ultra-low-power ULP bit =1 in
the PWR_CSR2 register)
TA = -40 °C to 25 °C 350 1400(2)
nATA = 55 °C 580 2000
TA = 85 °C 1160 2800(2)
IDD(WUHalt)
Supply current during wakeup
time from Halt mode (using
HSI)
-2.4-mA
tWU_HSI(Halt)(3)(4) Wakeup time from Halt to Run
mode (using HSI) -4.77µs
tWU_LSI(Halt) (3)(4) Wakeup time from Halt mode
to Run mode (using LSI) -150-µs
1. TA = -40 to 85 °C, no floating I/O, unless otherwise specified.
2. Tested in production.
3. ULP=0 or ULP=1 and FWU=1 in the PWR_CSR2 register.
4. Wakeup time until start of interrupt vector fetch.
The first word of interrupt routine is fetched 4 CPU cycles after tWU.

DS9178 Rev 4 59/96
STM8L051F3 Electrical parameters
87
Current consumption of on-chip peripherals
Table 24. Peripheral current consumption
Symbol Parameter Typ.
VDD = 3.0 V Unit
IDD(TIM2) TIM2 supply current (1) 8
µA/MHz
IDD(TIM3) TIM3 supply current (1) 8
IDD(TIM4) TIM4 timer supply current (1) 3
IDD(USART1) USART1 supply current (2) 6
IDD(SPI1) SPI1 supply current (2) 3
IDD(I2C1) I2C1 supply current (2) 5
IDD(DMA1) DMA1 supply current(2) 3
IDD(WWDG) WWDG supply current(2) 2
IDD(ALL) Peripherals ON(3) 44 µA/MHz
IDD(ADC1) ADC1 supply current(4) 1500
µA
IDD(COMP1) Comparator 1 supply current(5) 0.160
IDD(COMP2) Comparator 2 supply current(5) Slow mode 2
Fast mode 5
IDD(PVD/BOR)
Power voltage detector and brownout Reset unit supply
current (6) 2.6
IDD(BOR) Brownout Reset unit supply current (6) 2.4
IDD(IDWDG) Independent watchdog supply current
including LSI supply
current 0.45
excluding LSI
supply current 0.05
1. Data based on a differential IDD measurement between all peripherals OFF and a timer counter running at 16 MHz. The
CPU is in Wait mode in both cases. No IC/OC programmed, no I/O pins toggling. Not tested in production.
2. Data based on a differential IDD measurement between the on-chip peripheral in reset configuration and not clocked and
the on-chip peripheral when clocked and not kept under reset. The CPU is in Wait mode in both cases. No I/O pins toggling.
Not tested in production.
3. Peripherals listed above the IDD(ALL) parameter ON: TIM1, TIM2, TIM3, TIM4, USART1, SPI1, I2C1, DMA1, WWDG.
4. Data based on a differential IDD measurement between ADC in reset configuration and continuous ADC conversion.
5. Data based on a differential IDD measurement between COMP1 or COMP2 in reset configuration and COMP1 or COMP2
enabled with static inputs. Supply current of internal reference voltage excluded.
6. Including supply current of internal reference voltage.

Electrical parameters STM8L051F3
60/96 DS9178 Rev 4
8.3.4 Clock and timing characteristics
HSE external clock (HSEBYP = 1 in CLK_ECKCR)
Subject to general operating conditions for VDD and TA.
LSE external clock (LSEBYP=1 in CLK_ECKCR)
Subject to general operating conditions for VDD and TA.
Table 25. Current consumption under external reset
Symbol Parameter Conditions Typ Unit
IDD(RST)
Supply current under
external reset (1)
All pins are externally
tied to VDD
VDD = 1.8 V 48
µAVDD = 3 V 76
VDD = 3.6 V 91
1. All pins except PA0, PB0 and PB4 are floating under reset. PA0, PB0 and PB4 are configured with pull-up under reset.
Table 26. HSE external clock characteristics
Symbol Parameter Conditions Min Typ Max Unit
fHSE_ext
External clock source
frequency(1) -1-16MHz
VHSEH OSC_IN input pin high level
voltage - 0.7 x VDD -V
DD
V
VHSEL OSC_IN input pin low level
voltage -V
SS - 0.3 x VDD
Cin(HSE) OSC_IN input capacitance(1) --2.6-pF
ILEAK_HSE OSC_IN input leakage current VSS < VIN < VDD --±1µA
1. Guaranteed by design.
Table 27. LSE external clock characteristics
Symbol Parameter Min Typ Max Unit
fLSE_ext External clock source frequency(1) - 32.768 - kHz
VLSEH(2) OSC32_IN input pin high level voltage 0.7 x VDD -V
DD
V
VLSEL(2) OSC32_IN input pin low level voltage VSS - 0.3 x VDD
Cin(LSE) OSC32_IN input capacitance(1) -0.6-pF
ILEAK_LSE OSC32_IN input leakage current - - ±1 µA
1. Guaranteed by design.
2. Guaranteed by characterization results.

DS9178 Rev 4 61/96
STM8L051F3 Electrical parameters
87
HSE crystal/ceramic resonator oscillator
The HSE clock can be supplied with a 1 to 16 MHz crystal/ceramic resonator oscillator. All
the information given in this paragraph is based on characterization results with specified
typical external components. In the application, the resonator and the load capacitors have
to be placed as close as possible to the oscillator pins in order to minimize output distortion
and startup stabilization time. Refer to the crystal resonator manufacturer for more details
(frequency, package, accuracy...).
Figure 12. HSE oscillator circuit diagram
HSE oscillator critical gm formula
Rm: Motional resistance (see crystal specification), Lm: Motional inductance (see crystal specification),
Cm: Motional capacitance (see crystal specification), Co: Shunt capacitance (see crystal specification),
CL1=CL2=C: Grounded external capacitance
gm >> gmcrit
Table 28. HSE oscillator characteristics
Symbol Parameter Conditions Min Typ Max Unit
fHSE
High speed external oscillator
frequency -1-16MHz
RFFeedback resistor - - 200 - kΩ
C(1) Recommended load capacitance (2) --20-pF
IDD(HSE) HSE oscillator power consumption
C = 20 pF,
fOSC = 16 MHz --
2.5 (startup)
0.7 (stabilized)(3)
mA
C = 10 pF,
fOSC =16 MHz --
2.5 (startup)
0.46 (stabilized)(3)
gmOscillator transconductance - 3.5(3) --mA/V
tSU(HSE)(4) Startup time VDD is stabilized - 1 - ms
1. C=CL1=CL2 is approximately equivalent to 2 x crystal CLOAD.
2. The oscillator selection can be optimized in terms of supply current using a high quality resonator with small Rm value.
Refer to crystal manufacturer for more details
3. Guaranteed by design.
4. tSU(HSE) is the startup time measured from the moment it is enabled (by software) to a stabilized 16 MHz oscillation. This
value is measured for a standard crystal resonator and it can vary significantly with the crystal manufacturer.
gmcrit 2Π× fHSE
×()
2Rm
×2Co C+()
2
=

Electrical parameters STM8L051F3
62/96 DS9178 Rev 4
LSE crystal/ceramic resonator oscillator
The LSE clock can be supplied with a 32.768 kHz crystal/ceramic resonator oscillator. All
the information given in this paragraph is based on characterization results with specified
typical external components. In the application, the resonator and the load capacitors have
to be placed as close as possible to the oscillator pins in order to minimize output distortion
and startup stabilization time. Refer to the crystal resonator manufacturer for more details
(frequency, package, accuracy...).
Figure 13. LSE oscillator circuit diagram
Table 29. LSE oscillator characteristics
Symbol Parameter Conditions Min Typ Max Unit
fLSE
Low speed external oscillator
frequency - - 32.768 - kHz
RFFeedback resistor ΔV = 200 mV - 1.2 - MΩ
C(1) Recommended load capacitance (2) --8-pF
IDD(LSE) LSE oscillator power consumption
---1.4
(3) µA
VDD = 1.8 V - 450 -
nAVDD = 3 V - 600 -
VDD = 3.6 V - 750 -
gmOscillator transconductance - 3(3) --µA/V
tSU(LSE)(4) Startup time VDD is stabilized - 1 - s
1. C=CL1=CL2 is approximately equivalent to 2 x crystal CLOAD.
2. The oscillator selection can be optimized in terms of supply current using a high quality resonator with a small Rm value.
Refer to crystal manufacturer for more details.
3. Guaranteed by design.
4. tSU(LSE) is the startup time measured from the moment it is enabled (by software) to a stabilized 32.768 kHz oscillation.
This value is measured for a standard crystal resonator and it can vary significantly with the crystal manufacturer.

DS9178 Rev 4 63/96
STM8L051F3 Electrical parameters
87
Internal clock sources
Subject to general operating conditions for VDD, and TA.
High speed internal RC oscillator (HSI)
In the following table, data is based on characterization results, not tested in production,
unless otherwise specified.
Figure 14. Typical HSI frequency vs VDD
Table 30. HSI oscillator characteristics
Symbol Parameter Conditions(1) Min Typ Max Unit
fHSI Frequency VDD = 3.0 V - 16 - MHz
ACCHSI
Accuracy of HSI
oscillator (factory
calibrated)
VDD = 3.0 V, TA = 25 °C -1 (2)
-2.5 -1(2)
%
1.8 V ≤ VDD ≤ 3.6 V,
-40 °C ≤ TA ≤ 85 °C -5 - 5 %
TRIM HSI user trimming
step(3)
Trimming code ≠ multiple of 16 - 0.4 0.7 %
Trimming code = multiple of 16 - - ± 1.5 %
tsu(HSI)
HSI oscillator setup
time (wakeup time) --3.76
(4) µs
IDD(HSI)
HSI oscillator power
consumption - - 100 140(4) µA
1. VDD = 3.0 V, TA = -40 to 85 °C unless otherwise specified.
2. Tested in production.
3. The trimming step differs depending on the trimming code. It is usually negative on the codes which are multiples of 16
(0x00, 0x10, 0x20, 0x30...0xE0). Refer to the AN3101 “STM8L15x internal RC oscillator calibration” application note for
more details.
4. Guaranteed by design.
13.0
13.5
14.0
14.5
15.0
15.5
16.0
16.5
17.0
17.5
18.0
-40°C
25°C
85°C
VDD [V]
HSI frequency [MHz]
1.8 1.95 2.1 2.25 2.4 2.55 2.7 2.85 3 3.15 3.3 3.45 3.6
ai18218c

Electrical parameters STM8L051F3
64/96 DS9178 Rev 4
Low speed internal RC oscillator (LSI)
In the following table, data is based on characterization results, not tested in production.
Figure 15. Typical LSI frequency vs. VDD
Table 31. LSI oscillator characteristics
Symbol Parameter (1)
1. VDD = 1.8 V to 3.6 V, TA = -40 to 85 °C unless otherwise specified.
Conditions(1) Min Typ Max Unit
fLSI Frequency - 26 38 56 kHz
tsu(LSI) LSI oscillator wakeup time - - - 200(2)
2. Guaranteed by design.
µs
IDD(LSI)
LSI oscillator frequency
drift(3)
3. This is a deviation for an individual part, once the initial frequency has been measured.
0 °C ≤ TA ≤ 85 °C -12 - 11 %
25
27
29
31
33
35
37
39
41
43
45
1.8 2.1 2.6 3.1 3.6
-40°C
25°C
85°C
ai18219b
VDD [V]
LSI frequency [kHz]

DS9178 Rev 4 65/96
STM8L051F3 Electrical parameters
87
8.3.5 Memory characteristics
TA = -40 to 85 °C unless otherwise specified.
Flash memory
Table 32. RAM and hardware registers
Symbol Parameter Conditions Min Typ Max Unit
VRM Data retention mode (1)
1. Minimum supply voltage without losing data stored in RAM (in Halt mode or under Reset) or in hardware
registers (only in Halt mode). Guaranteed by characterization.
Halt mode (or Reset) 1.8 - - V
Table 33. Flash program and data EEPROM memory
Symbol Parameter Conditions Min Typ Max
(1) Unit
VDD
Operating voltage
(all modes, read/write/erase) fSYSCLK = 16 MHz 1.8 3.6 V
tprog
Programming time for 1 or 64 bytes (block)
erase/write cycles (on programmed byte) 6ms
Programming time for 1 to 64 bytes (block)
write cycles (on erased byte) 3ms
Iprog Programming/ erasing consumption
TA=+25 °C, VDD = 3.0 V
0.7 mA
TA=+25 °C, VDD = 1.8 V
tRET(2)
Data retention (program memory) after 100
erase/write cycles at TA= –40 to +85 °C TRET = +85 °C 30(1)
years
Data retention (data memory) after 100000
erase/write cycles at TA= –40 to +85 °C TRET = +85 °C 30(1)
NRW (3)
Erase/write cycles (program memory)
TA = –40 to +85 °C
100(1) cycles
Erase/write cycles (data memory) 100(1)
(4) kcycles
1. Guaranteed by characterization results.
2. Conforming to JEDEC JESD22a117
3. The physical granularity of the memory is 4 bytes, so cycling is performed on 4 bytes even when a write/erase operation
addresses a single byte.
4. Data based on characterization performed on the whole data memory.

Electrical parameters STM8L051F3
66/96 DS9178 Rev 4
8.3.6 I/O current injection characteristics
As a general rule, current injection to the I/O pins, due to external voltage below VSS or
above VDD (for standard pins) should be avoided during normal product operation.
However, in order to give an indication of the robustness of the microcontroller in cases
when abnormal injection accidentally happens, susceptibility tests are performed on a
sample basis during device characterization.
Functional susceptibilty to I/O current injection
While a simple application is executed on the device, the device is stressed by injecting
current into the I/O pins programmed in floating input mode. While current is injected into
the I/O pin, one at a time, the device is checked for functional failures.
The failure is indicated by an out of range parameter: ADC error, out of spec current
injection on adjacent pins or other functional failure (for example reset, oscillator frequency
deviation, LCD levels, etc.).
The test results are given in the following table.
8.3.7 I/O port pin characteristics
General characteristics
Subject to general operating conditions for VDD and TA unless otherwise specified. All
unused pins must be kept at a fixed voltage: using the output mode of the I/O for example or
an external pull-up or pull-down resistor.
Table 34. I/O current injection susceptibility
Symbol Description
Functional susceptibility
Unit
Negative
injection
Positive
injection
IINJ
Injected current on true open-drain pins (PC0 and
PC1) -5 +0
mA
Injected current on all five-volt tolerant (FT) pins -5 +0
Injected current on all 3.6 V tolerant (TT) pins -5 +0
Injected current on any other pin -5 +5

DS9178 Rev 4 67/96
STM8L051F3 Electrical parameters
87
Table 35. I/O static characteristics
Symbol Parameter Conditions(1) Min Typ Max Unit
VIL Input low level voltage(2)
Input voltage on true open-drain
pins (PC0 and PC1) VSS-0.3 0.3 x VDD
V
Input voltage on five-volt
tolerant (FT) pins (PA7 and
PE0)
VSS-0.3 0.3 x VDD
Input voltage on 3.6 V tolerant
(TT) pins VSS-0.3 0.3 x VDD
Input voltage on any other pin VSS-0.3 0.3 x VDD
VIH Input high level voltage (2)
Input voltage on true open-drain
pins (PC0 and PC1)
with VDD < 2 V
0.70 x VDD
5.2
V
Input voltage on true open-drain
pins (PC0 and PC1)
with VDD ≥ 2 V
5.5
Input voltage on five-volt
tolerant (FT) pins (PA7 and
PE0) with VDD < 2 V
0.70 x VDD
5.2
Input voltage on five-volt
tolerant (FT) pins (PA7 and
PE0) with VDD ≥ 2 V
5.5
Input voltage on 3.6 V tolerant
(TT) pins 3.6
Input voltage on any other pin 0.70 x VDD VDD+0.3
Vhys
Schmitt trigger voltage
hysteresis (3)
I/Os 200
mV
True open drain I/Os 200
Ilkg Input leakage current (4)
VSS≤ VIN≤ VDD
High sink I/Os --50
(5)
nA
VSS≤ VIN≤ VDD
True open drain I/Os - - 200(5)
VSS≤ VIN≤ VDD
PA0 with high sink LED driver
capability
- - 200(5)
RPU
Weak pull-up equivalent
resistor(2)(6) VIN=VSS 30 45 60 kΩ
CIO I/O pin capacitance 5 pF
1. VDD = 3.0 V, TA = -40 to 85 °C unless otherwise specified.
2. Guaranteed by characterization results.
3. Hysteresis voltage between Schmitt trigger switching levels. Based on characterization results, not tested.
4. The max. value may be exceeded if negative current is injected on adjacent pins.
5. Not tested in production.
6. RPU pull-up equivalent resistor based on a resistive transistor (corresponding IPU current characteristics described in
Figure 19).

Electrical parameters STM8L051F3
68/96 DS9178 Rev 4
Figure 16. Typical VIL and VIH vs VDD (high sink I/Os)
Figure 17. Typical VIL and VIH vs VDD (true open drain I/Os)
0
0.5
1
1.5
2
2.5
3
1.8 2.1 2.6 3.1 3.6
-40°C
25°C
85°C
ai18220c
VIL and VIH [V]
VDD [V]
0
0.5
1
1.5
2
2.5
3
1.8 2.1 2.6 3.1 3.6
-40°C
25°C
85°C
ai18221b
VIL and VIH [V]
VDD [V]

DS9178 Rev 4 69/96
STM8L051F3 Electrical parameters
87
Figure 18. Typical pull-up resistance RPU vs VDD with VIN=VSS
Figure 19. Typical pull-up current Ipu vs VDD with VIN=VSS
30
35
40
45
50
55
60
-40°C
25°C
85°C
ai18222b
Pull-up resistance [kΩ]
1.8 2 2.2 2.4 2.6 2.8 3 3.2 3.4 3.6
VDD [V]
0
20
40
60
80
100
120
1.8 1.95 2.1 2.25 2.4 2.55 2.7 2.85 3 3.15 3.3 3.45 3.6
-40°C
25°C
85°C
ai18223b
Pull-up current [μA]
VDD [V]

Electrical parameters STM8L051F3
70/96 DS9178 Rev 4
Output driving current
Subject to general operating conditions for VDD and TA unless otherwise specified.
Table 36. Output driving current (high sink ports)
I/O
Type Symbol Parameter Conditions Min Max Unit
High sink
VOL (1)
1. The IIO current sunk must always respect the absolute maximum rating specified in Table 13: Current
characteristics and the sum of IIO (I/O ports and control pins) must not exceed IVSS.
Output low level voltage for an I/O pin
IIO = +2 mA,
VDD = 3.0 V -0.45V
IIO = +2 mA,
VDD = 1.8 V -0.45V
IIO = +10 mA,
VDD = 3.0 V -0.7V
VOH (2)
2. The IIO current sourced must always respect the absolute maximum rating specified in Table 13: Current
characteristics and the sum of IIO (I/O ports and control pins) must not exceed IVDD.
Output high level voltage for an I/O pin
IIO = -2 mA,
VDD = 3.0 V VDD-0.45 -V
IIO = -1 mA,
VDD = 1.8 V VDD-0.45 -V
IIO = -10 mA,
VDD = 3.0 V VDD-0.7 - V
Table 37. Output driving current (true open drain ports)
I/O
Type Symbol Parameter Conditions Min Max Unit
Open drain
VOL (1)
1. The IIO current sunk must always respect the absolute maximum rating specified in Table 13: Current
characteristics and the sum of IIO (I/O ports and control pins) must not exceed IVSS.
Output low level voltage for an I/O pin
IIO = +3 mA,
VDD = 3.0 V -0.45
V
IIO = +1 mA,
VDD = 1.8 V -0.45
Table 38. Output driving current (PA0 with high sink LED driver capability)
I/O
Type Symbol Parameter Conditions Min Max Unit
IR
VOL (1)
1. The IIO current sunk must always respect the absolute maximum rating specified in Table 13: Current
characteristics and the sum of IIO (I/O ports and control pins) must not exceed IVSS.
Output low level voltage for an I/O pin IIO = +20 mA,
VDD = 2.0 V -0.45V

DS9178 Rev 4 71/96
STM8L051F3 Electrical parameters
87
Figure 20. Typ. VOL @ VDD = 3.0 V (high sink
ports)
Figure 21. Typ. VOL @ VDD = 1.8 V (high sink
ports)
0
0.25
0.5
0.75
1
02468101214161820
IOL [mA]
VOL [V]
-40°C
25°C
85°C
ai18226V2
0
0.1
0.2
0.3
0.4
0.5
0.6
0.7
012345678
IOL [mA]
VOL [V]
-40°C
25°C
85°C
ai18227V2
Figure 22. Typ. VOL @ VDD = 3.0 V (true open
drain ports)
Figure 23. Typ. VOL @ VDD = 1.8 V (true open
drain ports)
ai18228V2
0
0.1
0.2
0.3
0.4
0.5
01234567
IOL [mA]
VOL [V]
-40°C
25°C
85°C
0
0.1
0.2
0.3
0.4
0.5
01234567
IOL [mA]
VOL [V]
-40°C
25°C
85°C
ai18229V2
Figure 24. Typ. VDD - VOH @ VDD = 3.0 V (high
sink ports)
Figure 25. Typ. VDD - VOH @ VDD = 1.8 V (high
sink ports)
0
0.25
0.5
0.75
1
1.25
1.5
1.75
2
0 2 4 6 8 101214161820
IOH [mA]
VDD - VOH [V]
-40°C
25°C
85°C
ai12830V2
0
0.1
0.2
0.3
0.4
0.5
01234567
IOH [mA]
VDD - VOH [V]
-40°C
25°C
85°C
ai18231V2

Electrical parameters STM8L051F3
72/96 DS9178 Rev 4
NRST pin
Subject to general operating conditions for VDD and TA unless otherwise specified.
Figure 26. Typical NRST pull-up resistance RPU vs VDD
Table 39. NRST pin characteristics
Symbol Parameter Conditions Min Typ Max Unit
VIL(NRST) NRST input low level voltage (1) -VSS -0.8
V
VIH(NRST) NRST input high level voltage (1) -1.4-
VDD
VOL(NRST) NRST output low level voltage (1)
IOL = 2 mA
for 2.7 V ≤ VDD ≤ 3.6 V --
0.4
IOL = 1.5 mA
for VDD < 2.7 V --
VHYST NRST input hysteresis(3) -10%VDD
(2) --mV
RPU(NRST) NRST pull-up equivalent resistor
(1) -304560kΩ
VF(NRST) NRST input filtered pulse (3) ---50
ns
VNF(NRST) NRST input not filtered pulse (3) - 300 - -
1. Guaranteed by characterization results.
2. 200 mV min.
3. Data guaranteed by design, not tested in production.
30
35
40
45
50
55
60
1.8 2 2.2 2.4 2.6 2.8 3 3.2 3.4 3.6
VDD [V]
-40°C
25°C
85°C
ai18224b
Pull-up resistance [kΩ]

DS9178 Rev 4 73/96
STM8L051F3 Electrical parameters
87
Figure 27. Typical NRST pull-up current Ipu vs VDD
The reset network shown in Figure 28 protects the device against parasitic resets. The user
must ensure that the level on the NRST pin can go below the VIL(NRST) max. level specified
in Table 39. Otherwise the reset is not taken into account internally.
For power consumption sensitive applications, the external reset capacitor value can be
reduced to limit the charge/discharge current. If the NRST signal is used to reset the
external circuitry, attention must be paid to the charge/discharge time of the external
capacitor to fulfill the external devices reset timing conditions. The minimum recommended
capacity is 10 nF.
Figure 28. Recommended NRST pin configuration
1.8 1.95 2.1 2.25 2.4 2.55 2.7 2.85 3 3.15 3.3 3.45 3.6
Pull-up current [μA]
120
100
80
60
40
20
0
VDD [V]
-40°C
25°C
85°C
ai18225b
EXTERNAL
RESET
CIRCUIT
STM8
Filter
RPU
VDD
INTERNAL RESET
NRST
0.1 µF
(Optional)

Electrical parameters STM8L051F3
74/96 DS9178 Rev 4
8.3.8 Communication interfaces
SPI1 - Serial peripheral interface
Unless otherwise specified, the parameters given in Table 40 are derived from tests
performed under ambient temperature, fSYSCLK frequency and VDD supply voltage
conditions summarized in Section 8.3.1. Refer to I/O port characteristics for more details on
the input/output alternate function characteristics (NSS, SCK, MOSI, MISO).
Table 40. SPI1 characteristics
Symbol Parameter Conditions(1) Min Max Unit
fSCK
1/tc(SCK)
SPI1 clock frequency
Master mode 0 8
MHz
Slave mode 0 8
tr(SCK)
tf(SCK)
SPI1 clock rise and fall
time Capacitive load: C = 30 pF - 30
ns
tsu(NSS)(2) NSS setup time Slave mode 4 x 1/fSYSCLK -
th(NSS)(2) NSS hold time Slave mode 80 -
tw(SCKH)(2)
tw(SCKL)(2) SCK high and low time Master mode,
fMASTER = 8 MHz, fSCK= 4 MHz 105 145
tsu(MI) (2)
tsu(SI)(2) Data input setup time
Master mode 30 -
Slave mode 3 -
th(MI) (2)
th(SI)(2) Data input hold time
Master mode 15 -
Slave mode 0 -
ta(SO)(2)(3) Data output access time Slave mode - 3x 1/fSYSCLK
tdis(SO)(2)(4) Data output disable time Slave mode 30 -
tv(SO) (2) Data output valid time Slave mode (after enable edge) - 60
tv(MO)(2) Data output valid time Master mode (after enable
edge) -20
th(SO)(2)
Data output hold time
Slave mode (after enable edge) 15 -
th(MO)(2) Master mode (after enable
edge) 1-
1. Parameters are given by selecting 10 MHz I/O output frequency.
2. Values based on design simulation and/or characterization results, and not tested in production.
3. Min time is for the minimum time to drive the output and max time is for the maximum time to validate the data.
4. Min time is for the minimum time to invalidate the output and max time is for the maximum time to put the data in Hi-Z.

DS9178 Rev 4 75/96
STM8L051F3 Electrical parameters
87
Figure 29. SPI1 timing diagram - slave mode and CPHA=0
Figure 30. SPI1 timing diagram - slave mode and CPHA=1(1)
1. Measurement points are done at CMOS levels: 0.3VDD and 0.7VDD.
ai14135b
NSS input
tSU(NSS) tc(SCK) th(NSS)
SCK input
CPHA=1
CPOL=0
CPHA=1
CPOL=1
tw(SCKH)
tw(SCKL)
ta(SO) tv(SO) th(SO) tr(SCK)
tf(SCK) tdis(SO)
MISO
OUTPUT
MOSI
INPUT
tsu(SI) th(SI)
MSB OUT
MSB IN
BIT6 OUT LSB OUT
LSB IN
BIT 1 IN

Electrical parameters STM8L051F3
76/96 DS9178 Rev 4
Figure 31. SPI1 timing diagram - master mode(1)
1. Measurement points are done at CMOS levels: 0.3VDD and 0.7VDD.

DS9178 Rev 4 77/96
STM8L051F3 Electrical parameters
87
I2C - Inter IC control interface
Subject to general operating conditions for VDD, fSYSCLK, and TA unless otherwise specified.
The STM8L I2C interface (I2C1) meets the requirements of the Standard I2C
communication protocol described in the following table with the restriction mentioned
below:
Refer to I/O port characteristics for more details on the input/output alternate function
characteristics (SDA and SCL).
Note: For speeds around 200 kHz, the achieved speed can have a± 5% tolerance
For other speed ranges, the achieved speed can have a± 2% tolerance
The above variations depend on the accuracy of the external components used.
Table 41. I2C characteristics
Symbol Parameter
Standard mode
I2C Fast mode I2C(1)
Unit
Min(2) Max (2) Min (2) Max (2)
tw(SCLL) SCL clock low time 4.7 - 1.3 -
μs
tw(SCLH) SCL clock high time 4.0 - 0.6 -
tsu(SDA) SDA setup time 250 - 100 -
ns
th(SDA) SDA data hold time 0 - 0 900
tr(SDA)
tr(SCL)
SDA and SCL rise time - 1000 - 300
tf(SDA)
tf(SCL)
SDA and SCL fall time - 300 - 300
th(STA) START condition hold time 4.0 - 0.6 -
μs
tsu(STA) Repeated START condition setup
time 4.7 - 0.6 -
tsu(STO) STOP condition setup time 4.0 - 0.6 - μs
tw(STO:STA) STOP to START condition time (bus
free) 4.7 - 1.3 - μs
CbCapacitive load for each bus line - 400 - 400 pF
1. fSYSCLK must be at least equal to 8 MHz to achieve max fast I2C speed (400 kHz).
2. Data based on standard I2C protocol requirement, not tested in production.

Electrical parameters STM8L051F3
78/96 DS9178 Rev 4
Figure 32. Typical application with I2C bus and timing diagram 1)
1. Measurement points are done at CMOS levels: 0.3 x VDD and 0.7 x VDD

DS9178 Rev 4 79/96
STM8L051F3 Electrical parameters
87
8.3.9 Embedded reference voltage
In the following table, data is based on characterization results, not tested in production,
unless otherwise specified.
8.3.10 12-bit ADC1 characteristics
In the following table, data is guaranteed by design, not tested in production.
Table 42. Reference voltage characteristics
Symbol Parameter Conditions Min Typ Max. Unit
IREFINT
Internal reference voltage
consumption - - 1.4 - µA
TS_VREFINT(1)(2) ADC sampling time when reading
the internal reference voltage --510µs
IBUF(2) Internal reference voltage buffer
consumption (used for ADC) - - 13.5 25 µA
VREFINT out Reference voltage output - 1.202(3) 1.224 1.242(3) V
ILPBUF(2) Internal reference voltage low-
power buffer consumption - - 730 1200 nA
IREFOUT(2) Buffer output current(4) ---1µA
CREFOUT Reference voltage output load - - - 50 pF
tVREFINT
Internal reference voltage startup
time --23ms
tBUFEN(2) Internal reference voltage buffer
startup time once enabled (1) ---10µs
ACCVREFINT
Accuracy of VREFINT stored in the
VREFINT_Factory_CONV byte(5) ---± 5mV
STABVREFINT
Stability of VREFINT over
temperature
-40 °C ≤ TA ≤ 85
°C -2050ppm/°C
Stability of VREFINT over
temperature 0 °C ≤ TA ≤ 50 °C - - 20 ppm/°C
STABVREFINT
Stability of VREFINT after 1000
hours ---TBDppm
1. Defined when ADC output reaches its final value ±1/2LSB
2. Data guaranteed by design.
3. Tested in production at VDD = 3 V ±10 mV.
4. To guaranty less than 1% VREFOUT deviation.
5. Measured at VDD = 3 V ±10 mV. This value takes into account VDD accuracy and ADC conversion accuracy.

Electrical parameters STM8L051F3
80/96 DS9178 Rev 4
Table 43. ADC1 characteristics
Symbol Parameter Conditions Min Typ Max Unit
VDDA Analog supply voltage - 1.8 - 3.6 V
VREF+ Reference supply
voltage
2.4 V ≤ VDDA≤ 3.6 V 2.4 - VDDA V
1.8 V ≤ VDDA≤ 2.4 V VDDA V
VREF- Lower reference voltage - VSSA V
IVDDA Current on the VDDA
input pin - - 1000 1450 µA
IVREF+ Current on the VREF+
input pin
--
400
700
(peak)(1) µA
-- 450
(average)(1) µA
VAIN Conversion voltage
range -0(2) -VREF+ -
TATemperature range - -40 - 85 °C
RAIN External resistance on
VAIN
---
50(3) kΩ
---
CADC Internal sample and hold
capacitor
--
16
-
pF
-- -
fADC ADC sampling clock
frequency
2.4 V≤ VDDA≤ 3.6 V
without zooming 0.320 - 16 MHz
1.8 V≤ VDDA≤ 2.4 V
with zooming 0.320 - 8 MHz
fCONV 12-bit conversion rate VAIN on all slow
channels --
760(4) kHz
fTRIG External trigger
frequency ---
tconv 1/fADC
tLAT External trigger latency - - - 3.5 1/fSYSCLK
tSSampling time
VAIN on slow channels
VDDA < 2.4 V 0.86(4) --µs
VAIN on slow channels
2.4 V ≤ VDDA≤ 3.6 V 0.41(4) --µs
tconv 12-bit conversion time
- 12 + tS 1/fADC
16 MHz 1(4) µs
tWKUP Wakeup time from OFF
state ---3µs
tIDLE(5) Time before a new
conversion
TA = +25 °C - - 1(6) s
TA = +70 °C - - 20(6) ms
tVREFINT
Internal reference
voltage startup time ---
refer to
Table 42 ms

DS9178 Rev 4 81/96
STM8L051F3 Electrical parameters
87
1. The current consumption through VREF is composed of two parameters:
- one constant (max 300 µA)
- one variable (max 400 µA), only during sampling time + 2 first conversion pulses.
So, peak consumption is 300+400 = 700 µA and average consumption is 300 + [(4 sampling + 2) /16] x 400 = 450 µA at
1Msps
2. VREF- or VDDA must be tied to ground.
3. Guaranteed by design.
4. Minimum sampling and conversion time is reached for maximum Rext = 0.5 kΩ.
5. The time between 2 conversions, or between ADC ON and the first conversion must be lower than tIDLE.
6. The tIDLE maximum value is ∞ on the “Z” revision code of the device.

Electrical parameters STM8L051F3
82/96 DS9178 Rev 4
In the following three tables, data is guaranteed by characterization result, not tested in
production.
Table 44. ADC1 accuracy with VDDA = 3.3 V to 2.5 V
Symbol Parameter Conditions Typ Max Unit
DNL Differential non linearity
fADC = 16 MHz 1 1.6
LSB
fADC = 8 MHz 1 1.6
fADC = 4 MHz 1 1.5
INL Integral non linearity
fADC = 16 MHz 1.2 2
fADC = 8 MHz 1.2 1.8
fADC = 4 MHz 1.2 1.7
TUE Total unadjusted error
fADC = 16 MHz 2.2 3.0
fADC = 8 MHz 1.8 2.5
fADC = 4 MHz 1.8 2.3
Offset Offset error
fADC = 16 MHz 1.5 2
LSB
fADC = 8 MHz 1 1.5
fADC = 4 MHz 0.7 1.2
Gain Gain error
fADC = 16 MHz
11.5fADC = 8 MHz
fADC = 4 MHz
Table 45. ADC1 accuracy with VDDA = 2.4 V to 3.6 V
Symbol Parameter Typ Max Unit
DNL Differential non linearity 1 2 LSB
INL Integral non linearity 1.7 3 LSB
TUE Total unadjusted error 24LSB
Offset Offset error 1 2 LSB
Gain Gain error 1.5 3 LSB
Table 46. ADC1 accuracy with VDDA = VREF+ = 1.8 V to 2.4 V
Symbol Parameter Typ Max Unit
DNL Differential non linearity 1 2 LSB
INL Integral non linearity 23LSB
TUE Total unadjusted error 35LSB
Offset Offset error 2 3 LSB
Gain Gain error 2 3 LSB

DS9178 Rev 4 83/96
STM8L051F3 Electrical parameters
87
Figure 33. ADC1 accuracy characteristics
Figure 34. Typical connection diagram using the ADC
1. Refer to Table 47 for the values of RAIN and CADC.
2. Cparasitic represents the capacitance of the PCB (dependent on soldering and PCB layout quality) plus the
pad capacitance (roughly 7 pF). A high Cparasitic value will downgrade conversion accuracy. To remedy
this, fADC should be reduced.
Figure 35. Maximum dynamic current consumption on VREF+ supply pin during ADC
conversion
ai17090f
STM8
IL± 50nA
12-bit
converter
Sample and hold ADC
converter
V
AIN
R
AIN
(1)
AINx
V
DD
V
T
0.6V
V
T
0.6V
C
parasitic
(2)
R
ADC
C
ADC(1)
MS46324V1
Sampling
(n cycles) Conversion (12 cycles)
ADC clock
I
ref+
700 μA
300 μA

Electrical parameters STM8L051F3
84/96 DS9178 Rev 4
General PCB design guidelines
Power supply decoupling should be performed as shown in Figure 36 or Figure 37,
depending on whether VREF+ is connected to VDDA or not. Good quality ceramic 10 nF
capacitors should be used. They should be placed as close as possible to the chip.
Figure 36. Power supply and reference decoupling (VREF+ not connected to VDDA)
Table 47. RAIN max for fADC = 16 MHz(1)
1. Guaranteed by design.
Ts (cycles) Ts
(µs)
RAIN max (kohm)
Slow channels
2.4 V < VDDA < 3.6 V 1.8 V < VDDA < 2.4 V
4 0.25 Not allowed Not allowed
9 0.5625 0.8 Not allowed
16 1 2.0 0.8
24 1.5 3.0 1.8
48 3 6.8 4.0
96 6 15.0 10.0
192 12 32.0 25.0
384 24 50.0 50.0
Supply
External
reference
STM8L
VREF+
VDDA
VSSA/VREF-
1 μF // 10 nF
1 μF // 10 nF
ai17031c

DS9178 Rev 4 85/96
STM8L051F3 Electrical parameters
87
Figure 37. Power supply and reference decoupling (VREF+ connected to VDDA)
8.3.11 EMC characteristics
Susceptibility tests are performed on a sample basis during product characterization.
Functional EMS (electromagnetic susceptibility)
Based on a simple running application on the product (toggling 2 LEDs through I/O ports),
the product is stressed by two electromagnetic events until a failure occurs (indicated by the
LEDs).
•ESD: Electrostatic discharge (positive and negative) is applied on all pins of the device
until a functional disturbance occurs. This test conforms with the IEC 61000 standard.
•FTB: A burst of fast transient voltage (positive and negative) is applied to VDD and VSS
through a 100 pF capacitor, until a functional disturbance occurs. This test conforms
with the IEC 61000 standard.
A device reset allows normal operations to be resumed. The test results are given in the
table below based on the EMS levels and classes defined in application note AN1709.
Designing hardened software to avoid noise problems
EMC characterization and optimization are performed at component level with a typical
application environment and simplified MCU software. It should be noted that good EMC
performance is highly dependent on the user application and the software in particular.
Therefore it is recommended that the user applies EMC software optimization and
prequalification tests in relation with the EMC level requested for his application.
Prequalification trials
STM8L
Supply
ai17032d
1 μF // 10 nF
VREF+/VDDA
VREF-/VSSA

Electrical parameters STM8L051F3
86/96 DS9178 Rev 4
Most of the common failures (unexpected reset and program counter corruption) can be
reproduced by manually forcing a low state on the NRST pin or the Oscillator pins for 1
second.
To complete these trials, ESD stress can be applied directly on the device, over the range of
specification values. When unexpected behavior is detected, the software can be hardened
to prevent unrecoverable errors occurring (see application note AN1015).
Electromagnetic interference (EMI)
Based on a simple application running on the product (toggling 2 LEDs through the I/O
ports), the product is monitored in terms of emission. This emission test is in line with the
norm IEC61967-2 which specifies the board and the loading of each pin.
Absolute maximum ratings (electrical sensitivity)
Based on two different tests (ESD and LU) using specific measurement methods, the
product is stressed in order to determine its performance in terms of electrical sensitivity.
For more details, refer to the application note AN1181.
Electrostatic discharge (ESD)
Electrostatic discharges (a positive then a negative pulse separated by 1 second) are
applied to the pins of each sample according to each pin combination. The sample size
depends on the number of supply pins in the device (3 parts*(n+1) supply pin). Two models
can be simulated: human body model and charge device model. This test conforms to the
JESD22-A114A/A115A standard.
Table 48. EMS data
Symbol Parameter Conditions Level/
Class
VFESD
Voltage limits to be applied on
any I/O pin to induce a functional
disturbance
VDD = 3.3 V, TA = +25 °C,
fCPU= 16 MHz,
conforms to IEC 61000
3B
VEFTB
Fast transient voltage burst limits
to be applied through 100 pF on
VDD and VSS pins to induce a
functional disturbance
VDD = 3.3 V, TA = +25 °C,
fCPU = 16 MHz,
conforms to IEC 61000
Using HSI 4A
Using HSE 2B
Table 49. EMI data (1)
1. Not tested in production.
Symbol Parameter Conditions Monitored
frequency band
Max vs.
Unit
16 MHz
SEMI Peak level
VDD = 3.6 V,
TA = +25 °C,
LQFP32
conforming to
IEC61967-2
0.1 MHz to 30 MHz -3
dBμV30 MHz to 130 MHz 9
130 MHz to 1 GHz 4
SAE EMI Level 2 -

DS9178 Rev 4 87/96
STM8L051F3 Electrical parameters
87
Static latch-up
•LU: 3 complementary static tests are required on 6 parts to assess the latch-up
performance. A supply overvoltage (applied to each power supply pin) and a current
injection (applied to each input, output and configurable I/O pin) are performed on each
sample. This test conforms to the EIA/JESD 78 IC latch-up standard. For more details,
refer to the application note AN1181.
Table 50. ESD absolute maximum ratings
Symbol Ratings Conditions Maximum
value (1)
1. Guaranteed by characterization results.
Unit
VESD(HBM) Electrostatic discharge voltage
(human body model)
TA = +25 °C
2000
V
VESD(CDM) Electrostatic discharge voltage
(charge device model) 500
Table 51. Electrical sensitivities
Symbol Parameter Class
LU Static latch-up class II

Package characteristics STM8L051F3
88/96 DS9178 Rev 4
9 Package characteristics
9.1 ECOPACK®
In order to meet environmental requirements, ST offers these devices in different grades of
ECOPACK® packages, depending on their level of environmental compliance. ECOPACK®
specifications, grade definitions and product status are available at: www.st.com.
ECOPACK® is an ST trademark.

DS9178 Rev 4 89/96
STM8L051F3 Package characteristics
93
9.2 Package mechanical data
9.3 TSSOP20 package information
Figure 38. TSSOP20 – 20-lead thin shrink small outline, 6.5 x 4.4 mm, 0.65 mm pitch,
package outline
1. Drawing is not to scale.
Table 52. TSSOP20 – 20-lead thin shrink small outline, 6.5 x 4.4 mm, 0.65 mm pitch,
package mechanical data
Symbol
millimeters inches(1)
Min. Typ. Max. Min. Typ. Max.
A - - 1.200 - - 0.0472
A1 0.050 - 0.150 0.0020 - 0.0059
A2 0.800 1.000 1.050 0.0315 0.0394 0.0413
b 0.190 - 0.300 0.0075 - 0.0118
c 0.090 - 0.200 0.0035 - 0.0079
D(2) 6.400 6.500 6.600 0.2520 0.2559 0.2598
E 6.200 6.400 6.600 0.2441 0.2520 0.2598
E1(3) 4.300 4.400 4.500 0.1693 0.1732 0.1772
e - 0.650 - - 0.0256 -
L 0.450 0.600 0.750 0.0177 0.0236 0.0295
L1 - 1.000 - - 0.0394 -
k 0° - 8° 0° - 8°
aaa - - 0.100 - - 0.0039
YA_ME_V3
1
20
C
c
L
EE1
D
A2
A
k
eb
10
11
A1
L1
aaa
SEATING
PLANE
CGAUGE PLANE
0.25 mm
PIN 1
IDENTIFICATION

Package characteristics STM8L051F3
90/96 DS9178 Rev 4
Figure 39. TSSOP20 – 20-lead thin shrink small outline, 6.5 x 4.4 mm, 0.65 mm pitch,
package footprint
1. Dimensions are expressed in millimeters.
1. Values in inches are converted from mm and rounded to four decimal digits.
2. Dimension “D” does not include mold flash, protrusions or gate burrs. Mold flash, protrusions or gate burrs
shall not exceed 0.15mm per side.
3. Dimension “E1” does not include interlead flash or protrusions. Interlead flash or protrusions shall not
exceed 0.25mm per side.
YA_FP_V1
7.10 4.40
0.25
0.25
6.25
1.35
0.40 0.65
1.35
1
20 11
10

DS9178 Rev 4 91/96
STM8L051F3 Package characteristics
93
Device marking for TSSOP20 – 20-lead thin shrink small outline, 6.5 x 4.4 mm,
0.65 mm pitch
The following figure gives an example of topside marking orientation versus pin 1/ball A1
identifier location.
Other optional marking or inset/upset marks, which identify the parts throughout supply
chain operations, are not indicated below.
Figure 40. Device marking for TSSOP20 – 20-lead thin shrink small outline,
6.5 x 4.4 mm, 0.65 mm pitch example
1. Parts marked as ES or E or accompanied by an Engineering Sample notification letter are not yet qualified
and therefore not approved for use in production. ST is not responsible for any consequences resulting
from such use. In no event will ST be liable for the customer using any of these engineering samples in
production. ST's Quality department must be contacted prior to any decision to use these engineering
samples to run a qualification activity.
MSv17034v1
8L051F3P6
R Y WW
Product identification
Additional information
Date code
Unmarkable surface
PIN1 reference

Package characteristics STM8L051F3
92/96 DS9178 Rev 4
9.4 Thermal characteristics
The maximum chip junction temperature (TJmax) must never exceed the values given in
Table 15: General operating conditions on page 48.
The maximum chip-junction temperature, TJmax, in degree Celsius, may be calculated using
the following equation:
TJmax = TAmax + (PDmax x Θ
JA)
Where:
•TAmax is the maximum ambient temperature in °C
•Θ
JA is the package junction-to-ambient thermal resistance in °C/W
•PDmax is the sum of PINTmax and PI/Omax (PDmax = PINTmax + PI/Omax)
•PINTmax is the product of IDD and VDD, expressed in Watts. This is the maximum chip
internal power.
•PI/Omax represents the maximum power dissipation on output pins
Where:
PI/Omax = Σ (VOL*IOL) + Σ((VDD-VOH)*I OH),
taking into account the actual VOL/IOL and VOH/IOH of the I/Os at low and high level in
the application.
Table 53. Thermal characteristics(1)
1. Thermal resistances are based on JEDEC JESD51-2 with 4-layer PCB in a natural convection
environment.
Symbol Parameter Value Unit
Θ
JA
Thermal resistance junction-ambient
TSSOP20 110 °C/W

DS9178 Rev 4 93/96
STM8L051F3 Ordering information
93
10 Ordering information
Figure 41. Low density value line STM8L051F3 ordering information scheme
STM8 L 051 F 3 P 6
Product class
STM8 microcontroller
Pin count
F = 20 pins
Package
P = TSSOP
Example:
Sub-family type
051 = Ultra-low-power
Family type
L = Low power
Temperature range
6 = – 40 to 85 °C
For a list of available options (such as memory size, package) and orderable part numbers or for
further information on any aspect of this device, please contact the ST sales office nearest to you.
Program memory size
3 = 8 Kbytes

Revision history STM8L051F3
94/96 DS9178 Rev 4
11 Revision history
Table 54. Document revision history
Date Revision Changes
01-Aug-2012 1 Initial release.
26-Mar-2014 2
Updated TSS0P20 package information
Updated pin name related to pin1 and 2 inside Table 4: STM8L051F3
pin description
Updated inside Table 10: Option byte addresses OPT5 default factory
of BOR to 0x00
04-Jul-2017 3
Updated
– All document to refer to specific RPN instead to the whole Value line
when relevant to make content clearer
– Document’s title
– Footnotes were standardized on Section 8: Electrical parameters
– Figure on Features on the cover page
–Section 1: Introduction
–Section 2: Description
–Section 2.2: Ultra-low-power continuum
–Section 8.2: Absolute maximum ratings
–Section 9.3: TSSOP20 package information
–Figure 1: STM8L051F3 block diagram
–Figure 2: STM8L051F3 clock tree diagram
–Figure 5: Pin loading conditions
–Figure 6: Pin input voltage
–Figure 8: Typ. IDD(RUN) vs. VDD, fCPU = 16 MHz
–Figure 9: Typ. IDD(Wait) vs. VDD, fCPU = 16 MHz 1)
–Figure 10: Typ. IDD(LPR) vs. VDD (LSI clock source)
–Figure 11: Typ. IDD(LPW) vs. VDD (LSI clock source)
–Figure 13: LSE oscillator circuit diagram
–Figure 15: Typical LSI frequency vs. VDD
–Figure 16: Typical VIL and VIH vs VDD (high sink I/Os)
–Figure 17: Typical VIL and VIH vs VDD (true open drain I/Os)
–Figure 18: Typical pull-up resistance RPU vs VDD with VIN=VSS
–Figure 19: Typical pull-up current Ipu vs VDD with VIN=VSS
–Figure 29: SPI1 timing diagram - slave mode and CPHA=0
–Figure 30: SPI1 timing diagram - slave mode and CPHA=1(1)
–Figure 34: Typical connection diagram using the ADC
–Figure 35: Maximum dynamic current consumption on VREF+ supply
pin during ADC conversion

DS9178 Rev 4 95/96
STM8L051F3 Revision history
95
04-Jul-2017 3
(Cont.)
Updated (continuation):
–Figure 37: Power supply and reference decoupling (VREF+
connected to VDDA)
–Figure 38: TSSOP20 – 20-lead thin shrink small outline, 6.5 x
4.4 mm, 0.65 mm pitch, package outline
–Figure 39: TSSOP20 – 20-lead thin shrink small outline, 6.5 x
4.4 mm, 0.65 mm pitch, package footprint
–Table 25: Current consumption under external reset
Added
–Section : Device marking for TSSOP20 – 20-lead thin shrink small
outline, 6.5 x 4.4 mm, 0.65 mm pitch
–Figure 40: Device marking for TSSOP20 – 20-lead thin shrink small
outline, 6.5 x 4.4 mm, 0.65 mm pitch example
07-Sep-2018 4
Updated:
–12-bit ADC up to 1 Msps/10 channels feature on cover page
–Section 3.8: Analog-to-digital converter
–Table 4: STM8L051F3 pin description
–Table 7: General hardware register map
–Table 43: ADC1 characteristics
–Table 47: RAIN max for fADC = 16 MHz
– Added introduction to following sections:
Section 3.2: Central processing unit STM8
Section 3.3: Reset and supply management
Section 3.13: Communication interfaces
Section 3.15: Development support
Section 5: Memory and register map
Section 6: Interrupt vector mapping
Section 8: Electrical parameters
Section 8.3.1: General operating conditions
Section 8.3.2: Embedded reset and power control block
characteristics
Table 54. Document revision history
Date Revision Changes

STM8L051F3
96/96 DS9178 Rev 4
IMPORTANT NOTICE – PLEASE READ CAREFULLY
STMicroelectronics NV and its subsidiaries (“ST”) reserve the right to make changes, corrections, enhancements, modifications, and
improvements to ST products and/or to this document at any time without notice. Purchasers should obtain the latest relevant information on
ST products before placing orders. ST products are sold pursuant to ST’s terms and conditions of sale in place at the time of order
acknowledgement.
Purchasers are solely responsible for the choice, selection, and use of ST products and ST assumes no liability for application assistance or
the design of Purchasers’ products.
No license, express or implied, to any intellectual property right is granted by ST herein.
Resale of ST products with provisions different from the information set forth herein shall void any warranty granted by ST for such product.
ST and the ST logo are trademarks of ST. All other product or service names are the property of their respective owners.
Information in this document supersedes and replaces information previously supplied in any prior versions of this document.
© 2018 STMicroelectronics – All rights reserved
Products related to this Datasheet
IC MCU 8BIT 8KB FLASH 20TSSOP
IC MCU 8BIT 8KB FLASH 20TSSOP
IC MCU 8BIT 8KB FLASH 20TSSOP
IC MCU 8BIT 8KB FLASH 20TSSOP