AsahiKASEI
AKM
55"“)
[AK4413]
MS1495-E-01 2013/01
- 1 -
GENERAL DESCRIPTION
AK4413 is a 24-bit DAC, which corresponds to BD systems. An internal circuit includes newly developed
24bit Digital Filter for better sound quality achieving low distortion characteristics and wide dynamic
range. The AK4413 has full differential SCF outputs, removing the need for AC coupling capacitors and
increasing performance for systems with excessive clock jitter. The AK4413 accepts 216kHz PCM data,
ideal for a wide range of applications including DVD-Audio.
FEATURES
• 128x Over sampling
• Sampling Rate: 30kHz ∼ 216kHz
• 24Bit 8x Digital Filter
- Ripple: ±0.005dB, Attenuation: 80dB
- High Quality Sound Short Delay Option; GD=7/fs and GD=5.5/fs
- Sharp Roll-Off Filter
- Slow Roll-Off Filter
• High Tolerance to Clock Jitter
• Low Distortion Differential Output
• Digital De-emphasis for 32, 44.1, 48kHz sampling
• Soft Mute
• Digital Attenuator (255 levels and 0.5dB step)
• Stereo Mode
• THD+N: -104dB
• DR, S/N: 120dB (Stereo mode: 123dB)
• I/F Format: 24-bit MSB justified, 16/20/24bit LSB justified, I2S, TDM
• Master Clock:
30kHz ~ 32kHz: 1152fs
30kHz ~ 54kHz: 512fs or 768fs
30kHz ~ 108kHz: 256fs or 384fs
108kHz ~ 216kHz: 128fs or 192fs
• Power Supply: DVDD=AVDD=2.7 ∼ 3.6V, VDD1/2=4.75 ∼ 5.25V
• Digital Input Level: CMOS
• Package: 44pin LQFP
AK4413
High Performance 120dB 24-Bit 4ch DAC
AsahiKASEI
EICK
PCM
Data
5m” Menace
sum
PDN
3x
lmerpmalov
3x
DATT
Sun Mme
TDMD
canum
CSNySMLlTE Regwsxev
com DEMO
CDTl/DEMI
cwmsn cam/mm PSN
Dzn/mn
lmerpmalov
DIF
ACKS DZF2
mock
DMder
MCLK
a:
Mndmatm
a:
Mndmatm
AVD
[AK4413]
MS1495-E-01 2013/01
- 2 -
■ Block Diagram
MCLK
SDTI1
CSN/SMUTE
BICK
CCLK/DEM0
CDTI/DEM1
ACKS/DZF2
VSS
VDD1
PDN AVDD
Clock
Divider
DVSSDVDD
CAD0/SD CAD1/DIF0 PSN DZF1/DIF1 DIF
VSS2
AOUTRN1
VREFH1
VREFL1
AVSS
AOUTLP1
AOUTLN1
AOUTRP1
PCM
Data
Interface
8X
Interpolator
Control
Register
SCF
SCF
AOUTRN
VREFH2
VREFL2
AOUTLP2
AOUTLN2
AOUTRP2
Δ
Σ
Modulator
Vref
VDD2
VCOM2
VCOM1
TDM0
SDTI2
8X
Interpolator
DATT
Soft Mute
SCF
SCF
Δ
Σ
Modulator
Vref
DATT
Soft Mute
Bias
SLOW
TDM1
Block Diagram
AsahiKASEI
VDD1
AOUTLI N
AOUTL1 P
VCM1
TSTO1
TST02
AVDD
AVSS
MCLK
DVSS
DVDD
PDN
BICK
SDATN
TDM1
LRCK
SMUTE/CSN
SD/CADO
DEMO/CCLK
DEM1/CDTI
MSl495£r [AK4413]
MS1495-E-01 2013/01
- 3 -
■ Ordering Guide
AK4413EQ −10 ∼ +70°C 44pin LQFP (0.8mm pitch)
AKD4413 Evaluation Board for AK4413
■ Pin Layout
VDD1
VSS1
34
AOUTL1N
33
35
AOUTL1P 36
VCM1 37
TSTO1 38
TSTO2 39
AVDD 40
AVSS 41
MCLK 42
DVSS 43
DVDD 44
VREFL1 32
VREFH1 31
AOUTR1N
30
AOUTR1P
29
NC
28
AOUTL2P
27
AOUTL2N 26
VREFH2
25
VREFL2 24
VSS2 23
PDN 1
TDM1
2
BIC
K
3
SDATA1
4
LRC
K
5
SMUTE/CSN
6
SD/CAD0
7
DEM0/CCL
K
8
DEM1/CDTI
9
DIF0/CAD1
10
11
22
21
20
19
18
17
16
15
14
13
12
VDD2
A
OUTR2N
A
OUTR2P
VCM2
TEST
SLOW
TDM0
A
CKS/DZF2
PSN
DIF2
DIF1/DZF1
AK4413
Top View
SDATA2
AsahiKASEI
No.
Pin Name
[/0
Funnion
Digna
[AK4413]
MS1495-E-01 2013/01
- 4 -
PIN/FUNCTION
No. Pin Name I/O Function
1 PDN I
Power-Down Mode
When at “L”, the AK4413 is in power-down mode and is held in reset.
The AK4413 should always be reset upon power-up.
2 BICK I Audio Serial Data Clock in PCM Mode
3 SDATA1 I Audio Serial Data Input in PCM Mode
4 SDATA2 I Audio Serial Data Input in PCM Mode
5 TDM1 I TDM I/F Format Mode in PCM Mode
6 LRCK I L/R Clock in PCM Mode
SMUTE I
Soft Mute in Parallel Control Mode
When this pin goes to “H”, soft mute cycle is initiated.
When returning to “L”, the output mute releases.
7
CSN I Chip Select in Serial Control Mode
SD Digital Filter setting pin in Parallel Control mode
8 CAD0 I Chip Address 0 in Serial Control Mode (Internal pull-down pin)
DEM0 I De-emphasis Enable 0 in Parallel Control Mode
9 CCLK I Control Data Clock in Serial Control Mode
DEM1 I De-emphasis Enable 1 in Parallel Control Mode
10 CDTI I Control Data Input in Serial Control Mode
DIF0 I Digital Input Format 0 in PCM Mode
11 CAD1 I Chip Address 1 in Serial Control Mode
DIF1 I Digital Input Format 1 in PCM Mode
12 DZF1 O Zero Input Detect in Serial Control Mode
13 DIF2 I Digital Input Format 2 in PCM Mode
14 PSN I Parallel/Serial Select (Internal pull-up pin)
“L”: Serial Control Mode, “H”: Parallel Control Mode
ACKS I
Auto Clock Setting Mode in Parallel Control mode
“L”: Manual Setting Mode, “H”: Auto Setting Mode
15
DZF2 O Zero Input Detect in Serial Control Mode
16 TDM0 I TDM I/F Format Mode in Parallel Control mode
17 SLOW I Digital filter setting pin
18 TEST - No internal bonding.
Connect to DVSS.
19 VCM2 - Common Voltage 2
Normally connected to VSS with a 10uF electrolytic cap.
20 AOUTR2P O Right Channel Positive Analog Output 2
21 AOUTR2N O Right Channel Negative Analog Output 2
22 VDD2 - Analog Power Supply, 4.75 to 5.25V
23 VSS2 - Ground (connected to DVSS, AVSS, VSS1 ground)
24 VREFL2 I Low Level Voltage Reference Input 2
25 VREFH2 I High Level Voltage Reference Input 2
26 AOUTL2N O Left Channel Negative Analog Output 2
27 AOUTL2P O Left Channel Positive Analog Output 2
28 NC - No internal bonding.
Connect to GND.
AsahiKASEI
[AK4413]
MS1495-E-01 2013/01
- 5 -
No. Pin Name I/O Function
29 AOUTR1P O Right Channel Positive Analog Output 1
30 AOUTR1N O Right Channel Negative Analog Output 1
31 VREFH1 I High Level Voltage Reference Input 1
32 VREFL1 I Low Level Voltage Reference Input 1
33 VSS1 - Connected to DVSS, AVSS, VSS2 Ground
34 VDD1 - Analog Power Supply Pin, 4.75 ∼ 5.25V
35 AOUTL1N O Left Channel Negative Analog Output 1
36 AOUTL1P O Left Channel Positive Analog Output 1
37 VCM1 - Common Voltage 1
Normally connected to VSS with a 10uF electrolytic cap.
38 TSTO1 I Test Output pin. “Hi-Z” at Normal Operation.
Connect to AVSS.
39 TSTO2 I Test Output pin. “Hi-Z” at Normal Operation.
Connect to AVSS.
40 AVDD - Analog Power Supply, 2.7 to 3.6V
41 AVSS - Analog Ground Pin
42 MCLK I Master Clock Input
43 DVSS - Digital Ground Pin
44 DVDD - Digital Power Supply, 3.0 ∼ 3.6V
Note: All input pins except internal pull-up/down pins should not be left floating.
AsahiKASEI
AOUTLI AOUTL 1N
AOUTLZP AOUTLZV . The
The
pm: mu be open.
pmo mum be open.
AOUTLI P AOUTLI N
pm: mu be open.
pm: mu be open.
D1F2,PSN,TDM( SL9W,TLST
:[hi pin mu be connccmdto DVS
[AK4413]
MS1495-E-01 2013/01
- 6 -
■ Handling of Unused Pin
The unused I/O pins should be processed appropriately as below.
(1) Parallel Mode
Classification Pin Name Setting
AOUTL1P, AOUTL1N These pins must be open.
AOUTR1P, AOUTR1N These pins must be open.
AOUTL2P, AOUTL2N These pins must be open.
Analog
AOUTR2P, AOUTR2N These pins must be open.
Analog TSTO1,TSTO2 This pin must be connected to AVSS
Digital TEST This pin must be connected to DVSS
(2) Serial Mode
Classification Pin Name Setting
AOUTL1P, AOUTL1N These pins must be open.
AOUTR1P, AOUTR1N These pins must be open.
AOUTL2P, AOUTL2N These pins must be open.
Analog
AOUTR2P, AOUTR2N These pins must be open.
Analog TSTO1,TSTO2 This pin must be connected to AVSS
DIF2,PSN,TDM0,SLOW,TEST This pin must be connected to DVSS
Digital DZF1, DZF2 These pins must be open.
AsahiKASEI
Parameter
Symbol
min
max
Unit
[AK4413]
MS1495-E-01 2013/01
- 7 -
ABSOLUTE MAXIMUM RATINGS
(VSS1-2=AVSS=DVSS=0V; Note 1)
Parameter Symbol min max Unit
Power Supplies:
Analog
Analog
Digital
|AVSS − DVSS|
AVDD
VDD1/2
DVDD
ΔGND
−0.3
−0.3
−0.3
-
4.6
6.0
4.6
0.3
V
V
V
V
Input Current, Any Pin Except Supplies IIN - ±10 mA
Digital Input Voltage VIND −0.3 DVDD+0.3 V
Ambient Temperature (Power applied) Ta −10 70 °C
Storage Temperature Tstg −65 150 °C
Note 1. All voltages with respect to ground.
Note 2. AVSS, VSS1/2, DVSS must be connected to the same analog ground plane.
WARNING: Operation at or beyond these limits may result in permanent damage to the device.
Normal operation is not guaranteed at these extremes.
RECOMMENDED OPERATING CONDITIONS
(VSS1-2=AVSS=DVSS=0V; Note 1)
Parameter Symbol min typ max Unit
Power Supplies
(Note 3)
Analog
Analog
Digital
AVDD
VDD1/2
DVDD
2.7
4.75
2.7
3.0
5.0
3.0
3.6
5.25
3.6
V
V
V
Voltage
Reference
(Note 4)
“H” voltage reference
“H” voltage reference
“L” voltage reference
“L” voltage reference
VREFH1
VREFH2
VREFL1
VREFL2
VDD1−0.5
VDD2-0.5
-
-
-
-
AVSS
AVSS
VDD1
VDD2
-
-
V
V
V
V
Note 1. All voltages with respect to ground.
Note 3. The power up sequence between AVDD, VDD1/2 and DVDD is not critical.
Note 4. The analog output voltage scales with the voltage of (VREFH1/2 − VREFL1/2).
Connect a resistor of 20ohm or less and a capacitor of 100uF or more to the VREFH1/2 pin. (Figure 19)
AOUT (typ.@0dB) = (AOUT+) − (AOUT−) = ±2.8Vpp × (VREFH1/2 − VREFL1/2)/5.
* AKM assumes no responsibility for the usage beyond the conditions in this data sheet.
AsahiKASEI
[AK4413]
MS1495-E-01 2013/01
- 8 -
ANALOG CHARACTERISTICS
(Ta=25°C; AVDD=DVDD=3.0V, VDD1/2=5.0V; AVSS=VSS1/2=DVSS=0V; VREFH1/2=VDD1/2, VREFL1/2=
AVSS; Input data = 24bit; RL ≥ 1kΩ; BICK=64fs; Signal Frequency = 1kHz; Sampling Frequency = 44.1kHz;
Measurement bandwidth = 20Hz ~ 20kHz; External Circuit: Figure 22; unless otherwise specified.)
Parameter min typ max Unit
Resolution - - 24 Bits
Dynamic Characteristics (Note 5)
fs=44.1kHz (Note 6)
BW=20kHz
0dBFS
−60dBFS
-
-104
-57
-95
-
dB
dB
fs=96kHz
BW=40kHz
0dBFS
−60dBFS
-
-
-99
-54
-
-
dB
dB
THD+N
fs=192kHz
BW=40kHz
BW=80kHz
0dBFS
−60dBFS
−60dBFS
-99
-54
-51
-
-
-
dB
dB
dB
Dynamic Range (−60dBFS with A-weighted) (Note 6) 113 120 dB
S/N (A-weighted) (Note 7) 113 120 dB
Interchannel Isolation (1kHz) 100 110 dB
DC Accuracy
Interchannel Gain Mismatch - 0 0.3 dB
Gain Drift (Note 8) - 20 - ppm/°C
Output Voltage (Note 9) ±2.65 ±2.8 ±2.95 Vpp
Load Capacitance - - 10 pF
Load Resistance (Note 10) 1 - - kΩ
Power Supplies
Power Supply Current
Normal operation (PDN pin = “H”)
VDD1+VDD2
AVDD
DVDD (fs ≤ 44.1kHz)
DVDD (fs=96kHz)
DVDD (fs = 192kHz)
-
-
-
-
41
1
7
12
18
60
1.5
11
18
27
mA
mA
mA
mA
mA
Power down (PDN pin = “L”) (Note 11)
AVDD+VDD1/2+DVDD
-
10
100
μA
Note 5. Measured by Audio Precision, System Two. Averaging mode. Refer to the evaluation board manual.
Note 6. Figure 22 External LPF Circuit Example 2. 100dB for 16-bit data.
Note 7. Figure 22 External LPF Circuit Example 2. S/N does not depend on input data size.
Note 8. The voltage on (VREFH1/2 − VREFL1/2) is held +5V externally.
Note 9. Full scale voltage (0dB). Output voltage scales with the voltage of (VREFH1/2 − VREFL1/2).
AOUT (typ.@0dB) = (AOUT+) − (AOUT−) = ±2.8Vpp × (VREFH1/2 − VREFL1/2)/5.
Note 10. Regarding Load Resistance, AC load is 1kΩ (min) with a DC cut capacitor (Figure 22). DC load is 1.5kΩ (min)
without a DC cut capacitor (Figure 21). The load resistance value is with respect to ground. Analog
characteristics are sensitive to capacitive load that is connected to the output pin. Therefore the capacitive load
must be minimized.
Note 11. In the power down mode. The PSN pin = DVDD, and all other digital input pins including clock pins
(MCLK, BICK and LRCK) are held DVSS.
AsahiKASEI
[AK4413]
MS1495-E-01 2013/01
- 9 -
SHARP ROLL-OFF FILTER CHARACTERISTICS (fs = 44.1kHz)
(Ta=25°C; VDD1/2=4.75 ∼ 5.25V, AVDD=DVDD=2.7 ∼ 3.6V; Normal Speed Mode; DEM=OFF; SLOW bit = “0”, SD
bit=“0”)
Parameter Symbol min typ max Unit
Digital Filter
Passband (Note 12)
±0.01dB
−6.0dB
PB
0
-
22.05
20.0
-
kHz
kHz
Stopband (Note 12) SB 24.1 kHz
Passband Ripple PR -0.0032 - 0.0032 dB
Stopband Attenuation SA 80 dB
Group Delay (Note 13) GD - 29 - 1/fs
Digital Filter + SCF
Frequency Response: 0 ∼ 20.0kHz -0.2 - 0.2 dB
SHARP ROLL-OFF FILTER CHARACTERISTICS (fs = 96kHz)
(Ta=25°C; VDD1/2=4.75 ∼ 5.25V, AVDD=DVDD=2.7 ∼ 3.6V; Double Speed Mode; DEM=OFF; SLOW bit = “0”, SD
bit=“0”)
Parameter Symbol min typ max Unit
Digital Filter
Passband (Note 12)
±0.01dB
−6.0dB
PB
0
-
48.0
43.5
-
kHz
kHz
Stopband (Note 12) SB 52.5 kHz
Passband Ripple PR -0.0032 - 0.0032 dB
Stopband Attenuation SA 80 dB
Group Delay (Note 13) GD - 29 - 1/fs
Digital Filter + SCF
Frequency Response: 0 ∼ 40.0kHz -0.3 - 0.3 dB
SHARP ROLL-OFF FILTER CHARACTERISTICS (fs = 192kHz)
(Ta=25°C; VDD1/2=4.75 ∼ 5.25V, AVDD=DVDD=2.7 ∼ 3.6V; Quad Speed Mode; DEM=OFF; SLOW bit = “0”. SD
bit=“0”)
Parameter Symbol min typ max Unit
Digital Filter
Passband (Note 12)
±0.01dB
−6.0dB
PB
0
-
96.0
87.0
-
kHz
kHz
Stopband (Note 12) SB 105 kHz
Passband Ripple PR -0.0032 - 0.0032 dB
Stopband Attenuation SA 80 dB
Group Delay (Note 13) GD - 29 - 1/fs
Digital Filter + SCF
Frequency Response: 0 ∼ 80.0kHz -1 - 0.1 dB
Note 12. The passband and stopband frequencies scale with fs. For example, PB=0.4535×fs, SB=0.546×fs.
Note 13. The calculating delay time which occurred by digital filtering. This time is from setting the 16/20/24-bit data of
both channels to input register to the output of analog signal.
AsahiKASEI
[AK4413]
MS1495-E-01 2013/01
- 10 -
SLOW ROLL-OFF FILTER CHARACTERISTICS (fs = 44.1kHz)
(Ta=25°C; VDD1/2=4.75 ∼ 5.25V, AVDD=DVDD=2.7 ∼ 3.6V; Normal Speed Mode; DEM=OFF; SLOW bit=“1”, SD
bit = “0”)
Parameter Symbol min typ max Unit
Digital Filter
Passband (Note 14)
±0.04dB
−3.0dB
PB
0
-
18.2
8.1
-
kHz
kHz
Stopband (Note 14) SB 39.2 kHz
Passband Ripple PR -0.043 - 0.043 dB
Stopband Attenuation SA 73 dB
Group Delay (Note 13) GD - 6 - 1/fs
Digital Filter + SCF
Frequency Response: 0 ∼ 20.0kHz -5 - 0.1 dB
SLOW ROLL-OFF FILTER CHARACTERISTICS (fs = 96kHz)
(Ta=25°C; VDD1/2=4.75 ∼ 5.25V, AVDD=DVDD=2.7 ∼ 3.6V; Double Speed Mode DEM=OFF; SLOW bit=“1”, SD bit
= “0”)
Parameter Symbol min typ max Unit
Digital Filter
Passband (Note 14)
±0.04dB
−3.0dB
PB
0
-
39.6
17.7
-
kHz
kHz
Stopband (Note 14) SB 85.3 kHz
Passband Ripple PR -0.043 - 0.043 dB
Stopband Attenuation SA 73 dB
Group Delay (Note 13) GD - 6 - 1/fs
Digital Filter + SCF
Frequency Response: 0 ∼ 40.0kHz -4 - 0.1 dB
SLOW ROLL-OFF FILTER CHARACTERISTICS (fs = 192kHz)
(Ta=25°C; VDD1/2=4.75 ∼ 5.25V, AVDD=DVDD=2.7 ∼ 3.6V; Quad Speed Mode; DEM=OFF; SLOW bit=“1”, SD bit
= “0”)
Parameter Symbol min typ max Unit
Digital Filter
Passband (Note 14)
±0.04dB
−3.0dB
PB
0
-
79.1
35.5
-
kHz
kHz
Stopband (Note 14) SB 171 kHz
Passband Ripple PR -0.043 - 0.043 dB
Stopband Attenuation SA 73 dB
Group Delay (Note 13) GD - 6 - 1/fs
Digital Filter + SCF
Frequency Response: 0 ∼ 80.0kHz -5 - 0.1 dB
Note 14. The passband and stopband frequencies scale with fs. For example, PB=0.185×fs, SB=0.888×fs.
AsahiKASEI
[AK4413]
MS1495-E-01 2013/01
- 11 -
SHORT DELAY SHARP ROLL-OFF FILTER CHARACTERISTICS (fs = 44.1kHz)
(Ta=25°C; VDD1/2=4.75 ∼ 5.25V, AVDD=DVDD=2.7 ∼ 3.6V; Normal Speed Mode; DEM=OFF; SLOW bit = “0”, SD
bit=“1”)
Parameter Symbol min typ max Unit
Digital Filter
Passband (Note 12)
±0.01dB
−6.0dB
PB
0
-
22.05
20.0
-
kHz
kHz
Stopband (Note 12) SB 24.1 kHz
Passband Ripple PR -0.0031 - 0.0031 dB
Stopband Attenuation SA 80 dB
Group Delay (Note 13) GD - 7 - 1/fs
Digital Filter + SCF
Frequency Response : 0 ∼ 20.0kHz -0.2 - 0.2 dB
SHORT DELAY SHARP ROLL-OFF FILTER CHARACTERISTICS (fs = 96kHz)
(Ta=25°C; VDD1/2=4.75 ∼ 5.25V, AVDD=DVDD=2.7 ∼ 3.6V; Double Speed Mode; DEM=OFF; SLOW bit = “0”, SD
bit=“1”)
Parameter Symbol min typ max Unit
Digital Filter
Passband (Note 12)
±0.01dB
−6.0dB
PB
0
-
48.0
43.5
-
kHz
kHz
Stopband (Note 12) SB 52.5 kHz
Passband Ripple PR -0.0031 - 0.0031 dB
Stopband Attenuation SA 80 dB
Group Delay (Note 13) GD - 7 - 1/fs
Digital Filter + SCF
Frequency Response : 0 ∼ 40.0kHz -0.3 - 0.3 dB
SHORT DELAY SHARP ROLL-OFF FILTER CHARACTERISTICS (fs = 192kHz)
(Ta=25°C; VDD1/2=4.75 ∼ 5.25V, AVDD=DVDD=2.7 ∼ 3.6V; Quad Speed Mode; DEM=OFF; SLOW bit = “0”, SD
bit=“1”)
Parameter Symbol min typ max Unit
Digital Filter
Passband (Note 12)
±0.01dB
−6.0dB
PB
0
-
96.0
87.0
-
kHz
kHz
Stopband (Note 12) SB 105 kHz
Passband Ripple PR -0.0031 - 0.0031 dB
Stopband Attenuation SA 80 dB
Group Delay (Note 13) GD - 7 - 1/fs
Digital Filter + SCF
Frequency Response : 0 ∼ 80.0kHz -1 - 0.1 dB
AsahiKASEI
[AK4413]
MS1495-E-01 2013/01
- 12 -
SHORT DELAY SLOW ROLL-OFF FILTER CHARACTERISTICS (fs = 44.1kHz)
(Ta=25°C; VDD1/2=4.75 ∼ 5.25V, AVDD=DVDD=2.7 ∼ 3.6V; Normal Speed Mode; DEM=OFF; SLOW bit = “1”, SD
bit=“1”)
Parameter Symbol min typ max Unit
Digital Filter
Passband (Note 12)
±0.01dB
−6.0dB
PB
0
-
22.3
11.1
-
kHz
kHz
Stopband (Note 12) SB 38.1 kHz
Passband Ripple PR -0.05 - 0.05 dB
Stopband Attenuation SA 82 dB
Group Delay (Note 13) GD - 5.5 - 1/fs
Digital Filter + SCF
Frequency Response : 0 ∼ 20.0kHz -5 - 0.1 dB
SHORT DELAY SLOW ROLL-OFF FILTER CHARACTERISTICS (fs = 96kHz)
(Ta=25°C; VDD1/2=4.75 ∼ 5.25V, AVDD=DVDD=2.7 ∼ 3.6V; Double Speed Mode; DEM=OFF; SLOW bit = “1”, SD
bit=“1”)
Parameter Symbol min typ max Unit
Digital Filter
Passband (Note 12)
±0.01dB
−6.0dB
PB
0
-
44.6
24.2
-
kHz
kHz
Stopband (Note 12) SB 83.0 kHz
Passband Ripple PR -0.05 - 0.05 dB
Stopband Attenuation SA 82 dB
Group Delay (Note 13) GD - 5.5 - 1/fs
Digital Filter + SCF
Frequency Response : 0 ∼ 40.0kHz -5 - 0.1 dB
SHORT DELAY SLOW ROLL-OFF FILTER CHARACTERISTICS (fs = 192kHz)
(Ta=25°C; VDD1/2=4.75 ∼ 5.25V, AVDD=DVDD=2.7 ∼ 3.6V; Quad Speed Mode; DEM=OFF; SLOW bit = “1”, SD
bit=“1”)
Parameter Symbol min typ max Unit
Digital Filter
Passband (Note 12)
±0.01dB
−6.0dB
PB
0
-
89.2
48.4
-
kHz
kHz
Stopband (Note 12) SB 165.9 kHz
Passband Ripple PR -0.05 - 0.05 dB
Stopband Attenuation SA 82 dB
Group Delay (Note 13) GD - 5.5 - 1/fs
Digital Filter + SCF
Frequency Response : 0 ∼ 80.0kHz -5 - 0.1 dB
AsahiKASEI
[AK4413]
MS1495-E-01 2013/01
- 13 -
DC CHARACTERISTICS
(Ta=25°C; VDD1/2=4.75 ∼ 5.25V, AVDD=DVDD=2.7 ∼ 3.6V)
Parameter Symbol min typ max Unit
High-Level Input Voltage
Low-Level Input Voltage
VIH
VIL
70%DVDD
-
-
-
-
30%DVDD
V
V
High-Level Output Voltage (Iout=−100μA)
Low-Level Output Voltage (Iout=100μA)
VOH
VOL
DVDD−0.5
-
-
-
-
0.5
V
V
Input Leakage Current (Note 15) Iin - - ±10 μA
Note 15. The PSN pin has an internal pull-up device nominally 100kΩ. Therefore the PSN pin is not included.
AsahiKASEI
PCM Audio Interface Timing
[AK4413]
MS1495-E-01 2013/01
- 14 -
SWITCHING CHARACTERISTICS
(Ta=25°C; VDD1/2=4.75 ∼ 5.25V, AVDD=DVDD=2.7 ∼ 3.6V)
Parameter Symbol min typ max Unit
Master Clock Timing
Frequency
Duty Cycle
fCLK
dCLK
2.048
40
41.472
60
MHz
%
LRCK Frequency (Note 16)
Normal Mode (TDM0= “L”, TDM1= “L”)
1152fs, 512fs or 768fs
256fs or 384fs
128fs or 192fs
Duty Cycle
fsn
fsd
fsq
Duty
8
54
108
45
54
108
216
55
kHz
kHz
kHz
%
TDM256 mode (TDM0= “H”, TDM1= “L”)
Normal Speed Mode High time
Low time
fsn
tLRH
tLRL
8
1/256fs
1/256fs
54
kHz
ns
ns
TDM128 mode (TDM0= “H”, TDM1= “H”)
Normal Speed Mode
Double Speed Mode
Quad Speed Mode
High time
Low time
fsn
fsd
fsq
tLRH
tLRL
8
54
108
1/128fs
1/128fs
54
108
216
kHz
kHz
kHz
ns
ns
PCM Audio Interface Timing
Normal Mode (TDM0= “L”, TDM1= “L”)
BICK Period
1152fs, 512fs or 768fs
256fs or 384fs
128fs or 192fs
BICK Pulse Width Low
BICK Pulse Width High
BICK “↑” to LRCK Edge (Note 17)
LRCK Edge to BICK “↑” (Note 17)
SDATA Hold Time
SDATA Setup Time
tBCK
tBCK
tBCK
tBCKL
tBCKH
tBLR
tLRB
tSDH
tSDS
1/128fsn
1/64fsd
1/64fsq
14
14
14
14
5
5
ns
ns
ns
ns
ns
ns
ns
ns
ns
TDM256 mode (TDM0= “H”, TDM1= “L”)
BICK Period
Normal Speed Mode
BICK Pulse Width Low
BICK Pulse Width High
BICK “↑” to LRCK Edge (Note 17)
LRCK Edge to BICK “↑” (Note 17)
SDATA1/2 Hold Time
SDATA1/2 Setup Time
tBCK
tBCKL
tBCKH
tBLR
tLRB
tSDH
tSDS
1/256fsn
14
14
14
14
5
5
ns
ns
ns
ns
ns
ns
ns
AsahiKASEI
[AK4413]
MS1495-E-01 2013/01
- 15 -
TDM128 mode (TDM0= “H”, TDM1= “H”)
BICK Period
Normal Speed Mode
Double Speed Mode
Quad Speed Mode
BICK Pulse Width Low
BICK Pulse Width High
BICK “↑” to LRCK Edge (Note 17)
LRCK Edge to BICK “↑” (Note 17)
SDATA1/2 Hold Time
SDATA1/2 Setup Time
tBCK
tBCK
tBCK
tBCKL
tBCKH
tBLR
tLRB
tSDH
tSDS
1/128fsn
1/128fsd
1/128fsq
14
14
14
14
5
5
ns
ns
ns
ns
ns
ns
ns
ns
ns
Control Interface Timing
CCLK Period
CCLK Pulse Width Low
Pulse Width High
CDTI Setup Time
CDTI Hold Time
CSN High Time
CSN “↓” to CCLK “↑”
CCLK “↑” to CSN “↑”
tCCK
tCCKL
tCCKH
tCDS
tCDH
tCSW
tCSS
tCSH
200
80
80
50
50
150
50
50
ns
ns
ns
ns
ns
ns
ns
ns
Reset Timing
PDN Pulse Width (Note 18)
tPD
150
ns
Note 16. When the 1152fs, 512fs or 768fs /256fs or 384fs /128fs or 192fs are switched, the AK4413 should be reset by the
PDN pin or RSTN bit.
Note 17. BICK rising edge must not occur at the same time as LRCK edge.
Note 18. The AK4413 can be reset by bringing the PDN pin “L” to “H” upon power-up.
AsahiKASEI
[AK4413]
MS1495-E-01 2013/01
- 16 -
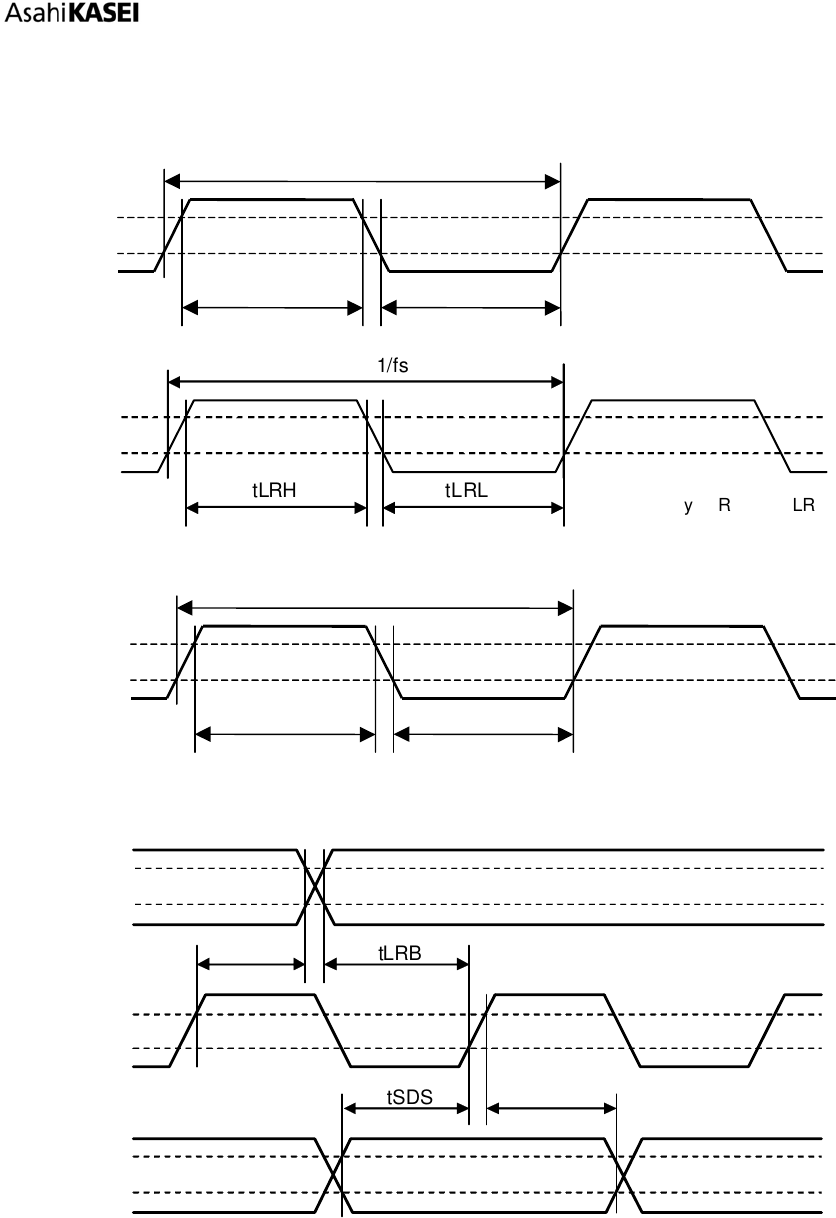
■ Timing Diagram
1/fCLK
tCLKL
VIH
tCLKH
MCLK VIL
dCLK=tCLKH x fCLK, tCLKL x fCLK
1/fs
VIH
LRCK VIL
tLRLtLRH Dut
y
=tL
R
H x fs, tL
R
L x fs
tBCK
tBCKL
VIH
tBCKH
BICK VIL
Clock Timing
tLRB
LRCK
VIH
BICK VIL
tSDS
VIH
SDATA1/2 VIL
tSDH
VIH
VIL
tBLR
Audio Interface Timing (PCM Mode)
[AK4413]
MS1495-E-01 2013/01
- 17 -
tCSS
CSN
VIH
CCLK VIL
VIH
CDTI VIL
VIH
VIL
C1 C0 R/W A4
tCCKL tCCKH
tCDS tCDH
WRITE Command Input Timing
CSN
VIH
CCLK VIL
VIH
CDTI VIL
VIH
VIL
D3 D2 D1 D0
tCSW
tCSH
WRITE Data Input Timing
tPD
PDN VIL
Power Down & Reset Timing
AsahiKASEI
[AK4413]
MS1495-E-01 2013/01
- 18 -
OPERATION OVERVIEW
■ System Clock
[1] PCM Mode
The external clocks, which are required to operate the AK4413, are MCLK, BICK and LRCK. MCLK should be
synchronized with LRCK but the phase is not critical. The MCLK is used to operate the digital interpolation filter and the
delta-sigma modulator.
The AK4413 is automatically placed in reset state when MCLK and LRCK are stopped during a normal operation (PDN
pin =“H”), and the analog output becomes AVDD/2 (typ). When MCLK and LRCK are input again, the AK4413 exit
reset state and starts the operation. After exiting system reset (PDN pin =“L”→“H”) at power-up and other situations, the
AK4413 is in power-down mode until MCLK and LRCK are supplied.
(1) Parallel Mode (PSN pin = “H”)
1. Manual Setting Mode
In manual setting mode (ACKS pin = “L”) only Normal Speed mode is supported with the sample rate range shown in
(Table 1). The AK4413 automatically configures itself to operate with the supported MCLK frequencies which are
required to be provided as input and are shown in (Table 2).
Sampling Rate (fs)
Normal Speed Mode 8kHz ∼ 54kHz
Table 1. Sampling Speed (Manual Setting Mode @Parallel Mode)
LRCK MCLK (MHz) BICK
fs 128fs 192fs 256fs 384fs 512fs 768fs 1152fs 64fs
32.0kHz N/A N/A 8.1920 12.2880 16.3840 24.5760 36.8640 2.0480MHz
44.1kHz N/A N/A 11.2896 16.9344 22.5792 33.8688 N/A 2.8224MHz
48.0kHz N/A N/A 12.2880 18.4320 24.5760 36.8640 N/A 3.0720MHz
Table 2. System Clock Example (Manual Setting Mode @Parallel Mode), (N/A: Not available)
AsahiKASEI
[AK4413]
MS1495-E-01 2013/01
- 19 -
2. Auto Setting Mode (ACKS pin = “H”)
In this mode, sampling speed and MCLK frequency are detected automatically (Table 3) The MCLK must be supplied at
the correct frequency according to Table 4.
MCLK Sampling Speed
1152fs Normal (fs≤32kHz)
512fs 768fs Normal
256fs 384fs Double
128fs 192fs Quad
Table 3. Sampling Speed (Auto Setting Mode @Parallel Mode)
LRCK MCLK (MHz)
fs 128fs 192fs 256fs 384fs 512fs 768fs 1152fs
Sampling
Speed
32.0kHz N/A N/A (8.1920*) (12.2880*) 16.3840 24.5760 36.8640
44.1kHz N/A N/A (11.2896*) (16.9344*) 22.5792 33.8688 N/A
48.0kHz N/A N/A (12.2880*) (18.4320*) 24.5760 36.8640 N/A
Normal/
(Double*)
88.2kHz N/A N/A 22.5792 33.8688 N/A N/A N/A
96.0kHz N/A N/A 24.5760 36.8640 N/A N/A N/A
Double
176.4kHz 22.5792 33.8688 N/A N/A N/A N/A N/A
192.0kHz 24.5760 36.8640 N/A N/A N/A N/A N/A
Quad
Table 4. System Clock Example (Auto Setting Mode @Parallel Mode), (N/A: Not available)
MCLK= 256fs/384fs supports sampling rate of 32kHz~96kHz (Table 5). However, when the sampling rate is
32kHz~48kHz, DR and S/N will degrade by approximately 3dB as compared to when MCLK= 512fs/768fs.
ACKS pin MCLK DR,S/N
L 256fs/384fs/512fs/768fs 120dB
H 256fs/384fs 117dB
H 512fs/768fs 120dB
Table 5. Relationship between MCLK frequency and DR, S/N (fs= 44.1kHz)
3. Digital Filter Setting
SD pin SLOW pin Mode
0 0 Sharp roll-off filter
0 1 Slow roll-off filter
1 0 Short delay sharp roll-off
1 1 Short delay slow roll-off
Table 6. Digital Filter Setting (Parallel Mode)
AsahiKASEI
[AK4413]
MS1495-E-01 2013/01
- 20 -
(2) Serial Mode (PSN pin = “L”)
1. Manual Setting Mode (ACKS bit = “0”)
MCLK frequency is detected automatically and the sampling rate is set by DFS1-0 bits (Table 7). The MCLK frequency
corresponding to each sampling speed should be provided externally (Table 8). The AK4413 is set to Manual Setting
Mode at power-up (PDN pin = “L” →“H”). When DFS1-0 bits are changed, the AK4413 should be reset by RSTN bit.
DFS1 bit DFS0 bit Sampling Rate (fs)
0 0 Normal Speed Mode 30kHz ∼ 54kHz
0 1 Double Speed Mode 54kHz ∼ 108kHz
1 0 Quad Speed Mode
120kHz ∼ 216kHz
(default)
Table 7. Sampling Speed (Manual Setting Mode @Serial Mode)
LRCK MCLK (MHz) BICK
fs 128fs 192fs 256fs 384fs 512fs 768fs 1152fs 64fs
32.0kHz N/A N/A 8.1920 12.2880 16.3840 24.5760 36.8640 2.0480MHz
44.1kHz N/A N/A 11.2896 16.9344 22.5792 33.8688 N/A 2.8224MHz
48.0kHz N/A N/A 12.2880 18.4320 24.5760 36.8640 N/A 3.0720MHz
88.2kHz 11.2896 16.9344 22.5792 33.8688 N/A N/A N/A 5.6448MHz
96.0kHz 12.2880 18.4320 24.5760 36.8640 N/A N/A N/A 6.1440MHz
176.4kHz 22.5792 33.8688 N/A N/A N/A N/A N/A 11.2896MHz
192.0kHz 24.5760 36.8640 N/A N/A N/A N/A N/A 12.2880MHz
Table 8. System Clock Example (Manual Setting Mode @Serial Mode)
2. Auto Setting Mode (ACKS bit = “1”)
MCLK frequency and the sampling speed are detected automatically (Table 9) and DFS1-0 bits are ignored. The MCLK
frequency corresponding to each sampling speed should be provided externally (Table 10).
MCLK Sampling Speed
1152fs Normal (fs≤32kHz)
512fs 768fs Normal
256fs 384fs Double
128fs 192fs Quad
Table 9. Sampling Speed (Auto Setting Mode @Serial Mode)
LRCK MCLK (MHz)
fs 128fs 192fs 256fs 384fs 512fs 768fs 1152fs
Sampling
Speed
32.0kHz N/A N/A (8.1920*) (12.2880*) 16.3840 24.5760 36.8640
44.1kHz N/A N/A (11.2896*) (16.9344*) 22.5792 33.8688 N/A
48.0kHz N/A N/A (12.2880*) (18.4320*) 24.5760 36.8640 N/A
Normal/
(Double*)
88.2kHz N/A N/A 22.5792 33.8688 N/A N/A N/A
96.0kHz N/A N/A 24.5760 36.8640 N/A N/A N/A
Double
176.4kHz 22.5792 33.8688 N/A N/A N/A N/A N/A
192.0kHz 24.5760 36.8640 N/A N/A N/A N/A N/A
Quad
Table 10. System Clock Example (Auto Setting Mode @Serial Mode)
AsahiKASEI
[AK4413]
MS1495-E-01 2013/01
- 21 -
MCLK= 256fs/384fs supports sampling rate of 32kHz~96kHz (Table 11). However, when the sampling rate is
32kHz~48kHz, DR and S/N will degrade by approximately 3dB as compared to when MCLK= 512fs/768fs.
ACKS pin MCLK DR,S/N
L 256fs/384fs/512fs/768fs 120dB
H 256fs/384fs 117dB
H 512fs/768fs 120dB
Table 11. Relationship between MCLK frequency and DR, S/N (fs= 44.1kHz)
3. Digital Filter Setting
SD bit SLOW bit Mode
0 0 Sharp roll-off filter
0 1 Slow roll-off filter
1 0 Short delay sharp roll-off (default)
1 1 Short delay slow roll-off
Table 12. Digital Filter Setting (Serial Mode)
AsahiKASEI
[AK4413]
MS1495-E-01 2013/01
- 22 -
■ Audio Interface Format
[1] PCM Mode
(1) Parallel Control Mode (PSN pin = “H”)
Twenty formats are selectable by DIF2-0 and TDM1-0 pins (Table 13). In this mode, register settings are ignored. In all
formats the serial data is MSB-first, 2's compliment format and is latched on the rising edge of BICK. Mode 2 can be
used for 20 and 16 MSB justified formats by zeroing the unused LSBs.
If TDM1-0 pins = “LH” the audio interface is TDM256 mode (Table 13) and all eight channels of DAC data are input
to the SDTI1 pin. The input data to the SDTI2 pin is ignored. BICK is fixed to 256fs, “H” time and “L” time of LRCK
should be 1/256fs at least. The data format is MSB first, 2’s complement and the SDTI1 is latched on the rising edge of
BICK. Only the first four channels of DAC data may be selected to be converted into four channels of DAC analog
output.
If TDM1-0 pins = “HH” the audio interface is TDM128 mode (Table 13) and the serial data of DAC (four channels:
L1, R1, L2, R2) is input to the SDTI1 pin.
Mode TDM1 TDM0 DIF2 DIF1 DIF0 SDTI Format LRCK BICK
0 0 0 0 16-bit LSB justified H/L ≥32fs
1 0 0 1 20-bit LSB justified H/L
≥40fs
2 0 1 0 24-bit MSB justified H/L ≥48fs
3 0 1 1 24-bit I2S compatible L/H ≥48fs
4 1 0 0 24-bit LSB justified H/L
≥48fs
5 1 0 1 32-bit LSB justified H/L
≥64fs
6 1 1 0 32-bit MSB justified H/L ≥64fs
Normal
7
- 0
1 1 1 32-bit I2S compatible L/H ≥64fs
0 0 0 N/A
0 0 1 N/A
8 0 1 0 24-bit MSB justified ↑ 256fs
9 0 1 1 24-bit I2S compatible ↓ 256fs
10 1 0 0 24-bit LSB justified
↑ 256fs
11 1 0 1 32-bit LSB justified
↑ 256fs
12 1 1 0 32-bit MSB justified ↑ 256fs
TDM256
13
0 1
1 1 1 32-bit I2S compatible ↓ 256fs
0 0 0 N/A
0 0 1 N/A
14 0 1 0 24-bit MSB justified ↑ 128fs
15 0 1 1 24-bit I2S compatible ↓ 128fs
16 1 0 0 24-bit LSB justified
↑ 128fs
17 1 0 1 32-bit LSB justified
↑ 128fs
18 1 1 0 32-bit MSB justified ↑ 128fs
TDM128
19
1 1
1 1 1 32-bit I2S compatible ↓ 128fs
Table 13. Audio Interface Format (Parallel mode)
AsahiKASEI
[AK4413]
MS1495-E-01 2013/01
- 23 -
(2) Serial Control Mode (PSN pin = “L”)
Twenty formats are selected by setting DIF2-0 and TDM1-0 bits (Table 14). The initial setting of DIF2-0 bits is “010”.
In this mode, the DIF1 pin setting is ignored.
The audio I/F format is TDM256 mode (Table 14) and all the serial data of eight DAC channels are input to the SDTI1
pin (Figure 15). The input data to the SDTI2 pin is ignored. BICK is fixed to 256fs, high and low amplitude of LRCK
is 1/256fs (min). The data format is MSB first, 2’s complement and the SDTI1 is latched on the rising edge of BICK.
The eight channels of DAC data may be mapped to two pieces of AK4413 (Table 15).
In TDM128 mode, the serial data of DAC (four channels: L1, R1, L2, R2) is input to the SDTI pin and other serial data
of DAC (four channels: L3, R3, L4, R4) are input to the SDTI2 pin (Figure 14). BICK is fixed to 128fs. The data format
is MSB first and 2’s complement and the input data to SDTI1-2 pins are latched on the rising edge of BICK. The eight
channels of DAC data may be mapped to two pieces of AK4413 (Table 15).
Mode TDM1 TDM0 DIF2 DIF1 DIF0 SDTI Format LRCK BICK
0 0 0 0 16-bit LSB justified H/L
≥32fs
1 0 0 1 20-bit LSB justified H/L
≥40fs
2 0 1 0 24-bit MSB justified H/L ≥48fs
3 0 1 1 24-bit I2S compatible L/H ≥48fs
4 1 0 0 24-bit LSB justified H/L
≥48fs
5 1 0 1 32-bit LSB justified H/L
≥64fs
6 1 1 0 32-bit MSB justified H/L ≥64fs
Normal
7
- 0
1 1 1 32-bit I2S compatible L/H ≥64fs
0 0 0 N/A
0 0 1 N/A
8 0 1 0 24-bit MSB justified ↑ 256fs
9 0 1 1 24-bit I2S compatible ↓ 256fs
10 1 0 0 24-bit LSB justified
↑ 256fs
11 1 0 1 32-bit LSB justified
↑ 256fs
12 1 1 0 32-bit MSB justified ↑ 256fs
TDM256
13
0 1
1 1 1 32-bit I2S compatible ↓ 256fs
0 0 0 N/A
0 0 1 N/A
14 0 1 0 24-bit MSB justified ↑ 128fs
15 0 1 1 24-bit I2S compatible ↓ 128fs
16 1 0 0 24-bit LSB justified
↑ 128fs
17 1 0 1 32-bit LSB justified
↑ 128fs
18 1 1 0 32-bit MSB justified ↑ 128fs
TDM128
19
1 1
1 1 1 32-bit I2S compatible ↓ 128fs
Table 14. Audio Interface Format (Serial mode)
AsahiKASEI
in 1 19 i1 12 i: 14 15 m 1 1a 11 12 13 I6 15 -
(Bag; FIJ— J—J—J—J—fffff Iffffffff
1 i .
SDATAVZ 15 14 s 5 4 a 2 1 o 15 14 e 5 4 3 2 1 o 15 14
ModeO
BICK :o 1 .1 15 1s .1 31 :1 1 11 15 111 11 1. i1 1
154131U—J—J—J—J—J—fflfffffff If
fizngg/Z Don'lcaie 15 14 o Dm1care 15 14 o
: 155455101513 ‘ :
E4 Lch Data >: Rch Data ’I
Figure 1. Mode 0 Timing
BICK 7:11 1 a 9 11 11 12 i1 :1 1 i g 111 11 12 31 :
FMIIIII IMIIJII JIM
Six/IfltiTAth Don’tca'e 19 o Don‘tmre 19 o
0 e E19:MSB, 01513 I
SAIIJZTAzz/Z Don’tca'e 23 22 21 20 19 o Dm’tcare 29 22 21 20 19 o
0 e EZSMSEOiSB E I
:4 Lch Data H Rch Data H.
Figure 2. Mod: 1/4 Timing
LRCK _‘
I I I
5543:) U] [HIM] [MIMI]
SDATAVZ 23 22 1 o Don‘icare a 22 1 o Dommre
3, 231/1513, use I :
Ii Lch Data >I1 Rch Data h:
M514957E701 2013/01
,24,
[AK4413]
MS1495-E-01 2013/01
- 24 -
SDATA1/2
BICK
LRCK
SDATA1/2 15 14 6 5 4
BICK
0 1 10 11 12 13 14 15 0 1 10 11 12 13 14 15 0 1
3 2 1 0 15 14
(
32fs
)
(
64fs
)
0 14 1 15 16 17 31 0 1 14 15 16 17 31 0 1
15 14 0 15 14 0
Mode 0
Don’t care Don’t care
15:MSB, 0:LSB
Mode 0 15 14 6 5 4 3 2 1 0
Lch Data Rch Data
Figure 1. Mode 0 Timing
SDATA1/2
LRCK
BICK
(64fs)
0 9 1 10 11 12 31 0 1 9 10 11 12 31 0 1
19 0 19 0
Mode 1 Don’t care Don’t care
19:MSB, 0:LSB
SDATA1/2
Mode 4 23:MSB, 0:LSB
20 19 0 20 19 0 Don’t care Don’t care
22 21 22 21
Lch Data Rch Data
8
23 23
8
Figure 2. Mode 1/4 Timing
LRCK
BICK
(64fs)
SDATA1/2
0 22 1 2 24 31 0 1 31 0 1
23:MSB, 0:LSB
22 1 0 Don’t care 23
Lch Data Rch Data
23 30 2222423 30
22 1 0 Don’t care 23 2223
Figure 3. Mode 2 Timing
AsahiKASEI
LRCK
a'I2: 232025 an
52;; MI] I‘Mj‘fj I‘Mj‘
‘ 23 MSB,O:LSB ‘
v ‘
fi— Lch Data Rch Data —>«
Figure 4. Mode 3 Timing
256 BICK
LRCK _“ ‘ ‘ I‘D
BlCK(256fs) ‘Ififlmjflfljfllflflmlfiflmlfifljflmflmlflfllfllfiflmlfif
SDATM ‘23‘22IW ‘23‘22IW ‘23‘22IL W ‘23I22‘ W ‘23‘22‘LW ‘2-‘22IW ‘23‘22‘ W 1 I22‘ W I23‘22‘
:L1:: IliiLA.
I 325ch I 325ch I 323ch I 32E‘CK I 323ch I 325ch I 323ch I I
I I I I I I I I I
Figure 5. Mode x Timing
256 B‘CK
LRCK 1 ‘ | W
BICK(256fS) ‘flfllflmfllflmfllfllflfllflmfllflmflmmmmfllfljflf
SDATAI ‘zrm aw ‘zrm 3w ‘E‘W WI ‘zrm Fm izi
IL1:R1.L2.R2.L5:R3:L4 l
I 32 BICK I 32 EICK I 32 BICK I 32 BICK I 32 BICK I 32 BICK I 325ch I I
M514952E201 2013/01
, 25 ,
[AK4413]
MS1495-E-01 2013/01
- 25 -
LRCK
BICK
(
64fs
)
SDATA1/2
0 3 1 2 24 31 0 1 31 0 1
23:MSB, 0:LSB
22 1 0 Don’t care 23
Lch Data Rch Data
23 25 32 24 23 25
22 1 0 Don’t care 23 23
Figure 4. Mode 3 Timing
23
LRCK
BICK (256fs)
22 0
L1
32 BICK
256 BICK
22 0
R1
32 BICK
2223 2322 0
L2
32 BICK
22 0
R2
32 BICK
23 23
SDATA1 23 22 0
L3
32 BICK
22 0
R3
32 BICK
23 22 0
L4
32 BICK
22 0
R4
32 BICK
23 23
Figure 5. Mode 8 Timing
LRCK
BICK (256fs)
23 0
L1
32 BICK
256 BICK
23 0
R1
32 BICK
2323 0
L2
32 BICK
23 0
R2
32 BICK
SDATA1 23 0
L3
32 BICK
23 0
R3
32 BICK
23 0
L4
32 BICK
23 0
R4
32 BICK
Figure 6. Mode 9 Timing
AsahiKASEI
LRCK i | | U
BICK( 256fS) WNMNIMHMNMHMHMNMHH
SDATA1 WTi ifliMIi—i inifli Ti i2=i22i Ti imifliTi imizzii—i i23i22|i_i i ini Ti El
L1 R1 L2 R2 L3 R5 L4 R4
325icK i SZBICK i 325ch : 32EiCK 325icK i 325icK i 325ch i 325iCK i
.
I
Figure 7‘ Mode 10 Timing
LRCK ii IiLI
BICK()1281S MMHHiHi"HH[]fl]flfl]flHH[H[HH[H[HH[JflHH[JflH
SDATA1
Figure 83 Mode 14 Timing
LRCK 1| Iii—i
BICK(1281S) MMMMIIMHMHMHMMMEMHH
I L1 : m 1 L2 : 52 l
i 82 BICK i 32 BiCK i 32 BICK : 32 BiCK i
Figure 9. Mode 15 19 Timing
128 BiCK
,.
LRCK i i | i Ll
BICKuzsfs) HmmHWflIlflflMHLflHiMHiMHiHHUflMHiH
S DATA1
MS 14957E701
[AK4413]
MS1495-E-01 2013/01
- 26 -
LRCK
BICK(256fs)
SDATA1
256 BICK
22 0
L1
32 BICK
22 0
R1
32 BICK
22 0
L2
32 BICK
22 0
R2
32 BICK
23 23 23 23 2322 0
L3
32 BICK
22 0
R3
32 BICK
22 0
L4
32 BICK
22 0
R4
32 BICK
23 23 23 23
Figure 7. Mode 10 Timing
LRCK
BICK(128fs)
128 BICK
L1
32 BICK
R1
32 BICK
L2
32 BICK
R2
32 BICK
SDATA1 22 0 22 022 022 0 23 23 23 23 2223
Mode14
Figure 8. Mode 14 Timing
LRCK
BICK(128fs)
128 BICK
L1
32 BICK
R1
32 BICK
L2
32 BICK
R2
32 BICK
SDATA1 22 0 22 022 022 0 23 23 23 23 23
Mode15
Figure 9. Mode 15/19 Timing
LRCK
BICK(128fs)
128 BICK
L1
32 BICK
R1
32 BICK
L2
32 BICK
R2
32 BICK
SDATA1 22 0 22 022 022 0
23 23 23 23 23
Figure 10. Mode 16 Timing
AsahiKASEI
()nc data cycle OfSDATAl and SDATA2
each DAC,
LRC K
SDATAW L1 F“
SDATA2 L2 R
LRCK jl H—
SDATAW L1 F“ R
SDATA2 L3 HE R
LRCK j‘l H—
SDATAW L1 R1 L2 H2 L3 R3 L4 R4
MSl495rLr [AK4413]
MS1495-E-01 2013/01
- 27 -
One data cycle of SDATA1 and SDATA2 for each format are defined as below. SDS2-1 bits control playback channel of
each DAC.
LRCK
SDATA1 R1L1
SDATA2
R
2L2
Figure 11. Data Slot in Normal Mode
SDATA1 R1L1
SDATA2
LRCK
128 BICK
R
2 L2
R3
L3
R
4 L4
Figure 12. Data Slot in TDM128 Mode
SDATA1 R1 L1
LRCK
256 BICK
R2L2 R3L3 R4 L4
Figure 13. Data Slot in TDM256 Mode
AK4413 Data Select
DAC1 DAC2
SDS1 SDS2 Lch Rch Lch Rch
0 0 L1 R1 L2 R2
0 1 L1 R1 L1 R1
1 0 L2 R2 L2 R2
Normal
1 1 L2 R2 L1 R1
0 0 L1 R1 L2 R2
0 1 L1 R1 L4 R4
1 0 L3 R3 L2 R2
TDM128
1 1 L3 R3 L4 R4
0 0 L1 R1 L2 R2
0 1 L1 R1 L4 R4
1 0 L3 R3 L2 R2
TDM256
1 1 L3 R3 L4 R4
Table 15. Data Select
AsahiKASEI
[AK4413]
MS1495-E-01 2013/01
- 28 -
■ De-emphasis Filter
A digital de-emphasis filter is available for 32kHz, 44.1kHz or 48kHz sampling rates (tc = 50/15µs) and is enabled or
disabled with DEM1-0 pins or DEM1-0 bits. In case of 256fs/384fs and 128fs/192fs, the digital de-emphasis filter is
always off.
[1] Parallel Mode
The DEM1 and DEM0 pins control de-emphasis mode of DAC1 and DAC2. This setting is common for both of DAC’s.
In parallel mode, the filter setting cannot be applied independently.
DEM1 DEM0 Mode
L L 44.1kHz
L H OFF (default)
H L 48kHz
H H 32kHz
Table 16. De-emphasis Control (Parallel Mode)
[2] Serial Mode
DEM1-0 bits and DEM3-2 bits control de-emphasis mode of DAC1 and DAC2, respectively.
DEM1 DEM0 Mode
0 0 44.1kHz
0 1 OFF (default)
1 0 48kHz
1 1 32kHz
Table 17. DAC1 De-emphasis Control (Serial Mode)
DEM3 DEM2 Mode
0 0 44.1kHz
0 1 OFF (default)
1 0 48kHz
1 1 32kHz
Table 18. DAC2 De-emphasis Control (Serial Mode)
■ Output Volume
The AK4413 includes channel independent digital output volumes (ATT) with 255 levels at 0.5dB step including MUTE.
This volume control is in front of the DAC and it can attenuate the input data from 0dB to –127dB and mute. When
changing output levels, transitions are executed in soft change; thus no switching noise occurs during these transitions. It
takes 7424/fs from FFH (0dB) to 00H (Mute). The attenuation level is reset to FFH (0dB) by initial reset. By RSTN bit =
“0”, the attenuation level is initialized to FFH, and the attenuation level returns to the setting value by RSTN bit = “1”.
Transition Time
Sampling Speed 0dB to MUTE
fs=44.1kHz 168.3ms
fs=96kHz 77.3ms
fs=192kHz 38.6ms
Table 19. ATT Transition Time
AsahiKASEI
[AK4413]
MS1495-E-01 2013/01
- 29 -
■ Zero Detection
The AK4413 has channel-independent zeros detect function. When the input data at each channel is continuously zeros
for 8192 LRCK cycles, the DZF pin of each channel goes to “H”. The DZF pin of each channel immediately returns to “L”
if the input data of each channel is not zero. If the RSTN bit is “0”, the DZF pins of both channels go to “H”. The DZF pins
of both channels go to “L” after 4 ~ 5/fs when RSTN bit returns to “1”. In this case, DZF pins of both channels are always
“L”. The DZFB bit can invert the polarity of the DZF pin. In parallel control mode, the zero detect function is unavailable.
Pin Comment
DZF1 Zero Detection flag output of the channels set by register 08H.
DZF2 Zero Detection flag output of the channels set by register 09H.
Table 20. DZF pin function
■ Mono Output
Input and output signal combination of the AK4413 can be set by MONO bit and SELLR bit. Monaural output mode is
enabled when MONO bit = “1”. The output signal phase of DAC is controlled by INVL and INVLR bits. These settings
are available for any audio format.
(L1/2 is the output signal of the AOUTL1N/2N and AOUTL1P/2P pins. R1/2 is the output signal of AOUTR1N/2N and
AOUTR1P/2P pins)
MONO bit SELLR1 bit INVL1 bit INVR1 bit L1
(AOUTL1N, AOUTL1P pins)
R1
(AOUTR1N, AOUTR1P pins)
0 0 L1 R1
1 0 L1 Invert R1
0 1 L1 R1 Invert
0 0
1 1 L1 Invert R1 Invert
0 0 R1 L1
1 0 R1 Invert L1
0 1 R1 L1 Invert
0 1
1 1 R1 Invert L1 Invert
0 0 L1 L1
1 0 L1 Invert L1
0 1 L1 L1ch In Invert
1 0
1 1 L1 Invert L1 Invert
0 0 R1 R1
1 0 R1 Invert R1
0 1 R1 R1 Invert
1 1
1 1 R1 Invert R1 Invert
Table 21. Output Select for DAC1
AsahiKASEI
[AK4413]
MS1495-E-01 2013/01
- 30 -
MONO bit SELLR2 bit INVL2 bit INVR2 bit L2
(AOUTL2N, AOUTL2P pins) R2
(AOUTR2N, AOUTR2P pins)
0 0 L2 R2
1 0 L2 Invert R2
0 1 L2 R2 Invert
0 0
1 1 L2 Invert R2 Invert
0 0 R2 L2
1 0 R2 Invert L2
0 1 R2 L2 Invert
0 1
1 1 R2 Invert L2 Invert
0 0 L2 L2
1 0 L2 Invert L2
0 1 L2 L2 Invert
1 0
1 1 L2 Invert L2 Invert
0 0 R2 R2
1 0 R2 Invert R2
0 1 R2 R2 Invert
1 1
1 1 R2 Invert R2 Invert
Table 22. Output Select for DAC2
AsahiKASEI
[AK4413]
MS1495-E-01 2013/01
- 31 -
■ Soft Mute Operation
The soft mute operation is performed at digital domain. When the SMUTE pin goes to “H” or the SMUTE bit set to “1”,
the output signal is attenuated by −∞ during ATT_DATA × ATT transition time from the current ATT level. When the
SMUTE pin is returned to “L” or the SMUTE bit is returned to “0”, the mute is cancelled and the output attenuation
gradually changes to the ATT level during ATT_DATA × ATT transition time. If the soft mute is cancelled before
attenuating −∞, the attenuation is discontinued and returned to ATT level by the same cycle. The soft mute is effective for
changing the signal source without stopping the signal transmission.
SMUTE pin or
SMUTE bit
A
ttenuation
DZF pin
ATT_Level
-∞
A
OUT
8192/fs
GD GD
(1)
(2)
(3)
(4)
(1)
(2)
Notes:
(1) ATT_DATA × ATT transition time. For example, this time is 1020LRCK cycles (1020/fs) at ATT_DATA=255 in
Normal Speed Mode.
(2) The analog output corresponding to the digital input has group delay (GD).
(3) If the soft mute is cancelled before attenuating −∞ after starting the operation, the attenuation is discontinued
and returned to ATT level by the same cycle.
(4) When the input data for each channel is continuously zeros for 8192 LRCK cycles, the DZF pin for each channel
goes to “H”. The DZF pin immediately returns to “L” if input data are not zero.
Figure 14. Soft Mute Function
■ System Reset
The AK4413 should be reset once by bringing the PDN pin = “L” upon power-up. It initializes register settings of the
device. The AK4413 exits this system reset (power-down mode) by MCLK after the PDN pin = “H”, and the analog block
exits power-down mode. The digital block exits power-down mode after the internal counter counts MCLK for 4/fs.
AsahiKASEI
f— \éé?
a—WWVWWM—
[AK4413]
MS1495-E-01 2013/01
- 32 -
■ Power ON/OFF timing
The AK4413 is placed in the power-down mode by bringing the PDN pin “L” and the registers are initialized. The analog
outputs are floating (Hi-Z). Since a click noise occurs at the edge of the PDN pin signal, the analog output should be
muted externally if the click noise influences system application.
The DAC can be reset by setting RSTN bit to “0”. In this case, the registers are not initialized and the corresponding
analog outputs go to VCM1/2. Since a click noise occurs at the edge of RSTN signal, the analog output should be muted
externally if click noise aversely affect system performance.
PDN pin
Power
Reset
Normal Operation
Clock In
MCLK,LRCK,BICK
DAC In
(Digital)
DAC Out
(Analog)
External
Mute Mute ON
(6)
DZF1/DZF2
Don’t care
“0”data
GD
(2)
(4)
(5)
(7)
GD
(4)
Mute ON
“0”data
Don’t care
Internal
State
(3) (3)
(1)
Notes:
(1) After AVDD and DVDD are powered-up, the PDN pin should be “L” for 150ns.
(2) The analog output corresponding to digital input has group delay (GD).
(3) Analog outputs are floating (Hi-Z) in power-down mode.
(4) Click noise occurs at the edge of PDN signal. This noise is output even if “0” data is input.
(5) MCLK, BICK and LRCK clocks can be stopped in power-down mode (PDN pin= “L”).
(6) Mute the analog output externally if click noise (3) adversely affect system performance
The timing example is shown in this figure.
(7) DZF1/2 pins are “L” in the power-down mode (PDN pin = “L”).
Figure 15. Power-down/up Sequence Example
AsahiKASEI
|nlerna\ Dgfla‘ E‘om
Slate , .
n"dma E
(2) E 3)
.
4 HM.
MS l495rLrO]
,33,
[AK4413]
MS1495-E-01 2013/01
- 33 -
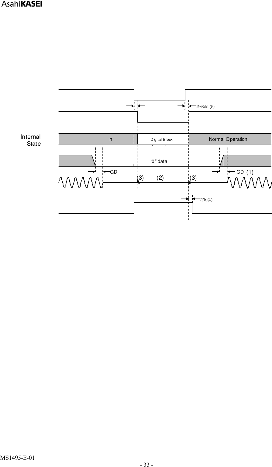
■ Reset Function
(1) RESET by RSTN bit = “0”
When the RSTN bit = “0”, the AK4413’s digital block is powered down, but the internal register values are not initialized.
In this time, the analog outputs go to VCM1/2 voltage and DZF1/2 pins are “H”. Figure 16 shows an example of reset by
RSTN bit.
Internal
State
RSTN bit
Digital Block
P
d
Normal Operation
GD GD
“0 ” dat a
D/A Out
(Analog)
D/A In
(Digital) (1) (3)
DZF
(3)
(1)
(2)
Normal Operation
2/ fs(4)
Internal
RSTN bit
2~3/fs (5)3~4/fs (5)
(6)
Notes:
(1) The analog output corresponding to digital input has group delay (GD).
(2) Analog outputs settle to VCOM voltage.
(3) Small pop noise occurs at the edges(“↑ ↓”) of the internal timing of RSTN bit. This noise is output even if “0”
data is input.
(4) The DZF pins change to “H” when the RSTN bit becomes “0”, and return to “L” at 2/fs after RSTN bit becomes
“1”.
(5) There is a delay, 3~4/fs from RSTN bit “0” to the internal RSTN bit “0”, and 2~3/fs from RSTN bit “1” to the
internal RSTN bit “1”.
(6) Mute the analog output externally if click noise (3) and Hi-Z (2) adversely affect system performance
Figure 16. Reset Sequence Example 1
AsahiKASEI
D/A Out
(Analog)
C‘uck In
MCLK, LRCK
Externa‘
MUTE
MS l495rLr [AK4413]
MS1495-E-01 2013/01
- 34 -
(2) RESET by MCLK or LRCK Stop
The AK4413 is automatically placed in reset state when MCLK or LRCK is stopped during PCM mode (RSTN pin
=“H”), and the analog outputs are floating (Hi-Z). When MCLK and LRCK are input again, the AK4413 exits reset state
and starts the operation. Zero detect function is disable when MCLK or LRCK is stopped.
Normal Operation
Internal
State Digital Circuit Power-down Normal Operation
GD GD
D/A Out
(Analog)
D/A In
(Digital)
Clock In
MCLK, LRCK
(2)
(3)
External
MUTE (6)
(5)
(2)
MCLK, LRCK Stop
RSTB pin
Power-down
Power-down
(4) (4)
(4)
Hi-Z
(6)
(5)
(1)
AVDD pin
DVDD pin
(6)
Notes:
(1) After AVDD and DVDD are powered-up, the PDN pin should be “L” for 150ns.
(2) The analog output corresponding to digital input has group delay (GD).
(3) The digital data can be stopped. Click noise after MCLK and LRCK are input again can be reduced by inputting
“0” data during this period.
(4) Click noise occurs within 3 ~ 4LRCK cycles from the riding edge (“↑”) of the PDN pin or MCLK inputs. This
noise occurs even when “0” data is input.
(5) Clocks (MCLK, BICK, LRCK) can be stopped in the reset state (MCLK or LRCK is stopped).
(6) Mute the analog output externally if click noise (4) influences system applications. The timing example is shown
in this figure.
Figure 17. Reset Sequence Example 2
AsahiKASEI
[AK4413]
MS1495-E-01 2013/01
- 35 -
■ Register Control Interface
Pins (parallel control mode) or registers (serial control mode) can control the functions of the AK4413. In parallel control
mode, the register setting is ignored, and in serial control mode the pin settings are ORed if the pin is not repurposed.
When the state of the PSN pin is changed, the AK4413 should be reset by the PDN pin. The serial control interface is
enabled by the PSN pin = “L”. In this mode, pin settings must be all “L”. Internal registers may be written to
through3-wire µP interface pins: CSN, CCLK and CDTI. The data on this interface consists of Chip address (2-bits,
C1/0), Read/Write (1-bit; fixed to “1”), Register address (MSB first, 5-bits) and Control data (MSB first, 8-bits). The
AK4413 latches the data on the rising edge of CCLK, so data should be clocked in on the falling edge. The writing of data
is valid when CSN “↑”. The clock speed of CCLK is 5MHz (max).
Function Parallel mode Serial mode
Auto Setting Mode Y Y
Manual Setting Mode Y Y
Audio Format Y Y
De-emphasis Y Y
SMUTE Y Y
TDM Mode Y (4-ch only) Y
Digital Filter Option Y Y
Zero Detection - Y
Digital Attenuator - Y
Table 23. Function List 1 (Y: Available, -: Not available)
Setting the PDN pin to “L” resets the registers to their default values. In serial control mode, the internal timing circuit is
reset by the RSTN bit, but the registers are not initialized.
CDTI
CCLK
C1
012345678 9 10 11 12 13 14 15
D4D5D6D7A1A2A3A4R/WC0 A0 D0D1D2D3
CSN
C1-C0: Chip Address (C1 bit =CAD1 pin, C0 bit =CAD0 pin)
R/W: READ/WRITE (Fixed to “1”, Write only)
A4-A0: Register Address
D7-D0: Control Data
Figure 18. Control I/F Timing
* The AK4413 does not support the read command.
* When the AK4413 is in power down mode (PDN pin = “L”) or the MCLK is not provided, a writing into the control
registers is prohibited.
* The control data can not be written when the CCLK rising edge is 15 times or less or 17 times or more during CSN is
“L”.
AsahiKASEI
[AK4413]
MS1495-E-01 2013/01
- 36 -
Function List
Function Default Address Bit
Attenuation Level 0dB
03H
04H
06H
07H
ATT7-0
Audio Data Interface Modes 24bit MSB Justified 00H DIF2-0
Data Zero Detect Enable Disable 08H
09H L1/R1/L2/R2
Minimum delay Filter Enable
Slow Rolloff Filter Enable
Short delay Filter Enable
Sharp roll-off filter 01H
02H
SD
SLOW
De-emphasis Response OFF 01H
0AH DEM3-0
Soft Mute Enable Normal Operation 01H SMUTE
MONO mode Stereo mode select Stereo 02H MONO
Inverting Enable of DZF “H” active 02H DZFB
The data selection of L channel and
R channel R channel 02H
05H SELLR1/2
The data selection of DAC1 and
DAC2 Normal 0AH SDS1/2
Data Invert Mode OFF 05H INVL1/L2/R1/R2
Table 24. Function List 2
AsahiKASEI
[AK4413]
MS1495-E-01 2013/01
- 37 -
■ Register Map
Addr Register Name D7 D6 D5 D4 D3 D2 D1 D0
00H Control 1 ACKS 0 0 0 DIF2 DIF1 DIF0 RSTN
01H Control 2 0 0 SD DFS1 DFS0 DEM1 DEM0 SMUTE
02H Control 3 0 0 0 0 MONO DZFB SELLR1 SLOW
03H L1ch ATT ATT7 ATT6 ATT5 ATT4 ATT3 ATT2 ATT1 ATT0
04H R1ch ATT ATT7 ATT6 ATT5 ATT4 ATT3 ATT2 ATT1 ATT0
05H Control 4 INVL1 INVR1 INVL2 INVR2 SELLR2 0 0 0
06H L2ch ATT ATT7 ATT6 ATT5 ATT4 ATT3 ATT2 ATT1 ATT0
07H R2ch ATT ATT7 ATT6 ATT5 ATT4 ATT3 ATT2 ATT1 ATT0
08H DZF1 Control L1 R1 L2 R2 0 0 0 0
09H DZF2 Control L1 R1 L2 R2 0 0 0 0
0AH Control 5 TDM1 TDM0 SDS1 SDS2 PW2 PW1 DEM3 DEM2
Notes:
Data must not be written into addresses from 0BH to 1FH.
When the PDN pin goes to “L”, the registers are initialized to their default values.
When RSTN bit is set to “0”, only the internal timing is reset, and the registers are not initialized to their default
values.
When the state of the PSN pin is changed, the AK4413 should be reset by the PDN pin.
■ Register Definitions
Addr Register Name D7 D6 D5 D4 D3 D2 D1 D0
00H Control 1 ACKS 0 0 0 DIF2 DIF1 DIF0 RSTN
Default 0 0 0 0 0 1 0 1
RSTN: Internal Timing Reset
0: Reset. All registers are not initialized.
1: Normal Operation (default)
Internal clock timings are reset but registers are not reset.
DIF2-0: Audio Data Interface Modes (Table 14)
Initial value is “010” (Mode 2: 24-bit MSB justified).
ACKS: Master Clock Frequency Auto Setting Mode Enable (PCM only)
0: Disable : Manual Setting Mode (default)
1: Enable : Auto Setting Mode
When ACKS bit = “1”, the sampling frequency and MCLK frequency are detected automatically.
AsahiKASEI
[AK4413]
MS1495-E-01 2013/01
- 38 -
Addr Register Name D7 D6 D5 D4 D3 D2 D1 D0
01H Control 2 0 0 SD DFS1 DFS0 DEM1 DEM0 SMUTE
Default 0 0 1 0 0 0 1 0
SMUTE: Soft Mute Enable
0: Normal Operation (default)
1: DAC outputs soft-muted.
DEM1-0: DAC1 De-emphasis Response (Table 17)
Initial value is “01” (OFF).
SD: Short delay Filter Enable.
0: Sharp roll-off filter
1: Short delay filter (default)
SD SLOW Mode
0 0 Sharp roll-off filter
0 1 Slow roll-off filter
1 0 Short delay sharp roll-off (default)
1 1 Short delay slow roll-off
Table 25. Digital Filter setting
DFS1-0: Sampling Speed Control (Table 7)
The default values are “00”. A click noise occurs when changing DFS1-0 bits.
AsahiKASEI
[AK4413]
MS1495-E-01 2013/01
- 39 -
Addr Register Name D7 D6 D5 D4 D3 D2 D1 D0
02H Control 3 0 0 0 0 MONO DZFB SELLR1 SLOW
Default 0 0 0 0 0 0 0 0
SLOW: Slow Roll-off Filter Enable. This setting is ORed with the pin setting.
0: (default)
1: Slow roll-off filter
SD SLOW Mode
0 0 Sharp roll-off filter
0 1 Slow roll-off filter
1 0 Short delay sharp roll-off (default)
1 1 Short delay slow roll-off
Table 26. Digital Filter setting
SELLR1: The data selection of L channel and R channel, when MONO mode
0: All channel output L channel data, when MONO mode. (default)
1: All channel output R channel data, when MONO mode.
It is enabled when MONO bit is “1”, and outputs Lch date to both channels when “0”,outputs Rch data to
both channels when “1”.
DZFB: Inverting Enable of DZF
0: DZF pin goes “H” at Zero Detection (default)
1: DZF pin goes “L” at Zero Detection
MONO: MONO mode Stereo mode select
0: Stereo mode (default)
1: MONO mode
When MONO bit is “1”, MONO mode is enabled.
AsahiKASEI
[AK4413]
MS1495-E-01 2013/01
- 40 -
Addr Register Name D7 D6 D5 D4 D3 D2 D1 D0
03H L1ch ATT ATT7 ATT6 ATT5 ATT4 ATT3 ATT2 ATT1 ATT0
04H R1ch ATT ATT7 ATT6 ATT5 ATT4 ATT3 ATT2 ATT1 ATT0
Default 1 1 1 1 1 1 1 1
ATT7-0: Attenuation Level
255 levels, 0.5dB step
Data Attenuation
FFH 0dB
FEH -0.5dB
FDH -1.0dB
: :
: :
02H -126.5dB
01H -127.0dB
00H MUTE (-∞)
The transition between set values is soft transition of 7425 levels. It takes 7424/fs (168ms@fs=44.1kHz) from
FFH (0dB) to 00H (MUTE). If the PDN pin goes to “L”, the ATTs are initialized to FFH. The ATTs are FFH
when RSTN bit= “0”. When RSTN return to “1”, the ATTs fade to their current value. This digital attenuator is
independent of soft mute function.
Addr Register Name D7 D6 D5 D4 D3 D2 D1 D0
05H Control 4 INVL1 INVR1 INVL2 INVR2 SELLR2 0 0 0
Default 0 0 0 0 0 0 0 0
SELLR2: The data selection of AOUTL2-R2, when MONO mode
0: AOUTL2-R2 output L channel data, when MONO mode. (default)
1: AOUTL2-R2 output R channel data, when MONO mode.
When MONO bit is set to “1”, Lch data is output by SELLR2 bit = “0” and Rch data is output by SELLR2
bit = “1”.
INVR2: AOUTR2 output phase invert bit
0: Disable (default)
1: Enable
INVL2: AOUTL2 output phase invert bit
0: Disable (default)
1: Enable
INVR1: AOUTR1 output phase invert bit
0: Disable (default)
1: Enable
INVL1: AOUTL1 output phase invert bit
0: Disable (default)
1: Enable
AsahiKASEI
[AK4413]
MS1495-E-01 2013/01
- 41 -
Addr Register Name D7 D6 D5 D4 D3 D2 D1 D0
06H L2ch ATT ATT7 ATT6 ATT5 ATT4 ATT3 ATT2 ATT1 ATT0
07H R2ch ATT ATT7 ATT6 ATT5 ATT4 ATT3 ATT2 ATT1 ATT0
Default 1 1 1 1 1 1 1 1
ATT7-0: Attenuation Level
255 levels, 0.5dB step
Data Attenuation
FFH 0dB
FEH -0.5dB
FDH -1.0dB
: :
: :
02H -126.5dB
01H -127.0dB
00H MUTE (-∞)
The transition between set values is soft transition of 7425 levels. It takes 7424/fs (168ms@fs=44.1kHz) from
FFH (0dB) to 00H (MUTE). If the PDN pin goes to “L”, the ATTs are initialized to FFH. The ATTs are FFH
when RSTN bit= “0”. When RSTN return to “1”, the ATTs fade to their current value. This digital attenuator is
independent of soft mute function.
Addr Register Name D7 D6 D5 D4 D3 D2 D1 D0
08H DZF1 Control L1 R1 L2 R2 0 0 0 0
09H DZF2 Control L1 R1 L2 R2 0 0 0 0
Default 0 0 0 0 0 0 0 0
L1-2, R1-2: Zero Detect Flag Enable Bit for the DZF1-2 pins
0: Disable
1: Enable
Addr Register Name D7 D6 D5 D4 D3 D2 D1 D0
0AH Control 5 TDM1 TDM0 SDS1 SDS2 PW2 PW1 DEM3 DEM2
Default 0 0 0 0 1 1 0 1
DEM3-2: DAC2 De-emphasis Response (Table 18)
Initial value is “01” (OFF).
PW2-1: Power Down control for DAC
PW2: Power management for DAC2
0: DAC2 power OFF
1: DAC2 power ON (default)
PW1: Power management for DAC1
0: DAC1 power OFF
1: DAC1 power ON (default)
SDS1-2: DAC1and DAC2 data select
0: Normal Operation
1: Outputs other slot data
Refer to Table 15 for details.
TDM0-1: TDM Mode Select
Mode TDM1 TDM0 BICK SDTI Sampling Speed
Normal 0 0 32fs∼ 1-2 Normal, Double, Quad Speed
TDM256 0 1 256fs fixed 1 Normal Speed
TDM128 1 1 128fs fixed 1-2 Normal, Double, Quad Speed
AsahiKASEI
Aoump as
vss‘
PDN
3ch
SDATN
VREFL‘
VREFHI
>
sDATAz X Aouwp
TDMI __ fin AOUTRW
LRCK a MC
SMUTE B AounzN
Micro- so AOUYLZP
untrolle DEMO VREFHZ
DEM] VREFLZ
D‘FO vssz
2 Aournzp
21 AoumeN
19 VCMZ
18 TEST J
Digital ‘
Ground —>'<— ‘="" £337="" 4*="" e‘eclm‘yuc="" capacnor="" 4f="" cevzmm="" capacnor="" m3149}="">—> [AK4413]
MS1495-E-01 2013/01
- 42 -
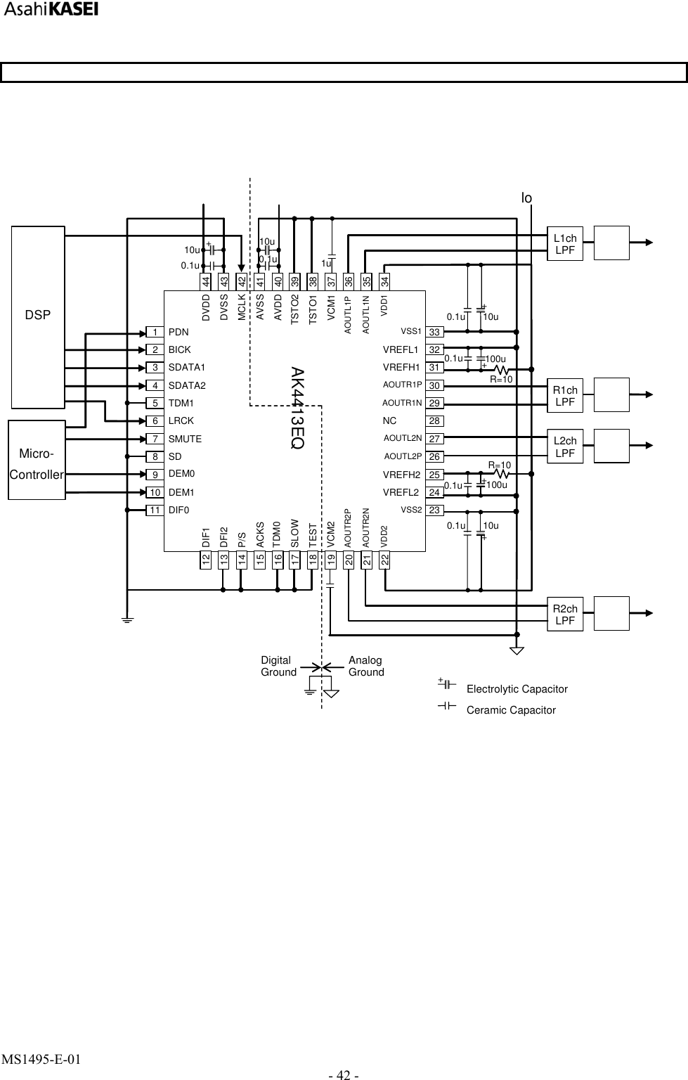
SYSTEM DESIGN
Figure 19 shows the system connection diagram. Figure 21 and Figure 22 show the analog output circuit examples. The
evaluation board (AKD4413) demonstrates the optimum layout, power supply arrangements and measurement results.
Analog 5.0V
Ceramic Capacitor
+ Electrolytic Capacito
r
R1ch
LPF R1ch
Mute R1ch Out
A
nalog
Ground
Digital
Ground
Digital 3.0V
+
0.1u
10u
PDN
DVDD
1
BICK
44
2
SDATA1 3
SDATA2 4
TDM1
5
LRCK 6
SMUTE 7
SD8
DEM0
9
DEM1 10
DIF0 11
DIF1
12
33
VSS1
AK4413EQ
13
14
15
16
17
18
19
20
21
22
DFI2
P/S
A
CKS
TDM0
SLOW
TEST
VCM2
A
OUTR2P
A
OUTR2N
VDD2
32VREFL1
31VREFH1
30
AOUTR1P
29
AOUTR1N
28NC
27
AOUTL2N
26
AOUTL2P
25VREFH2
24VREFL2
23
VSS2
DVSS 43
MCLK 42
AVSS 41
AVDD 40
TSTO2 39
TSTO1 38
VCM1 37
A
OUTL1P 36
A
OUTL1N 35
VDD1 34
Analog 3.0V
0.1u
10u
DSP
Micro-
Controller
+
+
0.1u
0.1u
100u
10u
R=10
+
+
0.1u
0.1u
10u
100u
R=10
L2ch
LPF L2ch
Mute L2ch Out
L1ch
LPF L1ch
Mute L1ch Out
R2ch
LPF R2ch
Mute R2ch Out
0.1u
0.1u
Notes:
- Power lines of AVDD and DVDD should be distributed separately from the point with low impedance of regulator etc.
- VSS1-2, DVSS and AVSS must be connected to the same analog ground plane.
- When AOUT drives a capacitive load, some resistance should be added in series between AOUT and the
capacitive load.
- All input pins except pull-down/pull-up pins should not be allowed to float.
Figure 19. Typical Connection Diagram (AVDD=3.0V, VDD1/2=5V, DVDD=3.0V, Serial Control Mode)
AsahiKASEI
Digital Ground
System
Controller
M814957E701
,43,
[AK4413]
MS1495-E-01 2013/01
- 43 -
Analog Ground Digital Ground
System
Controller
PDN
DVD
D
1
BICK
44
2
SDATA13
SDATA24
TDM1
5
LRCK6
SMUTE7
SD8
DEM0
9
DEM110
DIF011
DIF1
12
33
VSS1
AK4413EQ
13
14
15
16
17
18
19
20
21
22
DFI2
PSN
A
CKS
TDM0
SLOW
TEST
VCM2
A
OUTR2P
A
OUTR2N
VDD2
32 VREFL1
31 VREFH1
30
AOUTR1N
29
AOUTR1P
28 NC
27
AOUTL2P
26
AOUTL2N
25 VREFH2
24 VREFL2
23
VSS2
DVSS 43
MCL
K
42
AVSS 41
AVD
D
40
TSTO
2
39
TSTO1 38
VCM1 37
A
OUTL1P 36
A
OUTL1N 35
VDD1 34
Figure 20. Ground Layout
1. Grounding and Power Supply Decoupling
To minimize coupling by digital noise, decoupling capacitors should be connected to AVDD, VDD1/2 and DVDD
respectively. AVDD and VDD1/2 are supplied from analog supply in system and DVDD is supplied from digital supply in
system. Power lines of AVDD, VDD1/2 and DVDD should be distributed separately from the point with low impedance of
regulator etc. The power up sequence between AVDD, VDD1/2 and DVDD is not critical. VSS1-2, DVSS and AVSS
must be connected to the same analog ground plane. Decoupling capacitors for high frequency should be placed
as near as possible to the supply pin.
2. Voltage Reference
The differential voltage between VREFH1/2 and VREFL1/2 sets the analog output range. The VREFH1/2 pin is normally
connected to AVDD, and the VREFL1/2 pin is normally connected to VSS1/VSS2/AVSS. VREFH1/2 and VREFL1/2
should be connected with a 0.1µF ceramic capacitor as near as possible to the pin to eliminate the effects of high frequency
noise. No load current may be drawn from VCM1/2 pin. All signals, especially clocks, should be kept away from the
VREFH1/2 and VREFL1/2 pins in order to avoid unwanted noise coupling into the AK4413.
3. Analog Outputs
The analog outputs are full differential outputs and 2.8Vpp (typ, VREFH1/2 − VREFL1/2 = 5V) centered around AVDD/2.
The differential outputs are summed externally, VAOUT = (AOUT+) − (AOUT−) between AOUT+ and AOUT−. If the
summing gain is 1, the output range is 5.6Vpp (typ, VREFH1/2 − VREFL1/2 = 5V). The bias voltage of the external
summing circuit is supplied externally. The input data format is 2's complement. The output voltage (VAOUT) is a positive
full scale for 7FFFFFH (@24bit) and a negative full scale for 800000H (@24bit). The ideal VAOUT is 0V for
000000H(@24bit).
The internal switched-capacitor filters attenuate the noise generated by the delta-sigma modulator beyond the audio
passband.
Figure 21 shows an example of external LPF circuit summing the differential outputs by an op-amp.
Figure 22 shows an example of differential outputs and LPF circuit example by three op-amps.
AsahiKASEI
[AK4413]
MS1495-E-01 2013/01
- 44 -
2.4k 2.4k
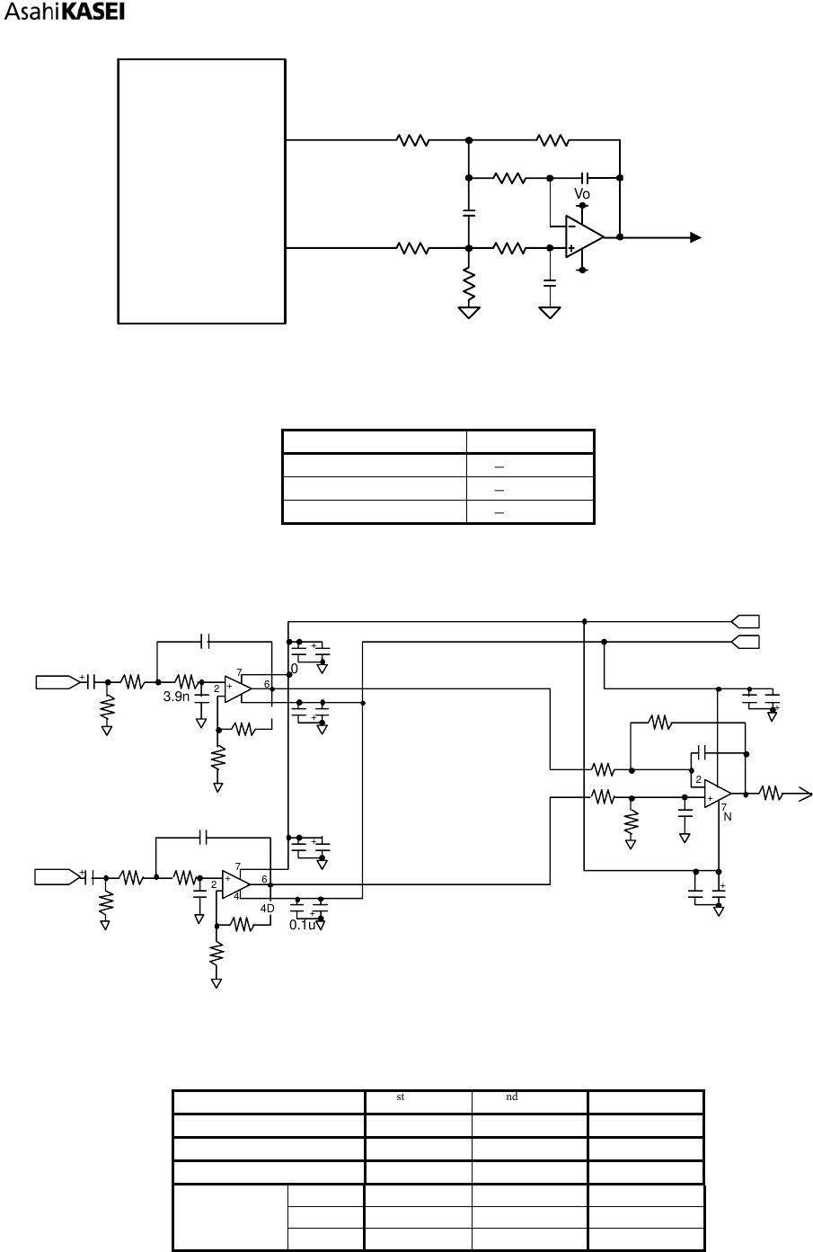
150
2.4k 150
2.4k 680p
+Vop
680p
-Vop
AOUT-
AOUT+
3.3n Analog
Out
AK4413
Figure 21. External LPF Circuit Example 1 for PCM (fc = 125kHz, Q=0.692)
Frequency Response Gain
20kHz −0.036dB
40kHz −0.225dB
80kHz −1.855dB
Table 27. Frequency Response of External LPF Circuit Example 1 for PCM
330
100u 180
A
OUTL-
10k
3.9
n
1.2k
680
3.3n
6
4
3
2
7
10u
0.1u
0.1u
10u
10u
NJM5534D
330
100u 180
A
OUTL+
10k
3.9n
1.2k
680
3.3n
6
4
3
2
7
10u
0.1u
0.1
u
10u
NJM5534D
0.1u
+
NJM5534D
0.1u 10u
100
4
3
2
1.0n
620
620
560
7
+
+
+
+
-
+
-
+
+
+
-
+
+
1.0n
Lch
-15
+15
6
560
Figure 22. External LPF Circuit Example 2 for PCM
1
st Stage 2nd Stage Total
Cut-off Frequency 182kHz 284kHz -
Q 0.637 - -
Gain +3.9dB -0.88dB +3.02dB
20kHz -0.025 -0.021 -0.046dB
40kHz -0.106 -0.085 -0.191dB
Frequency
Response 80kHz -0.517 -0.331 -0.848dB
Table 28. Frequency Response of External LPF Circuit Example 2 for PCM
AsahiKASEI
C’ZZOuF
C’ZZOOHF
Figure 23.1mm VS.
MS14957E701
[AK4413]
MS1495-E-01 2013/01
- 45 -
4. Measurement Example
Figure 23 shows the relationship between THD+N and Frequency.
Measurement condition
Ta=25°C; AVDD=DVDD=3.3V, VDD1/2=5.0V; AVSS=VSS1/2=DVSS=0V; VREFH1/2=VDD1/2, VREFL1/2= AVSS;
Mono bit = “1”; Signal Frequency = 1kHz; Sampling Frequency = 44.1kHz; Measurement bandwidth = 20Hz ~ 20kHz
Measured by Audio Precision System Two.
A
KM THD+N vs. Input Frequency
-114
-90
-112
-110
-108
-106
-104
-102
-100
-98
-96
-94
-92
d
B
r
A
20 20k 50 100 200 500 1k 2k 5k 10k
Hz
Figure 23. THD+N vs. Frequency
C
=
10
00
uF
C
=
2200
uF
C
=
470
uF
C
=
220
uF
C
=
10uF
AsahiKASEI [AK4413]
| PACKAGE
H»
34
0.80
DDDDDDDDDDD
i
MS14957E701
,46 ,
[AK4413]
MS1495-E-01 2013/01
- 46 -
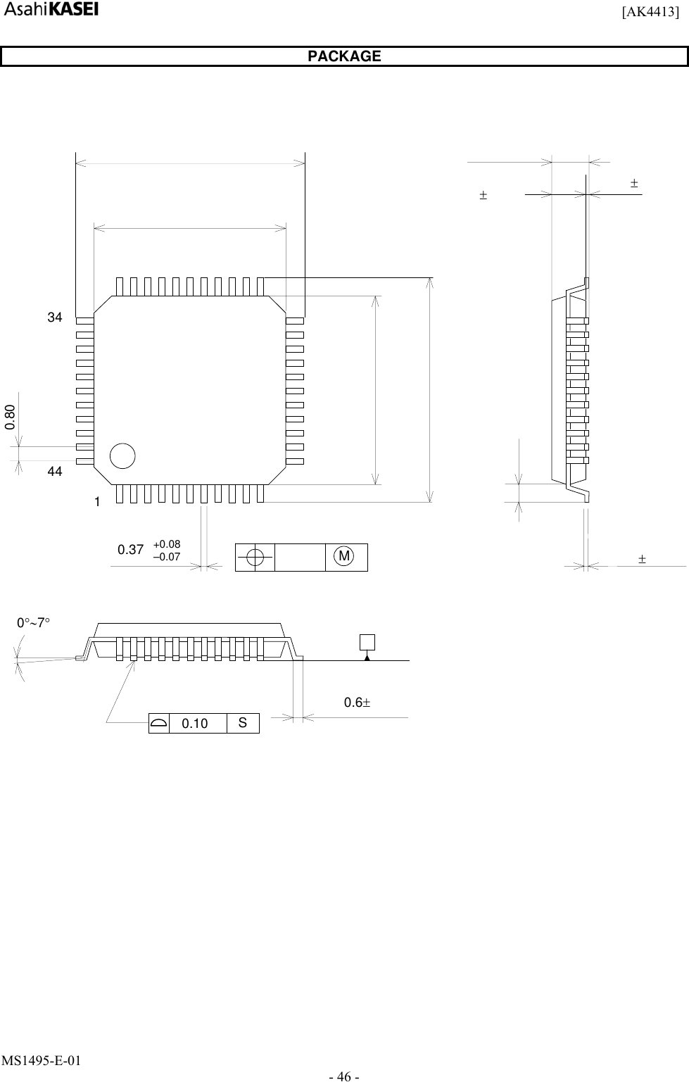
PACKAGE
0.10
0.145
±
0.055
0.37
10.0
1.60max
1 11
23
33
44pin LQFP (Unit: mm)
10.0
12.0
34
44
0.80
22
12
12.0
0.10
±
0.05
0°∼7°
0.6
±
0.15
1.40
±
0.05
0.20 M
+0.08
–0.07
S
S
1.00
■ Material & Lead finish
Package molding compound: Epoxy, Halogen (bromine and chlorine) free
Lead frame material: Cu
Lead frame surface treatment: Solder (Pb free) plate
AsahiKASEI [AK4413]
| MARKING
WM
@2553; E
AK4413EQ :
XXXXXXX E
OA :
M314957E701 201301
,47 ,
[AK4413]
MS1495-E-01 2013/01
- 47 -
MARKING
AK4413EQ
XXXXXXX
A
KM
1
1) Pin #1 indication
2) AKM Logo
3) Date Code: XXXXXXX(7 digits)
4) Marking Code: AK4413
5) Audio 4 pro Logo
AsahiKASEI
[AK4413]
MS1495-E-01 2013/01
- 48 -
D
ate (Y/M/D) Revision Reason Page Contents
12/12/10 00 First Edition
13/01/15 01 Error
Correction
9 SHARP ROLL-OFF FILTER CHARACTERISTICS
(fs = 44.1/96/192kHz)
Passband Ripple: “±0.005dB (max)”
→ “-0.0032dB (min), 0.0032 (max)”
Note 12 was changed.
10 SLOW ROLL-OFF FILTER CHARACTERISTICS
(fs = 44.1/96/192kHz)
Passband Ripple: “±0.005dB (max)” → “-0.043dB (min),
0.043 (max)”
Note 14 was changed.
11 SHORT DELAY SHARP ROLL-OFF FILTER
CHARACTERISTICS (fs = 44.1/96/192kHz)
Passband Ripple: “±0.005dB (max)” → “-0.0031dB (min),
0.0031 (max)”
12 SHORT DELAY SLOW ROLL-OFF FILTER
CHARACTERISTICS (fs = 44.1/96/192kHz)
Passband Ripple: “±0.005dB (max)”
→ “-0.05dB (min), 0.05 (max)”
39 ■ Register Definitions
DEM1-0: The table number was corrected.
42 A0H, Control 5
D3: The default value was changed. (0 → 1)
D0: The default value was changed. (0 → 1)
DEM3-2: Description was changed.
PW2-1: Description was added.
REVISION HISTORY
AsahiKASEI
[AK4413]
MS1495-E-01 2013/01
- 49 -
IMPORTANT NOTICE
z These products and their specifications are subject to change without notice.
When you consider any use or application of these products, please make inquiries the sales office of Asahi Kasei
Microdevices Corporation (AKM) or authorized distributors as to current status of the products.
z Descriptions of external circuits, application circuits, software and other related information contained in this
document are provided only to illustrate the operation and application examples of the semiconductor products. You
are fully responsible for the incorporation of these external circuits, application circuits, software and other related
information in the design of your equipments. AKM assumes no responsibility for any losses incurred by you or third
parties arising from the use of these information herein. AKM assumes no liability for infringement of any patent,
intellectual property, or other rights in the application or use of such information contained herein.
z Any export of these products, or devices or systems containing them, may require an export license or other official
approval under the law and regulations of the country of export pertaining to customs and tariffs, currency exchange,
or strategic materials.
z AKM products are neither intended nor authorized for use as critical componentsNote1) in any safety, life support, or
other hazard related device or systemNote2), and AKM assumes no responsibility for such use, except for the use
approved with the express written consent by Representative Director of AKM. As used here:
Note1) A critical component is one whose failure to function or perform may reasonably be expected to result,
whether directly or indirectly, in the loss of the safety or effectiveness of the device or system containing it, and
which must therefore meet very high standards of performance and reliability.
Note2) A hazard related device or system is one designed or intended for life support or maintenance of safety or
for applications in medicine, aerospace, nuclear energy, or other fields, in which its failure to function or perform
may reasonably be expected to result in loss of life or in significant injury or damage to person or property.
z It is the responsibility of the buyer or distributor of AKM products, who distributes, disposes of, or otherwise places
the product with a third party, to notify such third party in advance of the above content and conditions, and the buyer
or distributor agrees to assume any and all responsibility and liability for and hold AKM harmless from any and all
claims arising from the use of said product in the absence of such notification.
Products related to this Datasheet
IC DAC/AUDIO 24BIT 216K 44LQFP